公布日:2023.10.24
申請日:2023.09.15
分類號:C02F3/30(2023.01)I;C02F101/10(2006.01)N;C02F101/16(2006.01)N
摘要
本發明涉及污水處理技術領域,具體公開一種低碳氮比污水強化脫氮除磷的系統及方法。本發明提供的低碳氮比污水強化脫氮除磷的系統包括進水池、一級SBBR反應器、第一中間水池、二級SBBR反應器、第二中間水池、厭氧氨氧化除磷反應器以及出水池;所述厭氧氨氧化除磷反應器設有反應外室和反應內室。本發明在一級SBBR反應器中發生厭氧釋磷反應、全程硝化和一級好氧除磷反應,在二級SBBR反應器的內源短程反硝化反應階段,加入原污水,無需補充外源有機物;在反應外室中發生厭氧氨氧化脫氮反應,在反應內室中發生二級好氧除磷反應,解決了內源短程反硝化耦合厭氧氨氧化工藝不具有除磷能力的技術問題。

權利要求書
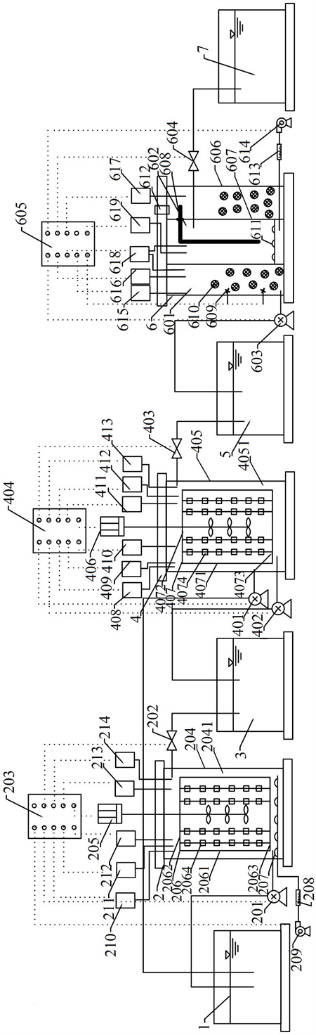
1.一種低碳氮比污水強化脫氮除磷的系統,其特征在于,包括進水池、一級SBBR反應器、第一中間水池、二級SBBR反應器、第二中間水池、厭氧氨氧化除磷反應器以及出水池;其中,所述一級SBBR反應器,與所述進水池相連,用于發生一級厭氧釋磷反應、全程硝化和一級好氧除磷反應;所述第一中間水池,與所述一級SBBR反應器相連,用于接收經所述一級SBBR反應器處理后導出的污水;所述二級SBBR反應器,與所述進水池相連,且與所述第一中間水池相連,所述二級SBBR反應器用于對由所述進水池導入的污水進行內源碳儲存和二級厭氧釋磷反應,隨后對由所述第一中間水池導入的污水進行內源短程反硝化反應;所述第二中間水池,與所述二級SBBR反應器相連,用于接收經所述二級SBBR反應器處理后導出的污水;所述厭氧氨氧化除磷反應器,設有與所述第二中間水池相連的反應外室及位于所述反應外室內部且與所述反應外室連通的反應內室;所述反應外室用于對由所述第二中間水池導入的污水進行厭氧氨氧化脫氮反應;所述反應內室用于對由所述反應外室導入的污水進行二級好氧除磷反應;所述出水池,與所述反應內室相連,用于接收經所述反應內室處理后導出水質達標的可排放水。
2.如權利要求1所述的低碳氮比污水強化脫氮除磷的系統,其特征在于,所述一級SBBR反應器包括第一器身、第一攪拌器、第一填料支架以及第一納米微孔曝氣盤;其中,所述第一器身,具有與所述進水池及所述第一中間水池連通的第一內腔;所述第一攪拌器,設置在所述第一器身上,且伸入至所述第一內腔中;所述第一填料支架,設置在所述第一內腔中,且位于第一攪拌器的外側,具有若干個沿著豎直方向設置的第一垂直支架;所述第一納米微孔曝氣盤,設置在所述第一內腔的底端,用于向所述第一內腔通入空氣。
3.如權利要求2所述的低碳氮比污水強化脫氮除磷的系統,其特征在于,所述第一垂直支架上均布設有第一生物填料,用于附著污泥和污水中的微生物;所述第一生物填料的體積填充比為35%~45%。
4.如權利要求2所述的低碳氮比污水強化脫氮除磷的系統,其特征在于,所述一級SBBR反應器還包括第一亞硝態氮分析儀、第一硝態氮分析儀、第一磷酸鹽分析儀、第一總磷分析儀和第一DO分析儀。
5.如權利要求1所述的低碳氮比污水強化脫氮除磷的系統,其特征在于,所述二級SBBR反應器包括第二器身、第二攪拌器以及第二填料支架;其中,所述第二器身,具有與所述進水池、所述第一中間水池及所述第二中間水池連通的第二內腔;所述第二攪拌器,設置在所述第二器身上,且伸入至所述第二內腔中;所述第二填料支架,設置在所述第二內腔中,且位于第二攪拌器的外側,具有若干個沿著豎直方向設置的第二垂直支架。
6.如權利要求5所述的低碳氮比污水強化脫氮除磷的系統,其特征在于,所述第二垂直支架上均布設有第二生物填料,用于附著污泥和污水中的微生物;所述第二生物填料的體積填充比為40%~50%。
7.如權利要求6所述的低碳氮比污水強化脫氮除磷的系統,其特征在于,所述二級SBBR反應器還包括第一氨氮分析儀、第二亞硝態氮分析儀、第二硝態氮分析儀、第二磷酸鹽分析儀、第二總磷分析儀和第二DO分析儀。
8.如權利要求1所述的低碳氮比污水強化脫氮除磷的系統,其特征在于,所述厭氧氨氧化除磷反應器包括外筒體、內筒體、潛水推流器、多孔懸浮球生物填料以及第二納米微孔曝氣盤;其中,所述內筒體設置在所述外筒體的筒腔中,所述內筒體的筒腔為所述反應內室,在所述內筒體與所述外筒體之間形成所述反應外室;所述內筒體的側壁頂部設有與所述反應外室連通的溢流口;所述潛水推流器位于所述外筒體的側壁上,用于推動所述反應外室中的污水及多孔懸浮球生物填料均勻分布;所述多孔懸浮球生物填料設置在所述反應外室中,用于附著污泥和污水中的微生物,體積填充比為35%~45%;所述第二納米微孔曝氣盤位于所述內筒體的筒腔底部,用于向所述反應內室通入空氣;其中,所述反應外室的頂部設有排氣口,用于排放所述厭氧氨氧化脫氮反應產生的氮氣。
9.如權利要求8所述的低碳氮比污水強化脫氮除磷的系統,其特征在于,所述厭氧氨氧化除磷反應器還包括第二氨氮分析儀、第三亞硝態氮分析儀、總氮分析儀、第三DO分析儀和第三總磷分析儀;其中,所述第二氨氮分析儀、第三亞硝態氮分析儀和總氮分析儀的探頭均插入所述反應外室中;所述第三總磷分析儀的探頭插入所述反應內室中;所述第三DO分析儀設有兩組探頭,其中一組探頭插入所述反應外室中,另一組探頭插入所述反應內室中。
10.一種低碳氮比污水強化脫氮除磷的方法,其特征在于,采用權利要求1~9任一項所述的低碳氮比污水強化脫氮除磷的系統,包括以下步驟:S1,預備階段:S11,在一級SBBR反應器中接種A/O工藝污水處理廠二沉池的剩余污泥,使一級SBBR反應器中的污泥濃度為3000~4000mg/L;S12,在二級SBBR反應器中接種經馴化后的含有高濃度NO2--N的反硝化污泥,使二級SBBR反應器中的污泥濃度為3000~4000mg/L;S13,在厭氧氨氧化除磷反應器的反應外室中放入負載厭氧氨氧化微生物的多孔懸浮球生物填料;S14,在厭氧氨氧化除磷反應器的反應內室中接種A/O工藝污水處理廠二沉池的剩余污泥,使反應內室中的污泥濃度為3000~3500mg/L;S2,全程硝化和一級好氧除磷反應階段:S21,厭氧階段:將進水池內的污水加入到一級SBBR反應器中,攪拌,進行一級厭氧釋磷反應,當PO43--P/TP超過95%,控制反應結束;S22,好氧階段:向一級SBBR反應器中通入空氣,使DO濃度為2.0~4.0mg/L,攪拌,進行全程硝化和一級好氧除磷反應,當NO3--N/NOx--N超過95%,且TP濃度低于0.5mg/L,控制反應結束,得高濃度NO3--N的污水;S23,沉淀排水階段:將所述高濃度NO3--N的污水沉淀30~60min,排入第一中間水池中儲存;S3,內源碳儲存和短程反硝化階段:S31,厭氧階段:將進水池內的污水加入到二級SBBR反應器中,進水體積為二級SBBR反應器容積的1/3~2/3,攪拌,進行內源碳儲存和二級厭氧釋磷反應,當PO43--P/TP超過95%,控制反應結束;S32,缺氧階段:將第一中間水池內的污水加入到二級SBBR反應器中,進水體積為加滿二級SBBR反應器容積,攪拌,進行內源短程反硝化反應,當NO3--N/NOx--N超過95%,且NO2--N/NH4+-N為1.1~1.5,控制反應結束;S33,沉淀排水階段:將二級SBBR反應器處理后的水沉淀30~60min,排入第二中間水池中儲存;S4,厭氧氨氧化和二級好氧除磷階段:S41,厭氧階段:將第二中間水池內的污水加入到厭氧氨氧化除磷反應器的反應外室中,攪拌,進行厭氧氨氧化脫氮反應,當NH4+-N和NO2--N濃度均為0mg/L,且TN濃度在15mg/L以下,控制反應結束,反應外室中的污水流入反應內室;S43,好氧階段:向反應內室中通入空氣,使DO濃度為3~5mg/L,攪拌,進行二級好氧除磷反應,當TP濃度為0.5mg/L以下,控制反應結束;S44,沉淀排水階段:將反應內室的水沉淀30~60min,排入出水池,得水質達標的可排放水。
發明內容
針對上述問題,本發明提供一種低碳氮比污水強化脫氮除磷的系統及方法。
為解決上述技術問題,本發明提供的技術方案是:一種低碳氮比污水強化脫氮除磷的系統,包括進水池、一級SBBR反應器、第一中間水池、二級SBBR反應器、第二中間水池、厭氧氨氧化除磷反應器以及出水池;其中,所述一級SBBR反應器,與所述進水池相連,用于發生一級厭氧釋磷反應、全程硝化和一級好氧除磷反應;所述第一中間水池,與所述一級SBBR反應器相連,用于接收經所述一級SBBR反應器處理后導出的污水;所述二級SBBR反應器,與所述進水池相連,且與所述第一中間水池相連,所述二級SBBR反應器用于對由所述進水池導入的污水進行內源碳儲存和二級厭氧釋磷反應,隨后對由所述第一中間水池導入的污水進行內源短程反硝化反應;所述第二中間水池,與所述二級SBBR反應器相連,用于接收經所述二級SBBR反應器處理后導出的污水;所述厭氧氨氧化除磷反應器,設有與所述第二中間水池相連的反應外室及位于所述反應外室內部且與所述反應外室連通的反應內室;所述反應外室用于對由所述第二中間水池導入的污水進行厭氧氨氧化脫氮反應;所述反應內室用于對由所述反應外室導入的污水進行二級好氧除磷反應;所述出水池,與所述反應內室相連,用于接收經所述反應內室處理后導出水質達標的可排放水。
相對于現有技術,本發明提供的低碳氮比污水強化脫氮除磷的系統,通過一級SBBR反應器的全程硝化和一級好氧除磷反應,在有氧狀態下,利用無機氮為氮源將NH4+氧化成NO3-,硝態率(NO3--N/NOx--N)超過95%,為內源短程反硝化提供穩定充足的NO3-來源,無需再次投加NO3--N,同時,實現磷一級好氧去除;在二級SBBR反應器的內源短程反硝化反應階段,加入原污水,在厭氧條件下,利用原污水中的有機物進行內碳源聚羥基脂肪酸酯(poly-β-hydroxy-alkanoates,PHAs)儲存,在缺氧條件下,異氧反硝化細菌利用厭氧條件下儲存的PHAs將一級SBBR反應器出水中NO3-轉化為NO2-,無需補充外源有機物;通過厭氧氨氧化除磷反應器的厭氧氨氧化脫氮和二級好氧除磷反應階段,在厭氧條件下,厭氧氨氧化細菌將NO2-、NH4+轉化為N2,實現氮素的去除,同時將二級SBBR反應器進入的原污水中的磷以及一級SBBR反應器未去除的磷再次進行好氧去除,解決了EPD耦合Anammox工藝不具有除磷能力的技術問題。
在一種可能的實現方式中,所述一級SBBR反應器包括第一器身、第一攪拌器、第一填料支架以及第一納米微孔曝氣盤;其中,所述第一器身,具有與所述進水池及所述第一中間水池連通的第一內腔;所述第一攪拌器,設置在所述第一器身上,且伸入至所述第一內腔中;所述第一填料支架,設置在所述第一內腔中,且位于第一攪拌器的外側,具有若干個沿著豎直方向設置的第一垂直支架;所述第一納米微孔曝氣盤,設置在所述第一內腔的底端,用于向所述第一內腔通入空氣。
在一種可能的實現方式中,所述第一垂直支架上均布設有第一生物填料,用于附著污泥和污水中的微生物;所述第一生物填料的體積填充比為35%~45%。
在一種可能的實現方式中,所述一級SBBR反應器還包括第一亞硝態氮分析儀、第一硝態氮分析儀、第一磷酸鹽分析儀、第一總磷分析儀和第一DO分析儀。
在一種可能的實現方式中,所述二級SBBR反應器包括第二器身、第二攪拌器以及第二填料支架;其中,所述第二器身,具有與所述進水池、所述第一中間水池及所述第二中間水池連通的第二內腔;所述第二攪拌器,設置在所述第二器身上,且伸入至所述第二內腔中;所述第二填料支架,設置在所述第二內腔中,且位于第二攪拌器的外側,具有若干個沿著豎直方向設置的第二垂直支架。
在一種可能的實現方式中,所述第二垂直支架上均布設有第二生物填料,用于附著污泥和污水中的微生物;所述第二生物填料的體積填充比為40%~50%。
在一種可能的實現方式中,所述二級SBBR反應器還包括第一氨氮分析儀、第二亞硝態氮分析儀、第二硝態氮分析儀、第二磷酸鹽分析儀、第二總磷分析儀和第二DO分析儀。
在一種可能的實現方式中,所述厭氧氨氧化除磷反應器包括外筒體、內筒體、潛水推流器、多孔懸浮球生物填料以及第二納米微孔曝氣盤;其中,所述內筒體設置在所述外筒體的筒腔中,所述內筒體的筒腔為所述反應內室,在所述內筒體與所述外筒體之間形成所述反應外室;所述內筒體的側壁頂部設有與所述反應外室連通的溢流口;所述潛水推流器位于所述外筒體的側壁上,用于推動所述反應外室中的污水及多孔懸浮球生物填料均勻分布;所述多孔懸浮球生物填料設置在所述反應外室中,用于附著污泥和污水中的微生物,體積填充比為35%~45%;所述第二納米微孔曝氣盤位于所述內筒體的筒腔底部,用于向所述反應內室通入空氣;其中,所述反應外室的頂部設有排氣口,用于排放所述厭氧氨氧化脫氮反應產生的氮氣。
在一種可能的實現方式中,所述厭氧氨氧化除磷反應器還包括第二氨氮分析儀、第三亞硝態氮分析儀、總氮分析儀、第三DO分析儀和第三總磷分析儀;其中,所述第二氨氮分析儀、第三亞硝態氮分析儀和總氮分析儀的探頭均插入所述反應外室中;所述第三總磷分析儀的探頭插入所述反應內室中;所述第三DO分析儀設有兩組探頭,其中一組探頭插入所述反應外室中,另一組探頭插入所述反應內室中。
本發明還提供了一種低碳氮比污水強化脫氮除磷的方法,采用上述低碳氮比污水強化脫氮除磷的系統,包括以下步驟:S1,預備階段:S11,在一級SBBR反應器中接種A/O工藝污水處理廠二沉池的剩余污泥,使一級SBBR反應器中的污泥濃度為3000~4000mg/L;S12,在二級SBBR反應器中接種經馴化后的含有高濃度NO2--N的反硝化污泥,使二級SBBR反應器中的污泥濃度為3000~4000mg/L;S13,在厭氧氨氧化除磷反應器的反應外室中放入負載厭氧氨氧化微生物的多孔懸浮球生物填料;S14,在厭氧氨氧化除磷反應器的反應內室中接種A/O工藝污水處理廠二沉池的剩余污泥,使反應內室中的污泥濃度為3000~3500mg/L;S2,全程硝化和一級好氧除磷反應階段:S21,厭氧階段:將進水池內的污水加入到一級SBBR反應器中,攪拌,進行一級厭氧釋磷反應,當PO43--P/TP超過95%,控制反應結束;S22,好氧階段:向一級SBBR反應器中通入空氣,使DO濃度為2.0~4.0mg/L,攪拌,進行全程硝化和一級好氧除磷反應,當NO3--N/NOx--N超過95%,且TP濃度低于0.5mg/L,控制反應結束,得高濃度NO3--N的污水;S23,沉淀排水階段:將所述高濃度NO3--N的污水沉淀30~60min,排入第一中間水池中儲存;S3,內源碳儲存和短程反硝化階段:S31,厭氧階段:將進水池內的污水加入到二級SBBR反應器中,進水體積為二級SBBR反應器容積的1/3~2/3,攪拌,進行內源碳儲存和二級厭氧釋磷反應,當PO43--P/TP超過95%,控制反應結束;S32,缺氧階段:將第一中間水池內的污水加入到二級SBBR反應器中,進水體積為加滿二級SBBR反應器容積,攪拌,進行內源短程反硝化反應,當NO3--N/NOx--N超過95%,且NO2--N/NH4+-N為1.1~1.5,控制反應結束;S33,沉淀排水階段:將二級SBBR反應器處理后的水沉淀30~60min,排入第二中間水池中儲存;S4,厭氧氨氧化和二級好氧除磷階段:S41,厭氧階段:將第二中間水池內的污水加入到厭氧氨氧化除磷反應器的反應外室中,攪拌,進行厭氧氨氧化脫氮反應,當NH4+-N和NO2--N濃度均為0mg/L,且TN濃度在15mg/L以下,控制反應結束,反應外室中的污水流入反應內室;S43,好氧階段:向反應內室中通入空氣,使DO濃度為3~5mg/L,攪拌,進行二級好氧除磷反應,當TP濃度為0.5mg/L以下,控制反應結束;S44,沉淀排水階段:將反應內室的水沉淀30~60min,排入出水池,得水質達標的可排放水。
需要說明的是,步驟S31和步驟S2沒有先后順序,步驟S31可以在步驟S2結束后再進行,為了提高廢水處理的效率,步驟S31也可以和步驟S2同時進行。本發明所有厭氧階段(步驟S21、S31和S41)中,DO濃度均在0.02mg/L以下;缺氧階段(步驟S32)中,DO濃度為0.03~0.05mg/L。本發明中,PO43--P/TP、NO3--N/NOx--N和NO2--N/NH4+-N均表示在污水中各自的濃度比。
本發明提供的低碳氮比污水強化脫氮除磷的方法適用于處理低碳氮比的生活污水,對具體的進水水質情況沒有要求,經低碳氮比污水強化脫氮除磷的方法處理后,生活污水的水質均可達到可排放的要求。
本發明步驟S2中,在厭氧(An)階段進行一級厭氧釋磷反應;在好氧(O)階段,利用無機氮為氮源進行全程硝化反應,將NH4+氧化成NO3-,硝態率(NO3--N/NOx--N)達到一定值,為內源短程反硝化提供穩定充足的NO3-來源,無需再次投加NO3--N,同時實現磷一級好氧去除。步驟S3中,在厭氧(An)階段,利用原污水中的有機物進行內碳源聚羥基脂肪酸酯(PHAs)儲存(內源碳儲存),同時進行二級厭氧釋磷反應;在缺氧(A)階段,異氧反硝化細菌利用厭氧條件下儲存的PHAs進行內源短程反硝化反應,將一級SBBR反應器出水中的NO3-轉化為NO2-,無需補充外源有機物。步驟S4中,在厭氧(An)階段(反應外室內),利用厭氧氨氧化細菌進行厭氧氨氧化脫氮反應,將NO2-和NH4+轉化為N2,實現氮素(TN)的去除;在好氧(O)階段,將二級SBBR反應器進入的原污水中的磷以及一級SBBR反應器未去除的磷再次進行好氧去除,大幅減少總磷(TP)濃度,解決了EPD耦合Anammox工藝不具有除磷能力的技術問題。
示例的,步驟S12中,所述反硝化污泥的馴化方式包括以下步驟:在1L的廢水中加入80.1mg檸檬酸、17.1mgKH2PO4、21.2mgNaNO3,控制溶液CODCr的說 明 書4/13頁8CN116924569A8質量濃度為300mg/L,加固體NaOH調溶液酸堿度至pH=7;接種污泥均取自城鎮污水處理廠二沉池的剩余污泥,運行方式為進水0.5h,缺氧5.0h,沉淀2.0h,出水0.5h,運行周期8h,共運行30個周期。
(發明人:武肖莎;孟熙;魏丹丹;仝翠;聶麗位;李玲;蔣東)






