公布日:2023.01.24
申請日:2022.10.20
分類號:C10J3/48(2006.01)I;C10J3/46(2006.01)I;C10J3/50(2006.01)I;C10J3/72(2006.01)I;C10J3/76(2006.01)I;C10J3/80(2006.01)I;C10J3/84(2006.01)I
摘要
本發明公開了一種生化污泥摻燒設備及方法,屬于生化污泥處理技術領域。該設備包括粉煤進料系統以及氣化系統;粉煤進料系統包括粉煤給料罐和粉煤輸送管線;粉煤給料罐具有粉煤出口,粉煤的來源包括生化污泥和原料煤;氣化系統包括氣化爐;氣化爐的頂部設有燒嘴;燒嘴具有煤粉通道以及用于通入氧氣與蒸汽的混合氣的氣體通道;粉煤輸送管線的兩端分別與粉煤出口以及煤粉通道連接以使粉煤進入氣化爐與混合氣進行氣化反應。相應的方法包括:采用上述設備對含有生化污泥的粉煤進行摻燒。該方法可解決污泥燃燒的環境風險,有利于消除二次污染問題,并且具有較高的氣化熱效率,可節省污泥處置成本。

權利要求書
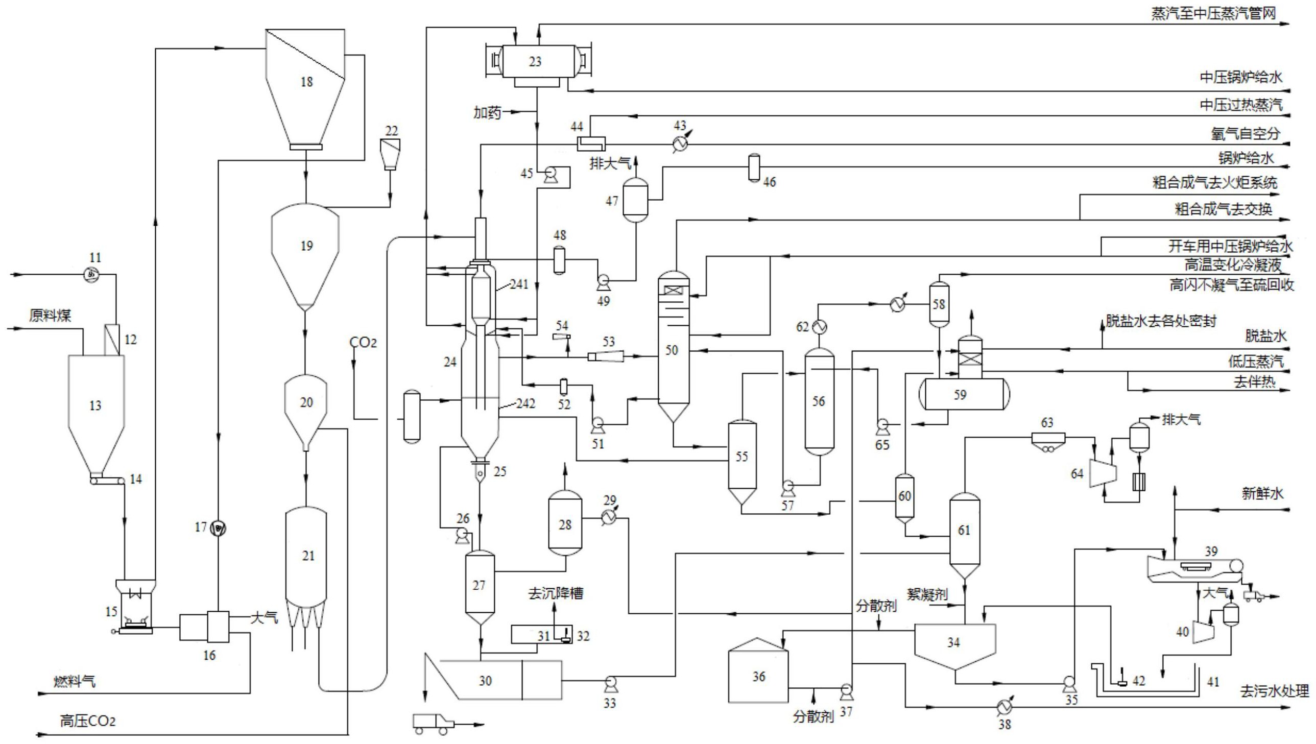
1.一種生化污泥摻燒設備,其特征在于,包括粉煤進料系統以及氣化系統;所述粉煤進料系統包括粉煤給料罐和粉煤輸送管線;所述粉煤給料罐具有粉煤出口,所述粉煤的來源包括生化污泥和原料煤;所述氣化系統包括氣化爐;所述氣化爐的頂部設有燒嘴;所述燒嘴具有煤粉通道以及用于通入氧氣與蒸汽的混合氣的氣體通道;所述粉煤輸送管線的兩端分別與所述粉煤出口以及所述煤粉通道連接以使粉煤進入氣化爐與混合氣進行氣化反應。
2.根據權利要求1所述的生化污泥摻燒設備,其特征在于,所述生化污泥摻燒設備還包括前處理系統;所述前處理系統包括磨煤機、粉煤袋式過濾器、粉煤貯罐和粉煤鎖斗;所述磨煤機具有磨煤機第一入口和磨煤機第二入口,其中,所述磨煤機第一入口用于通入生化污泥和原料煤,所述磨煤機第二入口用于通入惰性氣體;所述惰性氣體用于將生化污泥和原料煤經所述磨煤機研磨后所得的粉料進行干燥和輸送至所述粉煤袋式過濾器;所述磨煤機的出口與所述粉煤袋式過濾器的入口連接;所述粉煤袋式過濾器具有粉煤袋式過濾器第一出口,所述粉煤袋式過濾器第一出口與所述粉煤貯罐的入口連接;所述粉煤鎖斗具有粉煤鎖斗第一入口,所述粉煤貯罐的出口與所述粉煤鎖斗第一入口連接,所述粉煤鎖斗的出口與所述粉煤給料罐的入口連接。
3.根據權利要求1所述的生化污泥摻燒設備,其特征在于,所述氣化爐包括位于上部的水冷壁復式燃燒反應室以及位于下部的激冷室;所述反應室為表面覆蓋耐火材料的盤管式水冷壁結構。
4.根據權利要求1所述的生化污泥摻燒設備,其特征在于,所述生化污泥摻燒設備還包括氧氣系統;所述氧氣系統包括氧氣預熱器以及氧氣蒸汽混合器;所述氧氣預熱器用于對來自單元的氧氣進行預熱,所述氧氣預熱器的出口與所述氧氣蒸汽混合器的入口連接以使所述氧氣與蒸汽進行混合,所述氧氣蒸汽混合器的出口與所述燒嘴的氣體通道連接。
5.根據權利要求3所述的生化污泥摻燒設備,其特征在于,所述生化污泥摻燒設備還包括氣化汽水系統;所述氣化汽水系統包括中壓汽包以及中壓鍋爐水循環泵,所述中壓汽包具有中壓汽包第一入口、中壓汽包第二入口、中壓汽包第一出口和中壓汽包第二出口;所述中壓汽包第一入口用于通入中壓鍋爐給水,所述中壓汽包第一出口與所述中壓鍋爐水循環泵的入口連接,所述中壓鍋爐水循環泵的出口與所述氣化爐的水冷壁的盤管的一端連接,所述水冷壁的盤管的另一端與所述中壓汽包第二入口連接。
6.根據權利要求3所述的生化污泥摻燒設備,其特征在于,所述生化污泥摻燒設備還包括排渣系統;所述排渣系統包括破渣機、渣鎖斗、渣鎖斗循環泵以及渣池;所述激冷室的下部與所述破渣機連接,所述破渣機與所述渣鎖斗的入口連接,所述渣鎖斗的出口與所述渣池連接,所述激冷室的下部與所述渣鎖斗之間還連接有所述渣鎖斗循環泵。
7.根據權利要求6所述的生化污泥摻燒設備,其特征在于,所述生化污泥摻燒設備還包括灰水處理系統;所述灰水處理系統包括渣池泵和沉降槽;所述渣池泵的兩端分別與所述渣池和所述沉降槽連接。
8.根據權利要求1所述的生化污泥摻燒設備,其特征在于,所述生化污泥摻燒設備還包括合成氣洗滌系統;所述合成氣洗滌系統包括文丘里洗滌器和洗滌塔;所述文丘里洗滌器的入口與氣化爐連接,所述文丘里洗滌器的出口與所述洗滌塔連接。
9.一種生化污泥摻燒方法,其特征在于,采用權利要求1-8任一項所述的生化污泥摻燒設備對含有生化污泥的粉煤進行摻燒。
10.根據權利要求9所述的生化污泥摻燒方法,其特征在于,所述生化污泥摻燒方法具有以下特征中的至少一種:A、氣化反應于壓力為4-4.5MPa、溫度為1300-1600℃的條件下進行;B、88-92wt%的粉煤的顆粒粒度≤90μm,剩余的粉煤的顆粒粒度≤5μm;C、粉煤的水分含量<2wt%;D、來自空分單元的氧氣預熱至175-185℃;E、粉煤輸送管線中粉煤的輸送流速為7-9m/s,粉煤的密度>350kg/m3;F、氣化反應中氧煤比為0.6-0.9;G、氣化爐的爐膛溫度不超過800℃;H、氣化爐中甲烷含量控制為1000-2000ppm;I、氣化爐激冷室液位不低于30%。
發明內容
本發明的目的之一在于提供一種生化污泥摻燒設備,其可實現生化污泥的合理無害處理。
本發明的目的之二在于提供一種通過上述生化污泥摻燒設備進行生化污泥摻燒的方法。
本申請可這樣實現:
第一方面,本申請提供了一種生化污泥摻燒設備,其包括粉煤進料系統以及氣化系統;
粉煤進料系統包括粉煤給料罐和粉煤輸送管線;
粉煤給料罐具有粉煤出口,粉煤的來源包括生化污泥和原料煤;
氣化系統包括氣化爐;氣化爐的頂部設有燒嘴;燒嘴具有煤粉通道以及用于通入氧氣與蒸汽的混合氣的氣體通道;
粉煤輸送管線的兩端分別與粉煤出口以及煤粉通道連接以使粉煤進入氣化爐與混合氣進行氣化反應。
在可選的實施方式中,生化污泥摻燒設備還包括前處理系統;
前處理系統包括磨煤機、粉煤袋式過濾器、粉煤貯罐和粉煤鎖斗;
磨煤機具有磨煤機第一入口和磨煤機第二入口,其中,磨煤機第一入口用于通入生化污泥和原料煤,磨煤機第二入口用于通入惰性氣體;
惰性氣體用于將生化污泥和原料煤經磨煤機研磨后所得的粉料進行干燥和輸送至粉煤袋式過濾器;
磨煤機的出口與粉煤袋式過濾器的入口連接;粉煤袋式過濾器具有粉煤袋式過濾器第一出口,粉煤袋式過濾器第一出口與粉煤貯罐的入口連接;粉煤鎖斗具有粉煤鎖斗第一入口,粉煤貯罐的出口與粉煤鎖斗第一入口連接,粉煤鎖斗的出口與粉煤給料罐的入口連接。
在可選的實施方式中,氣化爐包括位于上部的水冷壁復式燃燒反應室以及位于下部的激冷室;
反應室為表面覆蓋耐火材料的盤管式水冷壁結構。
在可選的實施方式中,生化污泥摻燒設備還包括氧氣系統;
氧氣系統包括氧氣預熱器以及氧氣蒸汽混合器;
氧氣預熱器用于對來自單元的氧氣進行預熱,氧氣預熱器的出口與氧氣蒸汽混合器的入口連接以使氧氣與蒸汽進行混合,氧氣蒸汽混合器的出口與燒嘴的氣體通道連接。
在可選的實施方式中,生化污泥摻燒設備還包括氣化汽水系統;
氣化汽水系統包括中壓汽包以及中壓鍋爐水循環泵,中壓汽包具有中壓汽包第一入口、中壓汽包第二入口、中壓汽包第一出口和中壓汽包第二出口;
中壓汽包第一入口用于通入中壓鍋爐給水,中壓汽包第一出口與中壓鍋爐水循環泵的入口連接,中壓鍋爐水循環泵的出口與氣化爐的水冷壁的盤管的一端連接,水冷壁的盤管的另一端與中壓汽包第二入口連接。
在可選的實施方式中,生化污泥摻燒設備還包括排渣系統;
排渣系統包括破渣機、渣鎖斗、渣鎖斗循環泵以及渣池;
激冷室的下部與破渣機連接,破渣機與渣鎖斗的入口連接,渣鎖斗的出口與渣池連接,激冷室的下部與渣鎖斗之間還連接有渣鎖斗循環泵。
在可選的實施方式中,生化污泥摻燒設備還包括灰水處理系統;
灰水處理系統包括渣池泵和沉降槽;
渣池泵的兩端分別與渣池和沉降槽連接。
在可選的實施方式中,生化污泥摻燒設備還包括合成氣洗滌系統;
合成氣洗滌系統包括文丘里洗滌器和洗滌塔;
文丘里洗滌器的入口與氣化爐連接,文丘里洗滌器的出口與洗滌塔連接。
第二方面,本申請提供了一種生化污泥摻燒方法,其采用上述生化污泥摻燒設備對含有生化污泥的粉煤進行摻燒。
在可選的實施方式中,生化污泥摻燒方法具有以下特征中的至少一種:
A、氣化反應于壓力為4-4.5MPa、溫度為1300-1600℃的條件下進行;
B、88-92wt%的粉煤的顆粒粒度≤90μm,剩余的粉煤的顆粒粒度≤5μm;
C、粉煤的水分含量<2wt%;
D、來自空分單元的氧氣預熱至175-185℃;
E、粉煤輸送管線中粉煤的輸送流速為7-9m/s,粉煤的密度>350kg/m3;
F、氣化反應中氧煤比為0.6-0.9;
G、氣化爐的爐膛溫度不超過800℃;
H、氣化爐中甲烷含量控制為1000-2000ppm;
I、氣化爐激冷室液位不低于30%。
本申請的有益效果包括:
本申請提供過的生化污泥摻燒設備可將煤粉和混合氣(蒸汽和氧氣)共同于氣化爐中進行氣化反應,生產以CO、H2為主要成分的粗煤氣。相應的方法氣化效率高,煤轉化效率高,可解決污泥燃燒的環境風險,有利于消除二次污染問題,并且可節省污泥處置成本。
(發明人:趙旭東;李泰山;李海龍;蘇占飛;王俊;高建平;潘晗)






