公布日:2023.04.04
申請日:2022.10.12
分類號:C02F9/00(2023.01)I;C10L1/32(2006.01)I;F01D15/10(2006.01)I;F23C10/18(2006.01)I;C02F1/00(2006.01)N;C02F1/04(2006.01)N;C02F1/28(2006.01)N;C02F1/
52(2006.01)N
摘要
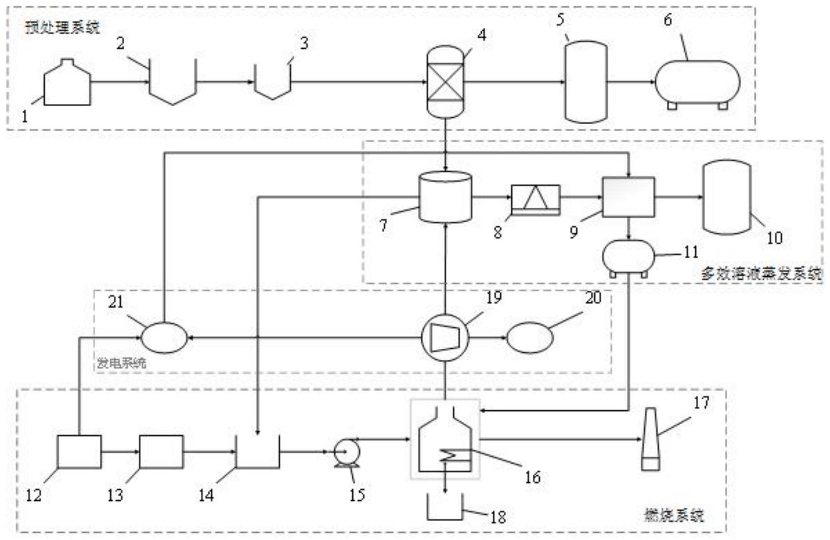
本發明提供一種蘭炭廢水的熱電一體化綜合處理系統,包括預處理系統、多效溶液蒸發系統、發電系統及燃燒系統,預處理系統包括酚氨回收裝置,多效溶液蒸發系統包括多效蒸發器及吸附凈化裝置,發電系統包括活性炭改性裝置及發電裝置,燃燒系統包括燃燒器。蘭炭廢水處理過程包括:經酚氨回收裝置處理后的蘭炭廢水進入多效蒸發器,蒸發后制得清液及濃縮液,清液送入吸附凈化裝置,吸附凈化裝置內具有蘭炭粉末經活性炭改性裝置制得的活性炭,吸附有害物質后的廢棄活性炭送入所述燃燒器進行焚燒,燃燒器與發電裝置連接且為發電裝置供能。實現了蘭炭生產、運輸、存放過程中產生的蘭炭粉末與蘭炭廢水的綜合處理。

權利要求書
1.一種蘭炭廢水的熱電一體化綜合處理系統,其特征在于,包括預處理系統、多效溶液蒸發系統、發電系統及燃燒系統,所述預處理系統包括酚氨回收裝置(4),所述多效溶液蒸發系統包括多效蒸發器(7)及吸附凈化裝置(9),所述發電系統包括活性炭改性裝置(21)及發電裝置(19),所述燃燒系統包括燃燒器(16);蘭炭廢水處理過程包括:經所述酚氨回收裝置(4)處理后的蘭炭廢水進入所述多效蒸發器(7),蒸發后制得清液及濃縮液,所述清液送入所述吸附凈化裝置(9),所述吸附凈化裝置(9)內具有蘭炭粉末經所述活性炭改性裝置(21)制得的活性炭,吸附有害物質后的廢棄活性炭送入所述燃燒器(16)進行焚燒,所述燃燒器(16)與所述發電裝置(19)連接且為所述發電裝置(19)供能。
2.根據權利要求1所述的蘭炭廢水的熱電一體化綜合處理系統,其特征在于,所述發電裝置(19)為汽輪發電機組,所述燃燒器(16)產生的高壓蒸汽用于所述汽輪發電機組發電。
3.根據權利要求2所述的蘭炭廢水的熱電一體化綜合處理系統,其特征在于,所述汽輪發電機組內的部分低壓蒸汽為所述預處理系統、所述多效溶液蒸發系統及所述活性炭改性裝置(21)供能。
4.根據權利要求3所述的蘭炭廢水的熱電一體化綜合處理系統,其特征在于,所述預處理系統還包括預熱裝置(3),所述預熱裝置(3)與所述酚氨回收裝置(4)連接,所述低壓蒸汽通過管路輸送至所述預熱裝置(3)、所述酚氨回收裝置(4)、所述多效蒸發器(7)及所述活性炭改性裝置(21)。
5.根據權利要求1所述的蘭炭廢水的熱電一體化綜合處理系統,其特征在于,所述燃燒系統還包括蘭炭粉末收集裝置(12)、制漿裝置(14),對所述蘭炭粉末收集裝置(12)內的蘭炭粉末進行篩分,大顆粒的蘭炭粉末送至所述活性炭改性裝置(21)用于制作活性炭,小顆粒的蘭炭粉末及所述濃縮液送至所述制漿裝置(14)后混合,制得的水煤漿送入所述燃燒器(16)。
6.根據權利要求5所述的蘭炭廢水的熱電一體化綜合處理系統,其特征在于,所述燃燒系統還包括位于所述蘭炭粉末收集裝置(12)與所述制漿裝置(14)之間的制粉裝置(13),所述制粉裝置(13)用于將所述小顆粒的蘭炭粉末研磨成100-150目的蘭炭細粉。
7.根據權利要求1所述的蘭炭廢水的熱電一體化綜合處理系統,其特征在于,所述燃燒器(16)為循環流化床煤漿鍋爐。
發明內容
因此,本發明提供一種蘭炭廢水的熱電一體化綜合處理系統,能夠克服現有技術中的蘭炭廢水處理難度大及蘭炭粉末資源浪費的缺陷。
為了解決上述問題,本發明提供一種蘭炭廢水的熱電一體化綜合處理系統,包括預處理系統、多效溶液蒸發系統、發電系統及燃燒系統,所述預處理系統包括酚氨回收裝置,所述多效溶液蒸發系統包括多效蒸發器及吸附凈化裝置,所述發電系統包括活性炭改性裝置及發電裝置,所述燃燒系統包括燃燒器。
蘭炭廢水處理過程包括:經所述酚氨回收裝置處理后的蘭炭廢水進入所述多效蒸發器,蒸發后制得清液及濃縮液,所述清液送入所述吸附凈化裝置,所述吸附凈化裝置內具有蘭炭粉末經過所述活性炭改性裝置制得的活性炭,吸附有害物質后的廢棄活性炭送入所述燃燒器,所述燃燒器與所述發電裝置連接且為所述發電裝置供能。
在一些實施方式中,所述發電裝置為汽輪發電機組,所述燃燒器產生的高壓蒸汽用于所述汽輪發電機組發電。
在一些實施方式中,所述汽輪發電機組內的部分低壓蒸汽為所述預處理系統、所述多效溶液蒸發系統及所述活性炭改性裝置供能。
在一些實施方式中,所述預處理系統還包括預熱裝置,所述預熱裝置與所述酚氨回收裝置連接,所述低壓蒸汽通過管路輸送至所述預熱裝置、所述酚氨回收裝置、所述多效蒸發器及所述活性炭改性裝置。
在一些實施方式中,所述燃燒系統還包括蘭炭粉末收集裝置、制漿裝置,對所述蘭炭粉末收集裝置內的蘭炭粉末進行篩分,大顆粒的蘭炭粉末送至所述活性炭改性裝置用于制作活性炭,小顆粒的蘭炭粉末及所述濃縮液送至所述制漿裝置后混合,制得的水煤漿送入所述燃燒器。
在一些實施方式中,所述燃燒系統還包括位于所述蘭炭粉末收集裝置與所述制漿裝置之間的制粉裝置,所述制粉裝置用于將所述小顆粒的蘭炭粉末研磨成100-150目的蘭炭細粉。
在一些實施方式中,所述燃燒器為循環流化床煤漿鍋爐。
本發明提供的一種蘭炭廢水的熱電一體化綜合處理系統,將蘭炭廢水收集后,經除油工藝分離出廢液,對廢液進行預熱后,再通過酚氨回收裝置分離出大部分的酚和氨水,將副產有機質外運,分離出的二次廢液經過多效蒸發器蒸發濃縮,蒸發的清液經冷卻器冷卻后,進入吸附凈化裝置,經活性炭進一步吸附凈化后成為回用中水。利用過的活性炭收集后輸送至循環流化床煤漿鍋爐燃燒,產生的高壓蒸汽用來發電,發電過程中的部分低壓蒸汽為多效蒸發器、活性炭改性裝置、酚氨回收裝置等多個環節提供熱量,形成熱電聯產效果,充分利用燃燒熱能。蘭炭粉末經過篩分,較大顆粒用于改性成活性炭,較小顆粒收集后經過制粉、制漿環節輸送至循環流化床煤漿鍋爐,鍋爐產生的煙氣經過凈化后通過煙囪外排,產生的灰渣收集后集中處理,一方面燃燒釋放熱能、另一方面降低污染、經煙氣凈化處理后解除有機質污染。整個工藝流程實現了蘭炭廢水和多余蘭炭粉末的綜合性資源化利用,實現蘭炭廢水零排放及高效利用蘭炭粉末。解決了蘭炭企業蘭炭粉末的處置問題,蘭炭末不需外運處置,有效處理蘭炭廢水難題同時,利用了蘭炭末的吸附性、磨粉、制水煤漿,實現低溫燃燒,降低NOx排放指標。
(發明人:張紅衛;蔡佳鑫;賈欣悅;丁海林;胡錦濤)






