公布日:2023.12.05
申請日:2023.05.30
分類號:B01D29/03(2006.01)I;B01D29/58(2006.01)I;B01D29/62(2006.01)I;B03C1/02(2006.01)I;B03C1/30(2006.01)I
摘要
本發明申請提供了一種化學反應式金屬改性處理廢水回收裝置,運用于廢水回收技術領域,包括:機架,其上設置有上下分布的兩個過濾網,所述機架上活動設置有連桿,所述連桿的活動軌跡呈U形,所述連桿上活動套設有吊架,所述吊架上設置有電磁鐵,所述機架上設置有用于驅使連桿活動的驅動件;廢水管,出水端與其中位于上方的過濾網對應,所述廢水管上設置有電磁閥;兩個開關組件,對稱設置在機架上且均與電磁鐵電性連接,通過開關組件控制電磁鐵的開啟或關閉;斷電組件,設置在機架上且與電磁鐵電性連接,通過斷電組件控制電磁鐵的關閉。

權利要求書
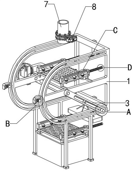
1.一種化學反應式金屬改性處理廢水回收裝置,其特征在于,包括:機架(1),其上設置有上下分布的兩個過濾網(2),所述機架(1)上活動設置有連桿(3),所述連桿(3)的活動軌跡呈U形,所述連桿(3)上活動套設有吊架(4),所述吊架(4)上設置有電磁鐵(5),所述機架(1)上設置有用于驅使連桿(3)活動的驅動件(6);廢水管(7),出水端與其中位于上方的過濾網(2)對應,所述廢水管(7)上設置有電磁閥(8);兩個開關組件(9),對稱設置在機架(1)上且均與電磁鐵(5)電性連接,通過開關組件(9)控制電磁鐵(5)的開啟或關閉;斷電組件(10),設置在機架(1)上且與電磁鐵(5)電性連接,通過斷電組件(10)控制電磁鐵(5)的關閉。
2.根據權利要求1所述的一種化學反應式金屬改性處理廢水回收裝置,其特征在于,所述驅動件(6)包括轉動設置在機架(1)上的軸桿(601)、套設在軸桿(601)上的驅動桿(602)以及開設在驅動桿(602)上的腰孔(603),所述連桿(3)的自由端與腰孔(603)滑動配合。
3.根據權利要求2所述的一種化學反應式金屬改性處理廢水回收裝置,其特征在于,所述機架(1)上設置有與軸桿(601)固定連接且用于驅使其轉動的減速件(11)。
4.根據權利要求3所述的一種化學反應式金屬改性處理廢水回收裝置,其特征在于,所述減速件(11)包括套設在軸桿(601)自由端的固定架(1101)、設置在固定架(1101)上的內齒環(1102)、轉動設置在機架(1)上的轉軸(1103)、套設在轉軸(1103)上的螺旋葉輪(1104)以及設置在機架(1)上的電機(1105),所述螺旋葉輪(1104)與內齒環(1102)嚙合,所述轉軸(1103)與電機(1105)的輸出軸之間通過錐齒輪組件(1106)傳動連接。
5.根據權利要求1所述的一種化學反應式金屬改性處理廢水回收裝置,其特征在于,所述連桿(3)上套設有與機架(1)滾動配合的滾輪(12)。
6.根據權利要求1所述的一種化學反應式金屬改性處理廢水回收裝置,其特征在于,所述開關組件(9)包括設置在機架(1)上的連接架(901)、滑動設置在連接架(901)上的滑桿(902)、設置在滑桿(902)自由端的限位塊(903)以及設置在連接架(901)上的觸發開關(904),所述限位塊(903)與連接架(901)之間設置有套設在滑桿(902)上的復位彈簧(905),所述觸發開關(904)與電磁鐵(5)電性連接。
7.根據權利要求1所述的一種化學反應式金屬改性處理廢水回收裝置,其特征在于,所述斷電組件(10)包括滑動設置在機架(1)上的滑動桿(1001)、設置在滑動桿(1001)一端的三角塊(1002)、設置在滑動桿(1001)另一端的限位板(1003)以及設置在機架(1)上的斷電開關(1004),所述限位板(1003)與機架(1)之間設置有套設在滑動桿(1001)上的拉伸彈簧(1005),所述斷電開關(1004)與電磁鐵(5)電性連接。
8.根據權利要求1所述的一種化學反應式金屬改性處理廢水回收裝置,其特征在于,所述機架(1)上設置有上下分布的兩組框架(13),每組框架(13)的數量均為兩個且對稱分布,兩個過濾網(2)分別與兩組框架(13)對應,所述框架(13)上滑動設置有與過濾網(2)固定連接的第一彈性件(14),所述框架(13)上滑動設置有磁塊(15),所述框架(13)上設置有與磁塊(15)固定連接的第二彈性件(16)。
9.根據權利要求8所述的一種化學反應式金屬改性處理廢水回收裝置,其特征在于,所述第一彈性件(14)包括滑動設置在框架(13)上的第一滑移桿(1401)與設置在第一滑移桿(1401)一端的三角板(1402),所述第一滑移桿(1401)的另一端與過濾網(2)固定連接,所述三角板(1402)與框架(13)之間設置有套設在第一滑移桿(1401)上的擠壓彈簧(1403)。
10.根據權利要求8所述的一種化學反應式金屬改性處理廢水回收裝置,其特征在于,所述第二彈性件(16)包括滑動設置在框架(13)上的第二滑移桿(1601)與設置在第二滑移桿(1601)一端的凸塊(1602),所述第二滑移桿(1601)的另一端與磁塊(15)固定連接,所述凸塊(1602)與框架(13)之間設置有套設在第二滑移桿(1601)上的壓縮彈簧(1603),所述壓縮彈簧(1603)的彈力系數大于擠壓彈簧(1403)的彈力系數。
發明內容
本申請的目的是提供一種化學反應式金屬改性處理廢水回收裝置,旨在解決容易出現毛刷和過濾網出現磨損的情況,進而導致需要經常更換毛刷和過濾網,不僅操作較為麻煩,同時也降低了廢水回收的效率的問題。
為實現上述目的,本申請提供如下技術方案:本申請提供一種化學反應式金屬改性處理廢水回收裝置,包括:機架,其上設置有上下分布的兩個過濾網,所述機架上活動設置有連桿,所述連桿的活動軌跡呈U形,所述連桿上活動套設有吊架,所述吊架上設置有電磁鐵,所述機架上設置有用于驅使連桿活動的驅動件;廢水管,出水端與其中位于上方的過濾網對應,所述廢水管上設置有電磁閥;兩個開關組件,對稱設置在機架上且均與電磁鐵電性連接,通過開關組件控制電磁鐵的開啟或關閉;斷電組件,設置在機架上且與電磁鐵電性連接,通過斷電組件控制電磁鐵的關閉。
所述驅動件包括轉動設置在機架上的軸桿、套設在軸桿上的驅動桿以及開設在驅動桿上的腰孔,所述連桿的自由端與腰孔滑動配合。
所述機架上設置有與軸桿固定連接且用于驅使其轉動的減速件。
所述減速件包括套設在軸桿自由端的固定架、設置在固定架上的內齒環、轉動設置在機架上的轉軸、套設在轉軸上的螺旋葉輪以及設置在機架上的電機,所述螺旋葉輪與內齒環嚙合,所述轉軸與電機的輸出軸之間通過錐齒輪組件傳動連接。
所述連桿上套設有與機架滾動配合的滾輪。
所述開關組件包括設置在機架上的連接架、滑動設置在連接架上的滑桿、設置在滑桿自由端的限位塊以及設置在連接架上的觸發開關,所述限位塊與連接架之間設置有套設在滑桿上的復位彈簧,所述觸發開關與電磁鐵電性連接。
所述斷電組件包括滑動設置在機架上的滑動桿、設置在滑動桿一端的三角塊、設置在滑動桿另一端的限位板以及設置在機架上的斷電開關,所述限位板與機架之間設置有套設在滑動桿上的拉伸彈簧,所述斷電開關與電磁鐵電性連接。
所述機架上設置有上下分布的兩組框架,每組框架的數量均為兩個且對稱分布,兩個過濾網分別與兩組框架對應,所述框架上滑動設置有與過濾網固定連接的第一彈性件,所述框架上滑動設置有磁塊,所述框架上設置有與磁塊固定連接的第二彈性件。
所述第一彈性件包括滑動設置在框架上的第一滑移桿與設置在第一滑移桿一端的三角板,所述第一滑移桿的另一端與過濾網固定連接,所述三角板與框架之間設置有套設在第一滑移桿上的擠壓彈簧。
所述第二彈性件包括滑動設置在框架上的第二滑移桿與設置在第二滑移桿一端的凸塊,所述第二滑移桿的另一端與磁塊固定連接,所述凸塊與框架之間設置有套設在第二滑移桿上的壓縮彈簧,所述壓縮彈簧的彈力系數大于擠壓彈簧的彈力系數。
本申請提供了一種化學反應式金屬改性處理廢水回收裝置,具有以下有益效果:本申請摒棄了現有技術中通過毛刷對過濾網進行清理的方式,在使用時,通過連桿的U形軌跡運動配合電磁鐵的開啟,實現對兩個過濾網上附著的金屬雜質和渣滓進行清理,通過電磁鐵的關閉,實現對電磁鐵上吸附的金屬雜質和渣滓進行清理,相比現有技術而言,過濾網不會出現磨損的情況,從而無需經常更換過濾網,操作方便的同時也提高了廢水回收的效率,因此更具實用性。
(發明人:唐垂義;曾祥軍;孟學斌;程梁斌)






