公布日:2023.03.03
申請日:2022.12.06
分類號:C02F11/121(2019.01)I;C02F11/123(2019.01)I;C02F11/147(2019.01)I;C02F11/06(2006.01)I;C02F1/58(2006.01)I;C02F101/10(2006.01)N
摘要
本發明一種回收化學污泥中的鋁作為除磷藥劑的方法及系統,屬于污水處理技術領域,本發明對高效沉淀池產生的化學污泥加入藥劑a,化學污泥沉降后進行機械濃縮;濃縮后的化學污泥進入鋁溶出攪拌罐,同時向其中加入酸性藥劑b,溶出化學污泥中的鋁鹽;將溶出鋁鹽的化學污泥溶液氧化后泵入污水處理的進水端做除磷藥劑。通過上述操作,本發明溶解了化學污泥中大量的鋁鹽,并回用至污水廠進水端做除磷藥劑,可去除進水總磷的大部分,降低了污水廠除磷藥劑的成本,且對化學污泥濃縮后再加藥劑,節省了藥劑的加量和設備的占地面積,降低了鋁回收工藝的成本,此外,本發明可在污水廠就地進行回用,工藝設計簡單,污泥中的鋁不會造成環境二次污染。

權利要求書
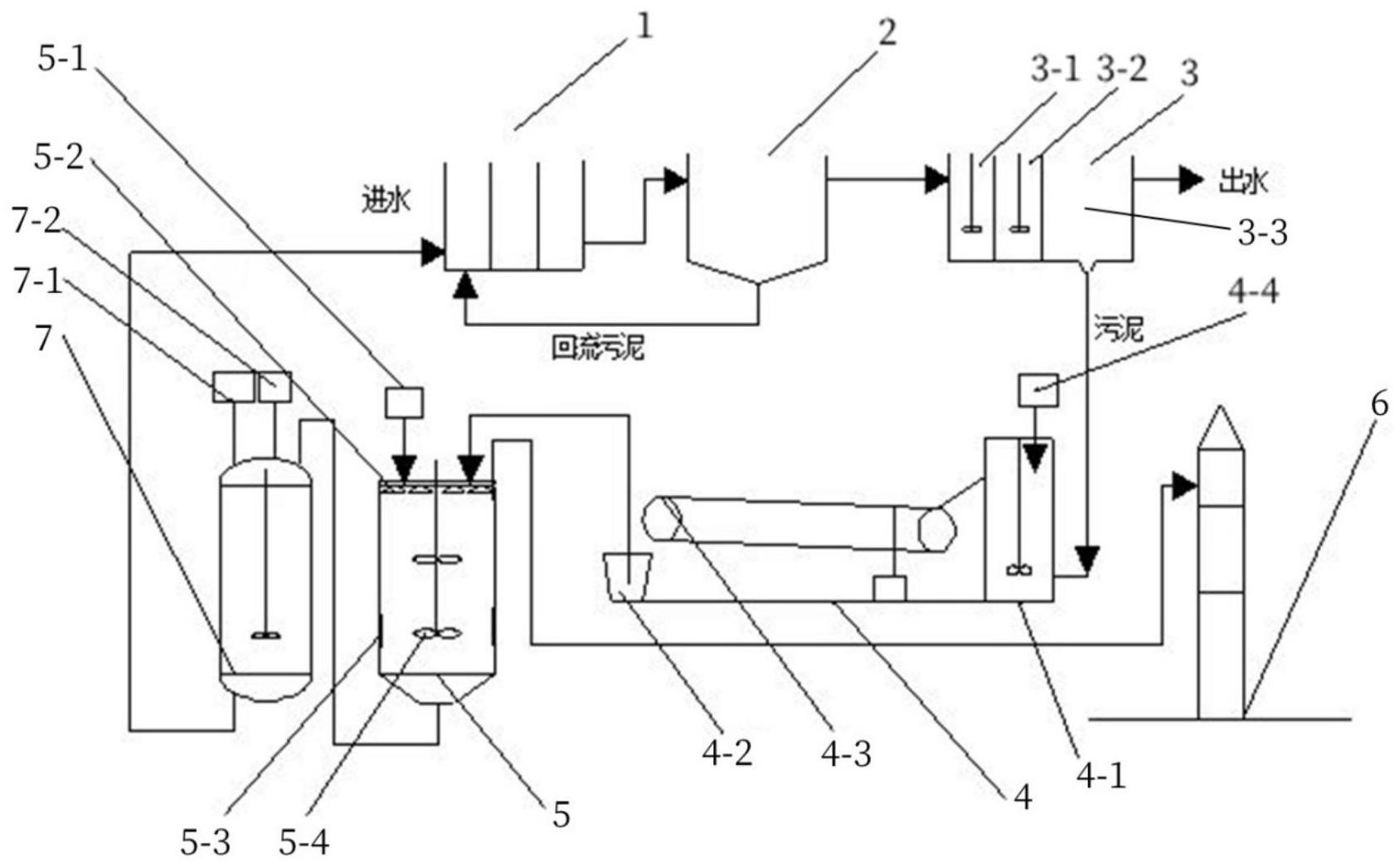
1.一種回收化學污泥中的鋁作為除磷藥劑的方法,其特征在于:包括以下步驟:S1、對高效沉淀池產生的化學污泥加入藥劑a,化學污泥沉降后進行機械濃縮;S2、濃縮后的化學污泥進入鋁溶出攪拌罐,同時向其中加入酸性藥劑b,溶出化學污泥中的鋁鹽;S3、將溶出鋁鹽的化學污泥直接泵入氧化反應罐,向其中加入藥劑c和藥劑d,用于將溶液中的COD去除;S4、將步驟S3處理的化學污泥溶液泵入污水處理的進水端。
2.根據權利要求1所述的回收化學污泥中的鋁作為除磷藥劑的方法,其特征在于:所述藥劑a為PAM;所述酸性藥劑b為稀酸或酸性氧化劑;所述藥劑c為10%~30%的雙氧水;所述藥劑d為硫酸亞鐵、氯化亞鐵中的一種或幾種。
3.根據權利要求1所述的回收化學污泥中的鋁作為除磷藥劑的方法,其特征在于:在步驟S1中,所述機械濃縮至化學污泥含水率為92%~95%;該機械濃縮為帶式濃縮。
4.根據權利要求1所述的回收化學污泥中的鋁作為除磷藥劑的方法,其特征在于:在步驟S2中,所述酸性藥劑b加入時,采用邊攪拌反應邊噴淋的方式,所述噴淋為霧狀噴淋。
5.根據權利要求4所述的回收化學污泥中的鋁作為除磷藥劑的方法,其特征在于:在步驟S2中,所述酸性藥劑b為稀硫酸、稀鹽酸、稀硝酸的一種或幾種,體積分數為20~50%;所述酸性藥劑b的加入比例為質量分數10:1~64:1之間,反應時間為30~120min,攪拌速率為80~120r/min,噴淋流量為濃縮污泥泵流量的4%~20%;所述藥劑c的投加量為0.1~10ml/L,藥劑d的投加量為亞鐵濃度小于500mg/L;氧化反應時間20~180min。
6.一種回收化學污泥中的鋁作為除磷藥劑的系統,其特征在于:包括高效沉淀池,所述高效沉淀池的污泥輸出端與帶式濃縮機相連通,所述帶式濃縮機的污泥輸出端與鋁溶出攪拌罐相連通,所述鋁溶出攪拌罐包括罐體,所述罐體頂部設置有噴淋頭,酸性加藥箱的輸出端與噴淋頭相連,用于溶出化學污泥中的鋁鹽,該罐體底部設置有鋁鹽溶液輸出端。
7.根據權利要求6所述的回收化學污泥中的鋁作為除磷藥劑的系統,其特征在于:所述高效沉淀池包括依次連接加藥池和沉淀池,該高效沉淀池用于污泥的絮凝沉淀;所述帶式濃縮機包括依次連接的絮凝罐、帶式濾布和濃縮污泥泵,該帶式濃縮機用于污泥的濃縮,絮凝劑加藥箱輸出端與絮凝罐相連。
8.根據權利要求6所述的回收化學污泥中的鋁作為除磷藥劑的系統,其特征在于:所述鋁溶出攪拌罐的鋁鹽溶液輸出端與氧化反應罐相連,所述氧化反應罐的輸出端與生化池的進水端相連,用于為污水處理工藝提供除磷藥劑,所述生化池的輸出端與二沉池相連,所述二沉池的輸出端與高效沉淀池相連,所述二沉池還設有回流污泥管道,所述回流污泥管道與生化池相連,所述鋁溶出攪拌罐的氣體輸出端與除臭塔相連。
9.根據權利要求6所述的回收化學污泥中的鋁作為除磷藥劑的系統,其特征在于:所述高效沉淀池還包括絮凝劑加藥池、所述絮凝劑加藥池位于PAM加藥池輸入端;所述絮凝劑加藥池、PAM加藥池、絮凝罐、鋁溶出攪拌罐和氧化反應罐內均設置有攪拌裝置。
10.根據權利要求9所述的回收化學污泥中的鋁作為除磷藥劑的系統,其特征在于:所述鋁溶出攪拌罐內的攪拌裝置為N層攪拌裝置,該鋁溶出攪拌罐的罐體內壁上還設置有擋板凸起,所述擋板凸起位于N層攪拌裝置下層攪拌槳水平方向的對應位置。
發明內容
本發明要解決的問題是提供一種工藝簡單、降低成本、有效回收化學污泥中的鋁作為除磷藥劑的方法及系統。
為解決上述技術問題,本發明采用的技術方案是:一種回收化學污泥中的鋁作為除磷藥劑的方法,包括以下步驟:
S1、對高效沉淀池產生的化學污泥加入藥劑a,化學污泥沉降后進行機械濃縮;
S2、濃縮后的化學污泥進入鋁溶出攪拌罐,同時向其中加入酸性藥劑b,溶出化學污泥中的鋁鹽;
S3、將溶出鋁鹽的化學污泥直接泵入氧化反應罐,向其中加入藥劑c和藥劑d,用于將溶液中的COD去除;
S4、將步驟S3處理的化學污泥溶液泵入污水處理的進水端。
進一步地,所述藥劑a為PAM;所述酸性藥劑b為稀酸或酸性氧化劑。PAM為常見的絮凝劑,主要為加速污泥的沉降,降低含水率;酸性藥劑b可溶出化學污泥中的無機鹽(主要為含鋁的化合物);所述藥劑c為10%~30%的雙氧水;所述藥劑d為硫酸亞鐵、氯化亞鐵中的一種或幾種。
進一步地,在步驟S1中,所述機械濃縮至化學污泥含水率為92%~95%;所述機械濃縮為帶式濃縮。
進一步地,在步驟S2中,所述酸性藥劑b加入時,采用邊攪拌反應邊噴淋的方式,所述噴淋為霧狀噴淋。
進一步地,在步驟S2中,所述酸性藥劑b為稀硫酸、稀鹽酸、稀硝酸的一種或幾種,體積分數為20%~50%;所述酸性藥劑b的加入比例為質量分數10:1~64:1之間,反應時間為30~120min,攪拌速率為80~120r/min,噴淋流量為濃縮污泥泵流量的4%~20%;所述藥劑c的投加量為0.1~10ml/L,藥劑d的投加量為亞鐵濃度小于500mg/L;氧化反應時間20~180min。
本發明還提供了一種回收化學污泥中的鋁作為除磷藥劑的系統,包括高效沉淀池,所述高效沉淀池的污泥輸出端與帶式濃縮機相連通,所述帶式濃縮機的污泥輸出端與鋁溶出攪拌罐相連通,所述鋁溶出攪拌罐包括罐體,所述罐體頂部設置有噴淋頭,酸性加藥箱的輸出端與噴淋頭相連,用于溶出化學污泥中的鋁鹽,該罐體底部設置有鋁鹽溶液輸出端。
進一步地,所述高效沉淀池包括依次連接加藥池和沉淀池,該高效沉淀池用于污泥的絮凝沉淀;所述帶式濃縮機包括依次連接的絮凝罐、帶式濾布和濃縮污泥泵,該帶式濃縮機用于污泥的濃縮。絮凝劑加藥箱輸出端與絮凝罐相連。
進一步地,所述鋁溶出攪拌罐的鋁鹽溶液輸出端與氧化反應罐相連,所述氧化反應罐的輸出端與生化池的進水端相連,經過氧化反應去除COD后用于為污水處理工藝提供除磷藥劑,所述生化池的輸出端與二沉池相連,所述二沉池的輸出端與高效沉淀池相連,所述二沉池還設有回流污泥管道,所述回流污泥管道與生化池相連。所述鋁溶出攪拌罐的氣體輸出端與除臭塔相連。
進一步地,所述高效沉淀池還包括絮凝劑加藥池、所述絮凝劑加藥池位于PAM加藥池輸入端;所述絮凝劑加藥池、PAM加藥池、絮凝罐、鋁溶出攪拌罐和氧化反應罐內均設置有攪拌裝置。
進一步地,所述絮凝劑加藥池、PAM加藥池、絮凝罐和氧化反應罐的攪拌裝置為單層攪拌裝置。
進一步地,所述鋁溶出攪拌罐內的攪拌裝置為N層攪拌裝置(其中,N≥1),該鋁溶出攪拌罐的罐體內壁上還設置有擋板凸起,所述擋板凸起位于N層攪拌裝置下層攪拌槳水平方向的對應位置。
本發明的鋁溶出攪拌罐在含水率92%~95%的濃縮污泥中泵入藥劑,采用噴淋的方式對污泥進行加藥,附帶N層攪拌裝置及擋板凸起,保證攪拌的均勻性;噴淋頭通過盤管和酸性加藥箱連接,同時整個罐體連接了除臭塔,保證反應產生的硫化氫、氨氣等有毒有害氣體通過泵直接抽吸進入除臭塔,減少了廠區的危險氣體泄露,降低操作人員的危險性。
本發明具體的效果如下:
1.溶解了化學污泥中大量的鋁鹽,并回用至污水廠污水處理工藝的進水端做除磷藥劑,可去除進水的總磷的大部分,降低了污水廠除磷藥劑的成本。
2.對化學污泥濃縮后再加藥劑,節省了藥劑的加量和設備的占地面積,降低了鋁回收工藝的投資和運行成本。
3.本發明可在污水廠就地進行回用,工藝設計簡單,污泥中的鋁不會造成環境二次污染。
(發明人:李洪偉;王學科;張春苗;穆童;謝迎輝;焦海亮)






