公布日:2023.03.03
申請日:2021.08.28
分類號:C02F11/13(2019.01)I;C02F11/122(2019.01)I
摘要
本發明提供了一種用于污泥脫水系統的自動脫水裝置,主要包括固定框架,傳動機構,脫水機構,供熱系統,控制機構,抽水泵。脫水機構由壓臺、供熱系統,抽水泵組成。在壓臺擠壓的同時供熱系統產熱,除去的水一部分由抽水泵抽離,一部分直接流入水槽?蓪崿F各城市污泥的有效處理,實現現有電廠等資源的有效利用,減少能源消耗,實現節能減排,具備顯著的環境效益、社會效益、經濟效益。

權利要求書
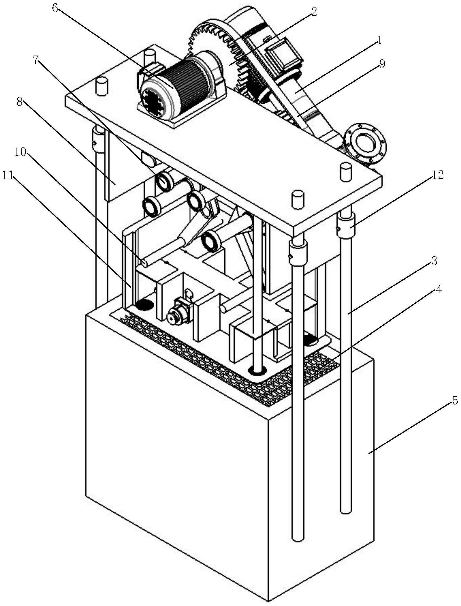
1.根據權利要求1所述的自動脫水裝置,其特征是,所述的固定框架有四個圓柱作為支撐梁,所述圓柱上有一可移動的套筒,套筒與圓柱采用螺栓連接,可根據所選圓柱上不同的螺栓孔,使得裝置可調節整體垂直位置。
2.根據權利要求1所述的自動脫水裝置,其特征是,所述的傳動機構由齒輪、傳動桿桿組成,傳動裝置通過雙聯齒輪與控制系統之間采用皮帶連接。
3.根據權利要求1所述的自動脫水裝置,其特征是,所述的脫水機構由壓臺、供熱系統,抽水泵組成。在壓臺擠壓的同時供熱系統產熱,除去的水一部分由抽水泵抽離,一部分直接流入水槽。
4.根據權利要求1所述的自動脫水裝置,其特征是,所述的供熱系統由電熱棒和風扇組成。電熱棒和風扇的功率可根據壓臺處于的狀態調節。
5.根據權利要求1所述的自動脫水裝置,其特征是,所述的控制系統由步進電機、單片機組成。步進電機與齒輪相連,單片機控制步進電機正轉、反轉,電熱棒與風扇的功率大小。
6.根據權利要求1所述的自動脫水裝置,其特征是,所述的抽水泵動力由步進電機通過皮帶傳動提供,與雙聯齒輪的軸連接,固定在裝置側面。
發明內容:
本發明目的是提供一種用于污泥脫水處理系統的壓力機械裝置,能夠使污泥進行脫水,并且通過加熱裝置和端泵對污泥進行烘干和抽水。
本發明提供了一種用于污泥脫水系統的壓力機械裝置,主要分為固定框架,傳動機構,脫水機構,供熱系統,控制機構,抽水泵(1)。
所述自動脫水裝置包括圓柱(3)、套筒(12)、上殼(8)、小齒輪(13)、從動輪(20)、連軸(14)、三角桿(18)、連接齒輪(19)、傳動桿(17)、固定軸(7)、錨點(16)、壓臺(11)、濾網(4)、出風口(21)、供電機(22)、隔板(23)、電熱棒(24)、風扇(25)、水槽(5)、主齒輪(2)、皮帶(9)、步進電機(6)、連桿(10)、主軸(26)、傳動齒輪(27)、出水口(29)、進水口(31)、底座(32)、工作區(28)、葉輪(30)、支撐桿(15)、從動齒輪(33)、圓形濾網(34)、抽水管(35)。
所述壓力機械裝置裝置工作時,單片機控制步進電機(6)的功率以及轉向,步進電機(6)與主齒輪(2)相連接,帶動主齒輪(2)轉動,通過皮帶(9)帶動傳動齒輪(27)轉動,傳動齒輪(27)與小齒輪(13)組成雙聯齒輪,不產生相對轉動,小齒輪(13)與連接齒輪(19)、從動齒輪(33)嚙合,連接齒輪(19)固定在在三角桿(18)且通過固定軸(7)固定在上殼(8)上,使三角桿(18)和連接齒輪(19)只能繞固定軸(7)轉動。三角桿(18)一端通過錨點(16)鉸接在側壁上,另一端與傳動桿(17)相連。傳動齒輪(27)與小齒輪(13)組成的雙聯齒輪轉動時,帶動三角桿(18)兩端擺動,使傳動桿(17)向上向下移動。傳動桿(17)下端通過連桿(10)與壓臺連接,使得壓臺向上向下移動。
上殼(8)內的傳動裝置呈對稱分布,使機構向下傳遞的力始終垂直,讓壓臺在擠壓污泥時使污泥受力均勻。步進電機(6)帶動主齒輪(2)正向轉動控制壓臺(11)向下移動,步進電機(6)帶動主齒輪(2)反向轉動控制壓臺(11)向上移動
壓臺內的供熱系統由電機(24)同時給電熱棒(24)通電加熱,給風扇(25)供電,通過電熱棒(24)加熱使空氣變熱,風扇(25)將熱空氣吹到出風口(21)。單片機控制步進電機(6)轉向和電機(24)功率,步進電機正轉時電機(24)提供較小功率,使壓臺在擠壓濾網(4)上的污泥時,也能給污泥加熱去除一部分水分;步進電機反轉使壓臺與濾網(4)有一段距離時,電機(24)提供較大的功率,使熱空氣充滿在濾網上烘干污泥。出風口(21)處有一圓形濾網(34),用于防止污泥進入出風口(21)。出風口(21)上方有一隔板(23),隔板(23)可打開,方便清理進入出風口(21)內的一些細小的污泥。
污泥除去除去的水一部分流入下方水槽(5),一部分由抽水泵(1)通過抽水管(35)抽離。抽水泵(1)固定在自動脫水裝置側邊,主軸(26)連接著抽水泵(1)和傳動齒輪(27)與小齒輪(13)組成的雙聯齒輪,主軸(26)帶動抽水泵(1)內部工作區(28)與葉輪(30)工作。抽水管(35)與抽水泵(1)的進水口(31)連接,抽離的水由出水口(29)排出。
(發明人:高永琳;歷福貴)






