申請日2014.10.28
公開(公告)日2015.03.25
IPC分類號C02F3/30
摘要
一種有效控制低氧條件下以H.hydrossis為優勢絲狀菌污泥膨脹的裝置及方法,屬于污水生物處理領域。裝置主體A/O反應器V(缺氧區):V(好氧區)=1:1.5~1.2.0,缺氧區均分為至少2格,好氧區均分為至少5。生活污水首先進入缺氧區,其次進入好氧區,再由好氧區最后一格室進入二沉池進行泥水分離,最后上清液排出;二沉池沉淀污泥回流至缺氧1格室,回流比為80%~120%,硝化液由好氧區最后一格室回流至缺氧1格室,回流比為130%~170%。本發明通過調整水流流式及提高溶解氧使以H.hydrossis為優勢絲狀菌的污泥惡性膨脹問題得到了有效控制,避免了系統污泥流失,維持了系統的正常運行。
權利要求書
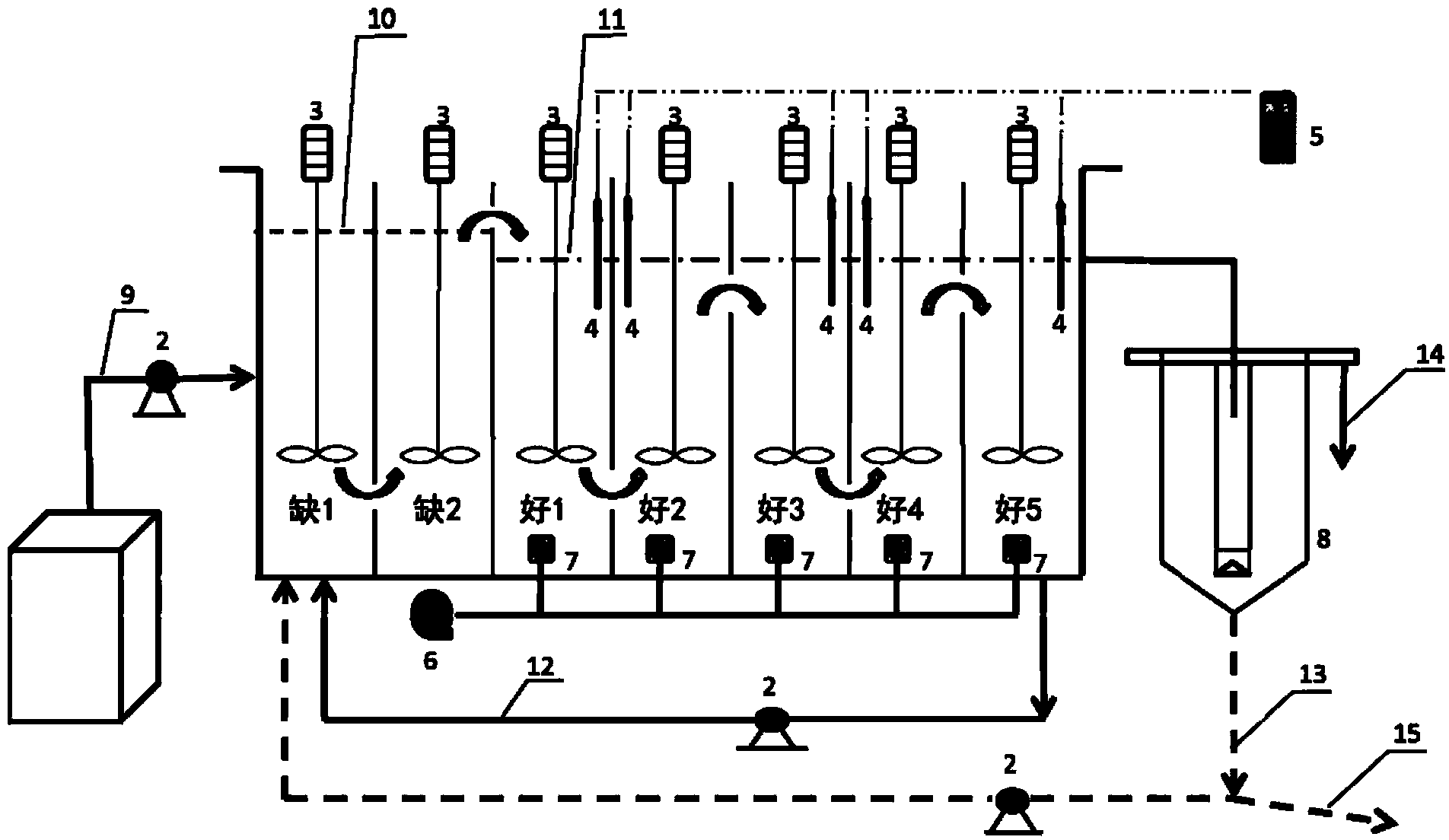
1.一種有效控制低氧條件以H.hydrossis為優勢絲狀菌污泥膨脹 的裝置,其特征在于,反應器主體為A/O反應器,V(缺氧區):V(好氧區)=1:1.5~1.2.0,缺氧區均分為至少2格,每格各安裝1套攪拌裝置,好 氧區均分為至少5格,每格各安裝1套攪拌及曝氣裝置;生活污水首 先依次進入缺氧區,即依次進入缺氧第一格然后至多格,為防止返混, 缺氧區最后一格與好氧區第一格之間完全密閉,缺氧區最后一格液位 高于好氧區第一格,混合液通過溢流進入好氧區第一格,從好氧區第 一格依次進入好氧區其他各格室,混合液在各格室之間呈波浪式流 動,然后由好氧區最后一格室與二沉池連接,好氧區最后一格室同時 還與缺氧區第一格連接,二沉池的下端與缺氧區第一格連接,同時連 接剩余污泥排出管,最后二沉池上清液排出。
2.按照權利要求1的裝置,其特征在于,V(缺氧區):V(好氧區)=1:1.75, 缺氧區均分為2格,好氧區均分為5格。
3.利用權利要求1或2的裝置對以H.hydrossis為優勢絲狀菌的低氧 污泥膨脹控制方法,包括以下步驟:
(1)采用pH計、溶解氧探頭、溫度計及其他常規檢測手段實時檢 測并保證系統其他運行條件如下:MLSS維持在2000~3500mg/L, 平均溫度為22~30℃,pH為污水本身的pH值,有機負荷為 0.25~0.31kgCOD/(kgMLSS·d),缺氧區水力停留時間為2.8~3.2h,二沉 池沉淀污泥回流至缺氧區第一格室的污泥回流比80%~120%,硝化液 由好氧區最后一格室回流至缺氧區第一格室的內回流比為 130%~170%,好氧區溶解氧平均為0.3~0.8mg/L,污泥齡為25~30d; 如果系統SVI值達到150ml/g以下控制結束,如果沒有須進入控制第 二階段;
(2)第二階段:通過調節好氧區各格室曝氣量,將好氧區各個格 室溶解氧提高為0.8~1.5mg/L,使得第二階段的溶解氧高于第一階段, 步驟(1)即為第一階段,進一步抑制H.hydrosis等絲狀菌的過度增殖, 在此過程中密切關注系統中SVI值及污泥菌群的變化情況,系統的平 均SVI值有所降低,同時由于硝化反硝化作用,總氮的去除率得到了 較大的提高;如果系統SVI值達到150ml/g以下控制結束,如果沒有 須進入控制第三階段;
(3)第三階段:通過系統各指標的分析,為進一步提高污泥的沉 降性能,繼續提高好氧區各格室溶解氧為1.5mg/L及以上,使得第三 階段的溶解氧高于第二階段,實時檢測系統中污泥沉降性能,最終污 泥的SVI值穩定在150mL/g以下運行并長期維持,污泥膨脹狀態得到 了長期有效的控制。
4.按照權利要求3的方法,其特征在于,V(缺氧區):V(好氧區)=1:1.75。
5.按照權利要求3或4的方法,其特征在于,步驟(1)平均溫度為26 ℃;有機負荷為0.28)kgCOD/(kgMLSS·d);缺氧區水力停留時間為 3.04h;二沉池沉淀污泥回流至缺氧區第一格室的污泥回流比100%; 硝化液由好氧區最后一格室回流至缺氧區第一格室的內回流比 150%;好氧區溶解氧平均為0.5mg/L;污泥齡為28d。
6.按照權利要求5的方法,其特征在于,步驟(2)將好氧區各個格 室溶解氧提高為1mg/L時,最終使出水中氨氮、總氮和COD各指標平 均值達到國家一級A標準。
說明書
一種有效控制低氧條件下以H.hydrossis為優勢絲狀菌污泥膨脹的裝置及方法
技術領域
本發明屬于污水生物處理領域,提供一種有效控制低氧條件下以 H.hydrossis為優勢絲狀菌污泥膨脹的裝置及方法,為各實際污水處 理廠提污泥膨脹的控制方案。
背景技術
目前,由于具有節約資源及成本的優勢,我國大多數污水處理廠 都采用活性污泥法處理污水,然而活性污泥膨脹是活性污泥處理法中 經常出現的一種現象,當污泥膨脹發生時,污泥的沉降和壓縮性能變 差,污泥流失嚴重,最終導致系統崩潰。活性污泥膨脹大體分為絲狀 菌污泥膨脹和非絲狀菌污泥膨脹兩種類型。且大多數污泥膨脹問題是 由絲狀微生物過度增殖引起的,并逐漸成為制約脫氮效果的一個重要 難題,已經嚴重影響了城市污水處理廠脫氮工藝的運行。因此如何有 效經濟地控制絲狀菌污泥膨脹,一直是我國水處理方面的重點和難 點。
然而目前國內外對于絲狀菌領域相關研究主要集中于絲狀菌與 絮體形成菌競爭生長條件方面,缺乏針對絲狀菌微生物學菌群特征及 遷移過程的研究,對于絲狀菌污泥膨脹采用投加藥劑的控制方法不僅 會增加治理成本,也會對系統中菌群結構造成影響,嚴重的還會引起 污泥活性受抑制,系統處理效果下降。其他生物生物選擇器(如缺氧 選擇器、厭氧選擇器、好氧選擇器等)雖然對一部分絲狀菌污泥膨脹 效果較好,但是缺乏針對性,治理過程中往往造成不必要的資源浪費。
因此,開發針對特定優勢絲狀菌的有效控制方法十分必要,明確 發生膨脹的系統優勢菌種,充分考察相關特定菌種的微生物學生長機 理、生理特性,在此基礎上針對其生理特性提出抑制其優勢絲狀菌增 殖的控制方法,從而實現對污泥膨脹的有效防治。
發明內容
針對上述研究的不足之處,本發明提供一種裝置及方法,主要 針對以H.hydrossis為優勢絲狀菌的低氧污泥膨脹問題,提供準確有 效的控制方法,以避免系統中的污泥流失,達到維持系統穩定運行的 目的。
為實現上述目的,本發明提供有效控制低氧條件以H.hydrossis 為優勢絲狀菌污泥膨脹的裝置:反應器主體為A/O反應器,V(缺氧區): V(好氧區)=1:1.5~1.2.0(優選1:1.75),缺氧區均分為至少2格(優選2 格),每格各安裝1套攪拌裝置,好氧區均分為至少5格(優選5格), 每格各安裝1套攪拌及曝氣裝置;生活污水首先依次進入缺氧區,即 依次進入缺氧第一格然后至多格,為防止返混,缺氧區最后一格與好 氧區第一格之間完全密閉,缺氧區最后一格液位高于好氧區第一格 (優選2cm),混合液通過溢流進入好氧區第一格,從好氧區第一格 依次進入好氧區其他各格室,混合液在各格室之間呈波浪式流動,然 后由好氧區最后一格室與二沉池連接,好氧區最后一格室同時還與缺 氧區第一格連接,二沉池的下端與缺氧區第一格連接,同時連接剩余 污泥排出管,最后二沉池上清液排出;
本發明同時還提供一種針對以H.hydrossis為優勢絲狀菌的低氧 污泥膨脹控制方法,包括以下步驟:
(1)首先在保持好氧區總體積不變的情況下將系統一般好氧區3 格增加為5格或多格,并采用pH計、溶解氧探頭、溫度計及其他常規 檢測手段實時檢測保證系統其他運行條件如下:MLSS維持在 2000~3500mg/L,平均溫度為22~30℃(優選26℃),pH為污水本身 的pH值(不需特別調配),有機負荷為0.25~0.31(優選0.28) kgCOD/(kgMLSS·d),V(缺氧區):V(好氧區)=1:1.5~1.2.0(優選1:1.75),缺 氧區水力停留時間為2.8~3.2h(優選3.04h),二沉池沉淀污泥回流至 缺氧區第一格室的污泥回流比80%~120%(優選100%),硝化液由好 氧區最后一格室回流至缺氧區第一格室的內回流比130%~170%(優 選150%),好氧區溶解氧平均為0.3~0.8mg/L(優選0.5mg/L),污泥 齡為25~30d(優選28d),污泥相比于之前污泥膨脹狀態,好氧區格室 數目的增加,使水流流態更接近于推流流態,減弱了系統中絲狀菌(熒 光原位雜交技術鑒定H.hydrosis絲狀菌為優勢菌)的競爭優勢,使系 統的平均SVI值由150ml/g以上(膨脹狀態下,本發明尤其適用于SVI 值200~800ml/g)有所降低,二沉池污泥沉降性能得到了改善。如果 系統SVI值達到150ml/g以下控制結束,如果沒有須進入控制第二階 段。
(2)第二階段:通過調節好氧區各格室曝氣量,將好氧區各個格 室溶解氧提高為0.8~1.5mg/L(優選1mg/L),使得第二階段的溶解氧 高于第一階段,步驟(1)即為第一階段,進一步抑制H.hydrosis等絲 狀菌的過度增殖,在此過程中密切關注系統中SVI值及污泥菌群的變 化情況,系統的平均SVI值有所降低,同時由于硝化反硝化作用,總 氮的去除率得到了較大的提高,最終使出水中氨氮、總氮和COD各指 標平均值達到國家一級A標準;如果系統SVI值達到150ml/g以下控制 結束,如果沒有須進入控制第三階段;
(3)第三階段:通過系統各指標的分析,為進一步提高污泥的沉 降性能,繼續提高好氧區各格室溶解氧為1.5mg/L及以上(優選 2mg/L),使得第三階段的溶解氧高于第二階段,實時檢測系統中污 泥沉降性能,最終污泥的SVI值穩定在150mL/g以下運行并長期維持, 污泥膨脹狀態得到了長期有效的控制。
與現有技術相比,本發明具有以下優點:
(1)本發明提供的以H.hydrossis為優勢絲狀菌污泥膨脹的控制裝 置及方法,在不添加任何化學藥劑的情況下,達到了對此類污泥膨脹 長期有效的控制目的,節約了化學藥劑的投加成本。
(2)此污泥膨脹的控制裝置及方法采用原位控制,不需要將膨脹 污泥轉移到其他處理工藝及反應器中進行,且不需要額外設置選擇 器,節省了多余的處理環節及施工過程,僅通過增加格室數目及提高 溶解氧進行控制,控制手段簡便易行。
(3)此污泥膨脹的控制裝置及方法是前期分析特定優勢絲狀菌(H. hydrossis絲狀菌)生理學特性基礎上開發的,針對性強且效果顯著, 是一種專門針對H.hydrossis優勢絲狀菌污泥膨脹的長期有效控制方 案。
(4)本發明可以根據污泥膨脹程度進行控制,高度膨脹污泥更 能體現控制效果,并且在過程中出水能達到國家A級標準。







