申請日2013.08.28
公開(公告)日2014.02.26
IPC分類號C02F9/08; C02F1/36; C02F1/467; B63J4/00
摘要
本實用新型公開了一種船舶壓載水處理裝置,包括船體,船體內設置有進水箱和壓載水箱,壓載水箱內設置有余氯分析器,壓載水箱與進水箱之間通過主進管連通,主進管上設置有自動反清洗過濾器,主進管的管路上設置有支路管道,支路管道的管路上設置有電解槽和除氫罐,壓載水箱與支路管道之間連通有回流管,船舶壓載水處理裝置還包括電控單元,電控單元分別于回流泵、余氯分析器以及電解槽形成電路連接。通過電控單元將壓載水箱內的海水進行回流從新進行電解、除氫,然后再通入壓載水箱內,從而有效控制壓載水箱內次氯酸鈉的濃度,有效殺滅壓載水箱內有害的水生物。
權利要求書
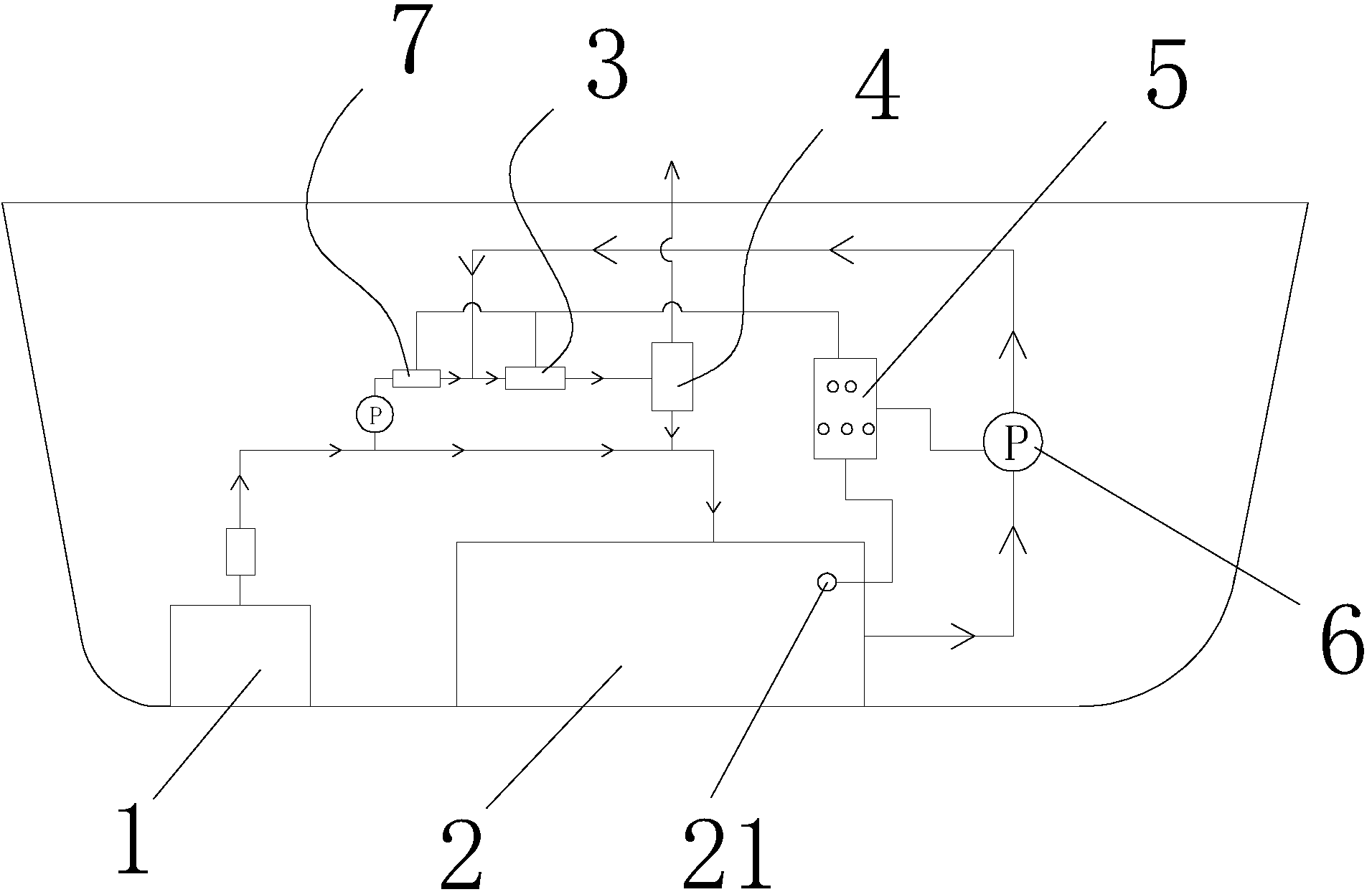
1.船舶壓載水處理裝置,其特征是:包括船體,所述船體內設置有進水箱 (1)和壓載水箱(2),所述的壓載水箱(2)內設置有用于檢測次氯酸鈉濃度 的余氯分析器(21),所述的壓載水箱(2)與進水箱(1)之間通過主進管連通, 所述主進管的管路上設置有自動反清洗過濾器,所述位于自動反清洗過濾器與 壓載水箱(2)之間的主進管的管路上設置有支路管道,所述的支路管道的管路 上設置有電解槽(3)和除氫罐(4),所述的壓載水箱(2)與支路管道之間連 通有回流管,所述回流管的出口端連接在電解槽(3)進口處的支路管道上,所 述回流管上設置有回流泵(6);
所述的船舶壓載水處理裝置還包括電控單元(5),所述的電控單元(5)分 別于回流泵(6)、余氯分析器(21)以及電解槽(3)形成電路連接。
2.根據權利要求1所述的船舶壓載水處理裝置,其特征是:所述的支路管 道上設置有超聲波細胞粉碎機(7),所述的超聲波細胞粉碎機(7)與電控單元 (5)形成電路連接。
說明書
船舶壓載水處理裝置
技術領域
本實用新型涉及一種船舶壓載水處理裝置。
背景技術
隨著全球經濟一體化進程的不斷加快,國際物流行業迅速增長,船舶運輸 是全球物流鏈中重要的一環,據統計,國際貿易中80%以上的貨物是通過船舶 轉運的。船舶航行過程中,壓載是一種必然狀態,船舶在加裝壓載水的同時, 當地的水生物也隨之被裝入到壓載艙中,直至航程結束后隨壓載水排放到目的 地海域。壓載水跟隨船舶從一地到它地,從而引起了有害水生物和病原體的傳 播。據估算,目前全球每年的壓載水有100多億噸,預計到2013年,隨著海 運貨物量的翻倍,船舶壓載水量也將達到目前的兩倍。壓載水的無控制排放可 能會對本地的生態系統、社會經濟和公眾健康造成危害。全球環保基金組織 (GEF)把船舶通過壓載水將有害生物引入新環境并對其產生影響列為海洋的四 大危害之一。
以往對通入壓載水箱內的海水先通過電解,電解產生的高濃度次氯酸鈉溶 液和氫氣一起流到除氫罐中,氫氣在除氫罐中分離出來,向上排出舷外,而高 濃度的次氯酸鈉溶液再回注到壓載水主管路中,混合均勻后,使進水總管中的 次氯酸鈉濃度達到10~15mg/L,以殺滅殘余的有害水生物。
但是在實際壓載水箱內的次氯酸鈉濃度很難打打牌理想的標準,一旦進入 到壓載水箱內就很難進行再次電解,很難進一步控制壓載水箱內次氯酸鈉濃度。
發明內容
本實用新型提供一種船舶壓載水處理裝置,有效控制壓載水箱內次氯酸鈉 的濃度。
為達到上述發明目的本實用新型所采用的技術方案是:一種船舶壓載水處 理裝置,包括船體,所述船體內設置有進水箱和壓載水箱,所述的壓載水箱內 設置有用于檢測次氯酸鈉濃度的余氯分析器,所述的壓載水箱與進水箱之間通 過主進管連通,所述主進管的管路上設置有自動反清洗過濾器,所述位于自動 反清洗過濾器與壓載水箱之間的主進管的管路上設置有支路管道,所述的支路 管道的管路上設置有電解槽和除氫罐,所述的壓載水箱與支路管道之間連通有 回流管,所述回流管的出口端連接在電解槽進口處的支路管道上,所述回流管 上設置有回流泵;
所述的船舶壓載水處理裝置還包括電控單元,所述的電控單元分別于回流 泵、余氯分析器以及電解槽形成電路連接。
進一步的,所述的支路管道上設置有超聲波細胞粉碎機,所述的超聲波細 胞粉碎機與電控單元形成電路連接。
本實用新型的有益效果是:通過電控單元將壓載水箱內的海水進行回流從 新進行電解、除氫,然后再通入壓載水箱內,從而有效控制壓載水箱內次氯酸 鈉的濃度,有效殺滅壓載水箱內有害的水生物。







