申請日2014.11.07
公開(公告)日2015.03.25
IPC分類號A01K63/04; C02F9/14
摘要
本發明公開了一種對蝦養殖循環水處理工藝,主要包括室外對蝦養殖海水預處理工藝和室內對蝦養殖循環海水處理工藝,室外對蝦養殖海水預處理工藝包括:海水沉淀、過濾,消毒以及配合多層活性炭或竹炭濾網吸附殘留氣體;室內對蝦養殖循環海水處理工藝包括:投放有益菌和增氧,抽入對蝦養殖池并對污水、蝦排泄物以及蝦殼等物質進行收集和沉淀,然后進入固液分離裝置處理;本發明的對蝦養殖循環水處理工藝,使用生態的方式處理了海水中有害物質,大大調節和改善了水質,實現了產品綠色無公害;同時本發明采用以菌養蝦的綠色養殖方式,在簡化養殖方式的同時,也使蝦的營養價值更高。
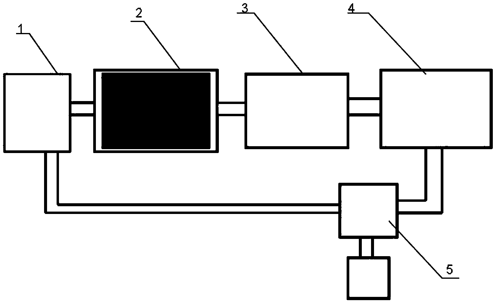
1.對蝦養殖循環水處理工藝,主要包括室外對蝦養殖海水預處理工藝和 室內對蝦養殖循環海水處理工藝兩大部分,其特征在于,室外對蝦養 殖海水預處理工藝包括:
(1)將從海區抽過來的海水抽入封閉、黑暗環境下的蓄水池進行一定 時間的沉淀;
(2)將海水采用網過濾以及砂過濾,同時若使用砂過濾時可采用砂濾 池或反沖式砂濾器過濾海水;
(3)采用二溴海因消毒以及配合多層活性炭或竹炭濾網吸附殘留氣 體;
室內對蝦養殖循環海水處理工藝包括:
(1)將消毒和過濾后的海水抽入回水池,投放有益細菌同時輔助用增 氧機不間斷增氧;
(2)將回水池中的水抽入對蝦養殖池中,采用收集裝置和沉淀裝置對 對蝦養殖池中的海水中的污水、蝦排泄物以及蝦殼物質進行收集 和沉淀,然后進入固液分離裝置處理;處理后的液體排入大海, 固體可作飼料深加工;
(3)在對蝦養殖池內采用增氧機對池內海水進行定時增氧。
2.如權利要求1所述的對蝦養殖循環水處理工藝,其特征在于,所述 室外對蝦養殖海水預處理工藝步驟(1)中的沉淀時間為22-24小時。
說明書
對蝦養殖循環水處理工藝
技術領域
本發明涉及循環水處理工藝,尤其涉及對蝦養殖循環水處理工藝。
背景技術
自上世紀90年代南美對蝦引入中國以后,南美對蝦的養殖已成為中國 海水養殖動物中發展最快的一個種類。近年來隨著國內和國際上對于高濃 度亞硝酸鹽養蝦廢水的限排。集約化的高效養殖模式已成為對蝦產業發展 的必然方向,但國內對蝦工廠化的循環水養殖系統還處于起步探索階段, 目前還沒有形成一套可靠的對蝦循環高效養殖工藝。
發明內容
本發明的任務就是克服現有技術缺點,提供一種高效、綠色、不受季 節和環境影響的對蝦養殖循環水處理工藝。
為達到上述技術目的,本發明采用了一種對蝦養殖循環水處理工藝, 主要包括室外對蝦養殖海水預處理工藝和室內對蝦養殖循環海水處理工藝 兩大部分,其中,室外對蝦養殖海水預處理工藝包括:
(1)將從海區抽過來的海水抽入封閉、黑暗環境下的蓄水池進行一定時間 的沉淀;
(2)將海水采用網過濾以及砂過濾,同時若使用砂過濾時可采用砂濾池或 反沖式砂濾器過濾海水;
(3)采用二溴海因消毒以及配合多層活性炭或竹炭濾網吸附殘留氣體; 室內對蝦養殖循環海水處理工藝包括:
(1)將消毒和過濾后的海水抽入回水池,投放有益細菌同時輔助用增氧機 不間斷增氧;
(2)將回水池中的水抽入對蝦養殖池中,采用收集裝置和沉淀裝置對對蝦 養殖池中的海水中的污水、蝦排泄物以及蝦殼等物質進行收集和沉 淀,然后進入固液分離裝置處理,處理后的液體排入大海,固體可作 飼料深加工;
(3)在對蝦養殖池內采用增氧機對池內海水進行定時增氧。
在本發明中,室外對蝦養殖海水預處理工藝步驟(1)中的沉淀時間 為22-24小時。
本發明的對蝦養殖循環水處理工藝,使用生態的方式處理了海水中 有害物質,大大調節和改善了水質,實現了產品綠色無公害;同時本發 明采用以菌養蝦的綠色養殖方式,在簡化養殖方式的同時,也使蝦的營 養價值更高。






