申請日2017.09.28
公開(公告)日2018.02.16
IPC分類號H03H7/01
摘要
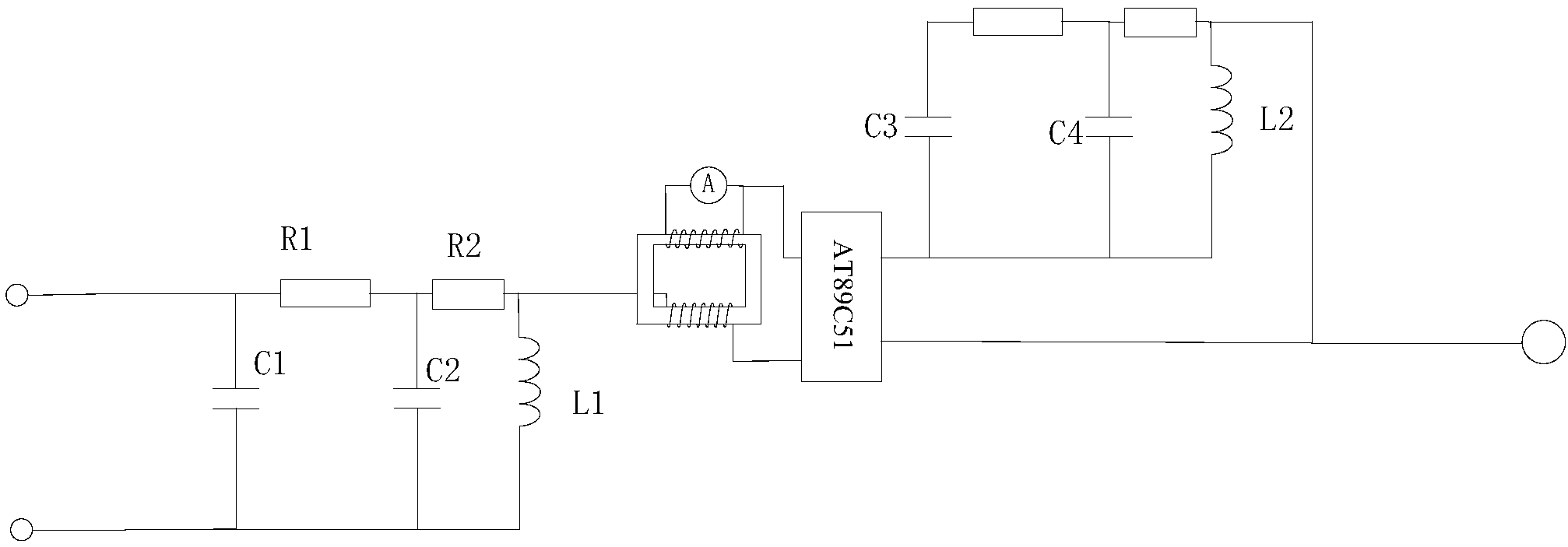
本發明公開了一種濾波電路,具體涉及一種能穩定水處理電源的電壓電流的電路,包括第一LC濾波電路、第二LC濾波電路、電流互感器、交流電流表、單片機,所述第一LC濾波電路的輸出端連接電流互感器的一次繞組一端,電流互感器的一次繞組的另一端連接單片機的第一輸入口,電流互感器的二次繞組的兩端連接交流電流表的兩端,交流電流的輸出端連接單片機的第二輸入口,單片機的第一輸入口連接第二LC濾波電路,第二LC濾波電路的輸出端連接負載,單片機第二輸出口連接在第二濾波電路的輸出端和負載連接的線路上,通過二次濾波對電流中的交流電進行再次剔除,從而達到剔除的效果更好。
權利要求書
1.一種能穩定水處理電源的電壓電流的電路,其特征在于,包括第一LC濾波電路、第二LC濾波電路、電流互感器、交流電流表、單片機,所述第一LC濾波電路的輸出端連接電流互感器的一次繞組一端,電流互感器的一次繞組的另一端連接單片機的第一輸入口,電流互感器的二次繞組的兩端連接交流電流表的兩端,交流電流的輸出端連接單片機的第二輸入口,單片機的第一輸出口連接第二LC濾波電路,第二LC濾波電路的輸出端連接負載,單片機第二輸出口連接負載。
2.根據權利要求1所述的一種能穩定水處理電源的電壓電流的電路,其特征在于,所述第一LC濾波電路和第二LC濾波電路為CCL型濾波電路。
3.根據權利要求1所述的一種能穩定水處理電源的電壓電流的電路,其特征在于,所述單片機為51單片機,型號為AT89C51。
4.根據權利要求1所述的一種能穩定水處理電源的電壓電流的電路,其特征在于,所述交流電路表為數字顯示交流電流表。
5.根據權利要求1所述的一種能穩定水處理電源的電壓電流的電路,其特征在于,所述電流互感器的一次繞組和二次繞組的線圈匝數相同。
說明書
一種能穩定水處理電源的電壓電流的電路
技術領域
本發明涉及一種濾波電路,具體涉及一種能穩定水處理電源的電壓電流的電路。
背景技術
近年來,隨著工業的快速發展,生活水平的迅速提高,污水的排放日漸增多,隨著人口的增多,直接飲用水短缺,水處理技術已經成為一個社會各界人士共同關注的話題了,目前國內的水處理技術已經比較完善,水處理需要的是直流電,交流電并不能進行水處理的反應,需要在通電的路上加一個電源的處理設備,稱為水處理電源,但是在水處理的過程中對水處理的電源的要求很高,在選用水處理電源的時候,除了考慮成本和適用性意外,還要考慮到穩定性,水處理反應必須是穩定進行,所以需要在接通交流電之后對它進行整流濾波,現有技術都是通過簡單的LC電路進行濾波,并不能實現完全清除電流中的交流電,對水處理也會帶來一定的影響,影響工作效率。
發明內容
本發明目的在于提供一種能穩定水處理電源的電壓電流的電路,解決傳統濾波電路對交流電清除不完全的問題。
本發明通過下述技術方案實現:
一種能穩定水處理電源的電壓電流的電路,包括第一LC濾波電路、第二LC濾波電路、電流互感器、交流電流表、單片機,所述第一LC濾波電路的輸出端連接電流互感器的一次繞組一端,電流互感器的一次繞組的另一端連接單片機的第一輸入口,電流互感器的二次繞組的兩端連接交流電流表的兩端,交流電流的輸出端連接單片機的第二輸入口,單片機的第一輸出口連接第二LC濾波電路,第二LC濾波電路的輸出端連接負載,單片機第二輸出口連接在第二LC濾波電路的輸出端和負載連接的線路上。本水處理電源中的LC濾波電路通過交流電流表測出的交流電,經第二LC濾波電路進行再次濾波,更好的去掉電流里面的交流電,使得輸出工作的電流符合要求為直流電。
進一步的,所述第一LC濾波電路和第二LC濾波電路為CCL型濾波電路,此第一濾波電路包括電容C1、電容C2和一個電感L1,第二濾波電路包括電容C3、電容C4,對電流的濾波效果更佳。
進一步的,所述單片機為51單片機,型號為AT89C51,此單片機為51單片機功能較為完整的一種型號,符合本電路的要求,而且成本不高。
進一步的,所述交流電路表為數字顯示交流電流表,交流數字顯示電流表的顯示更加清晰,也能更好的將信號傳達到單片機中。
進一步的,所述電流互感器的一次繞組和二次繞組的線圈匝數相同,保證交流電流表測到的電流是電路當中的實際電流,得到更真實的數據。
本發明與現有技術相比,具有如下的優點和有益效果:
1、本發明一種能穩定水處理電源的電壓電流的電路,通過二次濾波對電流中的交流電進行再次剔除,從而達到剔除的效果更好;
2、本發明一種能穩定水處理電源的電壓電流的電路,電路簡單且制作成本低;
3、本發明一種能穩定水處理電源的電壓電流的電路,能清晰的看到電路中剩余的交流電大小,更加直觀。



