公布日:2023.03.21
申請日:2022.12.21
分類號:C02F11/13(2019.01)I;F25B30/04(2006.01)I
摘要
本發明提供了一種熱泵污泥干化系統,包括吸收式熱泵、污泥干化機、冷卻塔、第一循環管路以及第二循環管路;吸收式熱泵包括吸熱部和放熱部,污泥干化機包括循環風道、冷凝器、蒸發器和污泥輸送機構;循環風道經過冷凝器、蒸發器和污泥輸送機構,且污泥輸送機構設置在冷凝器的出風口和蒸發器的進風口之間;第一循環管路經過放熱部和冷凝器,冷凝器用于將第一循環管路中的熱量轉移至循環風道;第二循環管路經過吸熱部、蒸發器以及冷卻塔,蒸發器用于將循環風道中的熱量轉移至第二循環管路。與現有技術相比,本發明通過吸收式熱泵為污泥干化機提供熱量,并通過吸收式熱泵對蒸發器輸出的第二換熱介質的熱量進行回收,提高了污泥干化的效率。

權利要求書
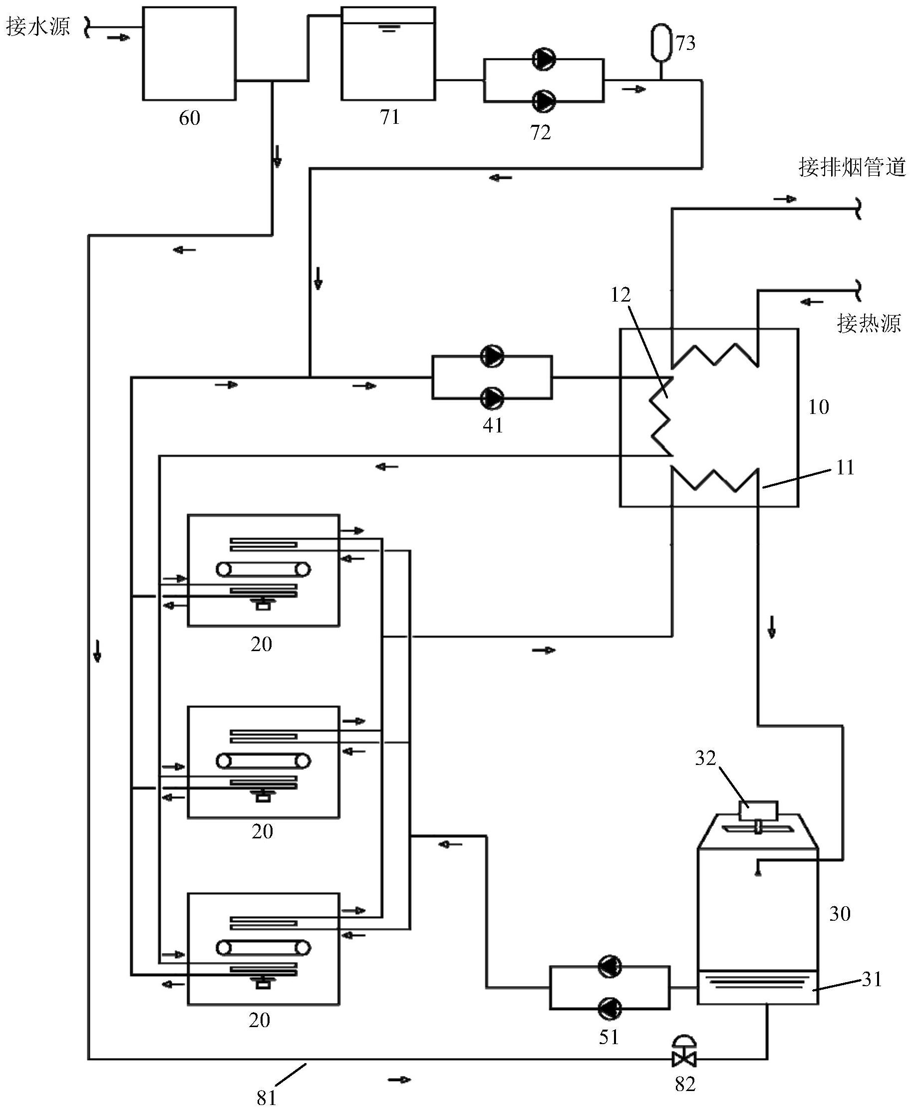
1.一種熱泵污泥干化系統,其特征在于:包括吸收式熱泵(10)、污泥干化機(20)、冷卻塔(30)、第一循環管路以及第二循環管路;所述吸收式熱泵(10)包括用于吸收熱量的吸熱部(11)以及用于放出熱量的放熱部(12),所述污泥干化機(20)包括循環風道、冷凝器(22)、蒸發器(23)以及污泥輸送機構(25);所述循環風道上還設有循環風機(24),所述循環風機(24)用于使空氣在所述循環風道中循環流動;所述循環風道經過所述冷凝器(22)、所述蒸發器(23)以及所述污泥輸送機構(25),且所述污泥輸送機構(25)設置在所述冷凝器(22)的出風口以及所述蒸發器(23)的進風口之間;所述第一循環管路用于容納第一換熱介質,所述第一循環管路上設置有第一循環泵(41),所述第一循環泵(41)用于使所述第一換熱介質在所述第一循環管路中循環流動;所述第一循環管路經過所述放熱部(12)以及所述冷凝器(22),所述冷凝器(22)用于將所述第一循環管路中的熱量轉移至所述循環風道;所述第二循環管路用于容納第二換熱介質,所述第二循環管路上設置有第二循環泵(51),所述第二循環泵(51)用于使所述第二換熱介質在所述第二循環管路中循環流動;所述第二循環管路經過所述吸熱部(11)、所述蒸發器(23)以及所述冷卻塔(30),且所述冷卻塔(30)的輸入端與所述吸熱部(12)的輸出端連接,所述蒸發器(23)的輸入端與所述冷卻塔(30)的輸出端連接;所述蒸發器(23)用于將所述循環風道中的熱量轉移至所述第二循環管路。
2.根據權利要求1所述的熱泵污泥干化系統,其特征在于:還包括控制器(C)、第一流量計(42)、第二流量計(52)和第一溫度傳感器(211),所述第一流量計(42)設置在所述第一循環管路上,所述第二流量計(52)設置在所述第二循環管路上,所述第一溫度傳感器(211)設置在所述冷凝器(22)的出風口;所述控制器(C)與所述吸收式熱泵(10)、所述循環風機(24)、所述污泥輸送機構(25)、所述第一循環泵(41)、所述第二循環泵(51)、所述第一流量計(42)、所述第二流量計(52)以及所述第一溫度傳感器(211)電連接;所述第一流量計(42)用于檢測所述第一循環管路中的第一換熱介質的流量,并轉換成第一流量檢測信號發送至所述控制器(C);所述第二流量計(52)用于檢測所述第二循環管路中的第二換熱介質的流量,并轉換成第二流量檢測信號發送至所述控制器(C);所述第一溫度傳感器(211)用于檢測所述冷凝器(22)的出風溫度,并轉換成第一溫度檢測信號發送至所述控制器(C);在開機過程中,所述控制器(C)用于:控制所述第二循環泵(51)開啟,使第二換熱介質在第二循環管路中形成循環;在接收到的第二流量檢測信號的值達到相應的設定值時,控制所述第一循環泵(41)開啟;在接收到的第一流量檢測信號的值達到相應的設定值時,控制所述吸收式熱泵(10)以及所述循環風機(24)開啟;在接收到的第一溫度檢測信號達到設定值時,控制所述污泥輸送機構(25)開啟。
3.根據權利要求2所述的熱泵污泥干化系統,其特征在于:所述污泥干化機(20)包括多臺,所述第一循環泵(41)為變頻循環泵;在開機過程中,所述控制器(C)還用于獲取待啟動的污泥干化機(20)的數量n;當n=1,且所述控制器(C)接收到的第二流量檢測信號的值達到設定值時,所述控制器(C)用于控制所述第一循環泵(41)提升至第一設定頻率fs1;當n=2,且所述控制器(C)接收到的第二流量檢測信號的值達到設定值時,所述控制器(C)用于控制所述第一循環泵(41)提升至第二設定頻率fs2;當n=3,且所述控制器(C)接收到的第二流量檢測信號的值達到設定值時,所述控制器(C)用于控制所述第一循環泵(41)提升至第三設定頻率fs3;其中,第一設定頻率fs1<第二設定頻率fs2<第三設定頻率fs3。
4.根據權利要求2所述的熱泵污泥干化系統,其特征在于:所述污泥干化機(20)包括多臺;所述控制器(C)還用于獲取各污泥干化機(20)的冷凝器(22)的出風溫度設定值的最大值Tsmax,并根據出風溫度設定值的最大值Tsmax控制所述吸收式熱泵(10)的放熱部(12)輸出的第一換熱介質溫度Tout,使Tout>Tsmax+X1;其中,X1為預先設定的第一溫差值。
5.根據權利要求4所述的熱泵污泥干化系統,其特征在于:各所述冷凝器(22)的第一換熱介質輸入端均設有調節閥,各所述調節閥與所述控制器(C)電連接;所述控制器(C)還用于根據所述冷凝器(22)的實際出風溫度相對于出風溫度設定值的偏差來對相應的所述調節閥的開度進行PID控制。
6.根據權利要求1所述的熱泵污泥干化系統,其特征在于:還包括控制器(C)和第一換熱介質補充裝置,所述第一換熱介質補充裝置包括第一換熱介質儲存器(71)、第一換熱介質補充泵(72)和壓力傳感器(74);所述第一換熱介質補充泵(72)的輸入端與所述第一換熱介質儲存器(71)連接,所述第一換熱介質補充泵(72)的輸出端與所述第一循環管路連接;所述壓力傳感器(74)設置在所述第一循環管路上,并與所述控制器(C)電連接;所述壓力傳感器(74)用于檢測所述第一循環管路的壓力,并將壓力檢測信號傳輸至所述控制器(C);所述控制器(C)與所述第一換熱介質補充泵(72)電連接,所述控制器(C)用于根據接收到的壓力檢測信號控制所述第一換熱介質補充泵(72)。
7.根據權利要求6所述的熱泵污泥干化系統,其特征在于:所述第一換熱介質補充泵(72)的輸出端連接于所述冷凝器(22)的輸出端與所述放熱部(12)的輸入端之間。
8.根據權利要求6所述的熱泵污泥干化系統,其特征在于:所述第一換熱介質補充裝置還包括與所述第一換熱介質補充泵(72)的輸出端連接的緩沖罐(73)。
9.根據權利要求8所述的熱泵污泥干化系統,其特征在于:所述第一換熱介質補充泵(72)的輸出端設有止回閥,所述第一換熱介質補充泵(72)通過所述止回閥與所述第一循環管路以及所述緩沖罐(73)連接。
10.根據權利要求6所述的熱泵污泥干化系統,其特征在于:所述第一換熱介質為水;還包括軟化水裝置(60),所述軟化水裝置(60)的輸入端和輸出端分別與水源以及所述第一換熱介質儲存器(71)連接。
11.根據權利要求1所述的熱泵污泥干化系統,其特征在于:所述冷卻塔(30)的下方設有用于收集冷卻后的換熱介質的儲液槽(31);還包括控制器(C)和第二換熱介質補充裝置,所述第二換熱介質補充裝置包括第二換熱介質補充管路(81)、第二換熱介質補充閥(82)和液位傳感器(83),所述第二換熱介質補充管路的輸出端與所述儲液槽(31)連接,所述第二換熱介質補充閥(82)設置在所述第二換熱介質補充管路(81)上,所述液位傳感器(83)設置在所述儲液槽(31)內;所述第二換熱介質補充閥(82)以及所述液位傳感器(83)分別與所述控制器(C)電連接,所述液位傳感器(83)用于檢測所述儲液槽(31)內的液位,并將液位檢測信號傳輸至所述控制器(C),所述控制器(C)用于根據接收到的所述液位檢測信號控制所述第二換熱介質補充閥(82)的開度。
12.根據權利要求1所述的熱泵污泥干化系統,其特征在于:所述第一循環泵(41)設置在所述冷凝器(22)的輸出端與所述放熱部(12)的輸入端之間,所述第二循環熱泵(51)設置在所述冷卻塔(30)的輸出端與所述蒸發器(23)的輸入端之間。
13.根據權利要求1所述的熱泵污泥干化系統,其特征在于:所述第一循環泵(41)包括多個,各所述第一循環泵(41)之間互相并聯;所述第二循環泵(51)包括多個,各所述第二循環泵(51)之間互相并聯。
發明內容
基于此,本發明的目的在于提供一種制熱量大、能量利用率高的熱泵污泥干化系統,以提升污泥干化系統的干化效率。
本發明的熱泵污泥干化系統,包括吸收式熱泵、污泥干化機、冷卻塔、第一循環管路以及第二循環管路;所述吸收式熱泵包括用于吸收熱量的吸熱部以及用于放出熱量的放熱部,所述污泥干化機包括循環風道、冷凝器、蒸發器以及污泥輸送機構;
所述循環風道上還設有循環風機,所述循環風機用于使空氣在所述循環風道中循環流動;所述循環風道經過所述冷凝器、所述蒸發器以及所述污泥輸送機構,且所述污泥輸送機構設置在所述冷凝器的出風口以及所述蒸發器的進風口之間;
所述第一循環管路用于容納第一換熱介質,所述第一循環管路上設置有第一循環泵,所述第一循環泵用于使所述第一換熱介質在所述第一循環管路中循環流動;所述第一循環管路經過所述放熱部以及所述冷凝器,所述冷凝器用于將所述第一循環管路中的熱量轉移至所述循環風道;
所述第二循環管路用于容納第二換熱介質,所述第二循環管路上設置有第二循環泵,所述第二循環泵用于使所述第二換熱介質在所述第二循環管路中循環流動;所述第二循環管路經過所述吸熱部、所述蒸發器以及所述冷卻塔,且所述冷卻塔的輸入端與所述吸熱部的輸出端連接,所述蒸發器的輸入端與所述冷卻塔的輸出端連接;所述蒸發器用于將所述循環風道中的熱量轉移至所述第二循環管路。
進一步的,還包括控制器、第一流量計、第二流量計和第一溫度傳感器,所述第一流量計設置在所述第一循環管路上,所述第二流量計設置在所述第二循環管路上,所述第一溫度傳感器設置在所述冷凝器的出風口;所述控制器與所述吸收式熱泵、所述循環風機、所述污泥輸送機構、所述第一循環泵、所述第二循環泵、所述第一流量計、所述第二流量計以及所述第一溫度傳感器電連接;
所述第一流量計用于檢測所述第一循環管路中的第一換熱介質的流量,并轉換成第一流量檢測信號發送至所述控制器;
所述第二流量計用于檢測所述第二循環管路中的第二換熱介質的流量,并轉換成第二流量檢測信號發送至所述控制器;
所述第一溫度傳感器用于檢測所述冷凝器的出風溫度,并轉換成第一溫度檢測信號發送至所述控制器;
在開機過程中,所述控制器用于:
控制所述第二循環泵開啟,使第二換熱介質在第二循環管路中形成循環;
在接收到的第二流量檢測信號的值達到相應的設定值時,控制所述第一循環泵開啟;
在接收到的第一流量檢測信號的值達到相應的設定值時,控制所述吸收式熱泵以及所述循環風機開啟;
在接收到的第一溫度檢測信號達到設定值時,控制所述污泥輸送機構開啟。
進一步的,所述污泥干化機包括多臺,所述第一循環泵為變頻循環泵;
在開機過程中,所述控制器還用于獲取待啟動的污泥干化機的數量n;
當n=1,且所述控制器接收到的第二流量檢測信號的值達到設定值時,所述控制器用于控制所述第一循環泵提升至第一設定頻率fs1;
當n=2,且所述控制器接收到的第二流量檢測信號的值達到設定值時,所述控制器用于控制所述第一循環泵提升至第二設定頻率fs2;
當n=3,且所述控制器接收到的第二流量檢測信號的值達到設定值時,所述控制器用于控制所述第一循環泵提升至第三設定頻率fs3;
其中,第一設定頻率fs1<第二設定頻率fs2<第三設定頻率fs3。
進一步的,所述污泥干化機包括多臺;
所述控制器還用于獲取各污泥干化機的冷凝器的出風溫度設定值的最大值Tsmax,并根據出風溫度設定值的最大值Tsmax控制所述吸收式熱泵的放熱部輸出的第一換熱介質溫度Tout,使Tout>Tsmax+X1;其中,X1為預先設定的第一溫差值。
進一步的,各所述冷凝器的第一換熱介質輸入端均設有調節閥,各所述調節閥與所述控制器電連接;所述控制器還用于根據所述冷凝器的實際出風溫度相對于出風溫度設定值的偏差來對相應的所述調節閥的開度進行PID控制。
進一步的,還包括控制器和第一換熱介質補充裝置,所述第一換熱介質補充裝置包括第一換熱介質儲存器、第一換熱介質補充泵和壓力傳感器;
所述第一換熱介質補充泵的輸入端與所述第一換熱介質儲存器連接,所述第一換熱介質補充泵的輸出端與所述第一循環管路連接;
所述壓力傳感器設置在所述第一循環管路上,并與所述控制器電連接;所述壓力傳感器用于檢測所述第一循環管路的壓力,并將壓力檢測信號傳輸至所述控制器;
所述控制器與所述第一換熱介質補充泵電連接,所述控制器用于根據接收到的壓力檢測信號控制所述第一換熱介質補充泵。
進一步的,所述第一換熱介質補充泵的輸出端連接于所述冷凝器的輸出端與所述放熱部的輸入端之間。
進一步的,所述第一換熱介質補充裝置還包括與所述第一換熱介質補充泵的輸出端連接的緩沖罐。
進一步的,所述第一換熱介質補充泵的輸出端設有止回閥,所述第一換熱介質補充泵通過所述止回閥與所述第一循環管路以及所述緩沖罐連接。
進一步的,所述第一換熱介質為水;還包括軟化水裝置,所述軟化水裝置的輸入端和輸出端分別與水源以及所述第一換熱介質儲存器連接。
進一步的,所述冷卻塔的下方設有用于收集冷卻后的換熱介質的儲液槽;
還包括控制器和第二換熱介質補充裝置,所述第二換熱介質補充裝置包括第二換熱介質補充管路、第二換熱介質補充閥和液位傳感器,所述第二換熱介質補充管路的輸出端與所述儲液槽連接,所述第二換熱介質補充閥設置在所述第二換熱介質補充管路上,所述液位傳感器設置在所述儲液槽內;
所述第二換熱介質補充閥以及所述液位傳感器分別與所述控制器電連接,所述液位傳感器用于檢測所述儲液槽內的液位,并將液位檢測信號傳輸至所述控制器,所述控制器用于根據接收到的所述液位檢測信號控制所述第二換熱介質補充閥的開度。
進一步的,所述第一循環泵設置在所述冷凝器的輸出端與所述放熱部的輸入端之間,所述第二循環熱泵設置在所述冷卻塔的輸出端與所述蒸發器的輸入端之間。
進一步的,所述第一循環泵包括多個,各所述第一循環泵之間互相并聯;
所述第二循環泵包括多個,各所述第二循環泵之間互相并聯。
與現有技術相比,本發明的有益效果如下:
1、通過吸收式熱泵為污泥干化機提供熱量,并通過吸收式熱泵對蒸發器輸出的第二換熱介質的熱量進行回收,提高了制熱量和能量利用率,從而提高了污泥干化的效率;
2、設置了多臺污泥干化機,更充分地利用吸收式熱泵提供的熱量,以進一步提高污泥干化的效率;
3、設置了第一換熱介質補充裝置,以使第一循環管路的壓力保持在正常范圍,保證設備的正常運行。
(發明人:林天威;梁卓炯;易毅;向光富;葉昌宏;陳林杰;黃志豪;賴正宮;歐陽恒基)






