公布日:2023.12.01
申請日:2023.09.11
分類號:C02F9/00(2023.01)I;C02F3/30(2023.01)N;C02F3/12(2023.01)N;C02F1/00(2023.01)N;C02F1/04(2023.01)N
摘要
本發明涉及污水處理技術領域,更具體地說,是一種A2O聯合兼氧MBR膜一體式污水處理設備,包括處理箱、控制器、支撐架、過濾箱以及排水口,所述處理箱通過支撐架設置在過濾箱上,所述控制器設置在處理箱上,所述排水口設置在過濾箱上,所述過濾箱上設置有過濾腔和蒸餾腔,所述污水處理設備還包括:過濾系統,設置在過濾腔內;蒸餾系統,設置在蒸餾腔內;以及傳動組件,設置在過濾箱上且將過濾系統和蒸餾系統連接;本裝置不僅能夠保證每個位置的冷凝管具有降溫時間以便后續對水蒸氣的高效冷凝處理,而且還能夠利用離心力的作用下將冷凝管內的潔凈水甩出,避免出現潔凈水回流到污水中的現象,整個裝置自動化程度高,對污水的處理效果好。

權利要求書
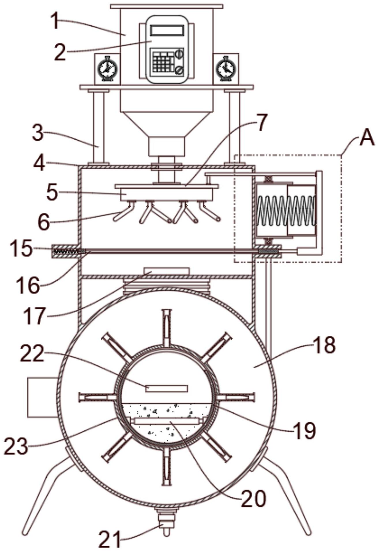
1.一種A2O聯合兼氧MBR膜一體式污水處理設備,包括處理箱、控制器、支撐架、過濾箱以及排水口,所述處理箱通過支撐架設置在過濾箱上,所述控制器設置在處理箱上,所述排水口設置在過濾箱上,所述過濾箱上設置有過濾腔和蒸餾腔,所述過濾腔和蒸餾腔內分別設置有排料口以及入料口,排料口和入料口之間連通,其特征在于,所述污水處理設備還包括:過濾系統,設置在過濾腔內,用于對污水做過濾處理;蒸餾系統,設置在蒸餾腔內,用于對過濾完成的污水做蒸餾處理;以及傳動組件,設置在過濾箱上且將過濾系統和蒸餾系統連接,所述過濾系統工作時通過傳動組件控制蒸餾系統同步工作;其中過濾系統包括:排水座,活動設置在過濾腔內且和處理箱連通;排水頭,數量為若干個且環布在排水座上,所述排水頭呈弧線型;濾板,活動設置在過濾腔內且兩者之間彈性連接,所述濾板上成型有通窗,所述通窗內設置有膜體,所述濾板和傳動組件連接,傳動組件工作時可控制濾板運動。
2.根據權利要求1所述的A2O聯合兼氧MBR膜一體式污水處理設備,其特征在于,所述傳動組件至少包括傳動結構,所述傳動結構包括:頂板,設置在排水座上,所述頂板上成型有調位槽;滑塊,活動設置在調位槽內;以及移動座,活動設置在過濾箱上且將滑塊和濾板的一端連接。
3.根據權利要求2所述的A2O聯合兼氧MBR膜一體式污水處理設備,其特征在于,所述調位槽呈環形,所述調位槽上環布有若干個凹陷部和凸起部,所述凹陷部和凸起部之間間隔布設且平滑連接。
4.根據權利要求2所述的A2O聯合兼氧MBR膜一體式污水處理設備,其特征在于,所述蒸餾系統包括:蒸餾箱,設置在處理箱上,所述入料口和蒸餾箱連通,所述蒸餾箱上成型有排氣窗口;加熱棒,設置在蒸餾箱內;以及執行模塊,設置在蒸餾箱內且與傳動組件連接,用于對水蒸氣做冷凝處理。
5.根據權利要求4所述的A2O聯合兼氧MBR膜一體式污水處理設備,其特征在于,所述執行模塊包括:轉箱,滑動套設在蒸餾箱上,所述轉箱的一側設置有與蒸餾箱滑動配合的背板;流道,數量為若干個且環布在轉箱上;以及冷凝管,每個所述流道內均設置有冷凝管。
6.根據權利要求5所述的A2O聯合兼氧MBR膜一體式污水處理設備,其特征在于,所述冷凝管遠離蒸餾箱的一端設置有錐度。
7.根據權利要求5所述的A2O聯合兼氧MBR膜一體式污水處理設備,其特征在于,所述傳動組件還包括:驅動模塊,設置在過濾箱上且與轉箱連接,用于控制轉箱轉動;以及動力輸出模塊,設置在過濾箱上且與移動座連接,移動座運動時控制動力輸出模塊工作并向驅動模塊提供動力。
8.根據權利要求7所述的A2O聯合兼氧MBR膜一體式污水處理設備,其特征在于,所述驅動模塊包括:驅動箱,設置在過濾箱上;齒輪,活動設置在過濾箱上且與轉箱同軸連接;活塞,活動設置在驅動箱內且兩者之間彈性連接;以及齒條結構,活動設置在驅動箱內且與齒輪相嚙合,所述齒條結構和活塞連接。
9.根據權利要求8所述的A2O聯合兼氧MBR膜一體式污水處理設備,其特征在于,所述齒條結構包括滑桿、若干個齒牙以及限位條;所述滑桿活動設置在驅動箱內且一端和活塞連接,若干個所述齒牙等距設置在滑桿上且兩者之間鉸接,所述齒牙和滑桿的鉸接處設置有扭簧,每個所述齒牙的一側均設置有限位條,所述限位條設置在滑桿上。
10.根據權利要求8所述的A2O聯合兼氧MBR膜一體式污水處理設備,其特征在于,所述動力輸出結構包括固定箱、活動箱以及彈性件;所述固定箱設置在過濾箱上,所述活動箱設置在移動座上,所述活動箱活動插設在固定箱內且兩者之間通過彈性件連接。
發明內容
本發明的目的在于提供一種A2O聯合兼氧MBR膜一體式污水處理設備,以解決上述背景技術中提出的問題。
為實現上述目的,本發明提供如下技術方案:
一種A2O聯合兼氧MBR膜一體式污水處理設備,包括處理箱、控制器、支撐架、過濾箱以及排水口,所述處理箱通過支撐架設置在過濾箱上,所述控制器設置在處理箱上,所述排水口設置在過濾箱上,所述過濾箱上設置有過濾腔和蒸餾腔,所述過濾腔和蒸餾腔內分別設置有排料口以及入料口,排料口和入料口之間連通,所述污水處理設備還包括:
過濾系統,設置在過濾腔內,用于對污水做過濾處理;
蒸餾系統,設置在蒸餾腔內,用于對過濾完成的污水做蒸餾處理;以及
傳動組件,設置在過濾箱上且將過濾系統和蒸餾系統連接,所述過濾系統工作時通過傳動組件控制蒸餾系統同步工作;其中
過濾系統包括:
排水座,活動設置在過濾腔內且和處理箱連通;
排水頭,數量為若干個且環布在排水座上,所述排水頭呈弧線型;
濾板,活動設置在過濾腔內且兩者之間彈性連接,所述濾板上成型有通窗,所述通窗內設置有膜體,所述濾板和傳動組件連接,傳動組件工作時可控制濾板運動。
本申請更進一步的技術方案:所述傳動組件至少包括傳動結構,所述傳動結構包括:
頂板,設置在排水座上,所述頂板上成型有調位槽;
滑塊,活動設置在調位槽內;以及
移動座,活動設置在過濾箱上且將滑塊和濾板的一端連接。
本申請更進一步的技術方案:所述調位槽呈環形,所述調位槽上環布有若干個凹陷部和凸起部,所述凹陷部和凸起部之間間隔布設且平滑連接。
本申請更進一步的技術方案:所述蒸餾系統包括:
蒸餾箱,設置在處理箱上,所述入料口和蒸餾箱連通,所述蒸餾箱上成型有排氣窗口;
加熱棒,設置在蒸餾箱內;以及
執行模塊,設置在蒸餾箱內且與傳動組件連接,用于對水蒸氣做冷凝處理。
本申請又進一步的技術方案:所述執行模塊包括:
轉箱,滑動套設在蒸餾箱上,所述轉箱的一側設置有與蒸餾箱滑動配合的背板;
流道,數量為若干個且環布在轉箱上;以及
冷凝管,每個所述流道內均設置有冷凝管。
本申請又進一步的技術方案:所述冷凝管遠離蒸餾箱的一端設置有錐度。
本申請又進一步的技術方案:所述傳動組件還包括:
驅動模塊,設置在過濾箱上且與轉箱連接,用于控制轉箱轉動;以及
動力輸出模塊,設置在過濾箱上且與移動座連接,移動座運動時控制動力輸出模塊工作并向驅動模塊提供動力。
本申請再進一步的技術方案:所述驅動模塊包括:
驅動箱,設置在過濾箱上;
齒輪,活動設置在過濾箱上且與轉箱同軸連接;
活塞,活動設置在驅動箱內且兩者之間彈性連接;以及
齒條結構,活動設置在驅動箱內且與齒輪相嚙合,所述齒條結構和活塞連接。
本申請再進一步的技術方案:所述齒條結構包括滑桿、若干個齒牙以及限位條;
所述滑桿活動設置在驅動箱內且一端和活塞連接,若干個所述齒牙等距設置在滑桿上且兩者之間鉸接,所述齒牙和滑桿的鉸接處設置有扭簧,每個所述齒牙的一側均設置有限位條,所述限位條設置在滑桿上。
本申請再進一步的技術方案:所述動力輸出結構包括固定箱、活動箱以及彈性件;
所述固定箱設置在過濾箱上,所述活動箱設置在移動座上,所述活動箱活動插設在固定箱內且兩者之間通過彈性件連接。
采用本發明實施例提供的技術方案,與現有技術相比,具有如下有益效果:
本發明實施例通過設置過濾系統和蒸餾系統,在整個裝置能夠實現A2O以及MBR膜聯合處理對污水進行初步加工的前提下,利用蒸餾系統和過濾系統之間的聯動效果,不僅能夠控制濾板以及膜體往復運動,提高了對污水中的泥水分離的效果,而且還能夠控制轉箱相對于蒸餾箱不斷轉動,擺脫了傳統的冷凝管固定式的方式,本裝置不僅能夠保證每個位置的冷凝管具有降溫時間以便后續對水蒸氣的高效冷凝處理,而且還能夠利用離心力的作用下將冷凝管內的潔凈水甩出,避免出現潔凈水回流到污水中的現象,整個裝置自動化程度高,對污水的處理效果好。
(發明人:劉金泉)






