申請日2017.09.28
公開(公告)日2018.01.19
IPC分類號H02M7/06; H02M1/14
摘要
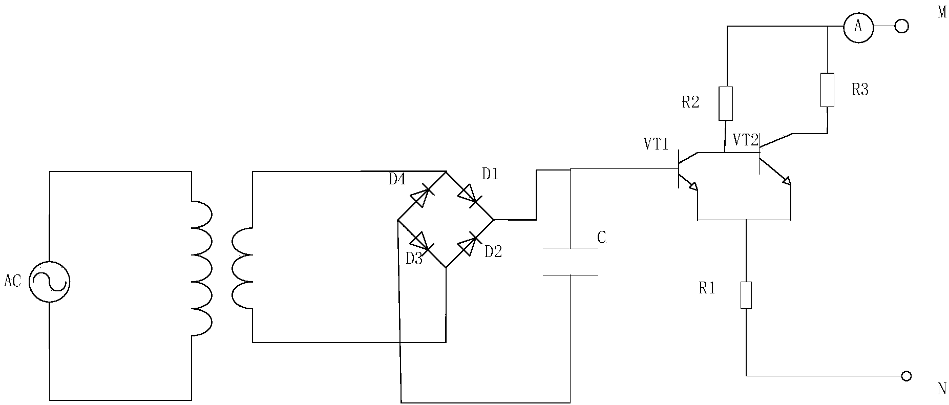
本發明公開了電源電路,具體涉及用于水處理的電源穩態系統,包括電源變壓器、整流模塊、濾波模塊、三極管VT1、三極管VT2、R1、R2、R3,所述電源變壓器、整流模塊、濾波模塊一次連接,濾波模塊的輸出端連接三極管VT1的b極,三極管VT1的e極連接三極管VT2的e極,三極管VT1的c極連接三極管VT2的b極,三極管VT2的c極連接R3的一端,R3的另一端連接輸出端M,R1的一端連接在三極管VT1e極和三極管VT2的e極的連接線路上,另一端連接輸出端N,R2的一端連接在三極管VT1的c極和三極管VT2的b極的連接線路上,另一端連接輸出端M,通過三極管之間的相互激勵作用,使電路能持續穩定輸出。
權利要求書
1.用于水處理的電源穩態系統,其特征在于,包括電源變壓器、整流模塊、濾波模塊、三極管VT1、三極管VT2、R1、R2、R3,所述電源變壓器、整流模塊、濾波模塊依次連接,濾波模塊的輸出端連接三極管VT1的b極,三極管VT1的e極連接三極管VT2的e極,三極管VT1的c極連接三極管VT2的b極,三極管VT2的c極連接R3的一端,R3的另一端連接輸出端M,R1的一端連接在三極管VT1的e極,另一端連接輸出端N,R2的一端連接在三極管VT1的c極,另一端連接輸出端M。
2.根據權利要求1所述的用于水處理的電源穩態系統,其特征在于,所述整流模塊為橋式整流電路,橋式整流電路包括二極管D1、二極管D2、二極管D3、二極管D4,所述二極管D1的陽極連接二極管D4的陰極,二極管D4的陽極連接二極管D3的陽極,二極管D3的陰極連接二極管D2的陽極,二極管D2的陰極連接二極管D1的陰極。
3.根據權利要求1所述的用于水處理的電源穩態系統,其特征在于,所述濾波模塊為電容濾波電路。
4.根據權利要求1所述的用于水處理的電源穩態系統,其特征在于,所述三極管VT1和三極管VT2均采用A1494BCE型號NPN三極管。
5.根據權利要求1所述的用于水處理的電源穩態系統,其特征在于,還包括直流電流表,所述直流電流表連接在R3與輸出端M的連接線路上。
說明書
用于水處理的電源穩態系統
技術領域
本發明涉及電源電路,具體涉及用于水處理的電源穩態系統。
背景技術
近年來,隨著工業的快速發展,生活水平的迅速提高,污水的排放日漸增多,隨著人口的增多,直接飲用水短缺,水處理技術已經成為一個社會各界人士共同關注的話題了,目前國內的水處理技術已經比較完善,水處理需要的是直流電,交流電并不能進行水處理的反應,需要在通電的路上加一個電源的處理設備,稱為水處理電源,但是在水處理的過程中對水處理的電源的要求很高,在選用水處理電源的時候,除了考慮成本和適用性意外,還要考慮到穩定性,水處理反應必須是穩定進行,才能方便實驗的要求,所以電源必須做到穩定輸出,才能讓水處理的反應正常進行,傳統的水處理電源雖然在技術上有了一些這方面的改進,設計出了整流電路,但是整流電路還是會因為元器件的溫度或者其他因素的影響而導致不穩定,效果不明顯,所以解決水處理電源的穩定,能提高生產效率。
發明內容
本發明目的在于提供用于水處理的電源穩態系統,解決水處理過程中水處理電源輸出不穩定而導致效率變低的問題。
本發明通過下述技術方案實現:
用于水處理的電源穩態系統,包括電源變壓器、整流模塊、濾波模塊、三極管VT1、三極管VT2、R1、R2、R3,所述電源變壓器、整流模塊、濾波模塊依次連接,濾波模塊的輸出端連接三極管VT1的b極,三極管VT1的e極連接三極管VT2的e極,三極管VT1的c極連接三極管VT2的b極,三極管VT2的c極連接R3的一端,R3的另一端連接輸出端M,R1的一端連接在三極管VT1的e極,另一端連接輸出端N,R2的一端連接在三極管VT1的c極,另一端連接輸出端M。本方案水處理電源的直流穩態電路先由變壓器變壓,整流器整流,再輸入三極管,通過三極管VT1和三極管VT2相互激勵作用,穩定輸出飽和電流電壓,解決水處理過程中傳統水處理電源輸出不穩定而導致效率變低的問題,電源穩定輸出,提高水處理的效率。
進一步的,所述整流模塊為橋式整流電路,所述整流模塊為橋式整流電路,橋式整流電路包括二極管D1、二極管D2、二極管D3、二極管D4,所述二極管D1的陽極連接二極管D4的陰極,二極管D4的陽極連接二極管D3的陽極,二極管D3的陰極連接二極管D2的陽極,二極管D2的陰極連接二極管D1的陰極,橋式整流電路的輸出電壓脈動晨讀比半波整流電路小的多,輸出點煙和電流的平均值也比半波整流電路提高了一倍,而二極管所承受的最大反向電壓僅為半波整流的一般,橋式整流電路在本發明中作用對比其他整流電路效果更好。
進一步的,所述濾波模塊為電容濾波電路,電容濾波電路結構簡單,濾波效果好,適合大電流電路。
進一步的,所述三極管VT1和三極管VT2均采用A1494BCE型號NPN三極管,反應電壓200V,反應電流為17A,符合水處理要求。
進一步的,所述用于水處理的電源穩態系統,還包括直流電流表,所述直流電流表連接在R3與輸出端M的連接線路上,直流電流表在安裝在最后對最終輸出的電流進行監控,若電源不穩定輸出,能夠及時處理。
本發明與現有技術相比,具有如下的優點和有益效果:
1、本發明用于水處理的電源穩態系統,對交流電源進行處理,使能持續穩定輸出,提高水處理的效率;
2、本發明用于水處理的電源穩態系統,結構簡單,效果明顯;
3、本發明用于水處理的電源穩態系統,所用電路元件普通,功能齊全。



