公布日:2023.11.14
申請日:2023.07.19
分類號:C02F1/00(2023.01)I;C02F1/02(2023.01)I
摘要
本發明公開一種有機廢液摻燒裝置及其方法,屬于煤氣化技術領域,包括用于過濾有機廢液的過濾機構、用于給過濾后有機廢液加壓的加壓機構、二氧化碳進料機構、氣化爐燒嘴和用于焚燒加壓后有機廢液的氣化爐,有機廢液送入過濾機構的輸入口,過濾機構的輸出口連通加壓機構的輸入口,加壓機構的輸出口連通氣化爐燒嘴的輸入口,氣化爐燒嘴的輸出口連通氣化爐的輸入口,二氧化碳進料機構的輸出口連通氣化爐燒嘴的輸入口。本發明利用過濾機構實現對有機廢液的過濾,利用加壓機構加壓并送入氣化爐燒嘴,高壓CO2送入氣化爐燒嘴,利用高壓CO2對有機廢液進行霧化,在氣化爐內對有機廢液進行焚燒,減少環境污染和節省了處理生化污泥的費用。

權利要求書
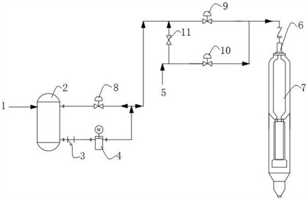
1.一種有機廢液摻燒裝置,其特征在于,包括用于過濾有機廢液(1)的過濾機構、用于給過濾后有機廢液(1)加壓的加壓機構、二氧化碳進料機構、氣化爐燒嘴(6)和用于焚燒加壓后有機廢液(1)的氣化爐(7),有機廢液(1)送入過濾機構的輸入口,過濾機構的輸出口連通加壓機構的輸入口,加壓機構的輸出口連通氣化爐燒嘴(6)的輸入口,氣化爐燒嘴(6)的輸出口連通氣化爐(7)的輸入口,二氧化碳進料機構的輸出口連通氣化爐燒嘴(6)的輸入口。
2.根據權利要求1所述的一種有機廢液摻燒裝置,其特征在于,過濾機構包括廢液緩沖罐(2)和過濾器(3),有機廢液(1)送入廢液緩沖罐(2)的輸入口,廢液緩沖罐(2)的第一輸出口連通過濾器(3)的輸入口。
3.根據權利要求2所述的一種有機廢液摻燒裝置,其特征在于,加壓機構包括廢液加壓泵(4),過濾器(3)的輸出口連通廢液加壓泵(4)的輸入口,廢液加壓泵(4)的輸出口連通第二控制閥門(9)的輸入口。
4.根據權利要求3所述的一種有機廢液摻燒裝置,其特征在于,加壓機構包括第一控制閥門(8),第一控制閥門(8)的輸入口連通廢液加壓泵(4)輸出口,第一控制閥門(8)的輸出口連通廢液緩沖罐(2)的輸入口。
5.根據權利要求4所述的一種有機廢液摻燒裝置,其特征在于,加壓機構包括第二控制閥門(9),廢液加壓泵(4)的輸出口連通第二控制閥門(9)的輸入口,第一控制閥門(8)的輸入口連通第二控制閥門(9)的輸入口,第二控制閥門(9)的輸出口連通氣化爐燒嘴(6)的輸入口。
6.根據權利要求5所述的一種有機廢液摻燒裝置,其特征在于,二氧化碳進料機構包括第三控制閥門(10),二氧化碳送入第三控制閥門(10)的輸入口,第三控制閥門(10)的輸出口連通氣化爐燒嘴(6)的輸入口。
7.根據權利要求6所述的一種有機廢液摻燒裝置,其特征在于,二氧化碳進料機構包括第四控制閥門(11),二氧化碳送入第四控制閥門(11)的輸入口,第四控制閥門(11)的輸出口連通第二控制閥門(9)的輸入口并與第一控制閥門(8)的輸入口連通;第四手動控制閥門(11)在停車時用于吹掃管線內的廢液。
8.一種有機廢液摻燒方法,其特征在于,利用權利要求1-7任一項所述的有機廢液摻燒裝置,執行以下步驟:將有機廢液(1)送入廢液緩沖罐(2)進行緩沖;將緩沖后的有機廢液(1)送入過濾器(3)中進行過濾;將過濾后的有機廢液(1)送入廢液加壓泵(4)進行加壓;打開第三控制閥門(10),將二氧化碳送入氣化爐(7);打開第二控制閥門(9),將加壓后的有機廢液(1)送入氣化爐(7)進行焚燒。
9.根據權利要求8所述的一種有機廢液摻燒方法,其特征在于,若送入氣化爐(7)中的加壓后的有機廢液(1)體積小于預設最低體積閾值,則打開第一控制閥門(8)向廢液緩沖罐(2)中送入有機廢液(1),送入氣化爐(7)中的有機廢液(1)體積達到預設最低體積閾值時關閉第一控制閥門(8),打開第二控制閥門(9),將廢液緩沖罐(2)中緩沖后的有機廢液(1)送入氣化爐(7);若送入氣化爐(7)中的二氧化碳濃度達到預設最低濃度閾值,則打開第三控制閥門(10),將二氧化碳送入氣化爐(7)。
10.根據權利要求9所述的一種有機廢液摻燒方法,其特征在于,若氣化爐(7)停止工作,則打開第四控制閥門(11)和第二控制閥門(9),將二氧化碳送入氣化爐內,對第二控制閥門(9)及管線進行吹掃。
發明內容
本發明所要解決的技術問題是克服現有技術的缺陷,提供一種有機廢液摻燒裝置及其方法,本發明利用過濾機構實現對有機廢液的過濾,然后利用加壓機構進行加壓,并送入氣化爐燒嘴,另一路高壓CO2送入氣化爐燒嘴,有機廢液與另一路高壓CO2在氣化爐中充分混合,利用高壓CO2對有機廢液進行霧化,控制有機廢液與CO2的流量比例,在氣化爐內對有機廢液進行焚燒,可以處理污水處理來的有機廢液,減少環境污染和節省了處理生化污泥的費用。
第一方面,本發明提供一種有機廢液摻燒裝置,包括用于過濾有機廢液的過濾機構、用于給過濾后有機廢液加壓的加壓機構、二氧化碳進料機構、氣化爐燒嘴和用于焚燒加壓后有機廢液的氣化爐,有機廢液送入過濾機構的輸入口,過濾機構的輸出口連通加壓機構的輸入口,加壓機構的輸出口連通氣化爐燒嘴的輸入口,氣化爐燒嘴的輸出口連通氣化爐的輸入口,二氧化碳進料機構的輸出口連通氣化爐燒嘴的輸入口。
結合第一方面,過濾機構包括廢液緩沖罐和過濾器,有機廢液送入廢液緩沖罐的輸入口,廢液緩沖罐的第一輸出口連通過濾器的輸入口。
結合第一方面,加壓機構包括廢液加壓泵,過濾器的輸出口連通廢液加壓泵的輸入口,廢液加壓泵的輸出口連通第二控制閥門的輸入口。
結合第一方面,加壓機構包括第一控制閥門,第一控制閥門的輸入口連通廢液加壓泵的第一輸出口,第一控制閥門的輸出口連通廢液緩沖罐的輸入口。
結合第一方面,加壓機構包括第二控制閥門,廢液加壓泵的輸出口連通第二控制閥門的輸入口,第二控制閥門的輸出口連通氣化爐燒嘴的輸入口。
結合第一方面,二氧化碳進料機構包括第三控制閥門,二氧化碳送入第三控制閥門的輸入口,第三控制閥門的輸出口連通氣化爐燒嘴的輸入口。
結合第一方面,二氧化碳進料機構包括第四控制閥門,二氧化碳送入第四控制閥門的輸入口,第四控制閥門的輸出口連通第二控制閥門的輸入口。
結合第二方面,一種有機廢液摻燒方法,利用第一方面任一項所述的有機廢液摻燒裝置,執行以下步驟:
將有機廢液送入廢液緩沖罐進行緩沖;
將緩沖后的有機廢液送入過濾器中進行過濾;
將過濾后的有機廢液送入廢液加壓泵進行加壓;
打開第三控制閥門,將二氧化碳送入氣化爐;
打開第二控制閥門,將加壓后的有機廢液送入氣化爐進行焚燒。
結合第二方面,若送入氣化爐中的加壓后的有機廢液體積小于預設最低體積閾值,則打開第一控制閥門向廢液緩沖罐中送入有機廢液,若送入氣化爐中的加壓后的有機廢液體積達到預設最低體積閾值時關閉第一控制閥門,打開第二控制閥門,將有機廢液送入氣化爐;若送入氣化爐中的二氧化碳濃度達到預設最低濃度閾值,則打開第三控制閥門,將二氧化碳送入氣化爐。
結合第二方面,若氣化爐停止工作,打開第四控制閥門和第二控制閥門,將二氧化碳送入第二控制閥門,對第二控制閥門進行吹掃。本發明所達到的有益效果:
本發明利用過濾機構實現對有機廢液的過濾,然后利用加壓機構進行加壓,并送入氣化爐燒嘴,另一路高壓CO2送入氣化爐燒嘴,有機廢液與另一路高壓CO2在氣化爐中充分混合,利用高壓CO2對有機廢液進行霧化,控制有機廢液與CO2的流量比例,在氣化爐內對有機廢液進行焚燒,可以處理污水處理來的有機廢液,減少環境污染和節省了處理生化污泥的費用;本發明還可以處理工廠里的其他有機廢液,節省處理有機廢液的費用;
有機廢液的主要成分包括好氧的微生物、甲醇和芳香烴有機物,污水處理來的有機廢液送入氣化爐,經焚燒反應產生一氧化碳和氫氣等有效氣體,一氧化碳和氫氣可以供下游工段使用,例如可以燃燒實現發電,或者用于其他工藝過程中的加熱,可實現創造二次經濟價值。
(發明人:楊文超;陳銘;高弘)






