公布日:2023.01.17
申請日:2022.10.14
分類號:C02F11/121(2019.01)I;C02F11/127(2019.01)I;C02F11/10(2006.01)I;C10B53/00(2006.01)I;C10G1/00(2006.01)I;D01F9/08(2006.01)I
摘要
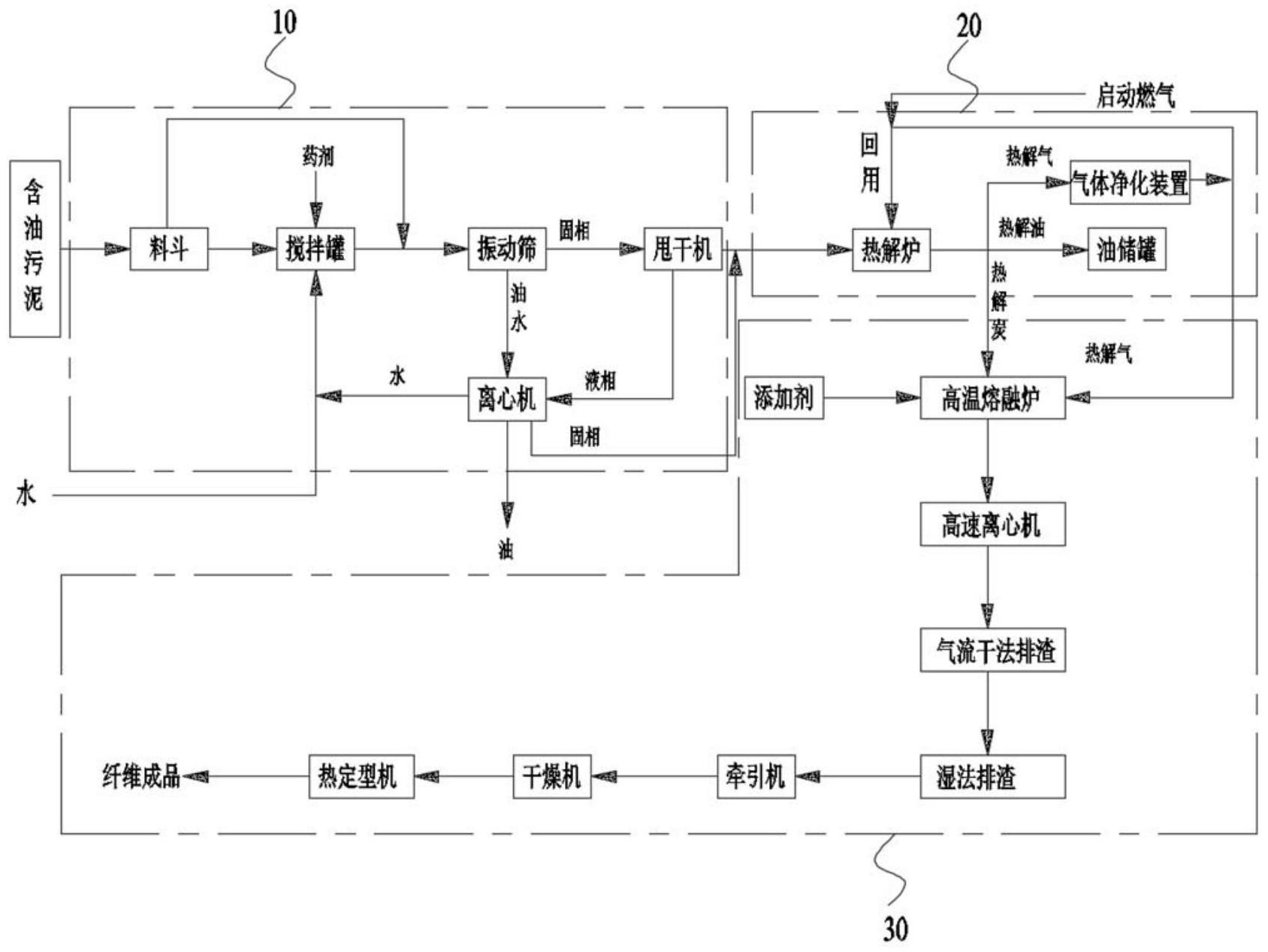
本發明涉及一種含油污泥高值化利用系統及方法,所述預處理單元包括依次相連的料斗、攪拌罐、振動篩、甩干機和離心分離機,所述離心分離機用于分離振動篩與甩干機脫出的固液相;所述有機物絕氧熱解單元包括與所述甩干機依次相連的熱解爐、油氣冷卻凈化系統、熱解氣循環回用系統;所述高溫熔融提纖單元包括與所述熱解爐依次相連的高溫熔融爐、高速離心機、干排渣裝置、濕排渣裝置、牽引機、干燥機、熱定型機。本發明解決了含油污泥因直接焚燒的污染問題,同時獲得附加價值高的燃料油和纖維等能源產品,徹底實現了油泥危險廢棄物完全資源化回收利用。

權利要求書
1.一種含油污泥高值化利用系統,其特征在于:包括依次相連的預處理單元(10)、有機物絕氧熱解單元(20)、高溫熔融提纖單元(30);所述預處理單元(10)包括依次相連的料斗、攪拌罐、振動篩、甩干機和離心分離機,所述離心分離機用于分離振動篩與甩干機脫出的固液相;所述有機物絕氧熱解單元(20)包括與所述甩干機依次相連的熱解爐、油氣冷卻凈化系統、熱解氣循環回用系統,所述油氣冷卻凈化系統包括冷凝塔、存儲冷凝得到的液態混合物的油貯罐以及對冷凝處理后的不凝氣進行脫硫的氣體凈化裝置;所述高溫熔融提纖單元(30)包括與所述熱解爐依次相連的高溫熔融爐、高速離心機、干排渣裝置、濕排渣裝置、牽引機、干燥機、熱定型機,所述牽引機與所述干排渣裝置、濕排渣裝置的纖維出料端連接將除渣后的纖維送入干燥機;所述熱解氣循環回用系統將氣體凈化裝置的不凝氣返回至熱解爐與高溫熔融爐。
2.根據權利要求1所述的含油污泥高值化利用系統,其特征在于:所述振動篩包括一級篩分和二級篩分,所述一級篩分的篩孔為10~20mm方形篩孔,所述二級篩分的篩孔為1~10mm方形篩孔。
3.根據權利要求1所述的含油污泥高值化利用系統,其特征在于:所述高溫熔融爐接收由熱解爐熱解得到的固體物料與甩干機甩干后得到的部分固體物料,在燃氣和富氧的作用下進行高溫熔融加熱,所述固體物料加熱溫度為1500~2200℃。
4.根據權利要求1所述的含油污泥高值化利用系統,其特征在于:所述高速離心機通過上下交錯布置的四級高速旋轉圓盤高速旋轉快速成纖,其中,自上而下設置直徑為150~200mm且轉速為3800~4200r/min的第一輥、直徑為220~300mm且轉速為5000~5500r/min的第二輥、直徑為350~400mm且轉速為5500~6000r/min的第三輥、直徑為350~400mm且轉速為6000~7000r/min的第四輥。
5.一種含油污泥高值化利用方法,其特征在于:所述含油污泥高值化利用方法包括如下步驟:步驟A,對含油污泥進行熱水洗攪拌,再通過振動篩分和甩干、離心分離,獲得油、水和固三相組分;步驟B,經預處理后得到的固體產物送入熱解爐當中進行絕氧熱解,熱解的固體殘渣送入高溫熔融爐中熔煉,獲得的熱解氣為熱解爐和高溫熔融爐提供能量;步驟C,經高溫熔融爐熔煉的液體通過高速離心機甩絲,獲得纖維;步驟D,纖維依次經過排渣、牽引、干燥和定型后獲得纖維成品。
6.根據權利要求5所述的含油污泥高值化利用方法,其特征在于:步驟A中在對含油污泥進行熱水洗攪拌時,將含油污泥送入料斗裝置進行暫存,向攪拌罐加入總體積三分之二的熱水,并開啟攪拌罐,向攪拌罐中加入暫存的含油污泥,在攪拌過程中加入總質量3~5%的藥劑,且對攪拌罐進行恒溫加熱,確保穩定控制在65±5℃,攪拌時間在20~30min。
7.根據權利要求5所述的含油污泥高值化利用方法,其特征在于:步驟A中甩干混合液在轉速為4500rpm轉速下離心分離,獲得油、水和固三相。
8.根據權利要求5所述的含油污泥高值化利用方法,其特征在于:所述熱解爐中固體物中的水和有機物在500~650℃溫度下進行干燥和熱分解。
9.根據權利要求5所述的含油污泥高值化利用方法,其特征在于:所述高溫熔融爐溫度控制在1800℃~1900℃。
10.根據權利要求5所述的含油污泥高值化利用方法,其特征在于:步驟D中干燥溫度控制在100~120℃。
發明內容
本發明的目的是針對現有技術存在的問題,提出一種含油污泥高值化利用系統及方法,將含油污泥實現減量化、無害化和資源化利用以及節能減排。
為實現上述目的,本發明提供了一種含油污泥高值化利用系統,包括依次相連的預處理單元、有機物絕氧熱解單元、高溫熔融提纖單元;
所述預處理單元包括依次相連的料斗、攪拌罐、振動篩、甩干機和離心分離機,所述離心分離機用于分離振動篩與甩干機脫出的固液相;
所述有機物絕氧熱解單元包括與所述甩干機依次相連的熱解爐、油氣冷卻凈化系統、熱解氣循環回用系統,所述油氣冷卻凈化系統包括冷凝塔、存儲冷凝得到的液態混合物的油貯罐以及對冷凝處理后的不凝氣進行脫硫的氣體凈化裝置;
所述高溫熔融提纖單元包括與所述熱解爐依次相連的高溫熔融爐、高速離心機、干排渣裝置、濕排渣裝置、牽引機、干燥機、熱定型機,所述牽引機與所述干排渣裝置、濕排渣裝置的纖維出料端連接將除渣后的纖維送入干燥機;
所述熱解氣循環回用系統將氣體凈化裝置的不凝氣返回至熱解爐與高溫熔融爐。
優選地,所述振動篩包括一級篩分和二級篩分,所述一級篩分的篩孔為10~20mm方形篩孔,所述二級篩分的篩孔為1~10mm方形篩孔。
優選地,所述高溫熔融爐接收由熱解爐熱解得到的固體物料與甩干機甩干后得到的部分固體物料,在燃氣和富氧的作用下進行高溫熔融加熱,所述固體物料加熱溫度為1500~2200℃。
優選地,所述高速離心機通過上下交錯布置的四級高速旋轉圓盤高速旋轉快速成纖,其中,自上而下設置直徑為150~200mm且轉速為3800~4200r/min的第一輥、直徑為220~300mm且轉速為5000~5500r/min的第二輥、直徑為350~400mm且轉速為5500~6000r/min的第三輥、直徑為350~400mm且轉速為6000~7000r/min的第四輥。
本發明的另一目的在于提供一種含油污泥高值化利用方法,所述含油污泥高值化利用方法包括如下步驟:
步驟A,對含油污泥進行熱水洗攪拌,再通過振動篩分和甩干、離心分離,獲得油、水和固三相組分;
步驟B,經預處理后得到的固體產物送入熱解爐當中進行絕氧熱解,熱解的固體殘渣送入高溫熔融爐中熔煉,獲得的熱解氣為熱解爐和高溫熔融爐提供能量;
步驟C,經高溫熔融爐熔煉的液體通過高速離心機甩絲,獲得纖維;
步驟D,纖維依次經過排渣、牽引、干燥和定型后獲得纖維成品。
優選地,步驟A中在對含油污泥進行熱水洗攪拌時,將含油污泥送入料斗裝置進行暫存,向攪拌罐加入總體積三分之二的熱水,并開啟攪拌罐,向攪拌罐中加入暫存的含油污泥,在攪拌過程中加入總質量3~5%的硅酸鈉藥劑,且對攪拌罐進行恒溫加熱,確保穩定控制在65±5℃,攪拌時間在20~30min。
優選地,步驟A中甩干混合液在轉速為4500rpm轉速下離心分離,獲得油、水和固三相。
優選地,所述熱解爐中固體物中的水和有機物在500~650℃溫度下進行干燥和熱分解。
優選地,所述高溫熔融爐溫度控制在1800℃~1900℃。
優選地,步驟D中干燥溫度控制在100~120℃。
基于上述技術方案,本發明的優點是:
本發明采用絕氧熱解裝置對含油污泥進行絕氧熱解,可獲得油品能源,同時可避免含油污泥直接焚燒產生大量二噁英,另外獲得的熱解氣屬于清潔能源,直接燃燒的廢氣達鍋爐排放標準。
高溫熔融爐只對部分含有少量難分離有機物的無機物進行進一步燃燒,大大減少因直接焚燒原生含油污泥產生大量廢氣問題,同時高溫熔融爐內不含或是只有極少量的有機物,可有效抑制二噁英的產生,另外杜絕了屬于危廢飛灰的產生,降低了高溫熔融過程中的進料量,大大減少了整個高溫熔融系統的能耗問題。通過高溫熔融提纖系統可實現熱解產生的固體物高溫熔融,獲得無毒性、高附加值的纖維產品,可用于建材、工業耐高溫高強度要求產品中,另外獲得可用于清潔燃燒的燃料氣。送入高溫熔融爐的熱解氣屬于清潔燃氣,燃燒產生廢氣能達到鍋爐廢氣排放標準,從而顯著降低了高溫熔融爐廢氣處理成本。
本發明的整個工藝有機結合到一起,一方面通過分級處理工藝可有效避免因直接焚燒含油污泥導致無機物和水帶走大量熱,導致整個系統能源利用率低;另一方面既解決含油污泥因直接焚燒的污染問題,同時獲得附加價值高的燃料油和纖維等能源產品,徹底實現了油泥危險廢棄物完全資源化回收利用。
(發明人:吳小飛;吳玉祥;劉旭;侯傲;樊蓓莉;常磊;尹瀟;李科)






