公布日:2023.04.04
申請日:2023.02.24
分類號:C02F1/28(2023.01)I;B01J20/34(2006.01)I;B01J20/20(2006.01)I;B01D5/00(2006.01)I;C02F103/38(2006.01)N;C02F101/38(2006.01)N;C02F101/34(2006.01)N
摘要
本發明公開了一種DMF合成革廢水萃余液的吸附方法和裝置。吸附方法主要包括吸附和解析兩個工序,萃余液經過吸附塔,將水溶液中的DMF及微量氯仿轉移到吸附劑中,然后通過解析,將吸附劑中的DMF及微量氯仿脫附回用。吸附裝置包括用于儲存DMF合成革廢水萃余液的萃余液儲罐,與萃余液儲罐連通的吸附單元,以及解析塔;所述吸附單元包括多個吸附塔,吸附塔、解析塔底部的出液口通過離心泵四與處理后廢水儲罐連通,吸附塔、解析塔頂部的出氣口與冷凝器連通,冷凝器底部的出液口與DMF儲罐連通。該工藝流程簡單、設備簡化,可實現自動化連續操作。

權利要求書
1.一種DMF合成革廢水萃余液的吸附方法,其特征在于,所述DMF合成革廢水萃余液經過吸附塔,將其含有的DMF及氯仿轉移到吸附劑中,然后通過解析,將吸附劑中的DMF及氯仿脫附回用。
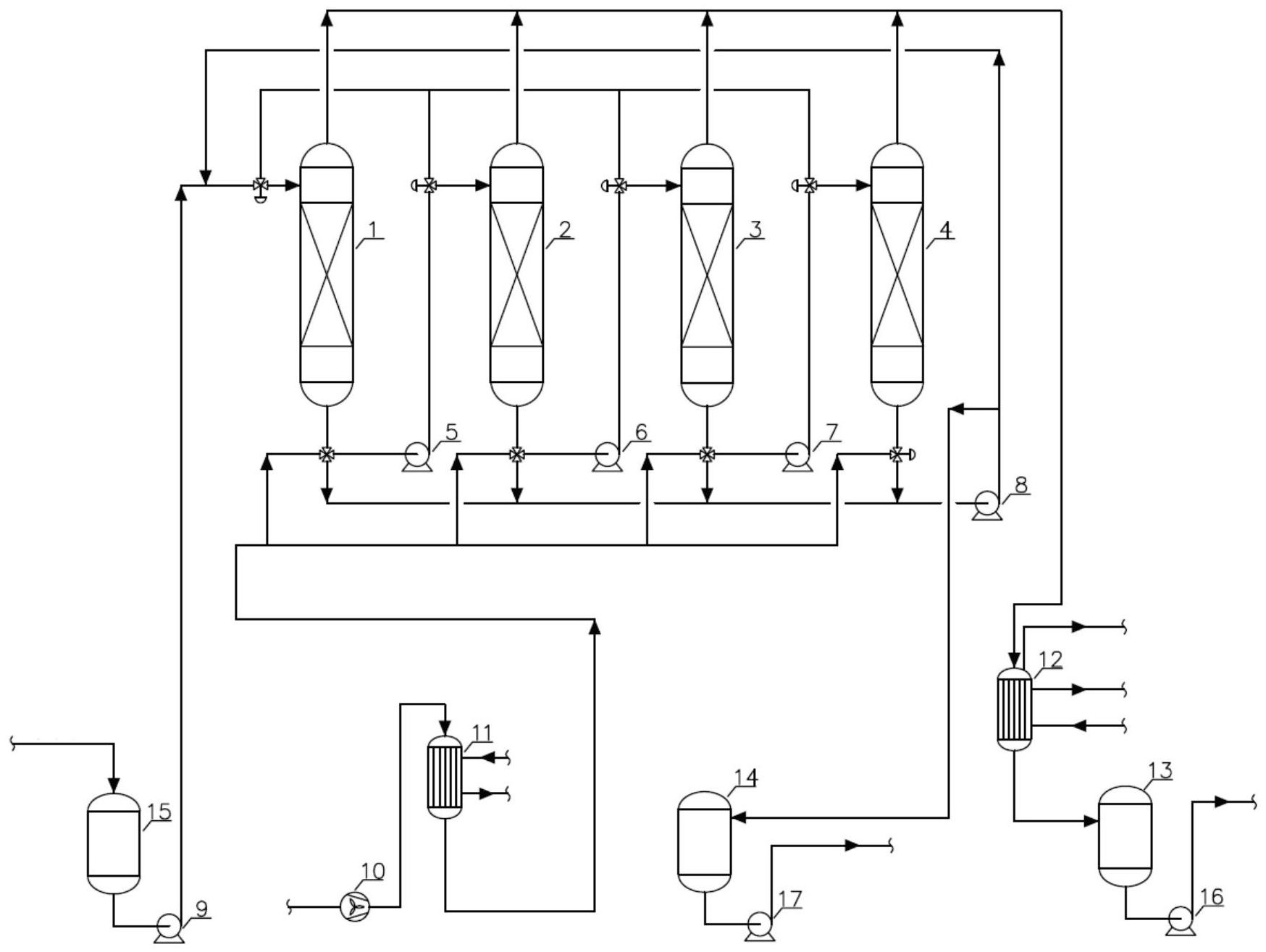
2.一種DMF合成革廢水萃余液的吸附裝置,其特征在于,依次包括用于儲存DMF合成革廢水萃余液的萃余液儲罐(15),與萃余液儲罐(15)連通的吸附單元,以及解析塔(4);所述吸附單元包括多個吸附塔,吸附塔、解析塔(4)底部的出液口通過離心泵四(8)與處理后廢水儲罐(14)連通,吸附塔、解析塔(4)頂部的出氣口與冷凝器(12)連通,冷凝器(12)底部的出液口與DMF儲罐(13)連通。
3.如權利要求2所述的DMF合成革廢水萃余液的吸附裝置,其特征在于,所述吸附單元內每個吸附塔的底部出口設有一四通閥門,上部入口的一側設有一三通閥門,每個四通閥門通過一離心泵與相鄰吸附塔上部的三通閥門連通,各三通閥門相互連通,各四通閥門相互聯通;根據閥門的不同狀態,多個吸附塔呈串聯或并聯聯接。
4.如權利要求2所述的DMF合成革廢水萃余液的吸附裝置,其特征在于,還包括用于將空氣加熱后送入吸附塔、解析塔(4)的鼓風機(10)及用于將空氣鼓入換熱器(11)的鼓風機(10)。
5.如權利要求2所述的DMF合成革廢水萃余液的吸附裝置,其特征在于,所述吸附塔、解析塔(4)內均裝填有椰殼活性炭,椰殼活性炭的粒徑為1~2mm。
發明內容
本發明所要解決的技術問題是:DMF合成革廢水萃取-精餾處理裝置存在著在后期處理時,不能對萃余液中DMF和微量萃取劑氯仿進行有效分離,以及吸附劑不能有效再生的問題。
為了解決上述問題,本發明提供了一種DMF合成革廢水萃余液的吸附方法,所述DMF合成革廢水萃余液經過吸附塔,將其含有的DMF及氯仿轉移到吸附劑中,然后通過解析,將吸附劑中的DMF及氯仿脫附回用。該工藝流程簡單、設備簡化,可實現自動化連續操作。吸附后的廢水中,DMF含量可低至5ppm,氯仿濃度可低至0.3ppm。
本發明還提供了一種DMF合成革廢水萃余液的吸附裝置,其依次包括用于儲存DMF合成革廢水萃余液的萃余液儲罐,與萃余液儲罐連通的吸附單元,以及解析塔;所述吸附單元包括多個吸附塔,吸附塔、解析塔底部的出液口通過離心泵四與處理后廢水儲罐連通,吸附塔、解析塔頂部的出氣口與冷凝器連通,冷凝器底部的出液口與DMF儲罐連通。
優選地,所述吸附單元內每個吸附塔的底部出口設有一四通閥門,上部入口的一側設有一三通閥門,每個四通閥門通過一離心泵與相鄰吸附塔上部的三通閥門連通,各三通閥門相互連通,各四通閥門相互聯通;根據閥門的不同狀態,多個吸附塔呈串聯或并聯聯接。
優選地,還包括用于將空氣加熱后送入吸附塔、解析塔的鼓風機及用于將空氣鼓入換熱器的鼓風機。
優選地,所述吸附塔、解析塔內均裝填有椰殼活性炭,椰殼活性炭的粒徑為1~2mm。椰殼活性炭對DMF的飽和吸附量為53.5mg/g。
吸附操作時,萃余液從吸附塔頂部進入,經吸附介質椰殼活性炭吸附后,從吸附塔底部排出,排出的萃余液再被泵入下一級的吸附塔,進行進一步的吸附,直到吸附后的液體達到排放標準為止。吸附合格的廢水經離心泵輸送入處理后廢水儲罐,不合格的廢水則再一次由離心泵輸送至吸附塔入口,進行進一步吸附處理。吸附介質椰殼活性炭吸附飽和后,需使用熱空氣進行吸附劑再生解析處理。
解析時,熱空氣從解析塔的底部進入,與吸附飽和的椰殼活性炭充分接觸。在高溫氣流作用下,椰殼活性炭中DMF和微量氯仿脫附進入熱空氣。熱空氣中DMF和微量氯仿經冷凝器冷凝析出,進入DMF儲罐,不凝空氣則從冷凝器頂部排出。本吸附裝置中,設置有飽和蒸汽管道,主要用于空氣的加熱,還設置有冷卻水管道,主要用于熱空氣的冷凝。
與傳統生化法處理DMF廢水技術相比,本發明的有益效果是:
1.萃余液經吸附裝置處理后,廢水中DMF含量可低至5ppm,廢水中氯仿濃度可低至0.3ppm,達到國家《污水綜合排放標準》(GB8978-1996)所規定的一級排放標準。
2.吸附裝置操作方便。根據不同工況采用不同吸附模式,并能實現自動控制。
3.可連續操作。在線吸附和解析,可實現連續進料連續出料。
4.處理量大。當吸附塔尺寸達到Φ1600mm×13200mm時,可處理100萬噸/年,DMF含量為20%的合成革廢水。
(發明人:楊磊;牟曉菲;賀磊;唐婷婷;王楊楊;吳萍;陳旭堂;梁坤)






