申請日2013.09.17
公開(公告)日2014.03.19
IPC分類號G08B3/00
摘要
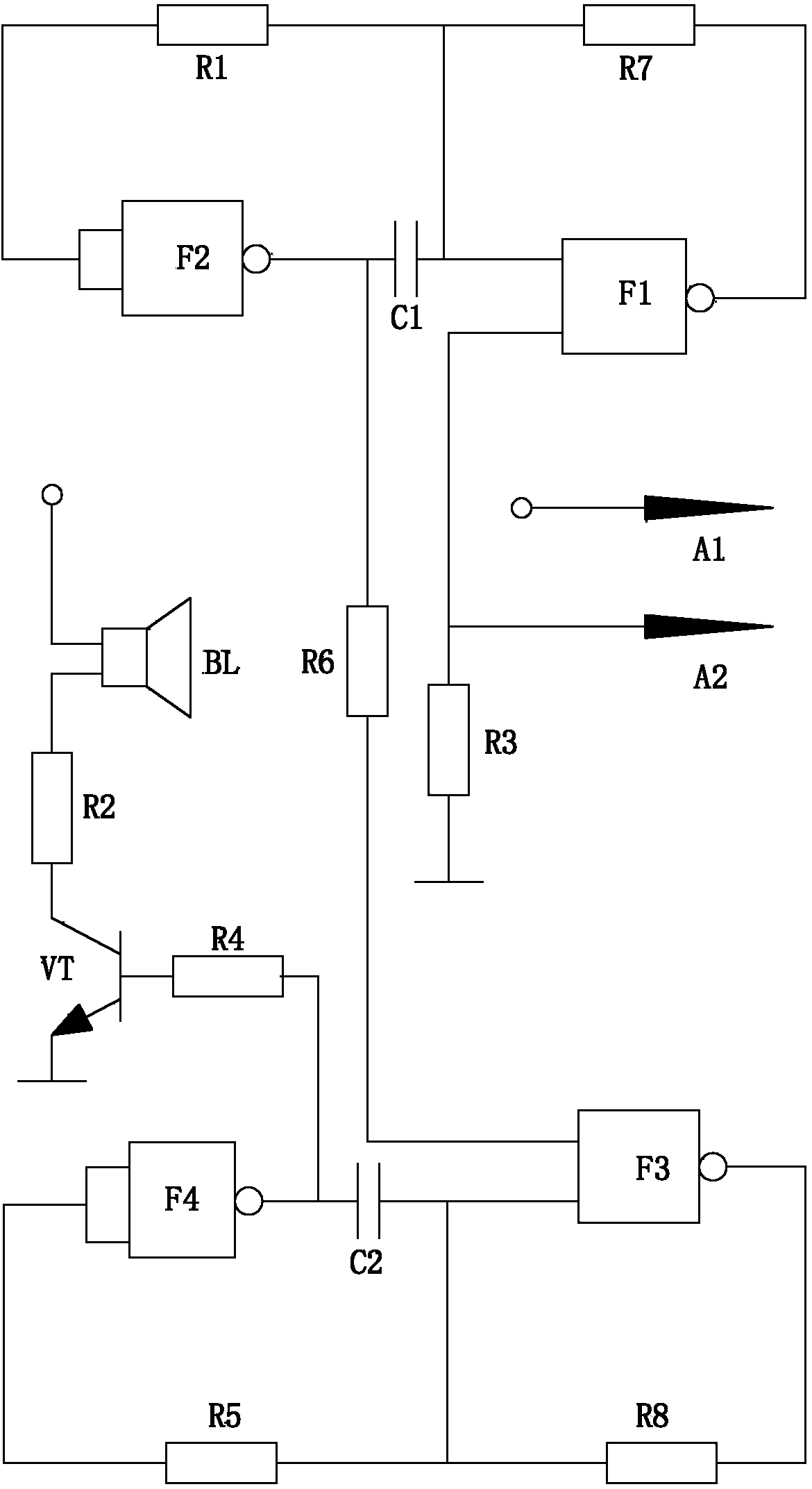
本實用新型公開了一種污水處理池的水流超速報警電路,包括第一電阻至第八電阻、第一電容、第二電容、三極管、報警器、第一探針、第二探針、第一與非門至第四與非門,第一探針接正極電源,第二探針的分別與第三電阻的第一端和第一與非門的第一輸入端連接,第三電阻的第二端接地,第一與非門的輸出端與第七電阻的第一端連接,第七電阻的第二端分別與第一電阻的第一端、第一與非門的第二輸入端和第一電容的第一端連接。本實用新型污水處理池的水流超速報警電路由兩個音頻振蕩器組成,檢測振蕩器由一對遠距離探頭控制,當兩個探頭之間有水流經過時,檢測振蕩器便起振,當振蕩頻率超過一定值時,報警器則發出警報,提示污水處理池內水流過快。
權利要求書
1.一種污水處理池的水流超速報警電路,其特征在于:包括第一電阻至第八電阻、第一電容、第二電容、三極管、報警器、第一探針、第二探針、第一與非門至第四與非門,所述第一探針接正極電源,所述第二探針的分別與第三電阻的第一端和所述第一與非門的第一輸入端連接,第三電阻的第二端接地,所述第一與非門的輸出端與第七電阻的第一端連接,第七電阻的第二端分別與所述第一電阻的第一端、所述第一與非門的第二輸入端和所述第一電容的第一端連接,所述第一電阻的第二端與第二與非門的輸入端連接,第二與非門的輸出端分別與所述第一電容的第二端和第六電阻的第一端連接,第六電阻的第二端與第三與非門的第一輸入端連接,第三與非門的輸出端與所述第八電阻的第一端連接,所述第八電阻的第二端分別與第五電阻的第一端、第三與非門的第二輸出端和所述第二電容的第一端連接,第五電阻的第二端與所述第四與非門的輸入端連接,所述第四與非門的輸出端分別與所述第二電容的第二端和第四電阻的第一端連接,第四電阻的第二端與所述三極管的基極連接,所述三極管的集電極接地,所述三極管的發射極與所述第二電阻的第一端連接,所述第二電阻的第二端與所述報警器的第一端連接,所述報警器的第二端接正極電壓。
說明書
污水處理池的水流超速報警電路
技術領域
本實用新型涉及一種報警電路,尤其涉及一種污水處理池的水流超速報警電路。
背景技術
當今社會對環境的保護越來越重視,各種工業廢水需要經過一系列的處理才能排放到自然環境中,其中對工業廢水的處理必須使污水流進污水處理池。在污水處理池內進行沉淀、凈化、消毒等工作,因此廢水的水流速度需要保證在一定流速以下,如果水流太快,則不能對工業廢水進行徹底的處理。
實用新型內容
本實用新型的目的就在于為了解決上述問題而提供一種污水處理池的水流超速報警電路。
本實用新型通過以下技術方案來實現上述目的:
一種污水處理池的水流超速報警電路,包括第一電阻至第八電阻、第一電容、第二電容、三極管、報警器、第一探針、第二探針、第一與非門至第四與非門,所述第一探針接正極電源,所述第二探針的分別與第三電阻的第一端和所述第一與非門的第一輸入端連接,第三電阻的第二端接地,所述第一與非門的輸出端與第七電阻的第一端連接,第七電阻的第二端分別與所述第一電阻的第一端、所述第一與非門的第二輸入端和所述第一電容的第一端連接,所述第一電阻的第二端與第二與非門的輸入端連接,第二與非門的輸出端分別與所述第一電容的第二端和第六電阻的第一端連接,第六電阻的第二端與第三與非門的第一輸入端連接,第三與非門的輸出端與所述第八電阻的第一端連接,所述第八電阻的第二端分別與第五電阻的第一端、第三與非門的第二輸出端和所述 第二電容的第一端連接,第五電阻的第二端與所述第四與非門的輸入端連接,所述第四與非門的輸出端分別與所述第二電容的第二端和第四電阻的第一端連接,第四電阻的第二端與所述三極管的基極連接,所述三極管的集電極接地,所述三極管的發射極與所述第二電阻的第一端連接,所述第二電阻的第二端與所述報警器的第一端連接,所述報警器的第二端接正極電壓。
本實用新型的有益效果在于:
本實用新型污水處理池的水流超速報警電路由兩個音頻振蕩器組成,檢測振蕩器由一對遠距離探頭控制,當兩個探頭之間有水流經過時,檢測振蕩器便起振,當振蕩頻率超過一定值時,報警器則發出警報,提示污水處理池內水流過快。







