公布日:2023.03.07
申請日:2021.09.03
分類號:C25C1/12(2006.01)I;C22B23/00(2006.01)I;C22B7/00(2006.01)I;C22B15/00(2006.01)I;C22B19/20(2006.01)I;C22B19/30(2006.01)I;C22B26/22(2006.01)I;
C22B34/32(2006.01)I
摘要
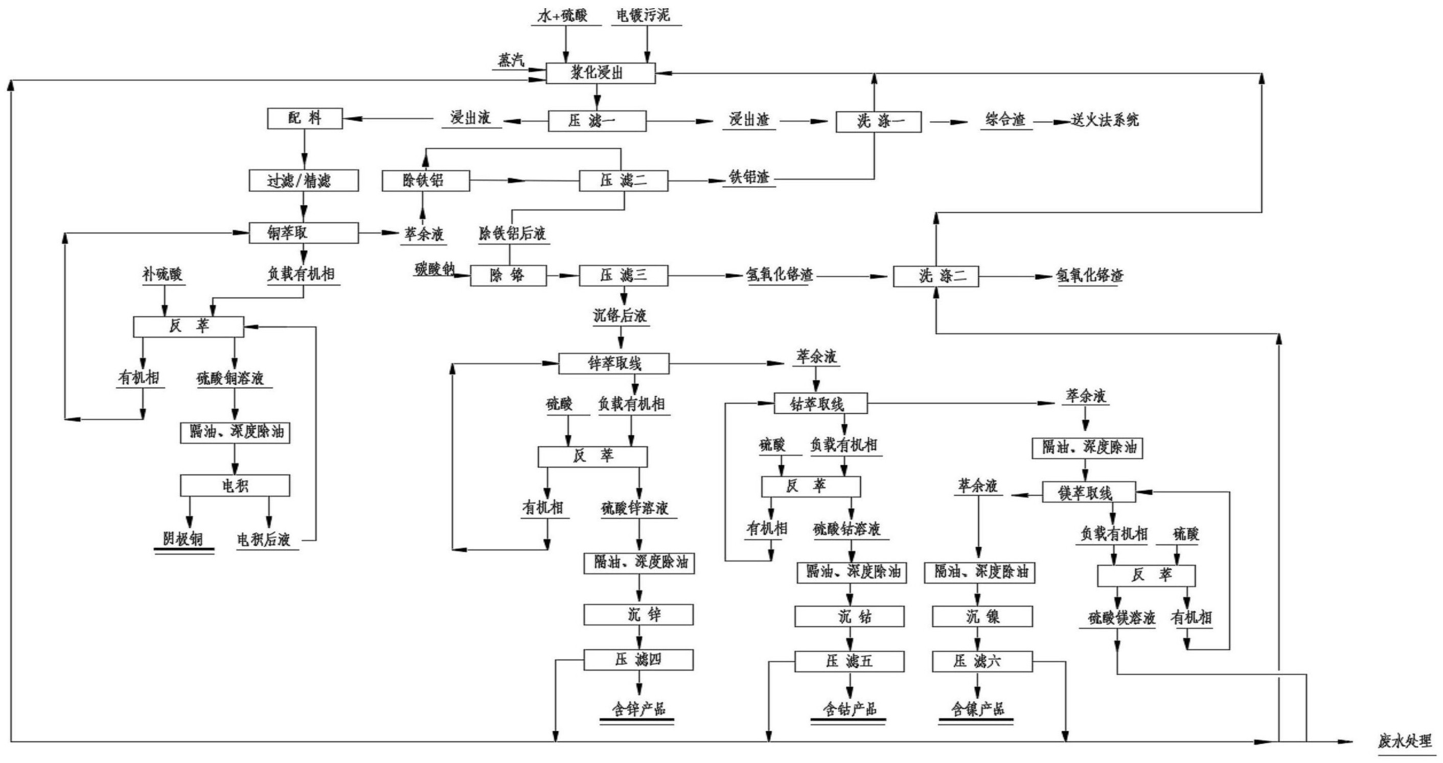
本發明涉及一種全濕法電鍍污泥處理工藝,屬于電鍍污泥處理技術領域。本發明提供的一種全濕法電鍍污泥處理工藝,包括漿化工序、浸出工序、配料工序、銅電積工序、除雜工序、萃取工序和合成干燥工序。其中,配料工序設有配料槽;除雜工序包括除鐵、除鋁、除鉻;萃取工序包括銅萃取線、鋅萃取線、鈷萃取線、鎂萃取線;合成干燥工序包括沉淀、固液分離、壓濾、干燥、打包。本發明工藝具有流程靈活,可控、可調,有價金屬綜合回收率高(>90%),產品多樣化等優點。

權利要求書
1.一種全濕法電鍍污泥處理工藝,其特征在于,包括以下步驟:S1:漿化:向電鍍污泥原料中加入濃度為1.5-2.5mol/L的稀硫酸,攪拌混合得到漿化液;S2:浸出:漿化后,加入水調節所述漿化液pH為2.5~3.0,在溫度80~85℃下,攪拌浸出1~3h,過濾得到浸出液和浸出渣;S3:配料:調整所述浸出液中金屬離子濃度,其中,Cu2+濃度為10~15g/L,Ni2+濃度>15g/L,Co離子濃度為3~5g/L;S4:銅萃取電積:配料后的浸出液進行過濾和精濾操作后濾液采用銅萃取劑進行萃取得到富銅液,富銅液進行銅電積進行銅回收;S5:兩步除雜:先將銅電積后萃余液采用先采用氫氧化鈉后采用純堿調節pH為3.2-3.8,通入空氣氧化反應1.5~2.5h,過濾除去其中的鐵和鋁;然后先采用氫氧化鈉后采用純堿調節除鐵鋁后液的pH為4.8-5.2,攪拌反應0.5~2h使得溶液中鉻以Cr(OH)3形式沉淀進行鉻回收;S6:鋅鈷鎳回收:將除雜后液采用鋅萃取劑進行鋅萃取得到硫酸鋅溶液,鋅萃余液采用鈷萃萃取劑進行鈷萃取得到硫酸鈷溶液,鈷萃余液采用鎂萃取液進行鎂萃取得到硫酸鎂溶液,鎂萃余液進行鎳回收。
2.根據權利要求1所述一種全濕法電鍍污泥處理工藝,其特征在于,在所述S6之后還包括:S7:金屬離子固態化:對所述硫酸鋅溶液、所述硫酸鈷溶液和所述鎂萃余液各自獨立地進行固態化操作得到金屬硫酸鹽產品、金屬氫氧化物產品或者金屬碳酸鹽產品。
3.根據權利要求2所述一種全濕法電鍍污泥處理工藝,其特征在于,所述金屬硫酸鹽產品的制備工藝為采用”三效蒸發”蒸發結晶,所述金屬硫酸鹽產品為硫酸鋅、硫酸鈷和硫酸鎳中任一種。
4.根據權利要求2所述一種全濕法電鍍污泥處理工藝,其特征在于,所述金屬氫氧化物產品的制備為先采用氫氧化鈉后采用純堿調節溶液pH值7~10后進行過濾干燥,所述金屬氫氧化物選自氫氧化鋅、氫氧化鈷和氫氧化鎳中任一種。
5.根據權利要求2所述一種全濕法電鍍污泥處理工藝,其特征在于,所述金屬碳酸鹽產品為先采用氫氧化鈉后采用純堿調節溶液pH為7.0后過濾干燥,所述金屬碳酸鹽產品選自碳酸鋅、碳酸鈷和碳酸鎳中任一種。
6.根據權利要求4或5所述一種全濕法電鍍污泥處理工藝,其特征在于,其中的干燥選自回轉窯干燥、蒸汽干燥和熱風爐干燥;所述回轉窯干燥、熱風爐干燥所用燃料包括柴油、天然氣、重油。
7.根據權利要求1所述一種全濕法電鍍污泥處理工藝,其特征在于,S1中電鍍污泥和稀硫酸之間的液固比為3~5:1,優選地,所述固液比為4:1。
8.根據權利要求1所述一種全濕法電鍍污泥處理工藝,其特征在于,S2中浸出渣的處理還包括對浸出渣進行洗滌和干燥后進行無害化處理。
9.根據權利要求1所述一種全濕法電鍍污泥處理工藝,其特征在于,S4所述銅萃取劑為N902,該萃取劑的萃取工序包括依次進行的采用2級萃取、1級洗滌和2級反萃,萃取條件:相比O/A=1.4:1,反萃相比O/A:1.7,混合時間3min,反萃劑為電積后液,成分Cu-35g/L,H2SO4-180g/L。和/或所述銅電積工藝采用Pb-Ca-Sn不溶陽極和陰極不銹鋼電積工藝,電積工藝參數:電流密度310A/m2,電流效率90%,陰極周期5~7天,同極距100mm。
10.根據權利要求1所述一種全濕法電鍍污泥處理工藝,其特征在于,S6所述鋅萃取劑為P204或者P507,所述鋅萃取工藝包括萃取、洗滌和反萃得到硫酸鋅溶液,鋅萃取總級數為30級;和/或,S6所述鈷萃取劑為P507;所述鈷萃取工藝包括萃取、洗滌和反萃得到硫酸鈷溶液,鈷萃取總級數為35級;和/或所述鎂萃取劑為P507或N290,所述鎂萃取工藝包括萃取、洗滌和反萃得到硫酸鎂溶液,由泵送至廢水站,鎂萃取總級數為20級。
發明內容
針對現有技術的不足之處,本發明提供了一種全濕法電鍍污泥處理工藝及方法,該工藝采用全濕法工藝,采用稀硫酸在特定pH和溫度進行漿化浸出,該浸出方法對有害金屬Fe的浸出率低于10%,對于有價金屬(Cu、Zn、Ni、Co)的浸出率高于90%,配合依次進行的除雜和多級萃取工藝實現有價金屬綜合回收率高的優點。
本發明是通過如下技術方案實現的:
一種全濕法電鍍污泥處理工藝,包括以下步驟:
S1:漿化:向電鍍污泥原料中加入濃度為1.5-2.5mol/L的稀硫酸,攪拌混合得到漿化液;
所述的電鍍污泥原料屬于金屬電鍍廠產出的混合污泥,總鎳含量8~10%,總銅7~12%,總鈷0.3~0.5%,總鋅~2%,總氟<0.1%,總氯<1%,總鐵<10%,總鎂<0.3%,不含氰化物、金銀鎘等,含量含水量約50~60%;
S2:浸出:漿化后,加入水調節所述漿化液pH為2.5~3.0,在溫度80~85℃下,攪拌浸出1~3h,過濾得到浸出液和浸出渣;
原料中主要金屬成分的浸出反應通式為:
xMe(OH)2+yH2SO4→Mex(SO4)y+(x+y)H2O
S3:配料:調整所述浸出液中金屬離子濃度,其中,Cu2+濃度為10~15g/L,Ni2+濃度>15g/L,Co離子濃度為3~5g/L;
S4:銅萃取電積:配料后的浸出液進行過濾和精濾操作后濾液采用銅萃取劑進行萃取得到富銅液,富銅液進行銅電積進行銅回收;
S5:兩步除雜:先將銅電積后萃余液采用先采用氫氧化鈉后采用純堿調節pH為3.2-3.8,通入空氣氧化反應1.5~2.5h,過濾除去其中的鐵和鋁;然后先采用氫氧化鈉后采用純堿調節除鐵鋁后液的pH為4.8-5.2,攪拌反應0.5~2h使得溶液中鉻以Cr(OH)3形式沉淀進行鉻回收;
主要化學反應有:
4Fe2++O2+2H2O=4Fe3++4OH-
Fe3++3H2O=3H++Fe(OH)3↓
Al3++3H2O=3H++Al(OH)3↓
Gr3++3H2O=3H++Gr(OH)3↓
上述除雜工藝對鐵鋁的脫除率達95%以上,所得到的Cr(OH)3沉淀干燥至含水量為5%,即可作為中間品進行銷售。
S6:鋅鈷鎂鎳萃取:將除雜后液采用鋅萃取劑進行鋅萃取得到硫酸鋅溶液,鋅萃余液采用鈷萃萃取劑進行鈷萃取得到硫酸鈷溶液,鈷萃余液采用鎂萃取液進行鎂萃取得到硫酸鎂溶液、鎂萃余液進行鎳回收。
經過S6的萃取工序得到較純凈硫酸鋅、硫酸鈷、硫酸鎳溶液。根據市場需求和產品行情,本發明進一步地,在所述S6之后還包括:
S7:金屬離子固態化:對所述硫酸鋅溶液、所述硫酸鈷溶液和所述硫酸鎂溶液各自獨立地進行固態化操作得到金屬硫酸鹽產品、金屬氫氧化物產品或者金屬碳酸鹽產品。
進一步地,所述金屬硫酸鹽產品的制備工藝為”三效蒸發”蒸發結晶,所述金屬硫酸鹽產品為硫酸鋅、硫酸鈷和硫酸鎳中任一種。
進一步地,所述金屬氫氧化物產品的制備為先采用氫氧化鈉后采用純堿調節溶液pH值7~10后進行過濾干燥,所述金屬氫氧化物選自氫氧化鋅、氫氧化鈷和氫氧化鎳中任一種。
進一步地,所述金屬碳酸鹽產品為先采用氫氧化鈉后采用純堿調節溶液pH為7.0后過濾干燥,所述金屬碳酸鹽產品選自碳酸鋅、碳酸鈷和碳酸鎳中任一種。
進一步地,其中的干燥選自回轉窯干燥、蒸汽干燥和熱風爐干燥;所述回轉窯干燥、熱風爐干燥所用燃料包括柴油、天然氣、重油。
進一步地,S1中電鍍污泥和稀硫酸之間的液固比為3~5:1,優選地,所述固液比為4:1。
進一步地,S2中浸出渣的處理還包括對浸出渣進行洗滌和干燥后進行無害化處理。
進一步地,S4所述銅萃取劑為N902,該萃取劑的萃取工序包括依次進行的采用2級萃取、1級洗滌和2級反萃,萃取條件:相比O/A=1.4:1,反萃相比O/A:1.7,混合時間3min,反萃劑為電積后液,成分Cu-35g/L,H2SO4-180g/L。
經萃取得到富銅液(CuSO4),泵送銅電積工序。可采用不溶陽極+陰極不銹鋼電積工藝。所述銅電積工藝采用不溶陽極和陰極不銹鋼電積工藝。所述銅電積工藝采用Pb-Ca-Sn不溶陽極和陰極不銹鋼電積工藝,電積工藝參數:電流密度310A/m2,電流效率90%,陰極周期5~7天,同極距100mm。
進一步地,S6所述鋅萃取劑為P204或者P507,所述鋅萃取工藝包括萃取、洗滌和反萃得到硫酸鋅溶液,鋅萃取總級數為30級,30級是指30個“萃取、洗滌和反萃”;
和/或,S6所述鈷萃取劑為P507;所述鈷萃取工藝包括萃取、洗滌和反萃得到硫酸鈷溶液,鈷萃取總級數為35級;
和/或所述鎂萃取劑為P507或N290,所述鎂萃取工藝包括萃取、洗滌和反萃得到硫酸鎂溶液,由泵送至廢水站,鎂萃取總級數為20級。
與現有技術相比,本發明的有益效果是:根據原料成分(含Cu、Fe、Al、Mg、Zn、Ni、Co、Gr)可控制和調整浸出工序終點pH值、溫度、液固比,使其Fe雜質保持低浸出率(8~10%),而有價金屬(Cu、Zn、Ni、Co)保持高浸出率(>90%);
本發明能夠靈活的得到不同有價金屬(Cu、Zn、Ni、Co)的硫酸鹽,該硫酸鹽產品可根據市場需求和產品行情,選擇不同“合成”工藝,得到金屬硫酸鹽產品或金屬氫氧化物產品或金屬碳酸鹽產品,實現產品多樣化。
整個工藝流程靈活可控、可調,有價金屬綜合回收率高,產品多樣化,避免了火法工藝處理的煙氣回收難、煙氣污染、煙塵成分復雜、有價金屬綜合回收率低等缺點。
(發明人:陳燕杰)






