公開(公告)日2015.02.04
IPC分類號C02F1/14; C02F9/10
摘要
本發明涉及一種基于槽式聚光太陽能的油田污水處理系統,包括槽式聚光鏡場、集熱管、污水處理系統;其中,待加熱的吸熱介質從集熱管的入口進入集熱管,實時跟蹤太陽的槽式聚光鏡場將所采集的太陽光聚焦到集熱管上,吸熱介質在集熱管內流動并不斷地被加熱,最后變成高溫吸熱介質并從集熱管的出口流出,高溫吸熱介質進入吸熱介質-水換熱器與水換熱所得到的蒸汽進入污水處理系統進行污水處理過程。本發明的基于槽式聚光太陽能的油田污水處理系統利用聚光太陽能產生污水處理所需的蒸汽,帶有儲熱系統時可實現太陽落山后持續產蒸汽,運行時間長,同時還能與常規燃料互補運行,污水處理過程效率高,系統具有節能環保無污染的特點。
權利要求書
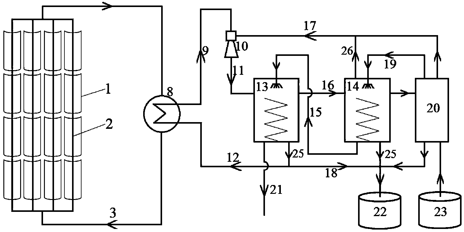
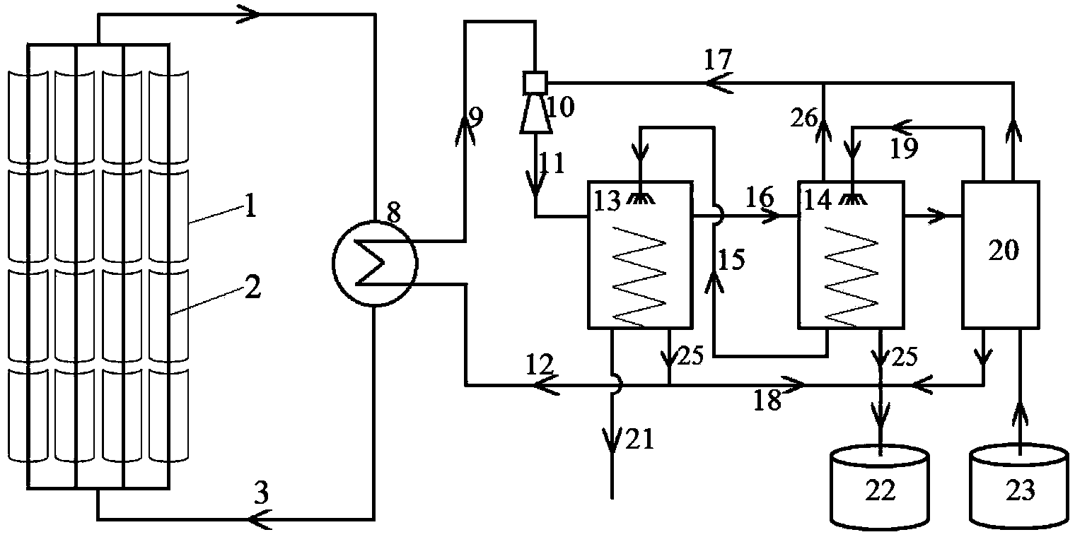
1.一種基于槽式聚光太陽能的油田污水處理系統,其特征在于,包括:槽式聚 光鏡場(1)、集熱管(2)、熱力蒸汽壓縮器(10)、第一蒸發器組(13)、第二蒸發 器組(14)、冷凝器(20)、淡水罐(22)、污水罐(23);所述第一蒸發器組(13) 或第二蒸發器組(14)內包括多個蒸發器;其中,
淡水(12)從所述集熱管(2)的入口進入集熱管(2),實時跟蹤太陽的槽式聚 光鏡場(1)將所采集的太陽光聚焦到集熱管(2)上,淡水(12)在所述集熱管(2) 內流動并不斷地被加熱,最后變成生蒸汽(9)從集熱管(2)的出口流出;所述生 蒸汽(9)首先流入所述熱力蒸汽壓縮器(10),熱力蒸汽壓縮器(10)以生蒸汽(9) 為動力,將從第一蒸發器組(13)、第二蒸發器組(14)中的一個或多個蒸發器或者 冷凝器(20)中抽出的低壓蒸汽(17)壓縮,使其壓力有一定的升高,產生加壓后 的蒸汽(11)并輸入至第一蒸發器組(13)內;
來自污水罐(23)的油田污水經預處理后通過泵進入冷凝器(20)中預熱、脫 氣,加入阻垢劑后變為污水(19),污水(19)經噴嘴被均勻分布到第二蒸發器組(14) 的頂排管上,然后沿頂排管以薄膜形式向下流動,部分污水沿蒸發器間污水管道(15) 進入第一蒸發器組(13)內,在第一蒸發器組(13)內沿頂排管以薄膜形式向下流 動;來自熱力蒸汽壓縮器(10)的加壓后的蒸汽(11)首先進入第一蒸發器組(13) 內,并在第一蒸發器組(13)的蒸發管內冷凝成淡水(25),這些淡水一部分流入淡 水匯集管(18),另一部分為淡水(12)進入集熱管(2)循環加熱;第一蒸發器組 (13)內的部分污水吸收第一蒸發器組(13)的蒸發管內的冷凝蒸汽的潛熱而蒸發, 產生的再生蒸汽(16)進入第二蒸發器組(14)的蒸發管內并在管內冷凝成淡水(25), 淡水(25)流入淡水匯集管(18),同時第二蒸發器組(14)內的部分污水吸收管內 冷凝蒸汽的潛熱而蒸發,產生的部分再生蒸汽進入冷凝器(20)內;再生蒸汽在冷 凝器(20)內對來自污水罐(23)的油田污水進行預熱、脫氣,冷凝器(20)內的 凝結水流入淡水匯集管(18)內,淡水匯集管(18)將淡水儲存到淡水罐(22)中, 未蒸發的污水在第一蒸發器組(13)內流出成為濃污水(21)排放。
2.根據權利要求1所述的基于槽式聚光太陽能的油田污水處理系統,其特征在 于,還包括輔助鍋爐(24),所述輔助鍋爐(24)位于傳輸生蒸汽(9)的管路上, 用于生成生蒸汽(9)或對已有的生蒸汽(9)做進一步的加熱。
3.根據權利要求1或2所述的基于槽式聚光太陽能的油田污水處理系統,其特 征在于,所述淡水罐(22)和污水罐(23)各有一個或多個。
4.根據權利要求1或2所述的基于槽式聚光太陽能的油田污水處理系統,其特 征在于,所述第一蒸發器組(13)或第二蒸發器組(14)中的蒸發器為水平管降膜 蒸發器或垂直管降膜蒸發器;所述第一蒸發器組(13)中的各個蒸發器較第二蒸發 器組(14)中的各個蒸發器具有更高的運行溫度,且所述第一蒸發器組(13)中的 各個蒸發器較第二蒸發器組(14)中的各個蒸發器具有更高的運行壓力;單個蒸發 器組中的各個蒸發器具有相同的運行溫度和運行壓力。
5.根據權利要求1或2所述的基于槽式聚光太陽能的油田污水處理系統,其特 征在于,該系統還包括:吸熱介質-水換熱器(8);其中,
吸熱介質(3)從集熱管(2)的入口進入集熱管(2),實時跟蹤太陽的槽式聚 光鏡場(1)將所采集的太陽光聚焦到集熱管(2)上,所述吸熱介質(3)在集熱管 (2)內保持流動并不斷地被加熱,處于高溫狀態的吸熱介質(3)從集熱管(2)的 出口流出;處于高溫狀態的吸熱介質(3)進入吸熱介質-水換熱器(8),與淡水(12) 進行換熱,從而產生生蒸汽(9);換熱后的吸熱介質(3)又變回低溫狀態,從吸熱 介質-水換熱器(8)返回到槽式聚光鏡場(1)和集熱管(2)進行循環;
所述生蒸汽(9)先流入所述熱力蒸汽壓縮器(10),熱力蒸汽壓縮器(10)以 生蒸汽(9)為動力,將從第一蒸發器組(13)、第二蒸發器組(14)中的一個或多 個蒸發器或者冷凝器(20)中抽出的低壓蒸汽(17)壓縮,使其壓力有一定的升高, 產生加壓后的蒸汽(11)并輸入至第一蒸發器組(13)內;
來自污水罐(23)的油田污水經預處理后通過泵進入冷凝器(20)中預熱、脫 氣,加入阻垢劑后變為污水(19),污水(19)經噴嘴被均勻分布到第二蒸發器組(14) 的頂排管上,然后沿頂排管以薄膜形式向下流動,部分污水沿蒸發器間污水管道(15) 進入第一蒸發器組(13)內,同樣在第一蒸發器組(13)內沿頂排管以薄膜形式向 下流動;來自熱力蒸汽壓縮器(10)的加壓后的蒸汽(11)首先進入第一蒸發器組 (13)內,并在第一蒸發器組(13)的蒸發管內冷凝成淡水(25),其中淡水(25) 的一部分淡水(12)返回吸熱介質-水換熱器(8)內進行循環以產生生蒸汽(9),另 一部分淡水流入淡水匯集管(18);第一蒸發器組(13)內的部分污水吸收第一蒸發 器組(13)的蒸發管內的冷凝蒸汽的潛熱而蒸發,產生的再生蒸汽(16)進入第二 蒸發器組(14)的蒸發管內并在管內冷凝成淡水(25),淡水(25)流入淡水匯集管 (18),同時第二蒸發器組(14)內的部分污水吸收管內冷凝蒸汽的潛熱而蒸發,產 生的部分再生蒸汽進入冷凝器(20)內;再生蒸汽在冷凝器(20)內對來自污水罐 (23)的油田污水進行預熱、脫氣,冷凝器(20)內的凝結水流入淡水匯集管(18) 內,淡水匯集管(18)將淡水儲存到淡水罐(22)中,未蒸發的污水在第一蒸發器 (13)內流出成為濃污水(21)排放。
6.根據權利要求5所述的基于槽式聚光太陽能的油田污水處理系統,其特征在 于,所述吸熱介質-水換熱器(8)的吸熱介質流量與水流量均能通過調節閥或變頻泵 調節,進而調節吸熱介質-水換熱器(8)出口的生蒸汽(9)的參數。
7.根據權利要求5所述的基于槽式聚光太陽能的油田污水處理系統,其特征在 于,該系統還包括吸熱介質-儲熱介質換熱器(4)、高溫儲熱罐(5)、低溫儲熱罐(6); 其中,
處于低溫狀態的吸熱介質(3)從集熱管(2)的入口進入集熱管(2),實時跟 蹤太陽的槽式聚光鏡場(1)將所采集的太陽光聚焦到集熱管(2)上,吸熱介質(3) 在集熱管(2)內流動并不斷地被加熱,處于高溫狀態的吸熱介質(3)從集熱管(2) 的出口流出;處于高溫狀態的吸熱介質(3)一方面直接進入吸熱介質-水換熱器(8), 在該吸熱介質-水換熱器(8)中與淡水(12)換熱,從而產生生蒸汽(9),該生蒸汽 (9)進入熱力蒸汽壓縮器(10)并進行后續污水處理過程,換熱后的吸熱介質(3) 又變回低溫狀態,從吸熱介質-水換熱器(8)返回到集熱管(2)進行循環;另一方 面,被加熱的吸熱介質(3)進入吸熱介質-儲熱介質換熱器(4),與來自低溫儲熱罐 (6)的儲熱介質(7)進行換熱,儲熱介質(7)被加熱后進入高溫儲熱罐(5)進 行儲熱,參與換熱的吸熱介質(3)返回集熱管(2)進行循環,當太陽落山后,來 自高溫儲熱罐(5)的處于高溫狀態的儲熱介質(7)與處于低溫狀態的吸熱介質(3) 通過吸熱介質-儲熱介質換熱器(4)換熱,產生處于高溫狀態的吸熱介質(3),該處 于高溫狀態的吸熱介質(3)再進入吸熱介質-水換熱器(8)與水(12)進行換熱, 產生生蒸汽(9)進入熱力蒸汽壓縮器(10)并進行后續污水處理過程。
8.根據權利要求7所述的基于槽式聚光太陽能的油田污水處理系統,其特征在 于,該系統還包括多個蒸發器組,該多個蒸發器組與所述第一蒸發器組(13)、第二 蒸發器組(14)級聯;不同的蒸發器組具有不同的運行溫度和壓力,前一級蒸發器 組的運行溫度和壓力比后一級蒸發器組的運行溫度和壓力高,同一蒸發器組內的蒸 發器具有相同的運行溫度和壓力。
9.根據權利要求7或8所述的基于槽式聚光太陽能的油田污水處理系統,其特 征在于,所述高溫儲熱罐(5)和低溫儲熱罐(6)各有一個或多個。
說明書
基于槽式聚光太陽能的油田污水處理系統
技術領域
本發明涉及油田污水處理領域,特別涉及一種基于槽式聚光太陽能的油田污水 處理系統。
背景技術
我國油田大多數為注水開發油田,隨著油田開發進入高含水期開采階段后,油 田采出液中的含水率高達70%,有的甚至超出90%,出現了產液量大,含油污水量 大,注水量大和能耗高的“三大一高”情況。油田中現有的聯合站、中轉站超負荷 運轉,處理水質難以達標,導致污水回注地層壓力增大,能耗增高。嚴重時導致回 注工藝的失敗,直接影響了油田穩產、高產目標的實現。另外,由于采出液含水量 的增加,處理后的污水不能全部回注地層,大量含油污水需處理達標后方能排放。 據統計,每生產1t原油就要產生3.5t水,或者說大概注入4.5t水才能換出1t原油, 隨著更多油田進入開采的中、后期,含水率還將不斷上升,將產生更多的污水,同 時也必須向地層注入更多的水。
油田注水開發帶來了兩大問題:一是注入水的水源問題,人們希望得到能提供 供水量大而穩定的水源,油田注水開發初期注水水源是通過開采淺層地下水或地表 水來解決,過量開采清水會引起局部地層水位下降,影響生態環境;二是原油含水 量不斷上升,含油污水量越來越大,污水的排放和處理是個大問題,大量含油污水 不合理排放會引起受納水體的潛移性侵害,污染生態環境。因此,對油田污水深度 處理及回用,不僅是保護環境的迫切需要,而且已成為油田生產的當務之急。
目前,各油田的污水處理技術的針對性較強,而且處理技術的效果均不理想, 國內外油田常用的污水處理方法可大致分為三類:物理法、化學法和生物法。傳統 的工藝、技術和設備因處理效率低,工程投資大、處理成本高,既不能滿足排水水 質指標,也不能達到油田污水處理的需要,更不能達到采出水回注地層的水質要求。
發明內容
本發明的目的在于克服現有技術中效率低、能耗大、成本高的缺陷,從而提供 一種基于槽式聚光太陽能的油田污水處理系統。
為了實現上述目的,本發明提供了一種基于槽式聚光太陽能的油田污水處理系 統,包括:槽式聚光鏡場1、集熱管2、熱力蒸汽壓縮器10、第一蒸發器組13、第 二蒸發器組14、冷凝器20、淡水罐22、污水罐23;所述第一蒸發器組13或第二蒸 發器組14內包括多個蒸發器;其中,
淡水12從所述集熱管2的入口進入集熱管2,實時跟蹤太陽的槽式聚光鏡場1 將所采集的太陽光聚焦到集熱管2上,淡水12在所述集熱管2內流動并不斷地被加 熱,最后變成生蒸汽9從集熱管2的出口流出;所述生蒸汽9首先流入所述熱力蒸 汽壓縮器10,熱力蒸汽壓縮器10以生蒸汽9為動力,將從第一蒸發器組13、第二 蒸發器組14中的一個或多個蒸發器或者冷凝器20中抽出的低壓蒸汽17壓縮,使其 壓力有一定的升高,產生加壓后的蒸汽11并輸入至第一蒸發器組13內;
來自污水罐23的油田污水經預處理后通過泵進入冷凝器20中預熱、脫氣,加 入阻垢劑后變為污水19,污水19經噴嘴被均勻分布到第二蒸發器組14的頂排管上, 然后沿頂排管以薄膜形式向下流動,部分污水沿蒸發器間污水管道15進入第一蒸發 器組13內,在第一蒸發器組13內沿頂排管以薄膜形式向下流動;來自熱力蒸汽壓 縮器10的加壓后的蒸汽11首先進入第一蒸發器組13內,并在第一蒸發器組13的 蒸發管內冷凝成淡水25,這些淡水流入淡水匯集管18;第一蒸發器組13內的部分 污水吸收第一蒸發器組13的蒸發管內的冷凝蒸汽的潛熱而蒸發,產生的再生蒸汽16 進入第二蒸發器組14的蒸發管內并在管內冷凝成淡水25,淡水25流入淡水匯集管 18,同時第二蒸發器組14內的部分污水吸收管內冷凝蒸汽的潛熱而蒸發,產生的部 分再生蒸汽進入冷凝器20內;再生蒸汽在冷凝器20內對來自污水罐23的油田污水 進行預熱、脫氣,冷凝器20內的凝結水流入淡水匯集管18內,淡水匯集管18將淡 水儲存到淡水罐22中,未蒸發的污水在第一蒸發器13內流出成為濃污水21排放。
上述技術方案中,還包括輔助鍋爐24,所述輔助鍋爐24位于傳輸生蒸汽9的管 路上,用于生成生蒸汽9或對已有的生蒸汽9做進一步的加熱。
上述技術方案中,所述淡水罐22和污水罐23各有一個或多個。
上述技術方案中,所述第一蒸發器組13或第二蒸發器組14中的蒸發器為水平 管降膜蒸發器或垂直管降膜蒸發器;所述第一蒸發器組13中的各個蒸發器較第二蒸 發器組14中的各個蒸發器具有更高的運行溫度,且所述第一蒸發器組13中的各個 蒸發器較第二蒸發器組14中的各個蒸發器具有更高的運行壓力;單個蒸發器組中的 各個蒸發器具有相同的運行溫度和運行壓力。
上述技術方案中,該系統還包括:吸熱介質-水換熱器8;其中,
吸熱介質3從集熱管2的入口進入集熱管2,實時跟蹤太陽的槽式聚光鏡場1將 所采集的太陽光聚焦到集熱管2上,所述吸熱介質3在集熱管2內保持流動并不斷 地被加熱,處于高溫狀態的吸熱介質3從集熱管2的出口流出;處于高溫狀態的吸 熱介質3進入吸熱介質-水換熱器8,與淡水12進行換熱,從而產生生蒸汽9;換熱 后的吸熱介質3又變回低溫狀態,從吸熱介質-水換熱器8返回到槽式聚光鏡場1和 集熱管2進行循環;
所述生蒸汽9先流入所述熱力蒸汽壓縮器10,熱力蒸汽壓縮器10以生蒸汽9為 動力,將從第一蒸發器組13、第二蒸發器組14中的一個或多個蒸發器或者冷凝器 20中抽出的低壓蒸汽17壓縮,使其壓力有一定的升高,產生加壓后的蒸汽11并輸 入至第一蒸發器組13內;
來自污水罐23的油田污水經預處理后通過泵進入冷凝器20中預熱、脫氣,加 入阻垢劑后變為污水19,污水19經噴嘴被均勻分布到第二蒸發器組14的頂排管上, 然后沿頂排管以薄膜形式向下流動,部分污水沿蒸發器間污水管道15進入第一蒸發 器組13內,同樣在第一蒸發器組13內沿頂排管以薄膜形式向下流動;來自熱力蒸 汽壓縮器10的加壓后的蒸汽11首先進入第一蒸發器組13內,并在第一蒸發器組13 的蒸發管內冷凝成淡水25,其中淡水25的一部分淡水12返回吸熱介質-水換熱器8 內進行循環以產生生蒸汽9,另一部分淡水流入淡水匯集管18;第一蒸發器組13內 的部分污水吸收第一蒸發器組13的蒸發管內的冷凝蒸汽的潛熱而蒸發,產生的再生 蒸汽16進入第二蒸發器組14的蒸發管內并在管內冷凝成淡水25,淡水25流入淡水 匯集管18,同時第二蒸發器組14內的部分污水吸收管內冷凝蒸汽的潛熱而蒸發,產 生的部分再生蒸汽進入冷凝器20內;再生蒸汽在冷凝器20內對來自污水罐23的油 田污水進行預熱、脫氣,冷凝器20內的凝結水流入淡水匯集管18內,淡水匯集管 18將淡水儲存到淡水罐22中,未蒸發的污水在第一蒸發器13內流出成為濃污水21 排放。
上述技術方案中,所述吸熱介質-水換熱器8的吸熱介質流量與水流量均能通過 調節閥或變頻泵調節,進而調節吸熱介質-水換熱器8出口的生蒸汽9的參數。
上述技術方案中,該系統還包括吸熱介質-儲熱介質換熱器4、高溫儲熱罐5、低 溫儲熱罐6;其中,
處于低溫狀態的吸熱介質3從集熱管2的入口進入集熱管2,實時跟蹤太陽的槽 式聚光鏡場1將所采集的太陽光聚焦到集熱管2上,吸熱介質3在集熱管2內流動 并不斷地被加熱,處于高溫狀態的吸熱介質3從集熱管2的出口流出;處于高溫狀 態的吸熱介質3一方面直接進入吸熱介質-水換熱器8,在該吸熱介質-水換熱器8中 與淡水12換熱,從而產生生蒸汽9,該生蒸汽9進入熱力蒸汽壓縮器10并進行后續 污水處理過程,換熱后的吸熱介質3又變回低溫狀態,從吸熱介質-水換熱器8返回 到集熱管2進行循環;另一方面,被加熱的吸熱介質3進入吸熱介質-儲熱介質換熱 器4,與來自低溫儲熱罐6的儲熱介質7進行換熱,儲熱介質7被加熱后進入高溫儲 熱罐5進行儲熱,參與換熱的吸熱介質3返回集熱管2進行循環,當太陽落山后, 來自高溫儲熱罐5的處于高溫狀態的儲熱介質7與處于低溫狀態的吸熱介質3通過 吸熱介質-儲熱介質換熱器4換熱,產生處于高溫狀態的吸熱介質3,該處于高溫狀 態的吸熱介質3再進入吸熱介質-水換熱器8與水12進行換熱,產生生蒸汽9進入熱 力蒸汽壓縮器10并進行后續污水處理過程。
上述技術方案中,該系統還包括多個蒸發器組,該多個蒸發器組與所述第一蒸 發器組13、第二蒸發器組14級聯;不同的蒸發器組具有不同的運行溫度和壓力,前 一級蒸發器組的運行溫度和壓力比后一級蒸發器組的運行溫度和壓力高,同一蒸發 器組內的蒸發器具有相同的運行溫度和壓力。
上述技術方案中,所述高溫儲熱罐5和低溫儲熱罐6各有一個或多個。
本發明的優點在于:
本發明的基于槽式聚光太陽能的油田污水處理系統利用太陽能產生油田污水處 理所需的蒸汽,帶有儲熱系統時可實現太陽落山后持續產蒸汽,運行時間長,具有 節能環保無污染的特點,同時還能與常規燃料互補運行。







