申請日2016.05.12
公開(公告)日2016.12.07
IPC分類號F24H1/20; F24H9/20
摘要
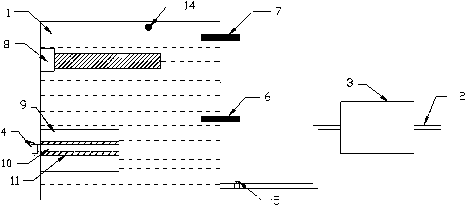
本實用新型公開了一種用于生活飲用水處理的防凍裝置,包括儲水箱、凈化器和水龍頭,進水管上設有凈化器,進水管的一端固定連接儲水箱,儲水箱的一側設有下液位計和上液位計,水龍頭的頂端并在儲水箱上設有溫度尺,溫度尺的底端設有滑動鈕,儲水箱內固定設有加熱器,加熱器的頂端并在儲水箱上設有溫度感應器,隔水箱內固定設有出水管,出水管的外壁上套有若干個加熱環;本實用新型的結構簡單,造價低廉,且實用性強,通過滑動鈕選擇溫度尺上的溫度值,控制加熱環工作的個數,從而使水龍頭流出相應溫度的水,通過設有的溫度感應器,控制加熱器加熱,可以調節水的溫度,供人直接使用,可以有效的防止水結冰,有利于人們的生活。
權利要求書
1.一種用于生活飲用水處理的防凍裝置,包括儲水箱(1)、進水管(2)、凈化器(3)和水龍頭(4),其特征在于,所述進水管(2)上設有所述凈化器(3),所述凈化器(3)的一側并在所述進水管(2)上設有水電磁閥(5),所述進水管(2)的一端固定連接所述儲水箱(1),所述儲水箱(1)的一側設有下液位計(6)和上液位計(7),所述儲水箱(1)的另一側設有所述水龍頭(4),所述水龍頭(4)的頂端并在所述儲水箱(1)上設有溫度尺(12),所述溫度尺(12)的底端設有滑動鈕(13),所述儲水箱(1)內固定設有加熱器(8),所述加熱器(8)的頂端并在所述儲水箱(1)上設有溫度感應器(14),所述加熱器(8)的底端并在所述儲水箱(1)的內壁上設有隔水箱(9),所述隔水箱(9)內固定設有出水管(10),且所述出水管(10)與所述儲水箱(1)連通,所述出水管(10)的外壁上套有若干個加熱環(11)。
2.根據權利要求1所述的一種用于生活飲用水處理的防凍裝置,其特征在于,所述上液位計(7)在水平方向上高于所述加熱器(8)的位置,所述下液位計(6)在水平方向上高于所述隔水箱(9)的位置。
3.根據權利要求1所述的一種用于生活飲用水處理的防凍裝置,其特征在于,所述滑動鈕(13)電性連接所述加熱環(11),所述溫度感應器(14)電性連接所述加熱器(8)。
4.根據權利要求1所述的一種用于生活飲用水處理的防凍裝置,其特征在于,所述儲水箱(1)由不銹鋼材料制成。
5.根據權利要求1所述的一種用于生活飲用水處理的防凍裝置,其特征在于,所述水龍頭(4)固定連接所述出水管(10)。
說明書
一種用于生活飲用水處理的防凍裝置
技術領域
本實用新型涉及一種用于生活飲用水處理的裝置,特別涉及一種用于生活飲用水處理的防凍裝置,屬于生活水處理設備領域。
背景技術
生活飲用水(drinking water)是指符合生活飲用水衛生標準的用于日常飲用、洗滌的水。生活飲用水的三個條件:1、沒有污染;2、沒有退化(充滿生命活力的水);3、符合人體生理需要(含有人體相近的有益礦質元素,Ph值呈弱堿性的水)。
現在大多數生活飲用水是通過凈化器將自來水或相當于自來水的水源凈化成可直接飲用的純凈水,但是,這樣的裝置不能提供熱水,在寒冬來臨時,水很容易上凍結冰,且水的溫度低,需要加熱后才能使用,給人們的生活帶來了不便。
實用新型內容
本實用新型提出了一種用于生活飲用水處理的防凍裝置,解決了現有技術的不能直接提供熱水、水容易上凍和水溫低不能直接使用的問題,通過滑動鈕選擇溫度尺上的溫度值,控制出水管上加熱環工作的個數,從而使水龍頭流出相應溫度的水,通過設有的溫度感應器,可以感應水的溫度,當溫度低于0℃時,加熱器加熱,當水的溫度達到10℃時,溫度傳感器控制加熱器停止加熱,通過設有的上液位計、下液位計和水電磁閥,可以控制儲水箱中的水量,可以調節水的溫度,供人直接使用,可以有效的防止水結冰,有利于人們的生活。
為了解決上述技術問題,本實用新型提供了如下的技術方案:
本實用新型一種用于生活飲用水處理的防凍裝置,包括儲水箱、進水管、凈化器和水龍頭,所述進水管上設有所述凈化器,所述凈化器的一側并在所述進水 管上設有水電磁閥,所述進水管的一端固定連接所述儲水箱,所述儲水箱的一側設有下液位計和上液位計,所述儲水箱的另一側設有所述水龍頭,所述水龍頭的頂端并在所述儲水箱上設有溫度尺,所述溫度尺的底端設有滑動鈕,所述儲水箱內固定設有加熱器,所述加熱器的頂端并在所述儲水箱上設有溫度感應器,所述加熱器的底端并在所述儲水箱的內壁上設有隔水箱,所述隔水箱內固定設有出水管,且所述出水管與所述儲水箱連通,所述出水管的外壁上套有若干個加熱環。
作為本實用新型的一種優選技術方案,所述上液位計在水平方向上高于所述加熱器的位置,所述下液位計在水平方向上高于所述隔水箱的位置。
作為本實用新型的一種優選技術方案,所述滑動鈕電性連接所述加熱環,所述溫度感應器電性連接所述加熱器。
作為本實用新型的一種優選技術方案,所述儲水箱由不銹鋼材料制成。
作為本實用新型的一種優選技術方案,所述水龍頭固定連接所述出水管。
本實用新型所達到的有益效果是:本實用新型的結構簡單,造價低廉,且實用性強,通過滑動鈕選擇溫度尺上的溫度值,控制出水管上加熱環工作的個數,從而使水龍頭流出相應溫度的水,通過設有的溫度感應器,可以感應水的溫度,當溫度低于0℃時,加熱器加熱,當水的溫度達到10℃時,溫度傳感器控制加熱器停止加熱,通過設有的上液位計、下液位計和水電磁閥,可以控制儲水箱中的水量,可以調節水的溫度,供人直接使用,可以有效的防止水結冰,有利于人們的生活。



