申請日2017.10.02
公開(公告)日2018.01.09
IPC分類號B01D36/02
摘要
本發明涉及污水處理技術領域,尤其涉及綜合性工業污水凈化處理設備,包括有粗過濾設備、過濾閥和精過濾設備。粗過濾設備的出水接口端連接于過濾閥的進水口;過濾閥的出水口連通于精過濾設備的進水口;精過濾設備的另一端設置有排水口。粗過濾設備通過結構上的改進,具有凈化高效性、可靠性、適用性、方便操控的優點,從而有效的解決了現有裝置中存在的問題和不足。過濾閥通過結構上的改進,具有方便快捷、便于清洗和更換的優點,從而有效的解決了現有裝置中存在的問題和不足。精過濾設備通過結構上的改進,具有能良好的將污水中的沙石和淤泥濾出,保證污水處理質量的優點,從而有效的解決了現有裝置中存在的問題和不足。
權利要求書
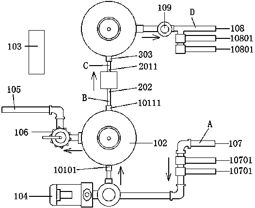
1.綜合性工業污水凈化處理設備,其特征在于,包括有粗過濾設備(I)、過濾閥(II)和精過濾設備(III);
粗過濾設備(I)中,包括有過濾器(102)和水泵(104),水泵(104)的泵出水口處通過管道與過濾器(102)的進水接口端(1010)相連接;水泵(104)的泵進水口處通過管道連接有主進水口(107);主進水口(107)處并列設置有多個副進水口(10701),且副進水口(10701)通過三通管與主進水口(107)管道相連接;過濾器(102)左側通過管道設置有排污口(105),排污口(105)的底側設有排污收集箱,排污口(105)和過濾器(102)之間的管道上設有控制閥(106);過濾器(102)的出水接口端(1011)連接于過濾閥(II)的進水口(202);
過濾閥(II)中,包括有閥體(204),閥體(204)的頂端部位設置有閥蓋(206),閥體(204)與閥蓋(206)通過螺絲擰接方式相連接,且閥蓋(206)的頂端部位設置有第一提手(2014);閥體(204)的底端設置有底座(2017),底座(2017)的內部設置有排水管(205);閥體(204)的左側上部設置有進水口(202),進水口(202)的內部設置有第一閥腔(201),閥腔(201)的右側設置有第一過濾層(207);第一過濾層(207)的頂端兩側設置有契合緣(2013)、上部設置有第二提手(2015);第一過濾層(207)的內部設置有第二過濾層(209),第二過濾層(209)的左側設置有吸附柱(208);第一過濾層(207)的下側設置有濾水口(203)和接口(2010);閥體(204)的右側設置有出水口(2011),出水口(2011)的內部設置有第二閥腔(2012),第二閥腔(2012)的左側設置有排水管(205);閥體(204)的出水口(2011)連通于精過濾設備(III)的進水口(303);
精過濾設備(III)中,包括有塔體(301),塔體(301)的底端四角設置有通過焊接方式支撐腿(305);塔體(301)的一側外壁下部設置有帶有進水閥(304)的進水口(303),一側外壁上部設置有帶有出水閥(308)的出水口(307);塔體(301)的底端中間部位設置有帶有排污閥(3010)的排污口(3011);塔體(301)的內部一側設置有反就室(302),另一側設置有蜂窩管(309);蜂窩管(309)與反就室(302)之間設置有擋板(306);出水口(307)設置有投藥器(109),投藥器(109)的另一端設置有排水口(108)。
2.根據權利要求1所述的綜合性工業污水凈化處理設備,其特征在于:過濾器(102)的頂側設置有密封蓋(1012),且密封蓋(1012)通過螺栓與過濾器(102)的頂部相連接;過濾器(102)一側的上方設置有進水口(1010),且進水口(1010)通過嵌入方式與過濾器(102)相連接;過濾器(102)一側的下方設置有出水口(1011),且出水口(1011)通過嵌入方式與過濾器(102)相連接;過濾器(102)內部下方設置有礫石(10204),且礫石(10204)通過過濾器(102)下方的支撐與過濾器(102)相連接;礫石(10204)上方設置有玻璃顆粒介質層(10203),且玻璃顆粒介質層(10203)通過貼合方式與礫石(10204)相連接;玻璃顆粒介質層(10203)上方設置有麥飯石(10202),且麥飯石(10202)通過貼合方式與玻璃顆粒介質層(10203)相連接;麥飯石(10202)上方設置有石英砂(10201),且石英砂(10201)通過貼合方式與麥飯石(10202)相連接;過濾器(102)的底端設置有底座(1013),且底座(1013)通過螺栓與過濾器(102)相連接。
3.根據權利要求1所述的綜合性工業污水凈化處理設備,其特征在于:所述主進水口(107)與副進水口(10701)的前端均設有初步過濾網。
4.根據權利要求1所述的綜合性工業污水凈化處理設備,其特征在于:所述石英砂(10201)、麥飯石(10202)、玻璃顆粒介質層(10203)和礫石(10204)由上至下呈堆疊式設置;所述石英砂(10201)的直徑為0.5-1mm,麥飯石(10202)的直徑為1-2mm;玻璃顆粒介質層(10203)的直徑為2-3mm,礫石(10204)的直徑為3-4mm。
5.根據權利要求1所述的綜合性工業污水凈化處理設備,其特征在于:所述濾水口(203)為鏤空式且內部呈圓形凹起式;第一過濾層(207)為圓柱狀設置,且外壁呈豎條狀均布;吸附柱(208)呈圓柱狀設置,且外壁呈孔狀均布。
6.根據權利要求1所述的綜合性工業污水凈化處理設備,其特征在于:所述閥蓋(206)為分層式結構且為拆卸式設置;所述第二提手(2015)為提拉式且為左右調節式設置。
7.根據權利要求1所述的綜合性工業污水凈化處理設備,其特征在于:所述蜂窩管(309)在塔體(301)呈縱向方式設置,且蜂窩管(309)為傾斜狀排列設置;所述反就室(302)及蜂窩管(309)通過擋板(306)相配合為反向溢流沉淀過濾裝置。
8.根據權利要求1所述的綜合性工業污水凈化處理設備,其特征在于:所述塔體(301)呈圓柱狀設置,且塔體(301)與支撐腿(305)為固定聯接;所述擋板(306)為縱向方式設置于塔體(301)的內部中間部位。
說明書
綜合性工業污水凈化處理設備
技術領域
本發明涉及污水處理技術領域,尤其涉及綜合性工業污水凈化處理設備。
背景技術
污水中通常不僅含有重金屬離子、廢酸、廢堿等化學廢料,大多污水中通常含有淤泥與細沙及沙土,傳統的過濾方法無法將完全將淤泥與細沙及沙土濾出,而流入下一步廢水處理裝置中,從而造成廢水處理機構的內部損傷,影響廢水處理的質量。
污水凈化處理設備是利用一種或幾種過濾介質,在一定的壓力下把濁度較高的水通過一定厚度的粒狀或非粒材料,從而有效的除去懸浮雜質使水澄清的過程,常用的濾料有石英砂,無煙煤,錳砂等,主要用于水處理除濁,軟化水,純水的前級預處理等,出水濁度可達3度以下。污水處理被廣泛應用于建筑、農業,交通、能源、石化、環保、城市景觀、醫療、餐飲等各個領域,目前城市生活污水排放已是中國城市水的主要污染源,城市生活污水處理是當前和今后城市節水和城市水環境保護工作的重中之重,這就要求我們要把處理生活污水設施的建設作為城市基礎設施的重要內容來抓;另外,隨著我國工業化的發展,在一些電鍍、冶金、化工、制革、電解等企業事業單位,其產生的含有較多的如含鎘、鎳、汞、鋅等,重金屬污水也已經成為污染最嚴重和對人類危害最大的工業廢水之一。
發明內容
本發明的目的在于提供一種綜合性工業污水凈化處理設備,以解決上述背景技術中提出的凈化不徹底、安裝費用高、結構復雜、占用空間的問題和不足。
綜合性工業污水凈化處理設備,包括有粗過濾設備、過濾閥和精過濾設備。
粗過濾設備中,包括有過濾器和水泵,水泵的泵出水口處通過管道與過濾器的進水接口端相連接;水泵的泵進水口處通過管道連接有主進水口;主進水口處并列設置有多個副進水口,且副進水口通過三通管與主進水口管道相連接;過濾器左側通過管道設置有排污口,排污口的底側設有排污收集箱,排污口和過濾器之間的管道上設有控制閥;過濾器的出水接口端連接于過濾閥的進水口。
過濾閥中,包括有閥體,閥體的頂端部位設置有閥蓋,閥體與閥蓋通過螺絲擰接方式相連接,且閥蓋的頂端部位設置有第一提手;閥體的底端設置有底座,底座的內部設置有排水管;閥體的左側上部設置有進水口,進水口的內部設置有第一閥腔,閥腔的右側設置有第一過濾層;第一過濾層的頂端兩側設置有契合緣、上部設置有第二提手;第一過濾層的內部設置有第二過濾層,第二過濾層的左側設置有吸附柱;第一過濾層的下側設置有濾水口和接口;閥體的右側設置有出水口,出水口的內部設置有第二閥腔,第二閥腔的左側設置有排水管;閥體的出水口連通于精過濾設備的進水口。
精過濾設備中,包括有塔體,塔體的底端四角設置有通過焊接方式支撐腿;塔體的一側外壁下部設置有帶有進水閥的進水口,一側外壁上部設置有帶有出水閥的出水口;塔體的底端中間部位設置有帶有排污閥的排污口;塔體的內部一側設置有反就室,另一側設置有蜂窩管;蜂窩管與反就室之間設置有擋板;出水口設置有投藥器,投藥器的另一端設置有排水口。
一、粗過濾設備與現有技術相比具有下列優點:(1)通過石英砂、麥飯石、玻璃顆粒介質層、礫石的設置,有利于泳池內的水能夠充分的過濾,使過濾后的水更純凈、更優質。(2)通過進水口與出水口的另一端各設置有水管的設置,有利于泳池內的水能夠均勻的與過濾器內的過濾裝置完全過濾。(3)通過地埋式的設置,有利于裝置的實用性,且不占空間。
通過結構上的改進,具有凈化高效性、可靠性、適用性、方便操控的優點,從而有效的解決了現有裝置中存在的問題和不足。
二、過濾閥與現有技術相比具有下列優點:(1)濾水口為鏤空式設置,且濾水口的內部呈圓形凹起式的設置,有利于水的再次過濾,達到預期的過濾效果。(2)閥蓋為分層式結構,且閥蓋為拆卸式的設置,有利于方便操作,減少操作時間、提高工作效率。(3)第一過濾層為圓柱狀設置,且第一過濾層的外壁呈豎條狀均布的設置,有利于提高水的過濾程度,使濾水流動時及時得到過濾。(4)第二提手為提拉式設置,且第二提手為左右調節式設置。
通過結構上的改進,具有方便快捷、便于清洗和更換的優點,從而有效的解決了現有裝置中存在的問題和不足。
三、精過濾設備與現有技術相比具有下列優點:(1)蜂窩管在塔體呈縱向方式的設置,且蜂窩管為傾斜狀排列設置,有利于污水中的淤泥及沙土的沉淀過濾。(2)塔體呈圓錐狀的設置,且塔體與支撐腿為固定聯接,有利于對淤泥與沙石的排出,及塔體底端的支撐與擺放。(3)反就室及蜂窩管通過擋板相配合為反向溢流沉淀過濾裝置的設置,有利于將污水中的沙石沉淀于塔體的底部。
通過結構上的改進,具有能良好的將污水中的沙石和淤泥濾出,保證污水處理質量的優點,從而有效的解決了現有裝置中存在的問題和不足。



