公布日:2023.05.09
申請日:2022.12.30
分類號:C02F9/00(2023.01)I;C02F1/00(2023.01)N;C02F1/44(2023.01)N;C02F1/50(2023.01)N
摘要
本發明提供一種移動公廁污水快速處理技術,屬于污水處理技術領域,該移動公廁污水快速處理技術包括第一移動公廁、第二移動公廁和第三移動公廁,第一移動公廁、第二移動公廁和第三移動公廁內污水通過儲污結構依次連接有一級過濾組件、二級過濾組件和三級過濾組件,三級過濾組件通過殺菌設備連接至反沖洗結構,反沖洗結構由沖洗水儲罐和沖洗水泵組成,沖洗水儲罐連接于殺菌設備上,沖洗水儲罐通過沖洗水泵與第一移動公廁、第二移動公廁和第三移動公廁連通,整個污水快速處理系統運行簡便,能耗低,對在野外工作,不斷變換工作環境的情況,適應能力強。

權利要求書
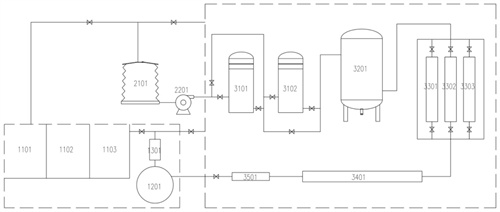
1.一種移動公廁污水快速處理技術,其特征在于:包括第一移動公廁(1101)、第二移動公廁(1102)和第三移動公廁(1103),所述第一移動公廁(1101)、第二移動公廁(1102)和第三移動公廁(1103)內污水通過儲污結構依次連接有一級過濾組件、二級過濾組件和三級過濾組件,所述三級過濾組件通過殺菌設備連接至反沖洗結構,所述反沖洗結構由沖洗水儲罐(1201)和沖洗水泵(1301)組成,所述沖洗水儲罐(1201)連接于殺菌設備上,所述沖洗水儲罐(1201)通過沖洗水泵(1301)與第一移動公廁(1101)、第二移動公廁(1102)和第三移動公廁(1103)連通。
2.根據權利要求1所述的移動公廁污水快速處理技術,其特征在于:所述儲污結構由氣囊式污水儲罐(2101)和傳輸水泵(2201)組成,所述氣囊式污水儲罐(2101)連接于第一移動公廁(1101)、第二移動公廁(1102)和第三移動公廁(1103)的排污管上,所述氣囊式污水儲罐(2101)通過傳輸水泵(2201)將污水向一級過濾組件傳輸。
3.根據權利要求2所述的移動公廁污水快速處理技術,其特征在于:所述一級過濾組件由第一袋式過濾器(3101)和第二袋式過濾器(3102)組成,所述第一袋式過濾器(3101)和第二袋式過濾器(3102)連接至傳輸水泵(2201)上。
4.根據權利要求3所述的移動公廁污水快速處理技術,其特征在于:所述二級過濾組件由(3210)組成,所述多介質過濾器(3201)連接于第一袋式過濾器(3101)和第二袋式過濾器(3102)上。
5.根據權利要求4所述的移動公廁污水快速處理技術,其特征在于:所述三級過濾組件由第一超濾過濾器(3301)、第二超濾過濾器(3302)和第三超濾過濾器(3303)構成,所述第一超濾過濾器(3301)、第二超濾過濾器(3302)和第三超濾過濾器(3303)連接于多介質過濾器(3201)上。
6.根據權利要求5所述的移動公廁污水快速處理技術,其特征在于:所述殺菌設備由納濾處理設備(3401)和消毒殺菌設備(3501)組成,所述納濾處理設備(3401)連接于三級過濾組件的末端,所述納濾處理設備(3401)通過消毒殺菌設備(3501)與沖洗水儲罐(1201)連通。
發明內容
本發明的目的在于提供一種移動公廁污水快速處理技術,旨在解決現有技術中存在的問題。
為實現上述目的,本發明提供如下技術方案:
一種移動公廁污水快速處理技術包括第一移動公廁、第二移動公廁和第三移動公廁,所述第一移動公廁、第二移動公廁和第三移動公廁內污水通過儲污結構依次連接有一級過濾組件、二級過濾組件和三級過濾組件,所述三級過濾組件通過殺菌設備連接至反沖洗結構,所述反沖洗結構由沖洗水儲罐和沖洗水泵組成,所述沖洗水儲罐連接于殺菌設備上,所述沖洗水儲罐通過沖洗水泵與第一移動公廁、第二移動公廁和第三移動公廁連通。
優選的,所述儲污結構由氣囊式污水儲罐和傳輸水泵組成,所述氣囊式污水儲罐連接于第一移動公廁、第二移動公廁和第三移動公廁的排污管上,所述氣囊式污水儲罐通過傳輸水泵將污水向一級過濾組件傳輸。
優選的,所述一級過濾組件由第一袋式過濾器和第二袋式過濾器組成,所述第一袋式過濾器和第二袋式過濾器連接至傳輸水泵上。
優選的,所述二級過濾組件由組成,所述多介質過濾器連接于第一袋式過濾器和第二袋式過濾器上。
優選的,所述三級過濾組件由第一超濾過濾器、第二超濾過濾器和第三超濾過濾器構成,所述第一超濾過濾器、第二超濾過濾器和第三超濾過濾器連接于多介質過濾器上。
優選的,所述殺菌設備由納濾處理設備和消毒殺菌設備組成,所述納濾處理設備連接于三級過濾組件的末端,所述納濾處理設備通過消毒殺菌設備與沖洗水儲罐連通。
與現有技術相比,本發明的有益效果是:
本污水快速處理技術,整套設備不需要像現有生物處理系統一樣,設備中大量存留污水,進行生物菌種培養,增加設備重量,野外移動不變,同時需要保持持續水、氣流通,本系統根據折疊氣囊式儲水罐儲存情況,一天或幾天運行一次,每次僅需一小時左右即可完成污水的處理,系統運行簡便,能耗低,對在野外工作,不斷變換工作環境的情況,適應能力強;
第一移動公廁、第二移動公廁和第三移動公廁內的污水由管道輸送至氣囊式污水儲罐中,氣囊式污水儲罐隨著內部液位高度變化進行自動調節,污水由傳輸水泵輸送,先經過一級過濾組件中第一袋式過濾器和第二袋式過濾器處理,把顆粒物,懸浮物被截留在過濾袋內,第一袋式過濾器和第二袋式過濾器根據需要,通過管路與閥門的控制,可以并聯運行,也可串聯運行,再輸送至二級過濾組件中的多介質過濾器中,進一步去除水中的懸浮物和膠體,與二級過濾組件相連的三級過濾組件是多組超濾過濾器,由第一超濾過濾器、第二超濾過濾器和第三超濾過濾器構成,污水中大分子化合物被截留在膜表面,再經過殺菌設備納濾處理設備處理,污水中有害物質被去除干凈,然后經過消毒殺菌設備處理,水中糞大腸桿菌、蛔蟲卵等被殺死,經處理后污水儲存在反沖洗結構內的沖洗水儲罐中,處理后污水可以由沖洗水泵加壓作為沖洗用水、綠化用水和處理系統反沖洗用水,水處理系統反沖洗后污水,輸送至折疊氣囊式污水儲罐中,與移動公廁污水一起進行處理。
(發明人:汪清)






