公布日:2023.12.01
申請日:2023.10.24
分類號:C02F11/13(2019.01)I
摘要
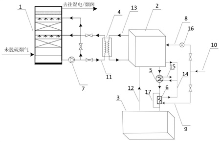
本發明提供一種利用燃煤電站余熱干化污泥的系統及方法,屬于市政污泥干化處理領域,所述系統包括:脫硫塔、漿液換熱器、熱泵機組、驅動熱源管路、干化熱源管路和污泥干化機;所述方法包括:將脫硫塔輸出的循環漿液與熱泵機組輸出的冷卻水進行換熱,獲得具有第一溫度的余熱熱水;將具有第一溫度的余熱熱水返回至熱泵機組,并利用驅動熱源吸收余熱熱水的熱量,以制取具有第二溫度的供熱熱水,第二溫度大于第一溫度;將具有第二溫度的供熱熱水輸送至污泥干化機作為干化熱源,對污泥進行干化處理。通過本發明提供的系統及方法,能夠回收脫硫塔循環漿液余熱參與制取大量中品位熱量作為污泥干化熱源,可有效減少蒸汽消耗量,降低污泥干化運行能耗。

權利要求書
1.一種利用燃煤電站余熱干化污泥的系統,其特征在于,所述系統包括:脫硫塔、漿液換熱器、熱泵機組、驅動熱源管路、干化熱源管路和污泥干化機;脫硫塔和熱泵機組分別與漿液換熱器連接,漿液換熱器用于將脫硫塔輸出的循環漿液與熱泵機組輸出的冷卻水進行換熱,并將換熱后的循環漿液輸送回脫硫塔,以及將換熱后具有第一溫度的余熱熱水輸送回熱泵機組;驅動熱源管路與熱泵機組連接,熱泵機組能夠利用驅動熱源吸收余熱熱水的熱量,以制取具有第二溫度的供熱熱水,其中,驅動熱源的溫度大于第二溫度,第二溫度大于第一溫度;污泥干化機通過干化熱源管路與熱泵機組連接,污泥干化機用于將具有第二溫度的供熱熱水作為干化熱源,對污泥進行干化處理。
2.根據權利要求1所述的利用燃煤電站余熱干化污泥的系統,其特征在于,所述熱泵機組為蒸汽型吸收式熱泵。
3.根據權利要求2所述的利用燃煤電站余熱干化污泥的系統,其特征在于,所述系統還包括:疏水加熱器和疏水匯集管路;疏水匯集管路的一側與熱泵機組連接,疏水匯集管路的另一側與疏水加熱器連接,用于匯集熱泵機組中產生的疏水;疏水加熱器設置在干化熱源管路中,用于回收疏水的熱量對熱泵機組輸出的具有第二溫度的供熱熱水進行加熱處理。
4.根據權利要求2所述的利用燃煤電站余熱干化污泥的系統,其特征在于,所述系統還包括:汽輪機和抽汽管路;汽輪機通過抽汽管路與驅動熱源管路連接,用于向熱泵機組提供驅動熱源。
5.根據權利要求1所述的利用燃煤電站余熱干化污泥的系統,其特征在于,所述系統還包括:設置在干化熱源管路中的加熱單元,所述加熱單元用于對熱泵機組輸出的具有第二溫度的供熱熱水進行加熱處理。
6.根據權利要求5所述的利用燃煤電站余熱干化污泥的系統,其特征在于,所述加熱單元為蒸汽補熱器。
7.根據權利要求1所述的利用燃煤電站余熱干化污泥的系統,其特征在于,所述系統還包括:設置在脫硫塔與漿液換熱器之間的漿液泵。
8.一種利用燃煤電站余熱干化污泥的方法,其特征在于,所述方法通過權利要求1~7中任一項所述的利用燃煤電站余熱干化污泥的系統實現,包括:將脫硫塔輸出的循環漿液與熱泵機組輸出的冷卻水進行換熱,獲得具有第一溫度的余熱熱水;將具有第一溫度的余熱熱水返回至熱泵機組,并利用驅動熱源吸收余熱熱水的熱量,以制取具有第二溫度的供熱熱水,其中,驅動熱源的溫度大于第二溫度,第二溫度大于第一溫度;將具有第二溫度的供熱熱水輸送至污泥干化機作為干化熱源,對污泥進行干化處理。
9.根據權利要求8所述的利用燃煤電站余熱干化污泥的方法,其特征在于,所述方法還包括:在確定第二溫度小于預定干化溫度的情況下,對熱泵機組輸出的具有第二溫度的供熱熱水進行加熱處理。
10.根據權利要求8所述的利用燃煤電站余熱干化污泥的方法,其特征在于,熱泵機組的驅動熱源為蒸汽、熱水、燃油、燃氣、煙氣中的至少一種。
發明內容
針對現有污泥低溫干化技術存在的干化能耗高、低品位熱能回收難度大的技術問題,本發明提供了一種利用燃煤電站余熱干化污泥的系統及方法,采用該系統及方法能夠回收脫硫塔循環漿液余熱參與制取大量中品位熱量作為污泥干化熱源,可以有效減少蒸汽消耗量,降低污泥干化運行能耗。
為實現上述目的,本發明一方面提供了一種利用燃煤電站余熱干化污泥的系統,該系統包括:脫硫塔、漿液換熱器、熱泵機組、驅動熱源管路、干化熱源管路和污泥干化機;脫硫塔和熱泵機組分別與漿液換熱器連接,漿液換熱器用于將脫硫塔輸出的循環漿液與熱泵機組輸出的冷卻水進行換熱,并將換熱后的循環漿液輸送回脫硫塔,以及將換熱后具有第一溫度的余熱熱水輸送回熱泵機組;驅動熱源管路與熱泵機組連接,熱泵機組用于利用驅動熱源吸收余熱熱水的熱量,以制取具有第二溫度的供熱熱水,其中,驅動熱源的溫度大于第二溫度,第二溫度大于第一溫度;污泥干化機通過干化熱源管路與熱泵機組連接,污泥干化機用于將具有第二溫度的供熱熱水作為干化熱源,對污泥進行干化處理。
在本發明的一個示例性實施例中,所述熱泵機組可以為蒸汽型吸收式熱泵。
在本發明的一個示例性實施例中,所述系統還可以包括:疏水加熱器和疏水匯集管路;疏水匯集管路的一側與熱泵機組連接,疏水匯集管路的另一側與疏水加熱器連接,用于匯集熱泵機組中產生的疏水;疏水加熱器設置在干化熱源管路中,用于回收疏水的熱量對熱泵機組輸出的具有第二溫度的供熱熱水進行加熱處理。
在本發明的一個示例性實施例中,所述系統還可以包括:汽輪機和抽汽管路;汽輪機通過抽汽管路與驅動熱源管路連接,用于向熱泵機組提供驅動熱源。
在本發明的一個示例性實施例中,所述系統還可以包括:設置在干化熱源管路中的加熱單元,所述加熱單元用于對熱泵機組輸出的具有第二溫度的供熱熱水進行加熱處理。
在本發明的一個示例性實施例中,所述加熱單元可以為蒸汽補熱器。
在本發明的一個示例性實施例中,所述系統還可以包括:設置在脫硫塔與漿液換熱器之間的漿液泵。
本發明另一方面提供了一種利用燃煤電站余熱干化污泥的方法,所述方法通過上述的系統實現,包括:將脫硫塔輸出的循環漿液與熱泵機組輸出的冷卻水進行換熱,獲得具有第一溫度的余熱熱水;將具有第一溫度的余熱熱水返回至熱泵機組,并利用驅動熱源的熱能吸收余熱熱水的熱量,以制取具有第二溫度的供熱熱水,其中,驅動熱源的溫度大于第二溫度,第二溫度大于第一溫度;將具有第二溫度的供熱熱水輸送至污泥干化機作為干化熱源,對污泥進行干化處理。
在本發明的另一個示例性實施例中,所述方法還可以包括:在確定第二溫度小于預定干化溫度的情況下,對熱泵機組輸出的具有第二溫度的供熱熱水進行加熱處理。
在本發明的另一個示例性實施例中,熱泵機組的驅動熱源可以為蒸汽、熱水、燃油、燃氣、煙氣中的至少一種。
通過本發明提供的技術方案,本發明至少具有如下技術效果:(1)本發明提供的系統及方法采用吸收式熱泵利用高品位蒸汽作為驅動熱源,以濕法脫硫塔內循環漿液的低品位余熱作為低溫熱源,制取溫度約為85℃的中溫熱水作為高含濕污泥的干化熱源,能夠有效降低污泥干化過程中的蒸汽消耗量;(2)本發明提供的系統及方法通過將循環漿液的余熱回收至吸收式熱泵中,并將降溫后的漿液再次進入濕法脫硫塔進行噴淋洗滌凈化煙氣,有助于減少脫硫塔出口的飽和煙氣含濕量,降低濕法脫硫系統的補水量;(3)本發明提供的系統及方法通過疏水加熱器深度利用疏水的熱量進一步提高干化熱源的溫度,實現了對蒸汽疏水的低品位廢熱的有效利用;(4)本發明提供的系統及方法耦合高效利用燃煤機組現有多類型低品位廢熱來提高干化熱源的溫度,能夠有效降低污泥干化過程中的低品位熱能運行成本。
(發明人:滕達;陳鷗;李曉金;王峰;李力;畢冬雪)






