公布日:2023.12.29
申請日:2023.11.27
分類號:C02F11/143(2019.01)I
摘要
本發明公開了一種使用液態二氧化碳進行污泥預處理的系統,包括中壓反應釜、二氧化碳循環回收系統、能量回收系統和低溫液態二氧化碳儲罐,所述中壓反應釜設置為三組,三組所述中壓反應釜的氣體出口固定連通,設有對氣態二氧化碳進行收集再利用的二氧化碳循環收集系統,設有對二氧化碳循環過程中產生的熱量進行回收再利用的能量回收系統。本發明提供了一種使用液態二氧化碳進行污泥預處理的系統及處理方法,利用液態二氧化碳對污泥進行預處理,使用液態二氧化碳處理過的污泥固液分離性好,壓濾的脫水效果優于使用藥劑做預處理的方式,且在處理過程中使用的二氧化碳為綠色無污染,并且可以通過二氧化碳循環收集系統對二氧化碳進行回收再利用。

權利要求書
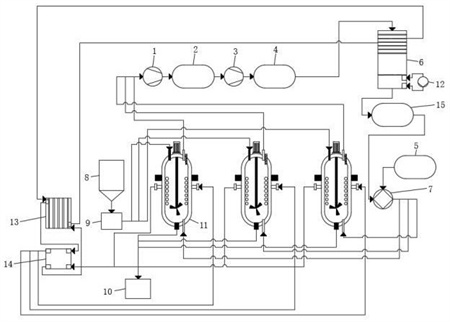
1.一種使用液態二氧化碳進行污泥預處理的系統,其特征在于:包括輸送機構、二氧化碳循環收集系統、中壓反應釜(11)、低溫液態二氧化碳儲罐(5)和待壓濾污泥池(10),所述中壓反應釜(11)設置為三組,所述輸送機構將需要處理的污泥輸送至所述中壓反應釜(11)內部,所述中壓反應釜(11)的氣體出口固定連通有對氣態二氧化碳進行收集再利用的二氧化碳循環收集系統,所述低溫液態二氧化碳儲罐(5)與所述中壓反應釜(11)的液態二氧化碳注入口固定連通,補充二氧化碳在循環過程中產生的損耗,所述中壓反應釜(11)處理完成后的污泥通入待壓濾污泥池(10),等待進入壓濾工段;所述二氧化碳循環收集系統包括第一二氧化碳壓縮機(1)、二氧化碳循環低壓儲罐(2)、第二二氧化碳壓縮機(3)、二氧化碳循環高壓儲罐(4)、多級冷卻模塊(6)、低溫液態泵(7)、冷水機組(12)和循環液態二氧化碳儲罐(15),三組所述中壓反應釜(11)的氣體出口與第一二氧化碳壓縮機(1)固定連通,所述第一二氧化碳壓縮機(1)的一端與二氧化碳循環低壓儲罐(2)固定連通,所述二氧化碳循環低壓儲罐(2)的一端與第二二氧化碳壓縮機(3)固定連通,所述第二二氧化碳壓縮機(3)的一端與二氧化碳循環高壓儲罐(4)固定連通,所述二氧化碳循環高壓儲罐(4)與多級冷卻模塊(6)固定連接,同時多級冷卻模塊(6)對二氧化碳循環高壓儲罐(4)內部收集的高壓氣態二氧化碳進行冷卻,所述多級冷卻模塊(6)最后一級冷卻采用冷水機組(12)冷卻降溫,通過所述多級冷卻模塊(6)冷卻液化后的液態二氧化碳儲存到循環液態二氧化碳儲罐(15)中,所述循環液態二氧化碳儲罐(15)中的二氧化碳通過低溫液態泵(7)輸送至下一個循環的中壓反應釜(11)中,所述低溫液態二氧化碳儲罐(5)與低溫液態泵(7)固定連通;所述中壓反應釜(11)設置為三組,每組所述中壓反應釜(11)污泥預處理時間節拍為2小時,三組所述中壓反應釜(11)同時運行,所述每個中壓反應釜(11)單次預處理過程需2小時,三組中壓反應釜(11)的第一組進行污泥預處理,第二組中壓反應釜(11)注入污泥后進行等待,當第三組中壓反應釜(11)預處理完成出料時,與第二組中壓反應釜(11)進行冷熱交換循環,從而可以回收第三組中壓反應釜(11)內部的余冷,在冷熱交換循環過程中產生的熱量同時提供給第三組中壓反應釜(11)內部進行水合物分解,加速出料。
2.根據權利要求1所述的一種使用液態二氧化碳進行污泥預處理的系統,其特征在于:所述輸送機構對產線中污泥的輸送,輸送機構把泥輸送至污泥原料倉(8),所述污泥原料倉(8)內部儲存有需要預處理的污泥,通過污泥泵(9)將污泥原料倉(8)中的污泥輸送至中壓反應釜(11)內部。
3.根據權利要求2所述的一種使用液態二氧化碳進行污泥預處理的系統,其特征在于:所述中壓反應釜(11)的外部設置有真空絕熱層,所述中壓反應釜(11)內部設置有內盤管,所述中壓反應釜(11)對污泥進行預處理,過程結束后,向內盤管內部通入熱水,加速二氧化碳水合物的分解,縮短出料時間,其中熱水來自于二氧化碳回收系統中的冷卻用水。
4.一種利用如權利要求3所述的使用液態二氧化碳進行污泥預處理的系統的污泥預處理方法,其特征在于:所述一種利用液態二氧化碳進行污泥預處理的系統的處理方法包括以下步驟:步驟一:將待處理的污泥輸送至污泥原料倉(8)內部,污泥原料倉(8)內部的污泥通過污泥泵(9)輸送至中壓反應釜(11)內部;步驟二:向中壓反應釜(11)內部注入液態二氧化碳,同時啟動中壓反應釜(11)的攪拌系統,當中壓反應釜(11)內部壓強到達設定值后,打開中壓反應釜(11)的氣體出口,利用液態二氧化碳的氣化吸熱為中壓反應釜(11)內部的污泥進行降溫,使污泥溫度達到設定值;步驟三:同時二氧化碳循環收集系統開始工作,氣態二氧化碳經過第一二氧化碳壓縮機(1)和第二二氧化碳壓縮機(3)兩級壓縮,收集儲存至循環液態二氧化碳儲罐(15)中,完成二氧化碳回收;步驟四:中壓反應釜(11)溫度達到設定值后,關閉中壓反應釜(11)的氣體出口,同時繼續注入二氧化碳,釜內壓力持續升高,污泥中的水開始形成結合更多的二氧化碳,當中壓反應釜(11)內壓力達到設定值后,停止二氧化碳的注入,污泥中的水開始逐漸形成二氧化碳水合物,待中壓反應釜(11)內部壓力穩定后,標志著中壓反應釜(11)內污泥中的水全部形成了水合物,污泥預處理完成;步驟五:釋放中壓反應釜(11)中的二氧化碳,并收集釋放出的氣態二氧化碳進入到循環系統,處理完成后的污泥排放至待壓濾污泥池(10)中,待進入壓濾工段。
5.根據權利要求4所述的一種使用液態二氧化碳進行污泥預處理的系統的處理方法,其特征在于:所述步驟二中壓反應釜(11)中注入的液態二氧化碳的最高壓力為5.5Mpa。
6.根據權利要求5所述的一種使用液態二氧化碳進行污泥預處理的系統的處理方法,其特征在于:還包括第一熱交換器(13)和第二熱交換器(14),所述第一熱交換器(13)與多級冷卻模塊(6)相互連接,通過熱交換獲取二氧化碳回收過程中產生的熱量,所述第二熱交換器(14)與中壓反應釜(11)的內盤管相連通,給出料過程中的污泥進行加熱,加速二氧化碳水合物的分解,加速污泥出料速度。
發明內容
本發明的目的在于提供一種使用液態二氧化碳進行污泥預處理的系統及處理方法,以解決背景技術中需要解決的問題。
為實現上述目的,本發明提供如下技術方案:一種使用液態二氧化碳進行污泥預處理的系統,包括輸送機構、二氧化碳循環收集系統、中壓反應釜、低溫液態二氧化碳儲罐和待壓濾污泥池,所述中壓反應釜設置為三組,所述輸送機構將需要處理的污泥輸送至所述中壓反應釜內部,所述中壓反應釜的氣體出口固定連通有對氣態二氧化碳進行收集再利用的二氧化碳循環收集系統,所述低溫液態二氧化碳儲罐與所述中壓反應釜的液態二氧化碳注入口固定連通,補充二氧化碳在循環過程中產生的損耗,所述中壓反應釜處理完成后的污泥通入待壓濾污泥池,等待進入壓濾工段。
目前現有的污泥脫水調理技術主要以聚鋁、聚鐵、氯化鐵、聚丙烯酰胺等藥劑提高污泥脫水性能。該方法普遍存在藥耗高、能耗大、效率低等問題,藥劑的添加增加了固液分離后的水和泥的二次污染,增加了分離液的水處理成本。同時含氯藥劑的使用會增加污泥焚燒過程中二噁英生成的風險,污泥脫水處理已成為制約污泥處理工藝中的主要技術瓶頸,本發明設置的輸送機構可以將需要處理的污泥輸送至中壓反應釜的內部,隨后向中壓反應釜中添加液態二氧化碳,同時二氧化碳在一定壓力下開始循環,使得釜內污泥降溫,當溫度達到設定值之后,釜內二氧化碳開始升壓,升壓至設定值后,停止二氧化碳的注入,同時二氧化碳在中壓反應釜的攪拌下與污泥充分混合,從而使污泥中的水充分吸收二氧化碳達到飽和,形成二氧化碳水合物,釜內二氧化碳壓力穩定之后,預處理完成,開始釋放二氧化碳和污泥出料,處理完成后的污泥則可以排放至待壓濾污泥池中,等待進入壓濾工段。處理過程中降溫循環釋放的二氧化碳和單批次預處理結束后中壓反應釜內釋放的二氧化碳經過二氧化碳循環收集系統進行回收處理成為液態二氧化碳,便可循環使用。低溫液態二氧化碳儲罐中儲存的是新的二氧化碳,補充二氧化碳在循環過程中產生的損耗。
優選的,所述二氧化碳循環收集系統包括第一二氧化碳壓縮機、二氧化碳循環低壓儲罐、第二二氧化碳壓縮機、二氧化碳循環高壓儲罐、多級冷卻模塊、低溫液態泵、冷水機組和循環液態二氧化碳儲罐,三組所述中壓反應釜的氣體出口與第一二氧化碳壓縮機固定連通,所述第一二氧化碳壓縮機的一端與二氧化碳循環低壓儲罐固定連通,所述二氧化碳循環低壓儲罐的一端與第二二氧化碳壓縮機固定連通,所述第二二氧化碳壓縮機的一端與二氧化碳循環高壓儲罐固定連通,所述二氧化碳循環高壓儲罐與多級冷卻模塊固定連接,同時多級冷卻模塊對二氧化碳循環高壓儲罐內部收集的高壓氣態二氧化碳進行冷卻,所述多級冷卻模塊最后一級冷卻采用冷水機組冷卻降溫,通過所述多級冷卻模塊冷卻液化后的液態二氧化碳儲存到循環液態二氧化碳儲罐中,所述循環液態二氧化碳儲罐中的二氧化碳通過低溫液態泵輸送至下一個循環的中壓反應釜中,所述低溫液態二氧化碳儲罐與低溫液態泵固定連通,作用是補充二氧化碳在循環過程中產生的損耗。
優選的,所述輸送機構對產線中污泥的輸送,輸送機構把泥輸送至污泥原料倉,所述污泥原料倉內部儲存有需要預處理的污泥,通過所述污泥泵將污泥原料倉中的污泥輸送至中壓反應釜內部。
優選的,所述中壓反應釜的外部設置有真空絕熱層,所述中壓反應釜內部設置有內盤管,所述中壓反應釜對污泥進行預處理,過程結束后,向內盤管內部通入熱水,加速二氧化碳水合物的分解,縮短出料時間,其中熱水來自于二氧化碳回收系統中的冷卻過程。
優選的,一種利用液態二氧化碳進行污泥預處理的處理方法包括以下步驟:
步驟一:將待處理的污泥輸送至污泥原料倉內部,污泥原料倉內部的污泥通過污泥泵輸送至中壓反應釜內部;
步驟二:向中壓反應釜內部注入液態二氧化碳,同時啟動中壓反應釜的攪拌系統,當中壓反應釜內部壓強到達設定值后,打開中壓反應釜的氣體出口,利用液態二氧化碳的氣化吸熱為中壓反應釜內部的污泥進行降溫,使污泥溫度達到設定值;
步驟三:同時二氧化碳循環收集系統開始工作,氣態二氧化碳經過第一二氧化碳壓縮機和第二二氧化碳壓縮機兩級壓縮,收集儲存至循環液態二氧化碳儲罐中,完成二氧化碳回收;
步驟四:中壓反應釜溫度達到設定值后,關閉中壓反應釜的氣體出口,同時繼續注入二氧化碳,釜內壓力持續升高,污泥中的水開始形成結合更多的二氧化碳,當中壓反應釜內壓力達到設定值后,停止二氧化碳的注入,污泥中的水開始逐漸形成二氧化碳水合物,待中壓反應釜內部壓力穩定后,標志著中壓反應釜內污泥中的水全部形成了水合物,污泥預處理完成。
步驟五:釋放中壓反應釜中的二氧化碳,并收集釋放出的氣態二氧化碳進入到循環系統,處理完成后的污泥排放至待壓濾污泥池中,待進入壓濾工段。
優選的,所述中壓反應釜設置為三組,每組所述中壓反應釜污泥預處理時間節拍為2小時,三組所述中壓反應釜同時運行。
優選的,所述步驟二中壓反應釜中注入的液態二氧化碳的最高壓力為5.5Mpa。
優選的,還包括第一熱交換器和第二熱交換器,所述第一熱交換器與多級冷卻模塊相互連接,通過熱交換獲取二氧化碳回收過程中產生的熱量,所述第二熱交換器與中壓反應釜的內盤管相連通,給出料過程中的污泥進行加熱,加速二氧化碳水合物的分解,加速污泥出料速度。
與現有技術相比,本發明具有以下有益效果:
(1)、本發明提供了一種使用二氧化碳預處理污泥的系統以及方法,利用液態二氧化碳對污泥進行預處理,使用液態二氧化碳處理過的污泥固液分離性好,壓濾的脫水效果強于添加使用藥劑做預處理的方式,且在處理過程中使用的二氧化碳為綠色無污染,并且可以通過二氧化碳循環收集系統對二氧化碳進行回收再利用,從而實現了工業生產的綠色可持續發展。
(2)、并且本發明使用液態二氧化碳做污泥的預處理,提高后端壓濾過程中的固液分離效果,降低壓濾后的污泥含水率。
(發明人:徐鳳陽;周翠平;陳淼)






