公布日:2023.01.10
申請日:2022.03.31
分類號:F23G5/027(2006.01)I;F23G5/16(2006.01)I;F23G5/20(2006.01)I;F23G5/44(2006.01)I;F23G5/46(2006.01)I;F23G7/00(2006.01)I;C02F11/10(2006.01)I;C02F11/13(2019.01)I
摘要
本發明公開了一種市政污泥資源化的處理設備及其使用方法,包括斗提機和第一燃燒器,所述斗提機開口外側橫向設有上段回轉窯,且所述斗提機與所述上段回轉窯之間連通有螺旋進料器,所述上段回轉窯下部設置有下段回轉窯,該上段回轉窯與所述下段回轉窯之間設置有上下窯連通器,所述第一燃燒器固定于所述下段回轉窯端部。有益效果在于:本發明通過將市政污泥和生物質共熱解可以彌補各自單獨熱解的不足,生物質的添加不但能夠促進污泥的熱解而且可以提高熱解產物的附加值;采用兩段回轉窯式直接熱解系統,污泥在回轉窯內不停翻動、經加熱、干燥、熱解、等反應,經熱解后的渣土能夠達標排放。

權利要求書
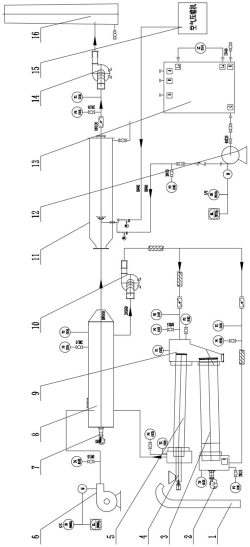
1.一種市政污泥資源化的處理設備,其特征在于:包括斗提機(1)和第一燃燒器(2),所述斗提機(1)開口外側橫向設有上段回轉窯(5),且所述斗提機(1)與所述上段回轉窯(5)之間連通有螺旋進料器(4),所述上段回轉窯(5)下部設置有下段回轉窯(3),該上段回轉窯(5)與所述下段回轉窯(3)之間設置有上下窯連通器(9),所述第一燃燒器(2)固定于所述下段回轉窯(3)端部;所述第一燃燒器(2)外側的所述下段回轉窯(3)外側連通有循環風機(10),該循環風機(10)輸出端設置有二燃室(8),該二燃室(8)底部與所述上段回轉窯(5)頂側相連通,所述二燃室(8)外側設置有二次風機(6),且所述二燃室(8)端部設置有第二燃燒器(7)。
2.根據權利要求1所述一種市政污泥資源化的處理設備,其特征在于:所述二燃室(8)外側連通有急冷塔(11),該急冷塔(11)外側連通有急冷水泵(12),所述急冷水泵(12)輸出端連通有水箱(13)。
3.根據權利要求2所述一種市政污泥資源化的處理設備,其特征在于:所述急冷塔(11)外側與所述急冷水泵(12)相接處連通有空氣壓縮機(15),所述急冷塔(11)輸出端外側設置有煙囪(16),所述煙囪(16)與所述急冷塔(11)之間連通有引風機(14)。
4.根據權利要求3所述一種市政污泥資源化的處理設備,其特征在于:所述上段回轉窯(5)與所述下段回轉窯(3)通過所述上下窯連通器(9)串聯導通,且所述上段回轉窯(5)與所述下段回轉窯(3)上下平行分布。
5.根據權利要求4所述一種市政污泥資源化的處理設備,其特征在于:所述上段回轉窯(5)尾部和下段回轉窯(3)前部設有一級落渣連通器,所述落渣連通器內部有導料槽,該導料槽為半圓形或半錘形,所述上下窯連通器(9)側面設置有一個連通所述循環風機(10)的循環高溫煙氣接口。
6.根據權利要求5所述一種市政污泥資源化的處理設備,其特征在于:所述下段回轉窯(3)外側與所述第一燃燒器(2)相接處套設有窯尾罩,所述下段回轉窯(3)尾部設置有密封罩,該密封罩外側設置有連通所述循環風機(10)的循環高溫煙氣接口。
7.根據權利要求6所述一種市政污泥資源化的處理設備,其特征在于:所述急冷塔(11)內部設置有連通所述急冷水泵(12)和所述空氣壓縮機(15)的急冷噴槍,所述上段回轉窯(5)和所述下段回轉窯(3)外側均設置有支撐其轉動的驅動裝置。
8.根據權利要求1-7任一所述市政污泥資源化的處理設備的有效方法,其特征在于,包括以下步驟:a、將市政污泥與生物質顆粒按比例進行配伍,之后通過斗提機(1)配合螺旋進料器(4)將污泥原料導入上段回轉窯(5)內,通過上下布置的上段回轉窯(5)以及下段回轉窯(3)配合實現污泥熱解過程;b、兩段回轉窯通過第一燃燒器(2)升溫后產生合成煙氣,煙氣進入二燃室(8)內進行二次燃燒,二燃室(8)燃燒后的高溫煙氣通過上下窯連通器(9)側邊的循環高溫煙氣接口以及下段回轉窯(3)尾部密封罩上的循環高溫煙氣接口再次排入兩段回轉窯內進行循環加熱;c、二燃室(8)內的燃燒溫度高于1100℃,且煙氣在二燃室(8)內的流動持續時間大于2秒;d、充分燃燒后的煙氣導入急冷塔(11)內,水罐中的冷卻水通過急冷水泵(12)與空氣壓縮機(15)產生的高壓空氣在急冷噴槍中生成水霧并噴灑到急冷塔(11)內,利用冷卻水將1100℃高溫煙氣在2S內降溫至200℃以下,防止有害氣體二噁英生成,之后達到排放標準的煙氣經煙囪(16)排出。
發明內容
本發明的目的就在于為了解決上述問題而提供一種市政污泥資源化的處理設備及其使用方法,采用污泥熱解技術。解決污泥處理過程中的效率低,能源消耗高、廢渣排放不達標等問題,可實現多種復雜成份市政污泥的無害化處理和資源化利用,詳見下文闡述。
為實現上述目的,本發明提供了以下技術方案:
本發明提供的一種市政污泥資源化的處理設備,包括斗提機和第一燃燒器,所述斗提機開口外側橫向設有上段回轉窯,且所述斗提機與所述上段回轉窯之間連通有螺旋進料器,所述上段回轉窯下部設置有下段回轉窯,該上段回轉窯與所述下段回轉窯之間設置有上下窯連通器,所述第一燃燒器固定于所述下段回轉窯端部;
所述第一燃燒器外側的所述下段回轉窯外側連通有循環風機,該循環風機輸出端設置有二燃室,該二燃室底部與所述上段回轉窯頂側相連通,所述二燃室外側設置有二次風機,且所述二燃室端部設置有第二燃燒器。
作為優選,所述二燃室外側連通有急冷塔,該急冷塔外側連通有急冷水泵,所述急冷水泵輸出端連通有水箱。
作為優選,所述急冷塔外側與所述急冷水泵相接處連通有空氣壓縮機,所述急冷塔輸出端外側設置有煙囪,所述煙囪與所述急冷塔之間連通有引風機。
作為優選,所述上段回轉窯與所述下段回轉窯通過所述上下窯連通器串聯導通,且所述上段回轉窯與所述下段回轉窯上下平行分布。
作為優選,所述上段回轉窯尾部和下段回轉窯前部設有一級落渣連通器,所述落渣連通器內部有導料槽,該導料槽為半圓形或半錘形,所述上下窯連通器側面設置有一個連通所述循環風機的循環高溫煙氣接口。
作為優選,所述下段回轉窯外側與所述第一燃燒器相接處套設有窯尾罩,所述下段回轉窯尾部設置有密封罩,該密封罩外側設置有連通所述循環風機的循環高溫煙氣接口。
作為優選,所述急冷塔內部設置有連通所述急冷水泵和所述空氣壓縮機的急冷噴槍,所述上段回轉窯和所述下段回轉窯外側均設置有支撐其轉動的驅動裝置。
所述市政污泥資源化處理設備的有效方法,包括以下步驟:
a、將市政污泥與生物質顆粒按比例進行配伍,之后通過斗提機配合螺旋進料器將污泥原料導入上段回轉窯內,通過上下布置的上段回轉窯以及下段回轉窯配合實現污泥熱解過程;
b、兩段回轉窯通過第一燃燒器升溫后產生合成煙氣,煙氣進入二燃室內進行二次燃燒,二燃室燃燒后的高溫煙氣通過上下窯連通器側邊的循環高溫煙氣接口以及下段回轉窯尾部密封罩上的循環高溫煙氣接口再次排入兩段回轉窯內進行循環加熱;
c、二燃室內的燃燒溫度高于1100℃,且煙氣在二燃室內的流動持續時間大于2秒;
d、充分燃燒后的煙氣導入急冷塔內,水罐中的冷卻水通過急冷水泵與空氣壓縮機產生的高壓空氣在急冷噴槍中生成水霧并噴灑到急冷塔內,利用冷卻水將1100℃高溫煙氣在2S內降溫至200℃以下,防止有害氣體二噁英生成,之后達到排放標準的煙氣經煙囪排出。
有益效果在于:本發明通過將市政污泥和生物質共熱解可以彌補各自單獨熱解的不足,生物質的添加不但能夠促進污泥的熱解而且可以提高熱解產物的附加值;采用兩段回轉窯式直接熱解系統,污泥在回轉窯內不停翻動、經加熱、干燥、熱解、等反應,經熱解后的渣土能夠達標排放;上下窯連通器側面設置有循環高溫煙氣接口,當合成氣去二燃室焚燒后其產生的高溫煙氣可循環回來,進入到系統內可以為油泥的熱解提供部分熱量,節省一次能源的消耗;經充分燃燒后的煙氣進入急冷塔,急冷噴槍將高溫煙氣極速降溫,防止有害氣體二噁英生成,使煙氣達標后通過引風機進入煙囪安全進行排放。
(發明人:趙成軍;張穎;劉欣;陳晶;黃向朵)






