申請日2013.09.18
公開(公告)日2014.03.19
IPC分類號C02F1/04; C02F1/20
摘要
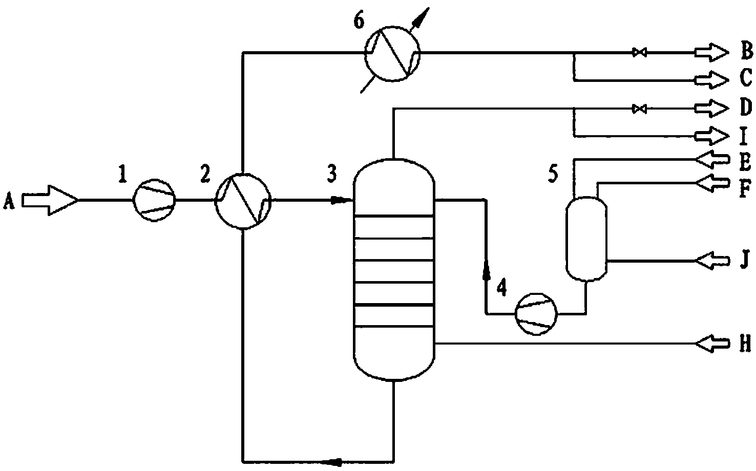
本實用新型提供了一種煤化工生產污水處理裝置,由污水加壓泵、污水換熱器、高壓汽提塔、配堿槽、堿液泵和水冷器連接組成,污水加壓泵連接在煤化工污水進料管上,煤化工污水進料管通過污水換熱器的管程,與高壓汽提塔塔身上部連接;高壓汽提塔塔釜管線與污水換熱器的殼程相連,而后與去變換界區和進一步生化處理界區的管線相連,在去變換界區和進一步生化處理界區的管線上連接有水冷器;高壓汽提塔塔身下部與中壓過熱蒸汽管線相連;高壓汽提塔塔頂管線與去氣化爐界區和火炬的管線相連;高壓汽提塔塔身上部通過堿液泵與配堿槽相連,配堿槽通過閥門連接堿液罐;所述配堿槽的頂部與鍋爐水管相連,下段與低壓氮氣管相連。本實用新型裝置能夠實現煤化工生產污水分離出污染物的回收利用及處理后污水返回系統的綜合利用。
權利要求書
1.一種煤化工生產污水處理裝置,由污水加壓泵、污水換熱器、高壓汽提塔、配堿槽、堿液泵和水冷器連接組成,污水加壓泵連接在煤化工污水進料管上,煤化工污水進料管通過污水換熱器的管程,與高壓汽提塔塔身上部連接;高壓汽提塔塔釜管線與污水換熱器的殼程相連,而后與去變換界區和進一步生化處理界區的管線相連,在去變換界區和進一步生化處理界區的管線上連接有水冷器;高壓汽提塔塔身下部與中壓過熱蒸汽管線相連;高壓汽提塔塔頂管線與去氣化爐界區和火炬的管線相連;高壓汽提塔塔身上部通過堿液泵與配堿槽相連,配堿槽通過閥門連接堿液罐;所述配堿槽的頂部與鍋爐水管相連,下段與低壓氮氣管相連。
2.根據權利要求1所述的煤化工生產污水處理裝置,其特征是所述高壓汽提塔的理論塔板數為14-30塊。
說明書
一種煤化工生產污水處理裝置
技術領域
本實用新型涉及煤化工生產污水的處理,特別是涉及一種常規煤化工污水的潔凈化處理裝置。
背景技術
煤化工生產是以煤為原料,經化學加工,使其轉化為氣體、液體和固體燃料以及化學品,具體包括煤的氣化、液化、干餾等加工過程。煤炭加工反應過程由于加壓、加熱等反應特點,生產過程中會產生大量含有焦油、酚類、苯類、氨等雜質的煤化工污水。如何合理有效處理這部分污水,是發展煤化工需要解決的棘手問題。
被煤化工企業廣泛采用的污水處理工藝為“物化預處理+生化處理”相結合的處理方式。其中物化預處理部分采用以下流程:含焦油、酚類、苯類、氨等物質的煤化工污水經過焦油分離器預處理后,與冷卻器換熱,同經過輕油分離器除油后的污水混合進入氣浮裝置,與外加藥液進行混合后進入絮凝反應池,氣浮分離池進行油和懸浮物的分離,經過氣浮處理過的的污水自流到緩沖槽,送入雙介質過濾器中進行過濾,過濾后的污水送到活性炭脫酚/CLL氨回收工序。依照此處理工藝,從目前掌握的情況來看,在脫酚/氨回收工序的實際操作過程中存在以下一些問題。
1、活性炭脫酚/CLL氨回收工序操作復雜,維護費用高,并且從上游進入該工序的污水中氨濃度經常發生波動,造成了該工序的操作困難。
2、由于煤化工污水中氨含量較高,常規處理工藝中活性炭脫酚/CLL氨回收工序對于氨的回收率不高,并不能達到設計要求。
3、由于殘余CO2的存在,工序回收的氨與殘余CO2發生化學反應生成碳酸氫銨或碳酸銨結晶,附著在設備和管道流道上,造成設備、工藝管道堵塞和內壁結垢的現象嚴重,嚴重制約著設備的穩定運轉。
同時,經過活性炭脫酚/CLL氨回收工序處理過的污水不能滿足環境保護的要求。
發明內容
本實用新型的目的是提供一種煤化工生產污水處理裝置,該裝置通過高壓汽提釋放煤化工生產污水中溶解的揮發物質或溶解氣體,實現分離出污染物的回收利用及處理后污水返回系統的綜合利用。
本實用新型的煤化工生產污水處理裝置由污水加壓泵、污水換熱器、高壓汽提塔、配堿槽、堿液泵和水冷器連接組成。
其中,污水加壓泵連接在煤化工污水進料管上,煤化工污水進料管通過污水換熱器的管程,與高壓汽提塔塔身上部連接;高壓汽提塔塔釜管線與污水換熱器的殼程相連,而后與去變換界區和進一步生化處理界區的管線相連,在去變換界區和進一步生化處理界區的管線上連接有水冷器。高壓汽提塔塔身下部與中壓過熱蒸汽管線相連;高壓汽提塔塔頂管線與去氣化爐界區和火炬的管線相連。
高壓汽提塔塔身上部通過堿液泵與配堿槽相連,配堿槽通過閥門連接堿液罐。所述配堿槽的頂部與鍋爐水管相連,下段與低壓氮氣管相連。
上述裝置中,所述高壓汽提塔的理論塔板數為14-30塊。
本實用新型上述裝置以壓力3.0MPa-4.1MPa、溫度360℃-420℃的中壓過熱蒸汽為熱源,由高壓汽提塔底進入塔內,自下而上對由塔上部進入塔內的、加壓至3.7MPa-4.4MPa的煤化工生產污水逆流直接加熱,解析出煤化工生產污水中的溶解性氣體或易揮發性物質;解析后產生的煤化工處理水從高壓汽提塔底部排出,含有解析氣體的飽和蒸汽由塔頂排放。
上述裝置中,中壓過熱蒸汽逆流直接加熱煤化工生產污水,水蒸氣以氣泡的形式穿過污水時,水與氣泡表面之間形成自由界面,使得氨等溶解性氣體或易揮發性物質不斷向氣泡內蒸發,擴散,氣泡上升至液相表面時,開始破裂并釋放出其中的揮發性物質或溶解的氣體。經上述裝置處理后,高壓汽提塔塔釜出口煤化工處理水中的銨態氮含量≤100mg/L,流程中二氧化碳含量降到了10mg/L以下,一方面大大提高了的煤化工生產污水的凈化程度,另一方面,二氧化碳和氨含量的減少,大大降低了因為形成結晶而發生的設備結構堵塞的風險,系統運行更加平穩。
由本實用新型裝置中高壓汽提塔分離出來的廢氣、廢物做到了循環利用,由高壓汽提塔汽提出來的CO2、H2S、NH3和一些易揮發性物質可以返回燃燒制氣裝置,汽提后的處理水一方面進一步處理后可以作為循環冷卻水和鍋爐給水繼續利用,另一方面也可以作為冷卻、激冷洗滌介質返回系統綜合利用,從而降低了消耗,環保節能。
同時,本實用新型裝置操作靈活,預留給前后裝置的操作彈性增強。如果外送給冷卻、激冷洗滌裝置工況發生波動時,可以調整其相應流量,余下流量導入污水精制處理工序;當燃燒或氣化裝置工況發生波動時,也可以調整汽提分離氣相應流量,余下流量可以調整前往火炬回收系統。







