申請日2013.08.23
公開(公告)日2013.12.04
IPC分類號C02F9/14
摘要
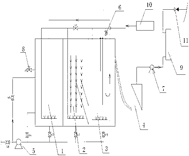
本發明公開了一種小型生活污水處理裝置,其特征是包括曝氣室(1)、接觸室(2)、沉淀室(3)及MBR組件(4),所述曝氣室(1)與接觸室(2)連通,所述接觸室(2)與沉淀室(3)連通,所述沉淀室(3)通過連接管與MBR組件(4)的進口端相連通,MBR組件(4)的出口端通過流程泵(7)與紫外線殺菌裝置(9)相連通,所述紫外線殺菌裝置(9)的出口端與艙外相連。本發明提供的這種小型生活污水處理裝置,該裝置具有成本低,裝置體積小、重量輕、處理效率高、無需日常維護等優點。
權利要求書
1.一種小型生活污水處理裝置,其特征是包括曝氣室(1)、接觸室(2)、沉淀室(3)及MBR組件(4),所述曝氣室(1)與接觸室(2)連通,所述接觸室(2)與沉淀室(3)連通,所述沉淀室(3)通過連接管與MBR組件(4)的進口端相連通,MBR組件(4)的出口端通過流程泵(7)與紫外線殺菌裝置(9)相連通,所述紫外線殺菌裝置(9)的出口端與艙外相連。
2.根據權利要求1所述的一種小型生活污水處理裝置,其特征是所述曝氣室(1)、接觸室(2)及沉淀室(3)三者的底部及曝氣室(1)的側下方通過管路與粉碎泵(5)的進口端相連,粉碎泵(5)出口端通過管路返回曝氣室(1)的上端,粉碎泵(5)的出口端與曝氣室(1)上端間的管路上設有閥門V5,所述粉碎泵(5)的進口端與曝氣室(1)的底部、與接觸室(2)的底部、與沉淀室(3)的底部及與曝氣室(1)的側下方之間的管路上分別設有閥門V1、閥門V2、閥門V3及閥門V4。
3.根據權利要求2所述的一種小型生活污水處理裝置,其特征是所述粉碎泵(5)與曝氣室(1)之間的管路上設有排放閥閥門V6。
4.根據權利要求1所述的一種小型生活污水處理裝置,其特征是所述曝氣室(1)、接觸室(2)及沉淀室(3)內設有曝氣管,三者的曝氣管同時通過管路與風機(10)相連,在管路上還設有氣提裝置(6),所述氣提裝置(6)在沉淀室(3)內形成回路并與曝氣室(1)連通。
5.根據權利要求4所述的一種小型生活污水處理裝置,其特征是所述曝氣室(1)、接觸室(2)及沉淀室(3)內的曝氣管上設有若干個微孔曝氣裝置。
6.根據權利要求1所述的一種小型生活污水處理裝置,其特征是所述曝氣室(1)內設有懸浮式立體填料。
7.根據權利要求1所述的一種小型生活污水處理裝置,其特征是曝氣室(1)的側面設有取樣裝置(8)。
8.根據權利要求 1 所述的一種小型生活污水處理裝置,其特征是所述紫外線殺菌裝置(9)出口端的出口處設有止回閥(11)。
說明書
一種小型生活污水處理裝置
技術領域
本發明涉及一種小型生活污水處理裝置。
背景技術
船用生活污水處理裝置一般采用生化法進行處理的,即經過曝氣充氧的污水以一定流量流經填料,使填料上長滿生物膜,污水和生物膜接觸,在生物膜的作用下,好氧菌不斷吞噬有機物從而使污水得到凈化。但往往裝置越大,排出的污水越符合排放要求,特別是小型裝置,采用大型裝置的縮小版往往排放檢測不達標。
在污水處理流程中,有幾個關鍵因素需要考慮,其沖氧能力、氧轉離效率和氧的利用率,生物膜形成及處理效果,污泥回流比,紫外線殺毒率,以及膜濾等等是衡量生活污水處理裝置處理指標最重要的考慮因素,特別是在10人以下的小型裝置上,相對于其他中大型生活污水處理裝置,其沖氧能力、氧轉離效率和氧的利用率,生物膜形成及處理效果,是主要考慮因素;因為這些指標在設計計算時,都是跟裝置處理效率成正相比例關系,那么,如果單獨一個因素變化,其他不變,則在設計時同比例縮小裝置即可,但往往在設計小型裝置時,這幾個指標發生變化,而且都是在同比縮小,因此,其處理效果很難保證,這也是目前市場上這些小型裝置處理不達標的主要因素。
在污水處理裝置中,一般考慮是是60人及以上最小的也是10人以上,在內河運輸船舶小型10人以下的生活污水處理裝置的設計上,幾乎是縮小板的生活污水處理裝置,這樣隨著裝置尺寸的變小,氧與污水接觸時間短,曝氣效果降低,氧的傳質率降低、氧溶率降低,氧的利用效率和好氧菌與生物膜的接觸效果隨之降低,生化處理效果也大大降低,造成連鎖負面效應,因此在排放的水檢測中,很難有合格的;如果按照159(55)決議規定排放水質要求,勢必造成污水處理裝置處理性能低、生化時間變長、整機體積大、運行費用高,然而小型內河船舶的特點,對污水處理裝置等設備的要求是體積更小、重量更輕、處理效率高、無需日常維護,因而都限制了污水處理裝置的使用范圍和應用效果。
發明內容
本發明提供了一種小型生活污水處理裝置,該裝置具有成本低,裝置體積小、重量輕、處理效率高、無需日常維護等優點。
本發明采用了以下技術方案:一種小型生活污水處理裝置,包括曝氣室、接觸室、沉淀室及MBR組件,所述曝氣室與接觸室連通,所述接觸室與沉淀室連通,所述沉淀室通過連接管與MBR組件的進口端相連通,MBR組件的出口端通過流程泵與紫外線殺菌裝置相連通,所述紫外線殺菌裝置的出口端與艙外相連。
所述曝氣室、接觸室及沉淀室三者的底部及曝氣室的側下方通過管路與粉碎泵的進口端相連,粉碎泵出口端通過管路返回曝氣室的上端,粉碎泵的出口端與曝氣室上端間的管路上設有閥門V5,所述粉碎泵的進口端與曝氣室的底部、與接觸室的底部、與沉淀室的底部及與曝氣室的側下方之間的管路上分別設有閥門V1、閥門V2、閥門V3及閥門V4;所述粉碎泵與曝氣室之間的管路上設有排放閥閥門V6;所述曝氣室、接觸室及沉淀室內設有曝氣管,三者的曝氣管同時通過管路與風機相連,在管路上還設有氣提裝置,所述氣提裝置在沉淀室內形成回路并與曝氣室連通;所述曝氣室、接觸室及沉淀室內的曝氣管上設有若干個微孔曝氣裝置;所述曝氣室內設有懸浮式立體填料;曝氣室的側面設有取樣裝置;所述紫外線殺菌裝置的出口端的出口處設有止回閥。
本發明具有以下有益效果:本發明具有成本低,裝置體積小、重量輕、處理效率高、無需日常維護等優點;本發明簡化了原有的MBR室結構,同時只采用一個風機和一個粉碎泵,大大減少了裝置的空間及成本,在曝氣管上安裝微孔曝氣裝置既減少了整體曝氣管的長度同時又提高了整體處理效率。







