申請日2015.07.24
公開(公告)日2015.11.18
IPC分類號C02F9/10; C02F9/06
摘要
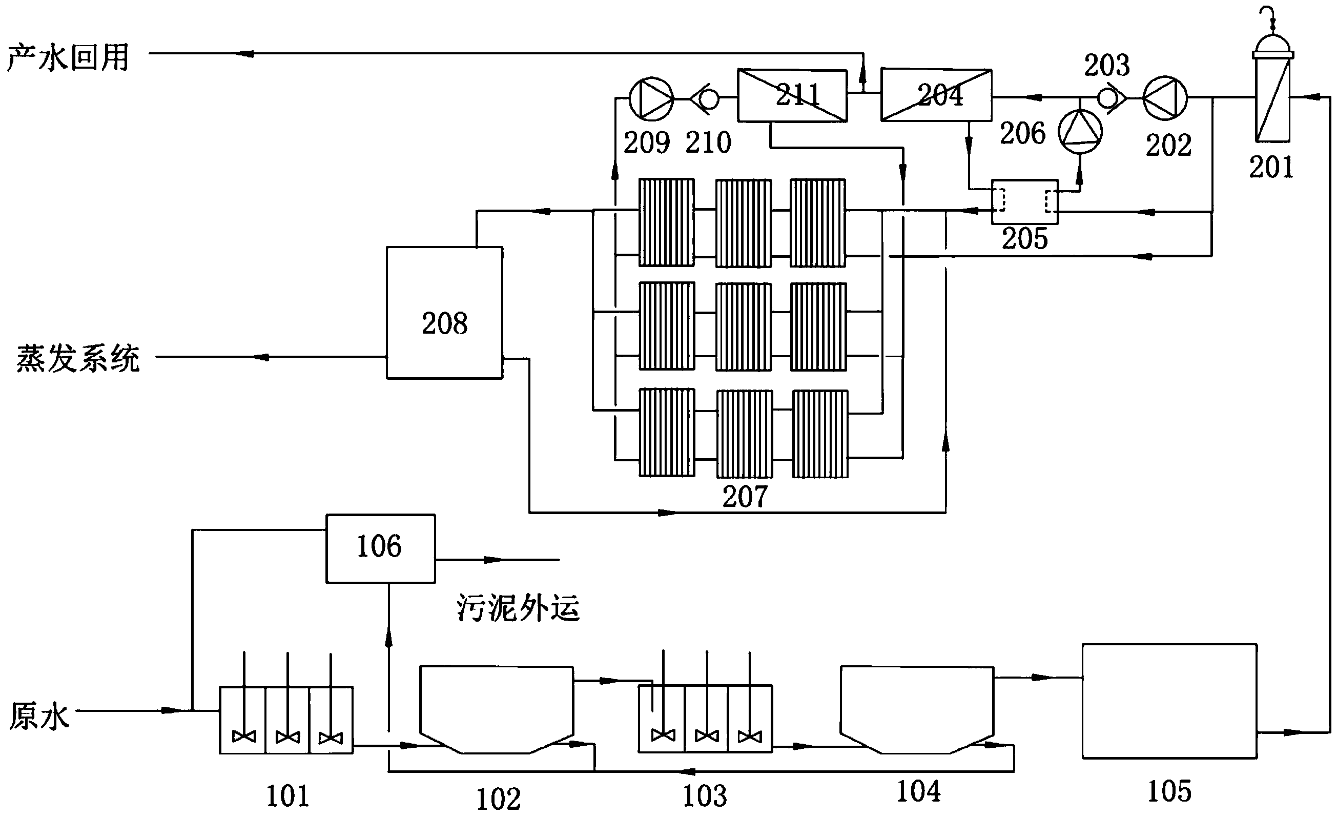
本發明屬于工業污水處理領域。本發明公開了一種應用于高鹽度工業廢水的膜組合處理工藝,高鹽度工業廢水通過軟化處理后分別進入高壓反滲透裝置和電滲析裝置;經過高壓反滲透裝置處理的濃縮液進入電滲析裝置濃縮;經過電滲析裝置處理的出口淡水進入低壓反滲透裝置,出口濃縮液送至蒸發系統;經過低壓反滲透裝置處理的濃縮液與軟化處理后的高鹽度工業廢水匯合后進入電滲析裝置;低壓反滲透裝置和高壓反滲透裝置的出口淡水作為回用產水。本發明合理地分配進入高壓反滲透裝置和電滲析裝置的高鹽度工業廢水流量并同時分離濃縮,相比之前工藝的能耗低,且工程造價及運行成本低;低壓反滲透將電滲析淡水分離再循環,提高回用產水的品質及回收率。
權利要求書
1.一種應用于高鹽度工業廢水的膜組合處理工藝,其特征在于,所述膜組合處理工藝包括以下步驟:
(1)對高鹽度工業廢水進行軟化工藝處理;
(2)經軟化后的高鹽度工業廢水一股進入高壓反滲透裝置,另一股進入電滲析裝置;進入高壓反滲透裝置的高鹽度工業廢水經反滲透處理之后,淡水作為回用產水,濃縮液進入電滲析裝置;進入電滲析裝置的高鹽度工業廢水經濃縮處理之后,出口淡水進入低壓反滲透裝置,出口濃縮液送至蒸發系統進行鹽份回收;進入低壓反滲透裝置的淡水經反滲透處理之后,出口淡水作為回用產水,出口濃縮液與軟化處理之后的高鹽度工業廢水匯合后進入電滲析裝置。
2.根據權利要求1所述的一種應用于高鹽度工業廢水的膜組合處理工藝,其特征在于,進入高壓反滲透裝置的高鹽度工業廢水的流量為高鹽度工業廢水總流量的35-45%。
3.根據權利要求1所述的一種應用于高鹽度工業廢水的膜組合處理工藝,其特征在于,所述進入高壓反滲透裝置的高鹽度工業廢水分成兩股,一股通入至高壓反滲透裝置中,另一股經過能量回收裝置回收從高壓反滲透裝置中產出的濃縮液的剩余能量,然后與之前一股高鹽度工業廢水匯合進入高壓反滲透裝置。
4.根據權利要求1所述的一種應用于高鹽度工業廢水的膜組合處理工藝,其特征在于,軟化工藝處理之前的高鹽度工業廢水的含鹽量為1.5%wt~3.5%wt,CODCr小于200mg/L。
5.根據權利要求1所述的一種應用于高鹽度工業廢水的膜組合處理工藝,其特征在于,經過高壓反滲透裝置反滲透處理之后的濃縮液含鹽量達到5%wt~7%wt進入電滲析濃縮室。
6.根據權利要求1所述的一種應用于高鹽度工業廢水的膜組合處理工藝,其特征在于,所述電滲析裝置為電離子膜濃縮器矩陣,所述電離子膜濃縮器矩陣包括M×N個電離子膜濃縮器,其中M和N分別為大于等于1的整數。
7.根據權利要求1所述的一種應用于高鹽度工業廢水的膜組合處理工藝,其特征在于,所述電滲析裝置的電滲析膜為均相離子交換膜,膜電阻0.1~0.8Ω/cm2,交聯度為70~90%。
8.根據權利要求1所述的一種應用于高鹽度工業廢水的膜組合處理工藝,其特征在于,軟化之后的高鹽度工業廢水經過電滲析裝置濃縮處理,含鹽量降低到0.3%wt~0.5%wt的出口淡水進入低壓反滲透裝置。
9.根據權利要求1所述的一種應用于高鹽度工業廢水的膜組合處理工藝,其特征在于,軟化之后的高鹽度工業廢水經過電滲析裝置濃縮處理,含鹽量提升到15%wt~20%wt的出口濃縮液送至蒸發系統回收鹽分。
10.根據權利要求1所述的一種應用于高鹽度工業廢水的膜組合處理工藝,其特征在于,從高壓反滲透裝置和低壓反滲透裝置出口的回用產水的TDS小于等于1000mg/L。
說明書
一種應用于高鹽度工業廢水的膜組合處理工藝
技術領域
本發明屬于工業污水處理領域,尤其是涉及低能耗、低成本以及零排放的高鹽度廢水膜組合處理工藝。
背景技術
公知的蒸發技術是實現廢水零排放的有效技術,但是蒸發過程屬于相變過程,耗蒸汽量或耗電量極大,運行費用高。采用單一膜分離方法,存在濃度不宜太高,膜污染結垢嚴重,而采用碟管式反滲透膜造價成本高。單純采用電滲析不僅投資大、運用費用高,且存在回用水無法滿足最新國家排放標準。正滲透在廢水應用屬于新技術,但是工藝復雜、技術不成熟且能耗較高。
目前,膜組合處理高鹽度廢水實現零排放技術應用比較廣泛。但是整體工藝不夠系統,回收率不高,產水品質低,能耗高。例如ZL201110225251.6介紹一種氯化鈣廢水處理及回用方法,將預處理廢水全部進入電滲析濃縮,濃縮液進蒸發設備,淡水通過普通反滲透產水回用,工藝過程單純的應用電滲析濃縮能耗大,更換膜成本昂貴。另有ZL201310311089.9介紹的高鹽度工業廢水零排放工藝,存在反滲透膜運行負荷大、易發生膜污染結垢和回用的淡水品質不高等問題。
因此,要從清潔生產、用水平衡、資源回收角度系統分析組合膜工藝特點,使高鹽度工業廢水綜合處理具有較好的社會與經濟效益。
發明內容
本發明的目的是針對上述現狀,旨在提供低能耗、低成本、零排放的高鹽度廢水膜組合處理工藝,同時實現高品質、高回收率的淡水回用。
為實現上述目的,本發明提供如下技術方案:
一種應用于高鹽度工業廢水的膜組合處理工藝,所述膜組合處理工藝包括以下步驟:
(1)對高鹽度工業廢水進行軟化工藝處理;
(2)經軟化后的高鹽度工業廢水一股進入高壓反滲透裝置,另一股進入電滲析裝置;進入高壓反滲透裝置的高鹽度工業廢水經反滲透處理之后,淡水作為回用產水,濃縮液進入電滲析裝置;進入電滲析裝置的高鹽度工業廢水經濃縮處理之后,出口淡水進入低壓反滲透裝置,出口濃縮液送至蒸發系統進行鹽分回收;進入低壓反滲透裝置的淡水經反滲透處理之后,出口淡水作為回用產水,出口濃縮液與軟化處理之后的高鹽度工業廢水匯合后進入電滲析裝置。
進一步地,進入高壓反滲透裝置的高鹽度工業廢水的流量為高鹽度工業廢水總流量的35-45%。
進一步地,所述進入高壓反滲透裝置的高鹽度工業廢水分成兩股,一股通入至高壓反滲透裝置中,另一股經過能量回收裝置回收從高壓反滲透裝置中產出的濃縮液的剩余能量,然后與之前一股高鹽度工業廢水匯合進入高壓反滲透裝置,所述能量回收裝置為一級一段或一級多段。
進一步地,兩股不經過能量回收裝置和經過能量回收裝置的進入高壓反滲透裝置的高鹽度工業廢水工藝管道上分別設置第一高壓泵和第二高壓泵,所述第二高壓泵設置在能量回收裝置的下游方向。
進一步地,軟化工藝處理之前的高鹽度工業廢水的含鹽量為1.5%wt~3.5%wt,CODCr小于200mg/L。
進一步地,所述軟化工藝為加藥劑法或樹脂軟化床法或管道式微濾法。
進一步地,經過高壓反滲透裝置反滲透處理之后的濃縮液含鹽量達到5%wt~7%wt進入電滲析濃縮室。
進一步地,所述電滲析裝置為電離子膜濃縮器矩陣,所述電離子膜濃縮器矩陣包括M×N個電離子膜濃縮器,其中M和N分別為大于等于1的整數。
進一步地,所述電滲析裝置的電滲析膜為均相離子交換膜,膜電阻0.1~0.8Ω/cm2,交聯度為70~90%。
進一步地,軟化之后的高鹽度工業廢水經過電滲析裝置濃縮處理,含鹽量降低到0.3%wt~0.5%wt的出口淡水進入低壓反滲透裝置。
進一步地,軟化之后的高鹽度工業廢水經過電滲析裝置濃縮處理,含鹽量提升到15%wt~20%wt的出口濃縮液送至蒸發系統回收鹽分。
進一步地,從高壓反滲透裝置和低壓反滲透裝置出口的回用產水的TDS小于1000mg/L。
根據本發明的技術方案,此低能耗零排放的高鹽度廢水組合膜處理工藝,通過技術經濟綜合分析,合理地分配高鹽度工業廢水進高壓反滲透裝置和電滲析裝置的流量,并同時進行分離濃縮,相比之前工藝的能耗低,且工程造價及運行成本低;進一步地,低壓反滲透將電滲析淡水分離再循環,提高回用產水的品質及回收率。







