申請日2017.09.29
公開(公告)日2017.12.15
IPC分類號C02F1/04; C02F103/16
摘要
本發明公開一種冶金廢水變頻循環系統,包括:爐料罐,所述爐料罐內設置有蒸發器,所述蒸發器聯通有廢水管路,所述廢水管路上設置有變頻泵,所述變頻泵連接有控制系統,所述變頻泵還旁通有緩存水箱,本申請提供的冶金廢水變頻循環系統,具有能耗低,能源消耗低的優點。
權利要求書
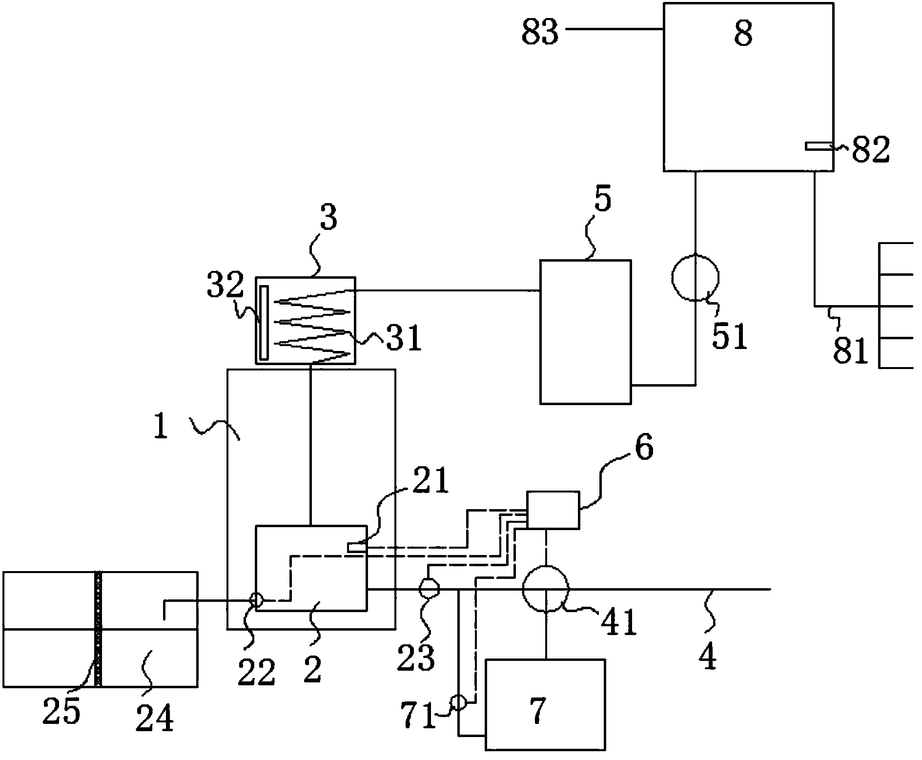
1.一種冶金廢水變頻循環系統,其特征在于,包括:爐料罐,所述爐料罐內設置有蒸發器,所述蒸發器聯通有廢水管路,所述廢水管路上設置有變頻泵,所述變頻泵連接有控制系統,所述變頻泵還旁通有緩存水箱。
2.根據權利要求1所述的一種冶金廢水變頻循環系統,其特征在于,所述蒸發器的上方設置有冷凝器,所述冷凝器包括螺旋形的冷凝管和空冷設備,所述冷凝管聯通有循環水箱。
3.根據權利要求1所述的一種冶金廢水變頻循環系統,其特征在于,所述蒸發器內設置有液位傳感器,所述液位傳感器用于檢測蒸發器內的液位變化速度,當液位變化速度超過設定值時,所述控制系統用于控制所述變頻泵的功率變化。
4.根據權利要求1所述的一種冶金廢水變頻循環系統,其特征在于,所述蒸發器上還設置有電控排污閥,所述電控排污閥連接有所述控制系統,所述控制系統連接有沖洗泵,所述沖洗泵連接有緩存水箱,用于當電控排污閥打開時,所述控制系統打開沖洗泵清洗所述蒸發器。
5.根據權利要求4所述的一種冶金廢水變頻循環系統,其特征在于,所述排污閥連接有污水收集箱,所述污水收集箱內設置有過濾設備。
6.根據權利要求1所述的一種冶金廢水變頻循環系統,其特征在于,所述循環水箱通過提升泵連接有高位水箱,所述高位水箱通過循環管路連接至冶金設備中。
7.根據權利要求6所述的一種冶金廢水變頻循環系統,其特征在于,所述高位水箱還連接有外部水源,所述高位水箱內設置有第二液位傳感器,用于當第二液位傳感器檢測的液位低于設定值時,外部水源向所屬高位水箱中補充水。
8.根據權利要求1所述的一種冶金廢水變頻循環系統,其特征在于,所述緩存水箱還連接有聯通蒸發器的補液泵,所述補液泵連接有控制系統。
說明書
一種冶金廢水變頻循環系統
技術領域
本發明涉及冶金行業的廢水循環領域,具體涉及一種冶金廢水變頻循環系統。
背景技術
冶金工業是各工業部門中的用水大戶之一,其中循環冷卻水占總用水量的70%~80%。由于其生產工藝復雜,用水要求各異,致使循環冷卻水種類繁多,因此對冶金工業循環冷卻水水質穩定處理時與其他工業部門不同。由于廢水的產生量是不斷變化的值,因此如果對循環冷卻水處理不當,會使回收利用設備的負荷不斷變化,負荷太高容易導致回收利用設備的工作情況不佳,無法處理出符合循環利用條件的循環水,當負荷太低怎會導致能耗增加,造成極大的經濟損失。同時,廢水中具有較多的雜質,現有技術缺少一種低能耗、節能、符合工廠實際需要的廢水循環利用系統。
發明內容
有鑒于此,本申請提供一種冶金廢水變頻循環系統,具有能耗低,靈活性好,節約用水的優點。
為解決以上技術問題,本發明提供的技術方案是一種冶金廢水變頻循環系統,包括:爐料罐,所述爐料罐內設置有蒸發器,所述蒸發器聯通有廢水管路,所述廢水管路上設置有變頻泵,所述變頻泵連接有控制系統,所述變頻泵還旁通有緩存水箱。
優選的,所述蒸發器的上方設置有冷凝器,所述冷凝器包括螺旋形的冷凝管和空冷設備,所述冷凝管聯通有循環水箱。
優選的,所述蒸發器內設置有液位傳感器,所述液位傳感器用于檢測蒸發器內的液位變化速度,當液位變化速度超過設定值時,所述控制系統用于控制所述變頻泵的功率變化。
優選的,所述蒸發器上還設置有電控排污閥,所述電控排污閥連接有所述控制系統,所述控制系統連接有沖洗泵,所述沖洗泵連接有緩存水箱,用于當電控排污閥打開時,所述控制系統打開沖洗泵清洗所述蒸發器。
優選的,所述排污閥連接有污水收集箱,所述污水收集箱內設置有過濾設備。
優選的,所述循環水箱通過提升泵連接有高位水箱,所述高位水箱通過循環管路連接至冶金設備中。
優選的,所述高位水箱還連接有外部水源,所述高位水箱內設置有第二液位傳感器,用于當第二液位傳感器檢測的液位低于設定值時,外部水源向所屬高位水箱中補充水。
優選的,所述緩存水箱還連接有聯通蒸發器的補液泵,所述補液泵連接有控制系統。
本申請與現有技術相比,其詳細說明如下:
本申請公開了一種冶金廢水變頻循環系統,包括緩存有爐料的爐料罐,本系統利用爐料的預熱對廢水進行蒸發,蒸發后的水蒸氣冷凝形成冷凝水送入循環水箱,用于供給各生產設備,本系統利用了爐料的廢熱凈化廢水,使廢水可以重復利用作為冷凝水或其他循環水,具有節約用水,節約能耗的優點,所述廢水管路上設置有連接控制系統的變頻泵,適用于廢水管路中流量不穩定,波動大的實際生產情況,控制系統可以根據各傳感器控制變頻泵的功率,具有靈活性好,避免空轉或功率不足的情況。變頻泵還旁通有緩存水箱,用于當廢水管路中流量較大、蒸發器蒸發功率不足時緩存廢水,避免廢水堆積在蒸發器內導致無法保證蒸發效率、凈化效果的問題。



