申請日2013.08.22
公開(公告)日2014.02.19
IPC分類號F26B3/06; F26B21/00; F26B25/00; F26B17/10
摘要
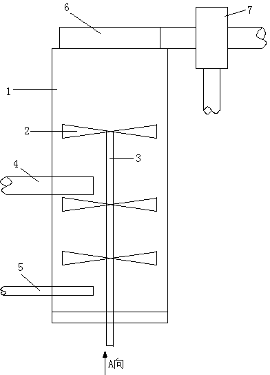
處理膠粘短纖維污水/泥的閃蒸干燥機,包括干燥筒體,干燥筒體的底端側壁設有進氣管,干燥筒體的中部設有物料進管,干燥筒體中設有旋轉葉片,旋轉葉片至少有3層,上下垂直,干燥筒體的頂部設有出氣管,出氣管連接氣固分離器;旋轉葉片均勻固定在同一根旋轉軸的四周,每一層旋轉葉片的旋轉葉片數量不少于5片,旋轉葉片在水平方向上處于傾斜狀態;進氣管與干燥筒體切線連接,物料進管連通到中間層的旋轉葉片中間;干燥筒體的底部與干燥筒體螺旋固定。本實用新型,結構緊湊,能高效將物料粉碎,減少物料下沉到干燥筒體底部,物料的粉碎率高,粉碎顆粒小。
權利要求書
1.處理膠粘短纖維污水/泥的閃蒸干燥機,其特征是包括干燥筒體,干燥筒體的底端側壁設有進氣管,干燥筒體的中部設有物料進管,干燥筒體中設有旋轉葉片,旋轉葉片至少有3層,上下垂直,干燥筒體的頂部設有出氣管,出氣管連接氣固分離器。
2.根據權利要求1所述的處理膠粘短纖維污水/泥的閃蒸干燥機,其特征是所述旋轉葉片均勻固定在同一根旋轉軸的四周,每一層旋轉葉片的旋轉葉片數量不少于5片,旋轉葉片在水平方向上處于傾斜狀態。
3.根據權利要求1所述的處理膠粘短纖維污水/泥的閃蒸干燥機,其特征是所述進氣管與干燥筒體切線連接,物料進管連通到中間層的旋轉葉片中間。
4.根據權利要求1所述的處理膠粘短纖維污水/泥的閃蒸干燥機,其特征是所述干燥筒體與干燥筒體的底部螺旋固定。
5.根據權利要求2所述的處理膠粘短纖維污水/泥的閃蒸干燥機,其特征是所述旋轉軸的底端延伸出干燥筒體的底部,通過傳動構件連接電機。
說明書
處理膠粘短纖維污水/泥的閃蒸干燥機
技術領域
本實用新型涉及處理膠粘短纖維污水/泥的閃蒸干燥機,它是一種能將物料快速粉碎,并與熱空氣對流,快速干燥的設備,屬于化工設備領域。
背景技術
處理膠粘短纖維污水/泥的閃蒸干燥機,也稱旋流干燥機,旋轉快速干燥機是發展最快應用范圍最廣泛的干燥設備機型之一。處理膠粘短纖維污水/泥的閃蒸干燥機結合了流化、旋流、噴動、粉碎、分級技術,是流化技術、旋流技術、噴動技術及隨流傳熱技術,設備的技術含量較高,適用于膏糊狀、顆粒狀、濾餅狀及泥漿狀物料的干燥。處理膠粘短纖維污水/泥的閃蒸干燥機具有熱效率高,干燥時間短,節能效果好的優點,對膏糊狀物料可直接干燥制成粉狀干燥產品,節省了干燥前預處理,干燥后粉碎、篩分等工序,由于干燥速度快,物料受熱時間短,不易破壞干燥物料的組分,特別有利于對熱敏性物料的干燥;干燥過程全封閉,無雜質混入,成品質量高,操作環境好。目前,處理膠粘短纖維污水/泥的閃蒸干燥機已根據不同的物料設計出了多種機型,并形成了系列產品,在化工、制藥、輕工、食品、礦產等行業的應用范圍越來越廣泛。但是傳統的處理膠粘短纖維污水/泥的閃蒸干燥機,物料螺旋進入到干燥筒體中后,如果不能及時被粉碎以及被熱氣沖擊上去,會有物料掉落到干燥筒體內,導致干燥筒體內堆積堵塞。
發明內容
為了解決上述存在的問題,本實用新型公開了一種處理膠粘短纖維污水/泥的閃蒸干燥機,本處理膠粘短纖維污水/泥的閃蒸干燥機能快速將物料粉碎,且保證物料不會掉落到干燥筒體中,使得物料能充分被粉碎、干燥,提高干燥筒體的使用周期。
處理膠粘短纖維污水/泥的閃蒸干燥機,包括干燥筒體,干燥筒體的底端側壁設有進氣管,干燥筒體的中部設有物料進管,干燥筒體中設有旋轉葉片,旋轉葉片至少有3層,上下垂直,干燥筒體的頂部設有出氣管,出氣管連接氣固分離器。
所述旋轉葉片均勻固定在同一根旋轉軸的四周,每一層旋轉葉片的旋轉葉片數量不少于5片,旋轉葉片在水平方向上處于傾斜狀態。
所述進氣管與干燥筒體切線連接,物料進管連通到中間層的旋轉葉片中間。
所述干燥筒體的底部與干燥筒體螺旋固定。
所述旋轉軸的底端延伸出干燥筒體的底部,通過傳動構件連接電機。
本實用新型,結構簡單,使用方便,使用時,首先向干燥筒體內通入干燥的熱空氣,熱空氣在筒體內壁螺旋上升,物料進到旋轉葉片上,被旋轉葉片粉碎,細小顆粒跟隨熱空氣上升,并從出氣管排出,熱空氣中的細小顆粒被氣固分離器得到細小的物料顆粒,熱空氣可以經過熱交換器,繼續循環使用,避免熱能浪費。







