申請日2014.10.25
公開(公告)日2015.01.07
IPC分類號C02F3/28
摘要
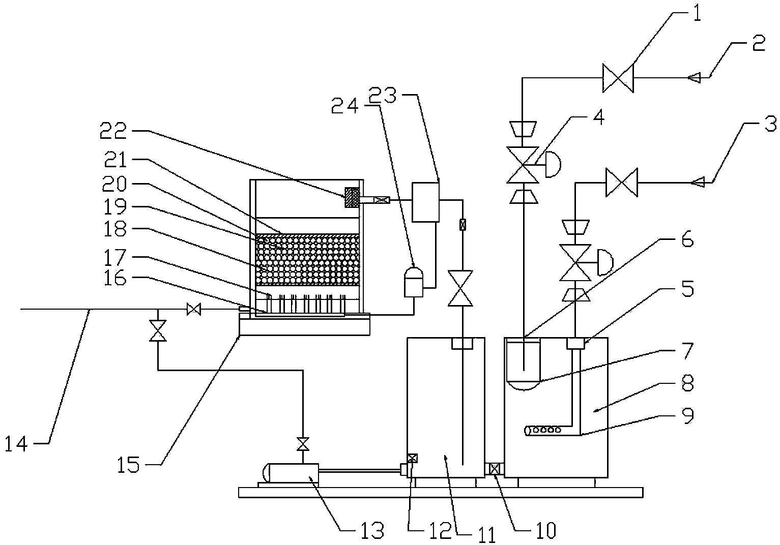
本實用新型公開了一種造紙污水碳系曝氣式厭氧處理裝置,包括有熱水箱,所述熱水箱上設有用于注入冷水的進冷水口和用于注入蒸汽的進蒸汽口,所述進蒸汽口上設有伸入熱水箱內的進蒸汽管,所述進蒸汽管的下端連有散發管,在所述散發管的外壁并排設有多個使蒸汽均勻分散出來的蒸汽出孔,所述熱水箱的出水口通過管道連接裝有厭氧細菌的厭氧菌水箱,所述厭氧菌水箱與碳系厭氧曝氣罐之間設有熱水泵;在所述碳系厭氧曝氣罐出口管道上連有用于將處理完污水的厭氧細菌回流至所述厭氧菌水箱的解氣罐;本實用新型的過濾效果好,安全,高效。
權利要求書
1.造紙污水碳系曝氣式厭氧處理裝置,其特征在于,包括有熱水箱,所述熱水箱上設有用于注入冷水的進冷水口和用于注入蒸汽的進蒸汽口,所述進蒸汽口上設有伸入熱水箱內的進蒸汽管,所述進蒸汽管的下端連有散發管,在所述散發管的外壁并排設有多個使蒸汽均勻分散出來的蒸汽出孔,所述熱水箱的出水口通過管道連接裝有厭氧細菌的厭氧菌水箱,所述熱水箱與厭氧菌水箱之間的管道上設有使熱水箱內的熱水流向厭氧菌水箱的單向閥,所述厭氧菌水箱與碳系厭氧曝氣罐之間設有熱水泵;在所述碳系厭氧曝氣罐出口管道上連有用于將處理完污水的厭氧細菌回流至所述厭氧菌水箱的解氣罐;所述的碳系厭氧曝氣罐包括罐體及在罐體下端設置的固定支架,在固定支架底部安裝有若干個并列設置的曝氣管,曝氣管通過管路與外部的氣連接,氣泵與所述的解氣罐連通;在所述固定支架的上端固定安裝有填料組,填料組包括第一段炭吸材料層組及覆蓋在第一段炭吸材料層組上的第二段炭吸材料層組,其中,第一段炭吸材料層組和第二段炭吸材料層組均包括并列排放的多層炭吸料材,每一層炭吸料材包括多個并排擺放的球形炭包,第一段炭吸材料層組的每相鄰兩層炭吸料材的球形炭包對齊排列;第二段炭吸材料層組的每相鄰兩層炭吸料材的球形炭包交錯排列;填料組還包括蓋壓在第二段炭吸材料層組上的蓋壓材料層,從而防止第一段炭吸材料層組和第二段炭吸材料層組因為污水水流的沖擊或者浮力而錯位,在第二段炭吸材料層組和蓋壓材料層之間還安裝有柵格板。
2.根據權利要求1所述的造紙污水碳系曝氣式厭氧處理裝置,其特征在于,所述的進冷水口上設有向進冷水口注入冷水的進冷水管,所述進冷水管上設有可調節注入冷水流量的氣動V型調節閥和用于維修管道時關閉進水的手動閥,所述的進冷水口內設有過濾冷水用的濾網。
3.根據權利要求1所述的造紙污水碳系曝氣式厭氧處理裝置,其特征在于,所述的進蒸汽管設有可調節注入蒸汽流量的氣動V型調節閥和用于維修管道時關閉進蒸汽的手動閥。
4.根據權利要求1所述的造紙污水碳系曝氣式厭氧處理裝置,其特征在于,在所述厭氧菌水箱內壁靠近出口處設有測量厭氧菌水箱水溫的溫度傳感器。
說明書
造紙污水碳系曝氣式厭氧處理裝置
技術領域
本實用新型涉及造紙污水處理領域,具體是造紙污水碳系曝氣式厭氧處理裝置。
背景技術
造紙污水厭氧處理之IC(internal circulation)厭氧生物處理技術是近幾年引進國外先進水處理技術的一項新技術,此技術國內處于消化吸收和完善的階段,此技術改善污水的COD(Chemical Oxygen Demand)可達到90%,在國內造紙污水厭氧處理行業有很廣闊的前途,因為是采用生物降解原理,所以細菌的生存環境要求苛刻。在我國北方厭氧塔均設計有保溫層,因為南方氣溫較高,運行厭氧生化污水厭氧處理的企業上項目一般都沒有考慮保溫措施。但有時南方部分地區有時冬季也會遭遇寒冷天氣,這將會造成厭氧菌休眠,降解能力大幅下降,現有的技術是利用蒸汽管直接插入厭氧菌水箱進行加溫,此方法的缺點是:1、容易使工藝管路震動,造成安裝在管路上自動化儀表測量不準或者壽命降低;2、易使管路混入汽泡,造成流程上的熱水泵效率低下甚至產生汽蝕,毀壞熱水泵;3、使污水局部過熱,使得厭氧菌生長在高溫條件下降解能力下降甚至死亡;為解決這些問題,中國專利CN203820540U公開了一種用于造紙污水厭氧處理的進水裝置,該裝置既實現了蒸汽與水的高效熱交換,又減少蒸汽沖擊引起的震動,確保了厭氧系統的高效運作;但是這種新的處理方式對于厭氧處理罐的要求很高,傳統的厭氧處理罐不能滿足該污水處理的需求,適應性和同步性也很差,亟待改進。
發明內容
本實用新型的目的在于提供一種造紙污水碳系曝氣式厭氧處理裝置,以解決上述背景技術中提出的問題。
為實現上述目的,本實用新型提供如下技術方案:
造紙污水碳系曝氣式厭氧處理裝置,包括有熱水箱,所述熱水箱上設有用于注入冷水的進冷水口和用于注入蒸汽的進蒸汽口,所述進蒸汽口上設有伸入熱水箱內的進蒸汽管,所述進蒸汽管的下端連有散發管,在所述散發管的外壁并排設有多個使蒸汽均勻分散出來的蒸汽出孔,所述熱水箱的出水口通過管道連接裝有厭氧細菌的厭氧菌水箱,所述熱水箱與厭氧菌水箱之間的管道上設有使熱水箱內的熱水流向厭氧菌水箱的單向閥,所述厭氧菌水箱與碳系厭氧曝氣罐之間設有熱水泵;在所述碳系厭氧曝氣罐出口管道上連有用于將處理完污水的厭氧細菌回流至所述厭氧菌水箱的解氣罐;所述的碳系厭氧曝氣罐包括罐體及在罐體下端設置的固定支架,在固定支架底部安裝有若干個并列設置的曝氣管,曝氣管通過管路與外部的氣連接,氣泵與所述的解氣罐連通;在所述固定支架的上端固定安裝有填料組,填料組包括第一段炭吸材料層組及覆蓋在第一段炭吸材料層組上的第二段炭吸材料層組,其中,第一段炭吸材料層組和第二段炭吸材料層組均包括并列排放的多層炭吸料材,每一層炭吸料材包括多個并排擺放的球形炭包,第一段炭吸材料層組的每相鄰兩層炭吸料材的球形炭包對齊排列;第二段炭吸材料層組的每相鄰兩層炭吸料材的球形炭包交錯排列;填料組還包括蓋壓在第二段炭吸材料層組上的蓋壓材料層,從而防止第一段炭吸材料層組和第二段炭吸材料層組因為污水水流的沖擊或者浮力而錯位,在第二段炭吸材料層組和蓋壓材料層之間還安裝有柵格板。
進一步的,所述的進冷水口上設有向進冷水口注入冷水的進冷水管,所述進冷水管上設有可調節注入冷水流量的氣動V型調節閥和用于維修管道時關閉進水的手動閥,所述的進冷水口內設有過濾冷水用的濾網。
進一步的,所述的進蒸汽管設有可調節注入蒸汽流量的氣動V型調節閥和用于維修管道時關閉進蒸汽的手動閥。
進一步的,在所述厭氧菌水箱內壁靠近出口處設有測量厭氧菌水箱水溫的溫度傳感器。
與現有技術相比,本實用新型的碳系厭氧曝氣罐第一段炭系材料層組的每層的相鄰球形炭包之間設有間隙,以便污水順利的流過第一段炭系材料層組;且第二段炭系材料層組的相鄰球形炭包之間的間隙被相鄰層的球形炭包堵住,污水只能通過浸漫的方式通過第二段炭系材料層組,不但阻擋污染物流過,同時使污水在第一段炭系材料層組和第二段炭系材料層組之間浸漫,使得污水與第一段炭系材料層組和第二段炭系材料層組能充分接觸;曝氣罐提供了使厭氧菌大量繁殖和生長活動的環境;從而在該炭系曝氣池中形成良好的生物鏈群,使得這些厭氧菌長期消化和分解水中的有機物質,使水質凈化澄清,以達到初步凈化污水的目的;本實用新型在工作過程中,混合后的水和水蒸汽通過厭氧菌水箱經過熱水泵進入厭氧塔入水口:1)降低了蒸汽加入對厭氧菌水箱的沖擊;2)在進入熱水泵10前能有效地排除汽泡,減少了熱水泵的汽蝕,增加了熱水泵的使用壽命,提高了熱水泵的效率;3)使管路不會因為蒸汽加熱引起震動,從而各自控儀表能有效地工作。







