公開(公告)日2015.01.14
IPC分類號C02F3/34; C02F3/30
摘要
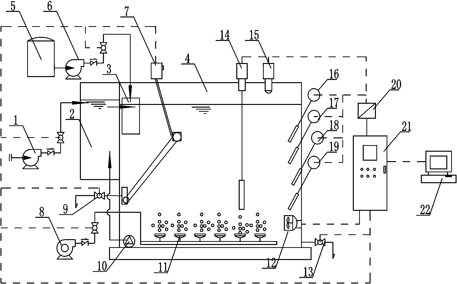
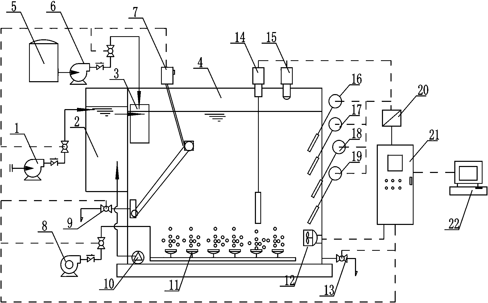
本發明涉及一種序批式實時控制污水處理裝置,主要包括:進水泵、生物選擇池、序批式污水處理池、藥劑添加裝置、加藥泵、潷水器、鼓風機、污泥濃度計、超聲波液位計、PH儀、DO儀、ORP儀、氨氮在線監測儀、DA/AD數據轉換器、PLC控制柜、遠程控制計算機;所述進水泵依次連接生物選擇池、序批式污水處理池;所述序批式污水處理池內設置有污泥濃度計、超聲波液位計,并在池側壁設置有PH儀、DO儀、ORP儀及氨氮在線監測儀,儀表均通過電纜線連接DA/AD數據轉換器,PLC控制柜通過以太網與遠程控制計算機連接。根據儀表檢測數據的特征點來判斷反應完成時間,采用實時控制有效防止曝氣不足,或曝氣時間就會過長引起污泥膨脹以及浪費電能。
權利要求書
1.一種序批式實時控制污水處理裝置,主要包括:進水泵(1)、生物選擇池(2)、序批式污水處理池(4)、藥劑添加裝置(5)、加藥泵(6)、潷水器(7)、鼓風機(8)、污泥濃度計(14)、超聲波液位計(15)、PH儀(16)、DO儀(17)、ORP儀(18)、氨氮在線監測儀(19)、DA/AD數據轉換器(20)、PLC控制柜(21)、遠程控制計算機(22);其特征在于:所述進水泵(1)依次連接生物選擇池(2)、序批式污水處理池(4),在生物選擇池(2)進入序批式污水處理池(4)的進水口設置有加藥混合器(3);所述序批式污水處理池(4)內設置有污泥濃度計(14)、超聲波液位計(15),并在序批式污水處理池(4)的側壁設置有PH儀(16)、DO儀(17)、ORP儀(18)及氨氮在線監測儀(19),序批式污水處理池(4)內的儀表均通過電纜線連接DA/AD數據轉換器(20),DA/AD數據轉換器(20)通過電纜線與PLC控制柜(21)連接,PLC控制柜(21)通過以太網與遠程控制計算機(22)連接;所述序批式污水處理池(4)的底部側壁設置有潛水攪拌機(12)。
2.根據權利要求1所述的一種序批式實時控制污水處理裝置,其特征在于:所述序批式污水處理池(4)的底部設置有回流泵(10),且回流泵(10)通過管道與生物選擇池(2)連接。
3.根據權利要求1所述的一種序批式實時控制污水處理裝置,其特征在于: 所述序批式污水處理池(4)內設置有潷水器(7),潷水器(7)出水管與排放閥(9)連接。
4.根據權利要求1所述的一種序批式實時控制污水處理裝置,其特征在于:所述藥劑添加裝置(5)通過管道依次連接加藥泵(6)及加藥混合器(3)。
說明書
一種序批式實時控制污水處理裝置
技術領域
本發明涉及一種序批式實時控制污水處理裝置,屬于污水處理技術領域。
背景技術
污水處理序批式活性污泥法簡稱SBR,SBR工藝是一種按間歇曝氣方式來運行的活性污泥污水處理技術,主要特征是在運行上的有序和間歇操作,SBR技術的核心是SBR反應池,SBR池集均化、初沉、生物降解、二沉等功能于一體,在同一反應池中,按時間順序由進水、曝氣、沉淀、排水和待機五個工序組成。現有常規技術對每個工序設定了一定的時間,應用計時器控制,但是污水的進水濃度是不斷變化的,如果污水濃度較低,曝氣時間就會過長,SVI值升高,將引起污泥膨脹以及浪費電能,另外如果污水濃度過高,曝氣時間就會不足,處理污水不達標。因此,對序批式活性污泥法的污水處理進行實時控制是有必要的。
發明內容
本發明的目的在于提供一種序批式實時控制污水處理裝置,根據儀表檢測數據的特征點來判斷反應完成時間,采用實時控制有效防止曝氣不足,或曝氣時間就會過長引起污泥膨脹以及浪費電能。
本發明通過下述技術方案實現: 一種序批式實時控制污水處理裝置,主要包括:進水泵、生物選擇池、序批式污水處理池、藥劑添加裝置、加藥泵、潷水器、鼓風機、污泥濃度計、超聲波液位計、PH儀、DO儀、ORP儀、氨氮在線監測儀、DA/AD數據轉換器、PLC控制柜、遠程控制計算機;其特征在于:所述進水泵依次連接生物選擇池、序批式污水處理池,在生物選擇池進入序批式污水處理池的進水口設置有加藥混合器;所述序批式污水處理池內設置有污泥濃度計、超聲波液位計,并在序批式污水處理池的側壁設置有PH儀、DO儀、ORP儀及氨氮在線監測儀,序批式污水處理池內的儀表均通過電纜線連接DA/AD數據轉換器,DA/AD數據轉換器通過電纜線與PLC控制柜連接,PLC控制柜通過以太網與遠程控制計算機連接;所述序批式污水處理池的底部側壁設置有潛水攪拌機。
所述序批式污水處理池的底部設置有回流泵,且回流泵通過管道與生物選擇池連接。回流泵將序批式污水處理池的底部污泥抽入生物選擇池中,在生物選擇池中較快適應的優勢菌生長較快,污水進入序批式污水處理池。
所述序批式污水處理池內設置有潷水器,潷水器出水管與排放閥連接。潷水器啟停根據PLC控制柜控制,排放閥控制排水的開關。
進一步的,所述藥劑添加裝置通過管道依次連接加藥泵及加藥混合器。藥劑添加裝置可以添加系統反應需要的碳源、營養物等藥劑。
本發明的工作原理:經過預處理的污水通過進水泵泵入生物選擇池中,在生物選擇池中較快適應的優勢菌生長較快,污水進入序批式污水處理池中,按先后順序由進水、曝氣、沉淀、排水和待機五個工序,當進入達到設定的液位,超聲波液位計檢測液位,PLC控制柜控制進水泵停止,啟動潛水攪拌機對序批式污水處理池進行混合攪拌,啟動鼓風機曝氣,PH儀、DO儀、ORP儀、氨氮在線監測儀檢測數據,并通過DA/AD數據轉換器傳輸給PLC控制柜、遠程控制計算機,根據編程軟件及設定的各參數指令,控制鼓風機開啟,不同傳統意義上的時間控制,引入儀器取得實時數據對序批式污水處理池進行實時控制,根據PH儀、DO儀、ORP儀、氨氮在線監測儀檢測數據的特征點來判斷反應完成時間。污水不斷曝氣后,有機污染物被微生物不斷地氧化降解,當有機污染物(COD)降至難降解部分時,DO、ORP突然大幅上升,而后,自養菌開始進行硝化反應,反應過程出現DO、ORP不段上升直到硝化結束,如果繼續曝氣,DO將維持在高值基本不變,此時停止鼓風機曝氣,結束曝氣后,啟動潛水攪拌機攪拌一定時間,進行攪拌,系統進入反硝化階段,ORP不段下降,當反硝化結束時,ORP數據出現拐點,污水進入厭氧反應階段。氨氮在線監測儀檢測數據同樣可以作為控制參考。厭氧反應階段后進行沉淀工序,污泥濃度計檢測污泥濃度和污泥層液位,然后啟動潷水器進行排水操作,排水操作后系統進入待機狀態,然后進行下一個循環周期。
本發明的有益效果:根據編程軟件及設定的各參數指令,控制鼓風機開啟,不同傳統意義上的時間控制,引入儀器取得實時數據對序批式污水處理池進行實時控制,根據PH儀、DO儀、ORP儀、氨氮在線監測儀檢測數據的特征點來判斷反應完成時間,采用實時控制有效防止曝氣不足影響水質,或曝氣時間就會過長,SVI值升高,將引起污泥膨脹以及浪費電能。







