垃圾電廠是以焚燒生活垃圾為處理方式的電廠,垃圾電廠的污染源主要有兩種:其一是焚燒中產生的大量煙氣;其二是垃圾滲濾液,就垃圾滲濾液,是在處理過程中伴隨產生的,而由于環保要求,各垃圾電廠都是限制外排,而如何處理濃液,大多數垃圾電廠是采取泵進石灰漿池,而石灰漿是噴進反應塔除去煙氣酸性氣體(SO2\HCl)的,當濃液進入石灰漿池中,會降低石灰漿本身的效果,為了煙氣達標排放,又不得不加大石灰漿用量,顯然不是最佳途徑。
一、生活垃圾成分復雜
焚燒過程中會產生大量煙氣,而煙氣的處理主要以半干法為基礎(SNCR/爐內脫硝+半干法(旋轉噴霧)/脫酸性氣體+干法(消石灰噴射)/脫酸性氣體的備用手段+活性炭噴射/捕獲重金屬+袋式除塵器/除煙塵)。該工藝流程中,其核心環節是反應塔。反應塔頂部裝有旋轉噴霧器,旋轉噴霧器在工作時高速旋轉,注入旋轉噴霧器內中的石灰漿在離心力的作用下被甩出,形成霧狀與煙氣中的酸性氣體發生酸堿中和反應。

另石灰漿的品質好與差直接影響到反應,該反應是除去酸性氣體的保證。垃圾電廠另一個污染源就是垃圾滲濾液。由于國內垃圾生活垃圾分類程度較低,滲濾液濃度高,成分復雜,處理難度大。但經過近年來國內技術的不斷發展與完善,最終形成了較為成熟可靠的滲濾液處理工藝,其主要工藝流程如下:

在這個工藝流程中,由于納濾與反滲透都是膜過濾,處理過程中會伴隨產生約35%的滲濾液濃液,由于滲濾液濃液含有Ca+、Mg+、Al+、Cl-等離子很高的液體,不能作為工業水回用。也不能外排的。
對于垃圾滲濾液處理,現尚未有標準與相應明確的辦法。多項目的環評報告中,常有兩種消納辦法:一種是回噴到焚燒爐中,另一種是泵入石灰漿作為制漿液。對于第一種方法,會引起鍋爐水冷壁受熱面的腐蝕,長期采用該方式消納滲濾液濃液運行必將影響鍋爐受熱面的壽命。
因此,大多數垃圾電廠采用第二種方法:將濃液泵至石灰制漿系統,用作石灰制漿用水,但濃液中含有Ca+、Mg+、Al+、Cl-等離子,會影響石灰漿除酸的效果(我們在垃圾電廠作了試驗,在不加濃液的石灰漿,讀出煙氣在線測出煙氣中SO2、SO3、HCl的數據,再用加濃液與石灰漿溶液混合,對比兩組數據,不加濃液的石灰漿效果更好,見圖中煙氣排放數據)。
不加濃液的煙氣排放數據:

加濃液的煙氣排放數據:

垃圾電廠為了保證煙氣達標排放,又不得不加大Ca(OH)2用量,但是消石灰溶解度很低,如果濃度過高,會引起旋轉霧化器的霧化頭掛漿(即為溶解的石灰漿粉粘附在旋轉霧化器噴嘴上),隨之會產生振動及不正常,因此加大Ca(OH)2石灰量的做法是有限的,另外就是加大噴漿量,但噴漿量過大,煙溫也會降低,工藝中要求煙溫控制在145~150℃,因此如果噴漿量多,煙溫就會降低,該方法還是受到受限。如何消納濃液是垃圾焚燒發電廠滲濾液處理環節中的難題。
二、新思路——冷卻水
將濃液泵至旋轉噴霧器,作為工藝冷卻水,工藝流程如圖:
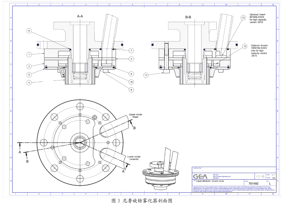
滲濾液站→濃液容器→HDPE管道→旋轉噴霧器入口(見圖3)

采用這樣的工藝,比原來將濃液直接泵入石灰漿罐體內相比可縮短濃液與石灰漿溶液混合的時間,減少了濃液在石灰漿溶液的反應,石灰漿液能夠與酸性氣體能達到正常反應的效果,達到凈化煙氣的目的。
在石灰漿與濃液的試驗數據得到證實后,即需要尋找可靠方案的實施。我們聯合設備廠家,將旋轉霧化器入口管道材質改為哈氏合金的,經過加溫到150℃~220℃長期浸泡試驗,結果是發現未被腐蝕現象,而潮南項目在2015年屬中環第一個零排放的項目,因此實施了帶滲濾液處理的新型尼魯霧化器(普通的尼魯霧化器不能處理滲濾液濃液),見圖3。
旋轉霧化器的改進設計。將進入旋轉霧化器工藝冷卻水改為滲濾液濃液,并用HDPE的管,與石灰漿管共同注入旋轉霧化器,至霧化輪再匯集一起噴出,滲濾液與石灰漿混合時間只有50毫秒,極大的減少了滲濾液濃液與石灰漿的反應,同時也使得管壁不結垢。
三、方案實施
本人多次深入研究垃圾電廠石灰制漿系統,并分析了各類進口旋轉噴霧器,對噴霧器工藝冷卻水作了定量分析,得出以下工藝方案,工藝流程見附圖4:《滲濾液濃液作為反應塔工藝冷卻水使用的工藝流程圖》。

四、結論
此項技術的采用,找到垃圾發電廠的滲濾液濃液處理的新路徑,為污水零排放的目標提供了有力保障。目前環保要求日趨嚴格,污水零排放已是新建垃圾焚燒發電項目的必然趨勢,因此,此項技術值得在垃圾焚燒行業內采用,并具備良好的推廣前景。
潮南項目目前每天都在利用該工藝線路處理廢水,減少了滲濾液濃液及污水濃液帶其他途徑的處理壓力,實踐證明該方案成功,潮南項目后國內也陸續有其他項目采用該工藝線路處理廢水。(來源:中國環境保護集團公司)


