電鍍、制革、冶金等工業在帶給人類極大方便的同時也使重金屬污染問題越來越嚴重。鉻及其化合物作為這些行業的基本原料目前已對土壤、地表水和地下水造成了不可忽視的污染。Cr(Ⅵ)的毒性很強且不易被微生物分解,其會隨著食物鏈的遷移進而威脅人類健康〔1〕。鑒于鉻污染的持久性與嚴重性,長期以來國內外學者對其治理方法進行了大量研究〔2, 3, 4〕,根據作用原理可將這些方法分為物理法〔5, 6〕、化學法〔7, 8〕、生物化學法等〔9, 10〕。
零價鐵(Fe0)因粒徑小、比表面積較大及具有較強的還原性,常被用于環境污染治理領域,以Fe0修復鉻污染的土壤、水體是國際上近20 a來興起的一門新技術〔11〕。由于Fe0來源廣泛、成本低廉,這種技術十分具有應用前景,但由于Fe0性質較活潑,反應時容易氧化失活,或被反應中鐵離子和鉻離子形成的沉淀物包覆從而阻止反應進一步進行,使材料利用率大大降低〔12〕。筆者以活性炭為載體,采用氣相還原方法將零價鐵負載到活性炭孔隙表面,構成介孔微環境,避免氧對零價鐵材料的直接損耗以及鐵氧體鈍化膜的形成,反應中活性炭吸附氫氧化物沉淀,促進反應進行并能阻止氫氧化物沉積在零價鐵表面,從而使零價鐵材料長期穩定地還原去除 Cr(Ⅵ),為處理系統的持續運行提供可能。
1 實驗部分
1.1 試劑與儀器
試劑:商用活性炭,比表面積1 200 m2/g; FeCl3·6H2O、HCl、NaOH、重鉻酸鉀、高錳酸鉀、二苯碳酰二肼等均為分析純,上海豪申化學試劑有限公司。
儀器:SK-2-6-10管式爐,武漢格萊莫檢測設備有限公司;Quanta 200掃描電子顯微鏡,荷蘭FEI公司;X’Pert PRO射線衍射儀,荷蘭帕納科公司;ME104E分析天平,上海圖新電子科技有限公司;Lambda 35型紫外可見分光光度計,美國Perkin Elmer公司;Barnstead-Dubuque超純水制備系統,美國IOWA公司;HJ-3恒溫磁力攪拌器,江蘇省金壇市環宇科學儀器廠;pHS-3C型pH計,上海雷磁精密科學儀器有限公司。
1.2 負載Fe0活性炭的制備
(1)活性炭負載Fe3+。將粉狀活性炭(PAC)過0.075 mm篩(200目),然后用去離子水清洗并置于烘箱中烘干。取一定量活性炭加入到質量分數為5%的氨水溶液中進行預處理,充分吸收后過濾并自然晾干,然后將預處理后的活性炭加入到一定質量濃度的FeCl3溶液中,FeCl3溶液的體積需保證活性炭被完全浸潤且攪拌時能夠自由流動,固液體積比以1∶3為宜,充分攪拌后過濾得到Fe3+負載活性炭,將負載活性炭放入105 ℃烘箱中烘干備用。
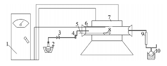
(2)高溫蒸氣水解及氣相還原。將盛有Fe3+負載活性炭的瓷舟置于管式爐中,以30 ℃/min的速率升高到750 ℃,同時通入40 L/h的水蒸氣,1 h 后停止通入蒸氣〔13〕,將爐溫降至400 ℃后恒溫,以30 mL/min速率通入H2對活性炭孔隙內附著水解生成的氧化鐵微粒進行還原,反應30 min后繼續通入H2直至管內溫度降到常溫,取出爐內活性炭清洗后烘干即得負載Fe0活性炭(PAC/ZVI)。裝置見圖 1。

圖 1 蒸氣水解-氣相還原裝置
1—溫控柜;2—水蒸氣發生器;3—流量控制閥;4—流量計; 5—推料棒;6—熱電偶;7—電爐;8—瓷舟;9—冷凝管; 10—水蒸氣收集裝置。
1.3 Cr(Ⅵ)吸附試驗
(1)吸附容量的測定。稱取一定質量的重鉻酸鉀,用去離子水配制成100 mg/L的Cr(Ⅵ)模擬溶液。取100 mL模擬溶液置于具塞玻璃瓶中,調節初始pH為5.0,加入0.20 g PAC/ZVI,常溫(25 ℃)下在磁力攪拌器上快速攪拌,每隔30 min用注射器取樣,采用二苯碳酰二肼分光光度法測定Cr(Ⅵ),高錳酸鉀氧化-二苯碳酰二肼分光光度法測定總鉻,并計算吸附劑對Cr(Ⅵ)的吸附容量。向對照組中投加普通活性炭作為吸附劑,其他實驗條件相同。
(2)吸附劑投加量的影響。調節溶液初始pH為5.0,分別取0.10、0.20、0.30、0.40、0.50 g PAC/ZVI吸附劑加入到100 mL Cr(Ⅵ)質量濃度為100 mg/L的模擬溶液中,攪拌,每隔30 min取樣測定溶液中 Cr(Ⅵ)。
(3)溶液pH的影響。取10份100 mL Cr(Ⅵ)質量濃度為100 mg/L的模擬溶液,調節溶液pH在2.0~11.0,加入0.50 g PAC/ZVI吸附劑,充分攪拌后測定溶液中的Cr(Ⅵ),計算去除率。
(4)Cr(Ⅵ)初始質量濃度的影響。配制Cr(Ⅵ)初始質量濃度分別為25、50、75、100 mg/L的模擬溶液,調節溶液初始pH為5.0,加入0.20 g PAC/ZVI吸附劑,充分攪拌后測定溶液中的Cr(Ⅵ),計算去除率。
2 結果與討論
2.1 活性炭負載Fe0效果分析
采用氨水對活性炭進行預處理,在活性炭表面形成堿性微區域,促進活性炭對Fe3+的吸收。實驗結果表明FeCl3質量分數為3%時最大吸附量為21.86 mg/g,而姚淑華等〔14〕采用椰殼活性炭直接浸漬負載Fe3+時最大吸附量為15.04 mg/g。吸附的Fe3+經蒸氣水解與氣相還原后成為零價鐵附著在活性炭表面及空隙。圖 2為負載Fe0活性炭的SEM。

圖 2 PAC/ZVI的SEM
從圖 2可以看出,活性炭表面附著許多晶粒,初步斷定為Fe0,且表面越粗糙附著效果越好,SEM自帶的EDX附件分析顯示Fe元素達80.13%,XRD(見圖 3)分析進一步證明這種晶粒確實是Fe0。

圖 3 PAC/ZVI的XRD譜圖
2.2 吸附影響因素分析
(1)吸附量隨時間變化情況。PAC與PAC/ZVI 對Cr(Ⅵ)吸附量隨時間的變化情況如圖 4所示。從圖 4可以看出,PAC/ZVI對Cr(Ⅵ)初始吸附速率大于PAC,吸附平衡時間為480 min,比PAC略長,達到平衡時吸附容量為26.02 mg/g,比PAC的吸附容量(12.34 mg/g)高出1倍多,吸附效果明顯好于 PAC。

圖 4 Cr(Ⅵ)吸附量隨時間變化情況
(2)吸附劑投加量的影響。當Cr(Ⅵ)質量濃度為100 mg/L、溫度為25 ℃、初始pH為 5.0時,以PAC/ZVI為吸附劑,考察其投加量對Cr(Ⅵ)去除效果的影響,如圖 5所示。

圖 5 吸附劑投加量對Cr(Ⅵ)去除率的影響
由圖 5可見,隨著PAC/ZVI投加量增加,其對Cr(Ⅵ)的吸附速率加快,去除率提高,當PAC/ZVI用量為5.0 g/L時去除率可達100%。這是因為PAC/ZVI對Cr(Ⅵ)的吸附為界面反應,增加吸附劑用量一方面增加了吸附劑與吸附質的接觸面積,另一方面使反應推動力相應增加,促進反應向吸附方向進行。
(3)溶液pH的影響。由于PAC/ZVI對Cr(Ⅵ)的吸附并不是簡單的物理吸附,負載的Fe0可與Cr(Ⅵ)發生氧化還原反應,增加H+有助于Fe0提供電子,因此pH越低越有利于Cr(Ⅵ)的吸附去除。實驗結果顯示,在pH<5.0、Cr(Ⅵ)質量濃度為100 mg/L、PAC/ZVI投加量為5.0 g/L時,Cr(Ⅵ)去除率可達到100%;隨著pH增加去除率逐漸降低,當pH>11.0時,Cr(Ⅵ)去除率為62%,吸附容量為 12.40 mg/g,與活性炭相當,表明此時活性炭的物理吸附在Cr(Ⅵ)去除中起主導作用。
(4)Cr(Ⅵ)初始質量濃度的影響。在初始pH為5.0、PAC/ZVI吸附劑投加量為2.0g/L時,其對不同質量濃度Cr(Ⅵ)的吸附去除率如圖 6所示。

圖 6 Cr(Ⅵ)初始質量濃度對Cr(Ⅵ)去除率的影響
從圖 6可見,Cr(Ⅵ)去除率隨Cr(Ⅵ)初始質量濃度的增加而降低,當初始質量濃度≤50 mg/L時去除率可達100%,初始質量濃度為100 mg/L時去除率僅為52.04%,這是因為隨著Cr(Ⅵ)初始質量濃度的增加吸附劑上缺乏足夠的吸附位點,導致一部分吸附質不能與吸附劑結合,從而降低了去除率,另一方面吸附劑上的Fe0不能提供足夠多的電子,使得Cr(Ⅵ)不能被充分氧化。
2.3 反應機理分析
PAC/ZVI對Cr(Ⅵ)的去除是一個復雜的物理化學過程。當PAC/ZVI浸于含Cr(Ⅵ)溶液時,在炭與Fe作用空間會形成電場,構成微型原電池,可促進Fe0對Cr(Ⅵ)的氧化去除,電極反應為:
陽極:
Fe-2e-→Fe2+
Cr2O72-+6Fe2++14H+→2Cr3++6Fe3++7H2O
CrO42++3Fe2++8H+→Cr3++3Fe3++4H2O
陰極:

反應過程中由于消耗了H+,使溶液呈堿性,生成的Cr(Ⅲ)發生水解生成Cr(OH)3沉淀,同時Fe3+與Cr(Ⅲ)可發生絡合反應生成不溶性的鐵鉻水合物〔15〕,這些沉淀物可被活性炭吸附而得到去除,實驗測得總鉻含量等于Cr(Ⅵ)含量,說明Cr(Ⅲ)水解比較充分。

可見PAC/ZVI對Cr(Ⅵ)的吸附去除主要是活性炭的吸附作用和Fe0的氧化還原共沉淀作用〔16〕,pH是影響兩種作用的主要因素。當pH較低時,氧化還原起主要作用,活性炭輔助吸附生成的沉淀產物;當pH較大時氧化還原難以進行,起主要作用的是活性炭的吸附作用。具體參見http://m.dongaorq.cn更多相關技術文檔。
3 結論
(1)蒸氣水解-H2氣相還原法能很好地將Fe0 負載到活性炭上,負載體中Fe0含量較高,鐵的氧化較少,與傳統的液相還原共沉淀法及電沉積法相比,氣相還原法具有能耗低、操作簡便、易大規模生產等優點。
(2)吸附劑投加量、溶液pH和Cr(Ⅵ)初始質量濃度等因素可影響PAC/ZVI的吸附去除效果。實驗結果表明Cr(Ⅵ)濃度低時吸附去除效果較好,在吸附劑足夠多的條件下去除率可達100%;pH越低越有助于吸附,pH>11.0時,Fe3+由于形成鈍化膜而失去作用,Cr(Ⅵ)的去除主要依靠活性炭的物理吸附作用。
(3)負載Fe0活性炭對Cr(Ⅵ)的吸附去除既有物理吸附作用也有化學作用,其中化學作用主要是構成鐵-炭微電池對Fe-Cr二元金屬體系進行微電解,產生的電解沉淀物通過活性炭的吸附作用而去除,充分發揮了Fe0的還原特性與活性炭的強吸附性,在重金屬污水處理領域具有廣闊的應用前景。


