公布日:2023.07.28
申請日:2023.05.18
分類號:C02F11/121(2019.01)I;C02F11/122(2019.01)I;C02F11/14(2019.01)I;C02F11/00(2006.01)I
摘要
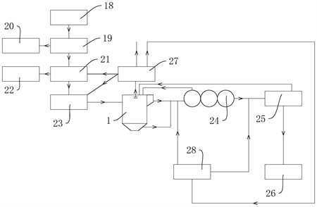
本申請涉及一種河道淤泥脫水固結一體化處理工藝,應用在淤泥處理技術的領域,其包括S1、垃圾分揀;S2、分離砂石;S3、泥水分離,儲泥池內的水經進料管輸送至沉降池,啟動升降機構驅動安裝框往復升降,同時啟動排水泵將污水輸送至清水池,定時啟動第一排泥泵和第二排泥泵,將通過一對過濾層分離出來的淤泥輸送至濃縮罐;S4、加藥;S5、脫水固化,濃縮罐內的污泥輸送至壓濾機進行脫水;S6、陳化,壓濾機產生的泥餅輸送至堆場陳化。本申請具有提高整體的河道淤泥處理效率的效果。

權利要求書
1.一種河道淤泥脫水固結一體化處理工藝,包括以下步驟:S1、垃圾分揀,通過清淤設備對河道進行清淤,通過污泥管道將淤泥輸送至垃圾分揀系統進行垃圾分揀;S2、分離砂石,垃圾分揀系統的淤泥送入泥沙分離系統去除污泥中的砂石,泥沙分離系統的淤泥輸送至儲泥池;S3、泥水分離,儲泥池內的水經進料管(17)輸送至沉降池(1),啟動升降機構(4)驅動安裝框(16)往復升降,同時啟動排水泵(8),安裝框(16)的頂部和底部均通過連接機構(6)連接有一對過濾層(5),排水軟管(9)的一端設于一對過濾層(5)之間,排水軟管(9)的另一端與排水泵(8)的進水端相連通,排水泵(8)的出水端連通有排水管(10),排水管(10)延伸至清水池(26),清水池(26)的水用于清洗垃圾分揀系統或清洗泥沙分離系統或直接排放至河道中;定時啟動第一排泥泵(11)和第二排泥泵(12),將通過一對過濾層(5)分離出來的淤泥輸送至濃縮罐(23);在沉降池(1)內進行初級的泥水分離時,通過升降機構(4)驅動安裝框(16)下降,在位于下方的過濾層(5)的過濾作用下,將安裝框(16)下方的淤泥匯集至沉降池(1)下方,使第一排泥泵(11)可以將淤泥輸送至濃縮罐(23)進行二級脫水,在位于上方的過濾層(5)的過濾作用下,將安裝框(16)上方的淤泥提升至沉降池(1)的池口處,通過刮泥機構(7)將過濾層(5)上的淤泥輸送至集泥斗(3)內,并通過第二排泥泵(12)輸送至濃縮罐(23),排水泵(8)將分離出來的污水輸送至清水池(26);S4、加藥,加藥平臺對所需要的化學藥品進行調配,對第一排泥泵(11)和第二排泥泵(12)輸出的污泥添加藥劑,將藥劑與污泥進行混合,完成污泥的調理,調理后的污泥輸入至濃縮罐(23)內進行濃縮;S5、脫水固化,濃縮罐(23)內的污泥輸送至壓濾機(24)進行脫水,輸送的過程中對污泥進行二次加藥;S6、陳化,壓濾機(24)產生的壓濾水回流至沉降池(1)內,壓濾機(24)產生的泥餅輸送至堆場(25)陳化。
2.根據權利要求1所述的一種河道淤泥脫水固結一體化處理工藝,其特征在于:所述沉降池(1)上設有機架(15),所述升降機構(4)包括設于所述機架(15)上的若干驅降組件(41)和復位組件(42),所述驅降組件(41)與所述安裝框(16)連接并用于驅動安裝框(16)下降,所述復位組件(42)與所述安裝框(16)連接并用于驅動安裝框(16)復位。
3.根據權利要求2所述的一種河道淤泥脫水固結一體化處理工藝,其特征在于:所述驅降組件(41)包括驅降電機(411)、定滑輪(412)和第一拉繩(413),所述驅降電機(411)設于所述機架(15)上,所述定滑輪(412)設于所述沉降池(1)內;所述第一拉繩(413)的一端設于所述驅降電機(411)的輸出軸上,所述第一拉繩(413)遠離所述驅降電機(411)的一端滑動貫穿所述安裝框(16),并經過所述定滑輪(412)導向后設于所述安裝框(16)的底壁上。
4.根據權利要求2所述的一種河道淤泥脫水固結一體化處理工藝,其特征在于:所述復位組件(42)包括復位電機(421)和第二拉繩(422),所述復位電機(421)設于所述機架(15)上,所述第二拉繩(422)的一端設于所述復位電機(421)的輸出軸上,所述第二拉繩(422)的一端設于所述安裝框(16)的頂壁上。
5.根據權利要求2所述的一種河道淤泥脫水固結一體化處理工藝,其特征在于:所述刮泥機構(7)包括刮板(71)和設于所述機架(15)上的驅動組件(72),所述驅動組件(72)用于驅動刮板(71)朝靠近或遠離所述集泥斗(3)的方向移動。
6.根據權利要求5所述的一種河道淤泥脫水固結一體化處理工藝,其特征在于:所述驅動組件(72)包括驅動電機(721)、螺桿(722)和設于所述機架(15)上的導向桿(723),所述驅動電機(721)設于所述機架(15)上,所述螺桿(722)轉動連接在所述機架(15)上并與所述驅動電機(721)的輸出軸連接,所述刮板(71)螺紋連接在所述螺桿(722)上,所述刮板(71)滑動貫穿所述導向桿(723)。
7.根據權利要求1所述的一種河道淤泥脫水固結一體化處理工藝,其特征在于:所述過濾層(5)包括依次設置的上濾網(51)、濾布(52)和下濾網(53),所述上濾網(51)和所述下濾網(53)通過所述連接機構(6)連接于所述安裝框(16)上。
8.根據權利要求7所述的一種河道淤泥脫水固結一體化處理工藝,其特征在于:所述連接機構(6)包括若干第一連板(61)、第二連板(62)和螺釘(63),所述第一連板(61)設于所述上濾網(51)上,所述第二連板(62)設于所述下濾網(53)上,所述螺釘(63)同時穿過第二連板(62)和第一連板(61)并螺紋連接在所述安裝框(16)上。
9.根據權利要求1所述的一種河道淤泥脫水固結一體化處理工藝,其特征在于:所述沉降池(1)的底部連通有排泥斗(2),所述第一排泥泵(11)設于所述排泥斗(2)內。
發明內容
為了改善沉淀池內淤泥沉降速度慢,影響淤泥處理效率的問題,本申請提供一種河道淤泥脫水固結一體化處理工藝。
本申請提供的一種河道淤泥脫水固結一體化處理工藝,采用如下的技術方案:
一種河道淤泥脫水固結一體化處理工藝,包括以下步驟:
S1、垃圾分揀,通過清淤設備對河道進行清淤,通過污泥管道將淤泥輸送至垃圾分揀系統進行垃圾分揀;
S2、分離砂石,垃圾分揀系統的淤泥送入泥沙分離系統去除污泥中的砂石,泥沙分離系統的淤泥輸送至儲泥池;
S3、泥水分離,儲泥池內的水經進料管輸送至沉降池,啟動升降機構驅動安裝框往復升降,同時啟動排水泵,安裝框的頂部和底部均通過連接機構連接有一對過濾層,排水軟管的一端設于一對過濾層之間,排水軟管的另一端與排水泵的進水端相連通,排水泵的出水端連通有排水管,排水管延伸至清水池,清水池的水用于清洗垃圾分揀系統或清洗泥沙分離系統或直接排放至河道中;
定時第一排泥泵和第二排泥泵,將通過一對過濾層分離出來的淤泥輸送至濃縮罐;
S4、加藥,加藥平臺對所需要的化學藥品進行調配,對第一排泥泵和第二排泥泵輸出的污泥添加藥劑,將藥劑與污泥進行混合,完成污泥的調理,調理后的污泥輸入至濃縮罐內進行濃縮;
S5、脫水固化,濃縮罐內的污泥輸送至壓濾機進行脫水,輸送的過程中對污泥進行二次加藥;
S6、陳化,壓濾機產生的壓濾水回流至沉降池內,壓濾機產生的泥餅輸送至堆場陳化。
通過采用上述技術方案,通過清淤設備將河道內的淤泥依次輸送至垃圾分揀系統、泥沙分離系統進行去除垃圾和大顆粒石塊后,將淤泥送入儲泥池儲存。然后將淤泥送入沉降池內進行初級的泥水分離,分離出來的淤泥輸送至濃縮罐進行二級脫水。濃縮罐內的淤泥輸送至壓濾機的過程中添加藥劑,改變淤泥的微觀結構,使淤泥內的水更容易析出,經過壓濾機再次脫水形成泥餅,泥餅輸送至堆場進行陳化,沉降池分離出來的污水、濃縮罐排出的污水和壓濾液輸送至清水池,以備沖洗垃圾分揀系統、泥沙分離系統或直接排入河道內,完成河道淤泥的處理。
在沉降池內進行初級的泥水分離時,通過升降機構驅動安裝框下降,在一對過濾層的作用下可以將淤泥與污水進行分離,通過排水泵將污水輸送至清水池,通過第一排泥泵將沉降池池底的淤泥輸送至濃縮罐,通過第二排泥泵將過濾層上的淤泥輸送至濃縮罐。相比于淤泥自然沉降,通過升降機構驅動過濾層升降可以更快的將淤泥和污水進行分離,從而可以更頻繁的將淤泥輸送至濃縮罐進行二級脫水,進而可以提高整個污泥處理過程的效率。
另外,經過過濾層過濾的污水相比于溢流出的污水含泥量更少,從而可以提高污水的處理效果,使污水的用途更多。
可選的,S3包括以下步驟:
S3.1、啟動升降機構和排水泵,排水泵將分離出來的污水輸送至清水池,待升降機構驅動安裝框移動至沉降池的底部時,啟動第一排泥泵運行設定時間,將沉降池底部的淤泥輸送至濃縮罐;
S3.2、待升降機構驅動安裝框移動至沉降池的頂部時,啟動刮泥機構將位于上方的過濾層上的淤泥輸送至集泥斗內,啟動第二排泥泵運行設定時間后停止,將集泥斗內的淤泥輸送至濃縮罐;
S3.3、重復S3.1和S3.2。
通過采用上述技術方案,在沉降池內進行初級的泥水分離時,通過升降機構驅動安裝框下降,在位于下方的過濾層的過濾作用下,將安裝框下方的淤泥匯集至沉降池下方,使第一排泥泵可以將淤泥輸送至濃縮罐進行二級脫水。在位于上方的過濾層的過濾作用下,將安裝框上方的淤泥提升至沉降池的池口處,通過刮泥機構將過濾層上的淤泥輸送至集泥斗內,并通過第二排泥泵輸送至濃縮罐,排水泵將分離出來的污水輸送至清水池。
相比于淤泥自然沉降,本申請可以更快的將淤泥和污水進行分離,從而可以更頻繁的將淤泥輸送至濃縮罐進行二級脫水,以提高整個污泥處理過程的效率。并且由于安裝框的頂部和底部都安裝有過濾層,可以使沉降池不間斷的輸入污水,進而可以進一步提高對淤泥的處理效率。
可選的,所述沉降池上設有機架,所述升降機構包括設于所述機架上的若干驅降組件和復位組件,所述驅降組件與所述安裝框連接并用于驅動安裝框下降,所述復位組件與所述安裝框連接并用于驅動安裝框復位。
通過采用上述技術方案,通過驅降組件與復位組件相配合,可以驅動安裝框上升或下降,使一對過濾層可以反復升降對淤泥和污水進行分離,以提高淤泥和污水的分離速度。
可選的,所述驅降組件包括驅降電機、定滑輪和第一拉繩,所述驅降電機設于所述機架上,所述定滑輪設于所述沉降池內;
所述第一拉繩的一端設于所述驅降電機的輸出軸上,所述第一拉繩遠離所述驅降電機的一端滑動貫穿所述安裝框,并經過所述定滑輪導向后設于所述安裝框的底壁上。
通過采用上述技術方案,在定滑輪的導向作用下,啟動驅降電機收卷第一拉繩時,第一拉繩拉動安裝框下降。
可選的,所述復位組件包括復位電機和第二拉繩,所述復位電機設于所述機架上,所述第二拉繩的一端設于所述復位電機的輸出軸上,所述第二拉繩的一端設于所述安裝框的頂壁上。
通過采用上述技術方案,啟動復位電機收卷第二拉繩,同時啟動驅降電機釋放第一拉繩,從而可以拉動安裝框上升。
可選的,所述刮泥機構包括刮板和設于所述機架上的驅動組件,所述驅動組件用于驅動刮板朝靠近或遠離所述集泥斗的方向移動。
通過采用上述技術方案,當安裝框移動至沉降池的池口后,啟動驅動組件使刮板將位于過濾層上的淤泥推至集泥斗內,使第二排泥泵可以將淤泥輸送至濃縮罐內。
可選的,所述驅動組件包括驅動電機、螺桿和設于所述機架上的導向桿,所述驅動電機設于所述機架上,所述螺桿轉動連接在所述機架上并與所述驅動電機的輸出軸連接,所述刮板螺紋連接在所述螺桿上,所述刮板滑動貫穿所述導向桿。
通過采用上述技術方案,通過驅動電機驅動螺桿轉動,刮板可以朝靠近或遠離集泥斗的方向移動,將過濾層上的淤泥推至集泥斗內。
可選的,所述過濾層包括依次設置的上濾網、濾布和下濾網,所述上濾網和所述下濾網通過所述連接機構連接于所述安裝框上。
通過采用上述技術方案,淤泥經過上濾網、濾布和下濾網三次過濾,對淤泥的攔截效果更好,從而可以使分離出來的污水含泥量更低。
可選的,所述連接機構包括若干第一連板、第二連板和螺釘,所述第一連板設于所述上濾網上,所述第二連板設于所述下濾網上,所述螺釘同時穿過第二連板和第一連板并螺紋連接在所述安裝框上。
通過采用上述技術方案,通過螺釘同時穿過第二連板和第一連板并螺紋連接在安裝框上,可以將過濾層安裝在安裝框上,對淤泥進行泥水分離。并且上濾網與下濾網通過第一連板、第二連板和螺釘可拆卸的連接在一起,便于將濾布取出進行更換。
可選的,所述沉降池的底部連通有排泥斗,所述第一排泥泵設于所述排泥斗內。
通過采用上述技術方案,位于安裝框下方的淤泥沉降在排泥斗內,使第一排泥泵可以將更多的淤泥輸送至濃縮罐內。
綜上所述,本申請包括以下至少一種有益技術效果:
1、在沉降池內進行初級的泥水分離時,通過升降機構驅動安裝框升降,在位于下方的過濾層的過濾作用下,將安裝框下方的淤泥匯集至沉降池下方,在位于上方的過濾層的過濾作用下,將安裝框上方的淤泥提升至沉降池的池口處,通過刮泥機構將過濾層上的淤泥輸送至集泥斗內,污水輸送至清水池,相比于淤泥自然沉降,本申請可以更快的將淤泥和污水進行分離,從而可以更頻繁的將淤泥輸送至濃縮罐進行二級脫水,以提高整個污泥處理過程的效率;
2、由于安裝框的頂部和底部都安裝有過濾層,可以使沉降池不間斷的輸入污水,進而可以進一步提高對淤泥的處理效率;
3、經過過濾層過濾的污水相比于溢流出的污水含泥量更少,從而可以提高污水的處理效果,使污水的用途更多。
(發明人:程正劍;潘蔭芳;黃寧平)






