公布日:2024.06.14
申請日:2024.01.24
分類號:C02F1/467(2023.01)I;C02F1/461(2023.01)I;C02F1/44(2023.01)I;C02F103/04(2006.01)N
摘要
本發明涉及化學電解技術領域,本發明公開了一種納米離子水發生裝置,包括:反滲透純水機組、純水儲存罐、電離主反應裝置、電離輔助反應裝置、納離水儲存罐和水泵;反滲透純水機組與純水儲存罐相連,純水儲存罐通過水泵與電離主反應裝置相連,電離主反應裝置分別與電離輔助反應裝置和納離水儲存罐相連。本發明可以快速的制備納離水,每塊電解板的電解速度大概為50L/h,并且可以以電解板并聯的方式提升制備速度,電解板的數量與制備速度成正比,電離輔助反應裝置可以較精確的控制參與電離輔助反應的鹽類水溶液濃度,能保證納離水的電解質量。

權利要求書
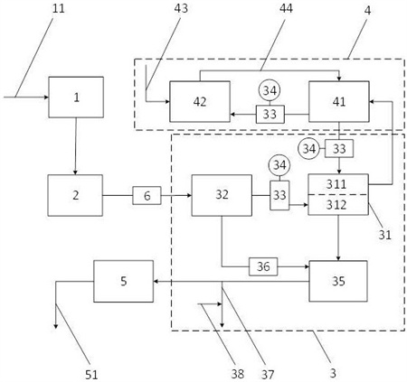
1.一種納米離子水發生裝置,其特征在于,包括:反滲透純水機組(1)、純水儲存罐(2)、電離主反應裝置(3)、電離輔助反應裝置(4)、納離水儲存罐(5)和水泵(6);所述反滲透純水機組(1)與純水儲存罐(2)相連,所述純水儲存罐(2)通過水泵(6)與電離主反應裝置(3)相連,所述電離主反應裝置(3)分別與電離輔助反應裝置(4)和納離水儲存罐(5)相連;所述電離主反應裝置(3)還包括電解板(31)、過渡水箱(32)、自吸泵(33)、加壓罐(34)、納離水濃度調節杯(35)、比例閥(36)、氫氣排出口(37)和風扇(38);所述電解板(31)由電解板正極(311)和電解板負極(312)組成;所述過渡水箱(32)與水泵(6)相連,過渡水箱(32)用于給電解主反應裝置(3)中的電離板負極(312)和納離水濃度調節杯(35)提供純水;所述自吸泵(33)與過渡水箱(32)相連,自吸泵(33)和加壓罐(34)共同組成電解主反應裝置(3)和電解輔助反應裝置(4)的水流動的動力源;所述電離主反應裝置(3)與自吸泵(33)相連,所述電解板正極(311)進行低濃度水循環,所述電解板負極(312)進行納離水的生成;所述納離水濃度調節杯(35)分別與過渡水箱(32)和電解板(31)相連,且納離水濃度調節杯(35)與過渡水箱設置有比例閥(36),用于控制納離水濃度調節杯(35)參與納離水濃度調節的目標PH值,納離水濃度調節杯(35)用于調節電解板負極(312)所電離出的納離水的濃度;所述風扇(38)用于將納離水濃度調節杯(35)電離產生的積聚氫氣(37)抽出裝置外,以免氫氣(37)大量積聚造成爆炸危險。
2.根據權利要求1所述的一種納米離子水發生裝置,其特征在于,所述反滲透純水機組(1)還包括與其相連的自來水管(11)。
3.根據權利要求2所述的一種納米離子水發生裝置,其特征在于,所述電離輔助反應裝置(4)還包括低濃度水罐(41)、高濃度水罐(42)、攪拌器(411)、濃度檢測儀(412)、添加劑(43)、溢流管(44)、進水管(45)和出水管(46);所述低濃度水罐(41)和高濃度水罐(42)中各有一個攪拌器(411)和濃度檢測儀(412),攪拌器(411)攪拌水罐保證罐內的水溶液濃度均勻,濃度檢測儀(412)實時檢測罐內水溶液濃度,所述電解板正極(311)通過進水管(45)和出水管(46)與低濃度水罐(41)相連,電解反應進行時,所述進水管(45)和出水管(46)不斷進行水循環,低濃度水罐(41)內水溶液濃度逐漸降低;為了保證低濃度水罐(41)內的水濃度,在所述低濃度水罐(41)一側又設置了高濃度水罐(42),人工能夠將增加水溶液濃度的添加劑(43)加入到高濃度水罐(42)中,所述自吸泵(33)將低濃度水罐(41)內的水溶液泵入到高濃度水罐(42)中,隨之高濃度水罐(42)內水位升高并通過溢流管(44)自動流入到低濃度水罐(41)中,以此來調節低濃度水罐(41)中的水溶液濃度。
4.根據權利要求3所述的一種納米離子水發生裝置,其特征在于,所述電離輔助反應裝置(4)的低濃度水罐(41)的水溶液濃度控制在7~9mS/cm,高濃度水罐(42)的水溶液濃度控制在70~90mS/cm。
5.根據權利要求4所述的一種納米離子水發生裝置,其特征在于,所述納離水儲存罐(5)還包括與其相連的取用出口(51)。6.根據權利要求5所述的一種納米離子水發生裝置的工作方法,其特征在于,包括以下步驟:步驟1:自來水純化進入過渡水箱(32);S11:自來水從自來水管(11)進入反滲透純水機組(1)進行凈水,并將制備好的純水保存在純水儲存罐(2)中;S12:純水從純水儲存罐(2)經水泵(6)泵入過渡水箱(32)中;步驟2:電離主反應裝置(3)電解納離水;S21:自吸泵(33)將過渡水箱(32)中的純水分別泵入電解板負極(312)和納離水濃度調節杯(35)中;S22:調節比例閥(36),確定所需納離水濃度;S23:電解板(31)開始工作;S24:電離后的氫氣通過風扇(38)的抽吸作用從氫氣排出口(37)排出裝置;步驟3:電離輔助反應裝置(4)輔助完成電離反應;步驟4:電解后的納離水存放到納離水儲存罐(5)中,并可從取用出口(51)靈活取用;步驟2與步驟3同步進行,步驟1~4的工作流程持續進行。
7.根據權利要求6所述的一種納米離子水發生裝置的工作方法,其特征在于,所述電離輔助反應裝置(4)的具體工作流程為;步驟一:攪拌器(411)工作,濃度檢測儀(412)檢測濃度,顯示器顯示讀數;步驟二:自吸泵(33)通過進水管(45)將電解板正極(311)內的輔助電解完畢的水溶液泵入低濃度水罐(41)中,自吸泵(33)通過出水管(46)將低濃度水罐(41)中的水溶液泵入到電解板正極(311)中,由此形成循環;步驟三:自吸泵(33)將低濃度水罐(41)中的水溶液泵入到高濃度水罐(42)中,高濃度水罐(42)達到高液位后通過溢流管自動流入低濃度水罐(41)中;步驟四:當高濃度水罐(42)的水溶液濃度低于70mS/cm時,人工將添加劑(43)加入到高濃度水罐(42),直到高濃度水罐(42)的水溶液濃度達到90mS/cm;步驟五:當低濃度水罐(41)的水溶液濃度偏高時,自吸泵(33)降低自吸速度;當低濃度水罐(41)的水溶液濃度偏低時,自吸泵(33)增加自吸速度;直到濃度控制在8mS/cm左右時,自吸泵(33)恢復原速;步驟一至步驟五同時進行,在不斷循環中進行動態調節。
發明內容
本發明的目的在于提供一種納米離子水發生裝置及其工作方法,以解決上述背景技術中提出的問題。
為實現上述目的,本發明提供如下技術方案:一種納米離子水發生裝置是一種利用先進技術將自來水轉化為納離子水的設備,它包括反滲透純水機組、純水儲存罐、電離主反應裝置、電離輔助反應裝置、納離水儲存罐和水泵;具體而言,反滲透純水機組通過活性炭和石英砂的過濾,將自來水轉化為純水,并經由水泵與電離主反應裝置相連,可以避免來自自來水中的鈣鎂等物質對電解板造成損壞;純水儲存罐用于收集過濾后的純水,以備后續使用;電離主反應裝置包括電解板、過渡水箱、自吸泵、加壓罐、納離水濃度調節杯、比例閥、氫氣排出口和風扇;電解板由正極和負極組成,正極進行低濃度水循環,負極則產生納離水;低濃度水中添加的鹽類添加劑影響了水電離的效率;負極將水電解為氫和氫氧根離子,其中氫氣通過排出口排出,而堿性的氫氧根離子水混合液則成為納離水,具備殺菌消毒的效果;過渡水箱與水泵相連,用于為電離主反應裝置中的負極和納離水濃度調節杯提供純水;自吸泵和加壓罐共同提供電離主反應裝置和電離輔助反應裝置中水流動的動力。
納離水濃度調節杯分別與過渡水箱和電解板相連,并通過比例閥控制其參與納離水濃度調節的目標pH值;納離水濃度調節杯用于調節負極所產生的納離水的濃度;風扇用于將納離水濃度調節杯中積聚的氫氣排出設備外,防止大量氫氣積聚引發爆炸危險;納米離子水發生裝置的作用是將自來水轉化為納離子水,這種水具有更強的殺菌消毒能力。
具體而言,電離輔助反應裝置是納米離子水發生裝置的一部分,它起到輔助電離主反應裝置的作用;該裝置包括低濃度水罐、高濃度水罐、攪拌器、濃度檢測儀、添加劑、溢流管、進水管和出水管。
低濃度水罐和高濃度水罐內各都設有一個攪拌器和一個濃度檢測儀;攪拌器的作用是保證水罐內的水溶液濃度均勻混合,濃度檢測儀則實時監測水溶液的濃度變化;當電解板正極進行電解反應時,通過進水管和出水管將水循環流動從低濃度水罐進入電解反應裝置,這樣低濃度水罐內的水溶液濃度會逐漸降低;為了保持低濃度水罐內的水溶液濃度恒定,在低濃度水罐的一側設置了高濃度水罐;人工通過添加劑將增加水溶液濃度的物質加入到高濃度水罐中;通過自吸泵,低濃度水罐內的水溶液被泵入高濃度水罐中;隨著水溶液的進入,高濃度水罐的水位上升,并通過溢流管自動流回低濃度水罐中,從而調節低濃度水罐內的水溶液濃度;電離輔助反應裝置中的低濃度水罐的水溶液濃度控制在7~9mS/cm之間,而高濃度水罐的水溶液濃度控制在70~90mS/cm之間;納離水儲存罐是用于儲存納離子水的容器,其中設有取用出口,方便用戶方便地取用所需的納離子水;這些部件共同組成了納米離子水發生裝置中的電離輔助反應裝置,使其能夠實現對納離子水濃度的精確調節和儲存。
一種納米離子水發生裝置的工作方法,包括以下步驟:步驟1:11.自來水經過反滲透純水機組進行凈化,并儲存于純水儲存罐中;12.水泵將純水從純水儲存罐泵入過渡水箱中。
步驟2:21.自吸泵將過渡水箱中的純水分別泵入電解板負極和納離水濃度調節杯中;22.通過調節比例閥36,確定所需的納離水濃度;23.電解板開始工作,將水電解為氫和氫氧根離子,在納離水中生成納離子水;24.電離后的氫氣通過風扇的抽吸作用從氫氣排出口排出裝置。
步驟3:31.攪拌器開始工作,確保水罐內水溶液濃度均勻混合;32.濃度檢測儀實時監測低濃度水罐和高濃度水罐中水溶液的濃度。
步驟4:41.自吸泵通過進水管將電解板正極內的輔助電解完成的水溶液泵入低濃度水罐中;42.自吸泵通過出水管將低濃度水罐中的水溶液泵入電解板正極中,形成循環。
步驟5:51.自吸泵將低濃度水罐中的水溶液泵入高濃度水罐中,直到高濃度水罐中的水溶液達到設定的濃度;52.當高濃度水罐的水溶液濃度低于70mS/cm時,人工向高濃度水罐中添加適量的添加劑,以提高水溶液的濃度;53.當低濃度水罐的水溶液濃度偏高時,自吸泵減小自吸速度;當低濃度水罐的水溶液濃度偏低時,自吸泵增加自吸速度;直到濃度控制在8mS/cm左右時,自吸泵恢復原速。
整個工作流程是持續循環進行的,同時進行步驟1至步驟5的操作,在不斷循環中動態調節納離子水的濃度并存儲于納離水儲存罐中,方便用戶取用。
本發明提出的一種納米離子水發生裝置及其工作方法,有益效果在于:1.本發明可以快速的制備納離水,每塊電解板的電解速度大概為50L/h,并且可以以電解板并聯的方式提升制備速度,電解板的數量與制備速度成正比。
2.本發明的電離輔助反應裝置可以較精確的控制參與電離輔助反應的鹽類水溶液濃度,能保證納離水的電解質量。
3.本發明的納米離子水發生裝置生產出的納離水為堿性無毒無色無味水溶液,比普通的洗滌劑環保,該水溶液中含有氫氧根離子,與細菌/病毒結合可以破壞其結構達到殺菌消毒作用。
(發明人:蔡沈剛;呂鴻圖;倪祥;陸亞琳;楊賀;張仁杰)






