公布日:2023.10.27
申請日:2022.12.30
分類號:C02F11/13(2019.01)I;C02F11/15(2019.01)I;B01D53/26(2006.01)I;F23G7/06(2006.01)I
摘要
本發明公開了一種綠色含油污泥資源化處理方法,屬于固體危險廢棄物無害化和資源化處置領域。本發明采用光伏、風電和水電為能源,將高頻電磁與等離子體耦合提供能源對含油污泥進行處理,提高含油污泥的資源化利用效率,減少了碳排放,不僅將含油污泥進行全完資源化,并且整套工藝全采用綠電,一鍵啟停、全自動化運行。

權利要求書
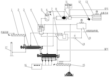
1.一種綠色含油污泥資源化處理方法,其特征在于,包括如下步驟:采用光伏、風電和水電為含油污泥處理過程中的能源,采用高頻電磁與等離子體耦合提供能源,將含油污泥經過破碎、篩分后采用間壁熱脫脫附出水蒸氣,并采用高頻電磁熱脫法脫附出石油烴油蒸汽,且含油污泥經高頻電磁熱脫附脫附出的不凝氣經過等離子體催化焚燒后產生高溫煙氣為間壁熱脫附提供熱源;間壁熱脫附的溫度為140~200℃,脫附的時間為15~40min;高頻電磁熱脫附的頻率為10K~30K,且高頻電磁熱脫附采用高頻電源+LC或者高頻電源+變壓器+LC的電磁感應模式;高頻電磁熱脫附的溫度為300~540℃,脫附的時間為10~30min;對脫除的水蒸氣和石油烴油蒸汽進行降溫,降溫后的形成的油水混合物采用氣浮分離法進行油水分離;還包括實施所述處理方法的處理系統,該處理系統包括間壁熱脫附反應器(2)、高頻電磁熱脫附反應器(3)、氣浮(7)、降溫塔(4)和等離子燃燒室(8),間壁熱脫附反應器(2)、高頻電磁熱脫附反應器(3)依次連接,間壁熱脫附反應器(2)的水蒸汽出口、高頻電磁熱脫附反應器(3)的石油烴蒸汽出口均與降溫塔(4)的進氣口連接,降溫塔(4)的出液口與氣浮(7)的進液口連接;所述等離子燃燒室(8)內還設有等離子體炬(9),且等離子燃燒室(8)的煙氣出口與間壁熱脫附反應器(2)上的夾套連通;所述氣浮(7)的出水口還連接有空冷器(10),空冷器(10)的出水口與降溫塔(4)內的進水口連接;還包括脫水塔(5),降溫塔(4)上的氣體出口與脫水塔(5)上的氣體入口連接,且脫水塔(5)上的氣體出口與等離子燃燒室(8)的進氣口連接;還包括等離子電源(11)和去離子水空冷器(13),等離子電源(11)與等離子體炬(9)電連接,去離子水空冷器(13)與等離子體炬(9)的冷卻管路連接;脫水塔(5)脫水后的不凝氣在進入等離子燃燒室(8)內后停留時間為0.2~2s,等離子燃燒室(8)內的溫度控制在600~1000℃,等離子體炬(9)上的等離子炬的功率為5~200KW。
2.根據權利要求1所述的處理方法,其特征在于,所述間壁熱脫附反應器(2)的內腔結構為回轉窯式、螺旋式、耙式或圓盤式;所述間壁熱脫附反應器(2)上的夾套內設置有折流板或多個擾流柱;還包括煙囪(17),間壁熱脫附反應器(2)上夾套的出口與煙囪(17)連通;所述高頻電磁熱脫附反應器(3)的內腔結構為螺旋式、耙式或圓盤式。
3.根據權利要求1所述的處理方法,其特征在于,所述高頻電磁熱脫附反應器(3)內壁布置有多個加熱線圈,且每個加熱線圈均配置有高頻電源(16);所述加熱線圈和高頻電源(16)中設置有電容或者變壓器+電容;所述加熱線圈兩端均設置有熱電偶;所述降溫塔(4)內設置有霧化器,且霧化器至少為一個;所述霧化器為S型霧化器、SK型霧化器或蓮花型霧化器。
4.根據權利要求1所述的處理方法,其特征在于,所述間壁熱脫附反應(2)器的進口端還設置有螺旋輸送機(1),高頻電磁熱脫附反應器(3)的出口端還設置有冷渣輸送機(15)。
發明內容
本發明的目的是針對上述現狀,提供一種綠色含油污泥資源化處理方法,以降低處理成本,減少處理過程中的碳排放,并實現含油污泥的資源化處理,滿足地方的排放標準。
為實現本發明目的,采用的技術方案為:一種綠色含油污泥資源化處理方法,包括如下步驟:
采用光伏、風電和水電為含油污泥處理過程中的能源,采用高頻電磁和等離子相耦合提供能源;
將含油污泥經過破碎、篩分后采用間壁熱脫脫附出水蒸氣,并采用高頻電磁熱脫法脫附出石油烴油蒸汽;
對脫除的水蒸氣、石油烴油蒸汽進行降溫,降溫后的油水混合物采用氣浮分離法進行油水分離。
進一步的,氣浮采用氮氣作為氣源,產生納米級氣泡,石油烴在納米級氣泡的張力作用下進行聚集,在氣浮的浮力作用下與水進行分層后進行油水分離。
進一步的,間壁熱脫脫附的溫度為140~200℃,脫附的時間為15~40min。
進一步的,高頻電磁熱脫法脫附的溫度為300~540℃,脫附的時間為10~30min。
進一步的,高頻電磁熱脫附采用頻率為10K~30K;
進一步的,高頻電磁熱脫附采用高頻電源+LC或者高頻電源+變壓器+LC的電磁感應模式。
進一步的,水、石油烴油蒸汽在冷卻降溫后產生的不凝氣進行脫水,脫水后的不凝氣經過等離子體活性粒子的催化作用下焚燒,產生高溫煙氣為間壁熱脫反應器提供熱源。
一種綠色含油污泥資源化處理系統,包括間壁熱脫附反應器、高頻電磁熱脫附反應器、氣浮、降溫塔和等離子燃燒室,等離子體炬,間壁熱脫附反應器、高頻電磁熱脫附反應器依次連接,間壁熱脫附反應器的水蒸汽出口、高頻電磁熱脫附反應器的石油烴蒸汽出口均與降溫塔的進氣口連接,降溫塔的出液口與氣浮的進液口連接;所述等離子燃燒室內還設有等離子體炬,且等離子燃燒室的煙氣出口與間壁熱脫附反應器上的夾套連通。
進一步的,所述間壁熱脫附反應器的內腔結構為回轉窯式、螺旋式、耙式或圓盤式。
進一步的,所述間壁熱脫附反應器上的夾套內設置有折流板或多個擾流柱。
進一步的,還包括煙囪,間壁熱脫附反應器上夾套的出口與煙囪連通。
進一步的,所述高頻電磁熱脫附反應器的內腔結構為螺旋式、耙式或圓盤式。
進一步的,所述高頻電磁熱脫附反應器內壁布置有多個加熱線圈,且每個加熱線圈均配置有高頻電源。
進一步的,所述加熱線圈和高頻電源中設置有電容或者變壓器+電容。
進一步的,所述降溫塔內設置有霧化器,且霧化器至少為一個。
進一步的,所述霧化器為S型霧化器、SK型霧化器或蓮花型霧化器。
進一步的,所述氣浮的出水口還連接有空冷器,空冷器的出水口與降溫塔內的進水口連接。
進一步的,還包括等離子電源和去離子水空冷器,等離子電源與等離子體炬電連接,去離子水空冷器與等離子體炬的冷卻管路連接。
進一步的,還包括脫水塔,降溫塔上的氣體出口與脫水塔上的氣體入口連接,且脫水塔上的氣體出口與等離子燃燒室的進氣口連接。
進一步的,所述間壁熱脫附反應器的進口端還設置有螺旋輸送機,高頻電磁熱脫附反應器的出口端還設置有冷渣輸送機。
本發明的有益效果是,
1、通過高頻電磁熱脫附與等離子體協同耦合處理,提高含油污泥的資源化利用效率,減少了碳排放,不僅將含油污泥進行全完資源化,而具有非常好的經濟效益、環境效益和社會效益。
2、本發明中通過對水蒸氣、石油烴油蒸汽在降溫后的不凝氣進行脫水,并對脫水后的不凝氣在等離子體活性粒子的作用下進行燃燒,產生的高溫煙氣為間壁熱脫提供熱源,整個工藝采用綠電為主要能源,不外補天然氣等其它燃料。
3、高頻電磁熱脫附采用頻率為10K~30K,并采用高頻電源+LC或者高頻電源+變壓器+LC的電磁感應模式,電電轉換效率達到90%以上。
4、高頻電磁熱脫附采用多個電磁加熱裝置,使反應器溫度可控,避免反應器結焦,提高系統使用壽命。
5、采用高頻電磁熱脫附與等離子耦合工藝,全工藝過程使用電能,一鍵啟停,全自動控制,無人值守。
(發明人:張賢彬;雷光玖;雷光軍)






