申請日2015.07.24
公開(公告)日2015.12.23
IPC分類號C02F11/00
摘要
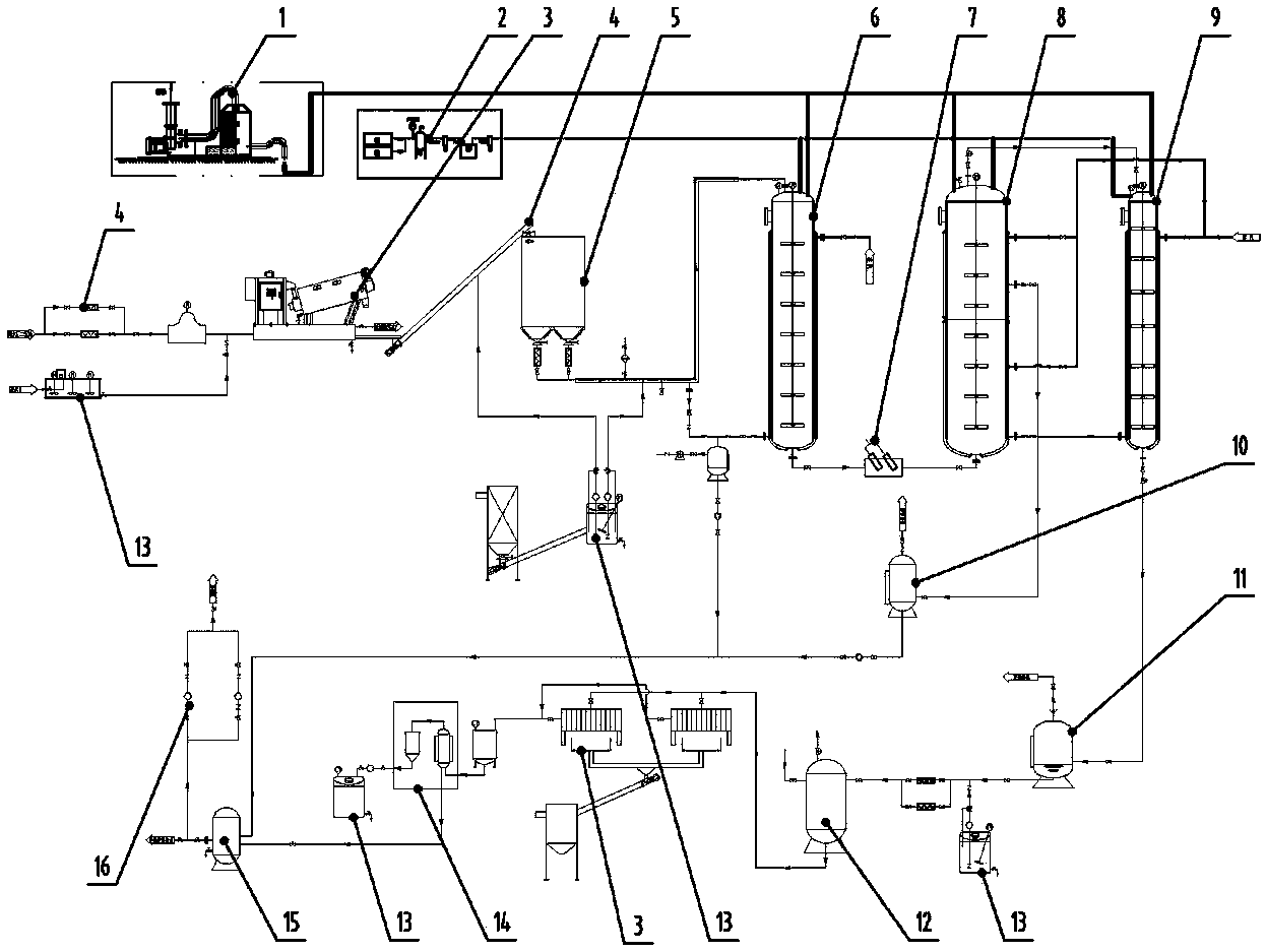
一種污泥連續化資源化處理裝置,由除臭裝置、壓縮空氣裝置、污泥脫水裝置、污泥輸送裝置、污泥料倉、預熱反應器、換能器、主反應器、二級反應器、冷凝水閃蒸裝置、物料閃蒸裝置、物料暫存罐、加藥裝置、上清液濃縮裝置、儲水罐、水輸送裝置組成,可對污泥進行連續化處理,最終產生的富營養土可作為綠化土或有機肥使用,水解濃縮液可作為泡沫混凝土和泡沫滅火劑等原料,分離出的冷凝水可作為整套系統的補水,從而實現污泥的減量化、穩定化、無害化和資源化處理;水解反應產生的氣體收集后統一由除臭裝置處理;冷凝水閃蒸裝置和物料閃蒸裝置利用高溫冷凝水和高溫物料負壓閃蒸產生蒸汽預熱污泥,有效提高系統效率,降低能耗,從而實現環保、節能。
權利要求書
1.一種污泥連續化資源化處理裝置,由除臭裝置(1)、壓縮空氣裝置(2)、污泥脫水裝置(3)、污泥輸送裝置(4)、污泥料倉(5)、預熱反應器(6)、換能器(7)、主反應器(8)、二級反應器(9)、冷凝水閃蒸裝置(10)、物料閃蒸裝置(11)、物料暫存罐(12)、加藥裝置(13)、上清液濃縮裝置(14)、儲水罐(15)、水輸送裝置(16)組成,壓縮空氣裝置(2)的出口與預熱反應器壓縮空氣進口(6-02)、主反應器壓縮空氣進口(8-01)、二級反應器壓縮空氣進口(9-01)相連,除臭裝置(1)的進口與污泥料倉排氣口(5-02)、預熱反應器排氣口(6-03)、主反應器排氣口(8-03)、二級反應器排氣口(9-03)相連,污泥輸送裝置(4)的出口與污泥料倉物料進口(5-01)相連,加藥裝置(13)的出口與污泥輸送裝置(4)的加藥口相連,污泥料倉物料出口(5-04)連接污泥輸送裝置(4),污泥輸送裝置(4)的出口與預熱反應器物料進口(6-01)相連,預熱反應器物料出口(6-05)連接污泥輸送裝置(4),污泥輸送裝置(4)的出口與換能器(7)的入口相連,換能器(7)的出口連接污泥輸送裝置(4),污泥輸送裝置(4)的出口與主反應器物料進口(8-06)相連,主反應器物料出口(8-02)連接污泥輸送裝置(4),污泥輸送裝置(4)的出口與二級反應器物料進口(9-02)相連,二級反應器物料出口(9-05)連接污泥輸送裝置(4),污泥輸送裝置(4)的出口與物料閃蒸裝置(11)的高溫入口相連,物料閃蒸裝置(11)的低溫出口經污泥輸送裝置(4)與污泥脫水裝置(3)的物料進口相連,物料閃蒸裝置(11)的蒸汽出口與預熱反應器蒸汽入口(6-04)相連,污泥脫水裝置(3)的水出口通過污泥輸送裝置(4)與上清液濃縮裝置(14)的料液進口相連,上清液濃縮裝置(14)的水出口與儲水罐(15)的進口相連,冷凝水閃蒸裝置(10)的入口與主反應器冷凝水出口(8-05)、二級反應器冷凝水出口(9-06)相連,冷凝水閃蒸裝置(10)的蒸汽出口與預熱反應器蒸汽入口(6-04)相連,冷凝水閃蒸裝置(10)的水出口通過水輸送裝置(16)與儲水罐(15)的進口相連,其特征在于:污泥料倉(5)設有物料進口(5-01)、物料出口(5-04)、排氣口(5-02),外側設有蒸汽預熱盤管(5-03),其中底部為雙料斗結構。
2.根據權利要求1所述的一種污泥連續化資源化處理裝置,其特征在于:污泥輸送裝置(4)由螺旋輸送器、管路、閥門或污泥螺桿泵、管路、閥門組成;水輸送裝置(16)由管道泵、管路、閥門或真空水泵、管路、閥門組成。
3.根據權利要求1所述的一種污泥連續化資源化處理裝置,其特征在于:加藥裝置(13)為加堿、加酸、加絮凝劑、加防腐劑中的一種。
4.根據權利要求1所述的一種污泥連續化資源化處理裝置,其特征在于:預熱反應器(6)外形為圓柱形,由內外兩層組成,內層設有物料進口(6-01)、物料出口(6-05)、壓縮空氣進口(6-02)、排氣口(6-03)、攪拌器(6-09),外層設有蒸汽入口(6-04)、冷凝水出口(6-08),預熱反應器冷凝水出口(6-08)處裝有真空罐(6-07),真空罐(6-07)配有真空泵(6-06)。
5.根據權利要求1所述的一種污泥連續化資源化處理裝置,其特征在于:主反應器(8)外形為圓柱形,由內外兩層組成,外層又分為上下兩個部分,內層設有物料進口(8-06)、物料出口(8-02)、壓縮空氣進口(8-01)、排氣口(8-03)、攪拌器(8-07);外層設有蒸汽入口(8-04)、冷凝水出口(8-05)。
6.根據權利要求1所述的一種污泥連續化資源化處理裝置,其特征在于:二級反應器(9)外形為圓柱形,由內外兩層組成,內層設有物料進口(9-02)、物料出口(9-05)、壓縮空氣進口(9-01)、排氣口(9-03)、攪拌器(9-07),外層設有蒸汽入口(9-04)、冷凝水出口(9-06)。
7.根據權利要求1所述的一種污泥連續化資源化處理裝置,其特征在于:換能器(7)為超聲波發射裝置。
8.根據權利要求1所述的一種污泥連續化資源化處理裝置,其特征在于:污泥脫水裝置(3)為污泥疊螺機或板框式壓濾機。
9.根據權利要求1所述的一種污泥連續化資源化處理裝置,其特征在于:上清液濃縮裝置(14)為MVR裝置或多效蒸發裝置。
說明書
一種污泥連續化資源化處理裝置
技術領域
本實用新型涉及一種污泥處理工藝及裝置,特別是一種污泥連續化資源化處理裝置,屬于環保技術領域。
背景技術
隨著經濟社會的發展,城市化率的不斷提升,城鎮生活污水排放快速增長,污水處理行業也得到快速發展。每處理萬噸城鎮生活污水可產生10-15噸污泥(含水率80%)。城市污泥含有大量有機質和營養元素,同時還含有大量的重金屬物質和有毒微生物。如果污泥處理處置不當,不但占用大量的有限耕地,還會對地表環境和地下水造成嚴重的污染和破壞,甚至造成二次污染。
近年來,歐盟和美國等發達國家不斷開發污泥處置和資源化利用的新方法。我國的污泥處理、處置技術尚處于起始階段,目前污泥處置方式主要有直接脫水后的土地填埋(占63%)、污泥發酵和堆肥農用(占14%),以及焚燒和綜合利用等。
污泥的資源化處理,已有很多學者及企業致力于該方面的研究,甚至有的已經開始小范圍的推廣使用了,但都存在一定的不足,比如不能連續化處理,設備體積大,投資高,能耗大,能源優化結構不夠合理,余壓余熱沒能合理利用,外加能源浪費等,與節能環保的要求還有一定的差距。
發明內容
針對現有方法及裝置的以上缺點,本實用新型提供一種污泥連續化資源化處理裝置,通過獨特的化工催化水解工藝,使污泥菌膠團、有機物顆粒破碎,同時使微生物細胞水解破壁,釋放蛋白質,最終得到污泥水解濃縮液和富營養渣土,實現污泥減量化、穩定化、無害化和資源化處理。系統回收高溫冷凝水,與水解反應后的高溫污泥溶液一起閃蒸,產生的蒸汽預熱水解反應前的污泥,預熱后產生的冷凝水進行回收并作為工藝用水再利用。整套系統連續化運行,具有生產效率高、運行成本低、工藝穩定、環保節能等優點。
本實用新型解決其技術問題所采用的技術方案如下:
一種污泥連續化資源化處理裝置由除臭裝置、壓縮空氣裝置、污泥脫水裝置、污泥輸送裝置、污泥料倉、預熱反應器、換能器、主反應器、二級反應器、冷凝水閃蒸裝置、物料閃蒸裝置、物料暫存罐、加藥裝置、上清液濃縮裝置、儲水罐、水輸送裝置組成。
壓縮空氣裝置的出口與預熱反應器壓縮空氣進口、主反應器壓縮空氣進口、二級反應器壓縮空氣進口相連,除臭裝置進口與污泥料倉排氣口、預熱反應器排氣口、主反應器排氣口、二級反應器排氣口相連,污泥輸送裝置的出口與污泥料倉污泥進口相連,加藥裝置出口與污泥輸送裝置加藥口相連,污泥料倉的出口連接污泥輸送裝置,污泥輸送裝置的出口與預熱反應器物料進口相連,預熱反應器物料出口連接污泥輸送裝置,污泥輸送裝置的出口與換能器入口相連,換能器出口連接污泥輸送裝置,污泥輸送裝置的出口與主反應器的物料進口相連,主反應器的物料出口連接污泥輸送裝置,污泥輸送裝置的出口與二級反應器的物料進口相連,二級反應器的物料出口連接污泥輸送裝置,污泥輸送裝置的出口與物料閃蒸裝置的高溫入口相連,物料閃蒸裝置的低溫出口經污泥輸送裝置與污泥脫水裝置物料進口相連,物料閃蒸裝置的蒸汽出口與預熱反應器的蒸汽入口相連,污泥脫水裝置的水出口通過污泥輸送裝置與上清液濃縮裝置的料液進口相連,上清液濃縮裝置的水出口與儲水罐進口相連。冷凝水閃蒸裝置的入口與主反應器、二級反應器的冷凝水出口相連,冷凝水閃蒸裝置的蒸汽出口與預熱反應器的蒸汽入口相連,冷凝水閃蒸裝置的水出口通過水輸送裝置與儲水罐進口相連。
污泥料倉設有物料進口、物料出口、排氣口,底部為雙料斗結構,外側設有蒸汽預熱盤管。
污泥輸送裝置由螺旋輸送器、管路、閥門或污泥螺桿泵、管路、閥門組成;水輸送裝置由管道泵、管路、閥門或真空水泵、管路、閥門組成。
加藥裝置為加堿、加酸、加絮凝劑、加防腐劑中的一種。
預熱反應器外形為圓柱形,由內外兩層組成,內層設有物料進口、物料出口、壓縮空氣進口、排氣口、攪拌器,外層設有蒸汽入口、冷凝水出口;預熱反應器冷凝水出口處裝有真空罐,真空罐配有真空泵。
主反應器外形為圓柱形,由內外兩層組成,外層又分為上下兩個部分;主反應器內層設有物料進口、物料出口、壓縮空氣進口、排氣口、攪拌器;外層設有蒸汽入口、冷凝水出口。
二級反應器外形為圓柱形,由內外兩層組成;二級反應器內層設有物料進口、物料出口、壓縮空氣進口、排氣口、攪拌器;外層設有蒸汽入口、冷凝水出口。
換能器為超聲波發射裝置。
污泥脫水裝置為污泥疊螺機或板框式壓濾機。
上清液濃縮裝置為MVR裝置或多效蒸發裝置。
本實用新型的有益效果是:采用本實用新型,可去除污泥中的有害物質,將污泥轉化為水解濃縮液和富含N、P、K和有機質的營養渣土,經上清液濃縮裝置得到的水解濃縮液可作為泡沫混凝土和泡沫滅火劑原料,經污泥脫水裝置得到的富營養渣土可最為綠化土或有機肥使用,真是實現了污泥的減量化、穩定化、無害化和資源化處理;污泥在預熱反應器、主反應器和二級反應器內逐級進行水解反應,反應更加充分、徹底;預熱反應器和主反應器之間增加換能器對污泥進行微波強化,進一步破碎有機物顆粒,保證反應效果,縮短反應時間;物料閃蒸裝置和冷凝水閃蒸裝置利用高溫物料和高溫冷凝水負壓閃蒸產生蒸汽預熱污泥料倉和預熱反應器中的污泥,充分回收低品位熱能,提高了能源利用效率,降低系統能耗,實現系統節能;水解反應產生的氣體統一收集后在除臭裝置內進行處理,整套系統連續化運行,設備體積小、能耗低,提高了單臺設備使用效率,節能減排效果顯著。







