申請日2016.04.28
公開(公告)日2016.07.20
IPC分類號C02F9/14; C02F11/12
摘要
一種養豬場廢水處理裝置,所述養豬場廢水處理裝置包括UASB反應器、初沉池、緩沖池、調節池、水解池、曝氣池、二沉池、絮凝池、沉淀池、消毒池、污泥凝縮池和設備房,本發明采用預處理、高效接觸氧化、化學絮凝和消毒的處理工藝,去除了廢水中的COD、BOD及氨氮等有害物質,消毒處理可以將超標大腸桿菌處理到無害化后進行達標出水排放,有利于提高地區地表水環境質量,有利于保障周圍居民的身心健康,對改善周圍居民的工作、生活環境都會產生明顯的效益。
權利要求書
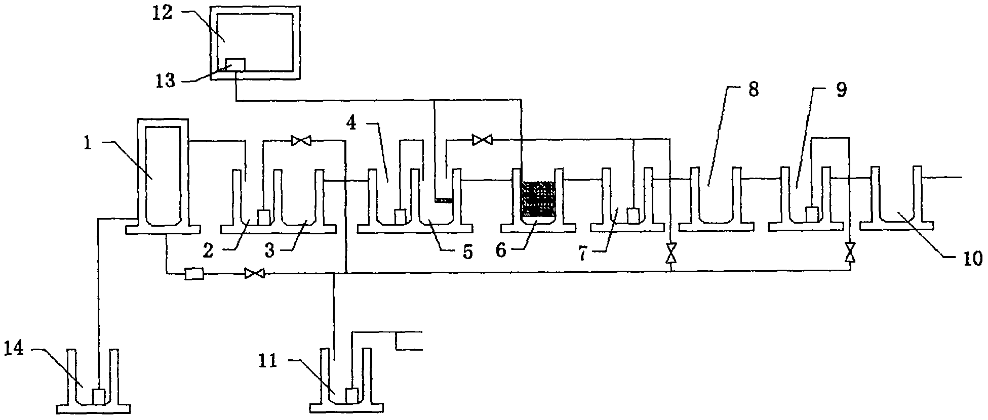
1.一種養豬場廢水處理裝置,其特征在于,所述養豬場廢水處理裝置包括UASB反應器(1)、初沉池(2)、緩沖池(3)、調節池(4)、水解池(5)、曝氣池(6)、二沉池(7)、絮凝池(8)、沉淀池(9)、消毒池(10)、污泥凝縮池(11)和設備房(12)。
2.根據權利要求1所述的一種養豬場廢水處理裝置,其特征在于,UASB反應器(1)下端通過管道與養豬場廢水集水井(14)連通,且UASB反應器(1)還通過管道分別與初沉池(2)和污泥凝縮池(11)接通,初沉池(2)與緩沖池(3)為一體結構,且相通,初沉池(2)通過管道與污泥凝縮池(11)接通,緩沖池(3)通過管道與調節池(4)接通,調節池(4)通過管道與水解池(5)接通,水解池(5)通過管道分別與曝氣池(6)和污泥凝縮池(11)接通,曝氣池(6)通過管道與二沉池(7)接通,二沉池(7)通過管道分別與絮凝池(8)和污泥凝縮池(11)接通,絮凝池(8)通過管道與沉淀池(9)接通,沉淀池(9)通過管道分別與消毒池(10)和污泥凝縮池(11)接通。
3.根據權利要求2所述的一種養豬場廢水處理裝置,其特征在于,所述消毒池(10)和污泥凝縮池(11)還接有排放管,消毒池(10)接有的排放管的數量為一個,污泥凝縮池(11)接有的排放管的數量為兩個。
4.根據權利要求1所述的一種養豬場廢水處理裝置,其特征在于,所述設備房(12)內設有羅茨鼓風機,羅茨鼓風機通過管道分別與水解池(5)和曝氣池(6)接通。
5.一種養豬場廢水處理方法,其特征在于,所述養豬場廢水處理方法包括以下步驟:
a、將集水井(14)內廢水抽入UASB反應器(1)中,實用厭氧方式將廢水的COD處理在1500mg/L以下,處理后的廢水中的污水會流入初沉池(2)中,廢水中的污泥流入污泥凝縮池(11)內;
b、往初沉池(2)內加入PAM或PAC,在初沉池(2)內除去廢水中的可沉物和漂浮物,廢水中的污水流入緩沖池(3),然后從緩沖池(3)流入調節池(4),廢水中的污泥流入污泥凝縮池(11)內;
c、在調節池(4)內調節水質以及水量,然后廢水流入水解池(5);
d、在水解池(5)中利用厭氧菌對大分子化合物的分解作用,將廢水水中較難被兼性微生物和好氧微生物分解的大分子化合物分解為小分子化合物,非溶解態的有機物被截流逐步轉化為溶解態的有機物,然后廢水中的污水流入曝氣池(6),廢水中的污泥流入污泥凝縮池(11)內;
e、在曝氣池(6)內降低廢水生化需氧量BOD和氨氮,然后廢水流入二沉池(7)內;
f、在二沉池(7)內加入PAM或PAC,除去廢水中的可沉物和漂浮物,廢水中的污水流入絮凝池(8)內,廢水中的污泥流入污泥凝縮池(11)內;
g、在絮凝池(8)內加入PAM或PAC,并進行攪拌,然后廢水中的上清液流入沉淀池(9),然后流入消毒池(10);
h、沉淀池(9)內的廢水中的污水流入消毒池(10),廢水中的污泥流入污泥凝縮池(11)內;
i、在消毒池(10)內設有臭氧發生器,利用臭氧發生器進行消毒,然后達標排放;
j、污泥凝縮池(11)內污泥可送到干化床上進行自然滲濾,還可疊螺脫水機進行脫泥。
說明書
一種養豬場廢水處理裝置及其處理方法
技術領域
本發明涉及一種廢水處理裝置,尤其是一種養豬場廢水處理裝置及其處理方法。
背景技術
沼液廢水的產生主要是在沼氣工程中投加的畜禽糞便經厭氧發酵后產生的廢棄物,廢水中含有一定量的有機物及無機物等有害物質,如直接排放,會對周邊水環境造成污染,根據相關的環保原則,建立一種廢水處理裝置是很有必要的。
發明內容
為解決以上現有難題,本發明公開了一種養豬場廢水處理裝置及其處理方法。
一種養豬場廢水處理裝置,所述養豬場廢水處理裝置包括UASB反應器、初沉池、緩沖池、調節池、水解池、曝氣池、二沉池、絮凝池、沉淀池、消毒池、污泥凝縮池和設備房。
進一步的,UASB反應器下端通過管道與養豬場廢水集水井連通,且UASB反應器還通過管道分別與初沉池和污泥凝縮池接通,初沉池與緩沖池為一體結構,且相通,初沉池通過管道與污泥凝縮池接通,緩沖池通過管道與調節池接通,調節池通過管道與水解池接通,水解池通過管道分別與曝氣池和污泥凝縮池接通,曝氣池通過管道與二沉池接通,二沉池通過管道分別與絮凝池和污泥凝縮池接通,絮凝池通過管道與沉淀池接通,沉淀池通過管道分別與消毒池和污泥凝縮池接通。
進一步的,所述消毒池和污泥凝縮池還接有排放管,消毒池接有的排放管的數量為一個,污泥凝縮池接有的排放管的數量為兩個。
進一步的,所述設備房內設有羅茨鼓風機,羅茨鼓風機通過管道分別與水解池和曝氣池接通。
一種養豬場廢水處理方法,所述養豬場廢水處理方法包括以下步驟:
a、將集水井內廢水抽入UASB反應器中,實用厭氧方式將廢水的COD處理在1500mg/L以下,處理后的廢水中的污水會流入初沉池中,廢水中的污泥流入污泥凝縮池內;
b、往初沉池內加入PAM或PAC,在初沉池內除去廢水中的可沉物和漂浮物,廢水中的污水流入緩沖池,然后從緩沖池流入調節池,廢水中的污泥流入污泥凝縮池內;
c、在調節池內調節水質以及水量,然后廢水流入水解池;
d、在水解池中利用厭氧菌對大分子化合物的分解作用,將廢水水中較難被兼性微生物和好氧微生物分解的大分子化合物分解為小分子化合物,非溶解態的有機物被截流逐步轉化為溶解態的有機物,然后廢水中的污水流入曝氣池,廢水中的污泥流入污泥凝縮池內;
e、在曝氣池內降低廢水生化需氧量BOD和氨氮,然后廢水流入二沉池內;
f、在二沉池內加入PAM或PAC,除去廢水中的可沉物和漂浮物,廢水中的污水流入絮凝池內,廢水中的污泥流入污泥凝縮池內;
g、在絮凝池內加入PAM或PAC,并進行攪拌,然后廢水中的上清液流入沉淀池,然后流入消毒池;
h、沉淀池內的廢水中的污水流入消毒池,廢水中的污泥流入污泥凝縮池內;
i、在消毒池內設有臭氧發生器,利用臭氧發生器進行消毒,然后達標排放;
j、污泥凝縮池內污泥可送到干化床上進行自然滲濾,還可疊螺脫水機進行脫泥。
有益效果:本發明采用預處理、高效接觸氧化、化學絮凝和消毒的處理工藝,去除了廢水中的COD、BOD及氨氮等有害物質,消毒處理可以將超標大腸桿菌處理到無害化后進行達標出水排放,有利于提高地區地表水環境質量,有利于保障周圍居民的身心健康,對改善周圍居民的工作、生活環境都會產生明顯的效益。







