申請日2017.10.10
公開(公告)日2018.01.19
IPC分類號C02F9/14; A01K63/04; C02F103/20
摘要
本發明公開了一種零排放式污水處理系統,包括依次沉淀池,所述的沉淀池通過輸水管與凈化過濾環道連接,所述的沉淀池的結構,包括設置在沉淀池上的進水管,所述的沉淀池靠近輸水管的位置設置有一個潷水器,所述的進水管的相對位置還設置有一個排空孔和排泥孔,所述的沉淀池及凈化環道均布置在魚池岸邊。解決魚池水質污染嚴重的問題。本發明還公開了利用該處理系統進行污水處理的方法。
權利要求書
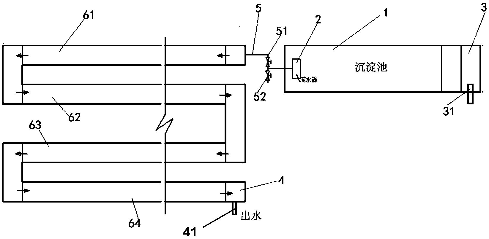
1.一種零排放式污水處理系統,其特征在于,包括依次沉淀池(1),所述的沉淀池(1)通過輸水管與凈化過濾環道(6)連接,所述的沉淀池的結構,包括設置在沉淀池上的進水管(31),所述的沉淀池靠近輸水管(5)的位置設置有一個潷水器(2),所述的進水管(31)的相對位置還設置有一個排空孔(32)和排泥孔(33),所述的沉淀池(1)及凈化環道(6)均布置在魚池岸邊。
2.根據權利要求1所述的零排放式污水處理系統,其特征在于,所述的凈化過濾環道(6)包括平行設置的四段廊道,這四段廊道依次連接,每段廊道中采用不同的過濾凈化結構,所述的四段廊道分別為:水平潛流濕地廊道A(61),水平潛流濕地廊道B(62),水平潛流濕地廊道C(63),水平潛流濕地廊道D(64)。
3.根據權利要求2所述的零排放式污水處理系統,其特征在于,所述的水平潛流濕地廊道A(61)為過濾毛刷區,在此區段內設置有過濾毛刷組(611),所述的過濾毛刷組(611)每隔10cm設置一組,每組10條毛刷,每組毛刷通過角鐵或塑料管打孔懸掛在水平潛流濕地廊道A(61)的側壁上,形成4米的毛刷過濾區。
4.根據權利要求3所述的零排放式污水處理系統,其特征在于,過濾毛刷采用直徑12cm的十字毛刷,長80cm,區域上覆蓋黑色遮光板。
5.根據權利要求2所述的零排放式污水處理系統,其特征在于,所述的水平潛流濕地廊道B(62)為生化棉凈化區,在水平潛流濕地廊道B(62)的長度方向上每一米設置一塊,間隔30cm,形成4米的生物棉過濾凈化區。
6.根據權利要求5所述的零排放式污水處理系統,其特征在于,所述的生化棉尺寸是1m*1m厚度20cm,分為透明生化棉和藤棉。在生物棉上定植形成硝化細菌菌膜凈化水質,廊道底部鋪設石英砂和陶粒。
7.根據權利要求2所述的零排放式污水處理系統,其特征在于,所述的水平潛流濕地廊道C(63)為微生物浮布區,在該位置設置有多個微生物浮布,所述的微生物浮布(631)通過使用固定裝置(632)懸掛固定于廊道內,所述的浮布的下端用塑料管內裝沙土使之在水中垂直懸吊,所述的多個微生物浮布之間,間隔交錯排列。
8.根據權利要求7所述的零排放式污水處理系統,其特征在于,所述的微生物浮布的尺寸為寬0.8m,高60cm。所述的微生物浮布(631)使用透水土工布制成,所述的固定裝置(632)為塑料管或角鐵。
9.根據權利要求2所述的零排放式污水處理系統,其特征在于,所述的水平潛流濕地廊道D(64)為陶粒挺水植物栽種區段,其中填充大規格和中規格混合水(641)陶粒,陶粒用空心磚砌墻隔斷,底部鋪設兩層空心磚(642),上鋪設50cm陶粒。
10.利用簡易零排放式魚池污水處理系統進行的過濾方法,屬于間接凈化法,其特征在于,具體按照以下步驟實施:
步驟1,利用抽水設備將水抽上岸,讓污水進入圖1中的沉淀池中進行沉淀,篩網過濾首先去除樹葉、垃圾等較大的懸浮物,采用物理沉淀工藝進一步去除懸浮物;
步驟2,經過沉淀后的污水流過凈化環道,
所述的凈化環道包括四部分,依次為水平潛流濕地廊道A(61),水平潛流濕地廊道B(62),水平潛流濕地廊道C(63),水平潛流濕地廊道D(64),所述的凈化環道采用粗大的塑料排水管,管子上部水平截掉1/3,在管道底部鋪設石英砂,陶粒,并在管道上部水面上分段種植栽植根系發達的常綠水生植物。
步驟3,經過處理的水從圖1中水平潛流濕地廊道4的出水處重新流入魚池中,完成對魚池污水的凈化過程。
說明書
一種零排放式污水處理系統及處理方法
技術領域
本發明屬于魚池污染治理領域,涉及一種零排放式污水處理系統,本發明還涉及利用該處理系統進行水處理的方法。
背景技術
箱式養魚由于養殖量大,魚類的排泄物與殘餌大量積累,從而使腐生的細菌增長,造成水質的惡化,產生碳化物,使池水污濁不清,發綠變臭,影響觀瞻、危害魚類的健康。而且會造成綠藻的大量繁殖,消耗池中僅有的氧氣,更容易使魚缺氧。若頻繁換水,會引起溫度、酸堿度及溶解氧等經常改變,影響到有益的菌類的繁殖和硝化作用;水質及水溫的過大變化都會影響魚類的生長及危害魚類的健康。
常規高密度養殖方法,其氨態氮和活性磷酸鹽的濃度比一般池塘增加7.3和10.3倍,引起池塘水質富營養化,水質cod超標,有害藻類和細菌的過度繁殖造成的水質惡化,殘餌和糞便堆積在池塘底部不能有效分解氧化產生多種有害因子。水生養殖動物環境惡化引起的病菌感染和環境應激,給淡水養殖業帶來巨大損失。同時后期治理污染的費用較大。
基于以上原因,遵循“節能、減排、減污、增效”的原則,項目擬對箱式養魚糞水進行處理回用,改善魚池水質,實現廢水零排放。
發明內容
本發明的目的是提供一種零排放式污水處理系統,解決魚池水質污染嚴重的問題。
本發明所采用的技術方案是:一種零排放式污水處理系統,包括依次沉淀池,所述的沉淀池通過輸水管與凈化過濾環道連接,所述的沉淀池的結構,包括設置在沉淀池上的進水管,所述的沉淀池靠近輸水管的位置設置有一個潷水器,所述的進水管的相對位置還設置有一個排空孔和排泥孔,所述的沉淀池及凈化環道均布置在魚池岸邊。
本發明的特點還在于,
所述的凈化過濾環道包括平行設置的四段廊道,這四段廊道依次連接,每段廊道中采用不同的過濾凈化結構,所述的四段廊道分別為:水平潛流濕地廊道A,水平潛流濕地廊道B,水平潛流濕地廊道C,水平潛流濕地廊道D。
水平潛流濕地廊道A為過濾毛刷區,其結構如圖所示,在此區段內設置有過濾毛刷組,所述的過濾毛刷組每隔10cm設置一組,每組10條毛刷,每組毛刷通過角鐵或塑料管打孔懸掛在水平潛流濕地廊道A的側壁上,形成4米的毛刷過濾區。
過濾毛刷采用直徑12cm的十字毛刷,長80cm,區域上覆蓋黑色遮光板。
所述的水平潛流濕地廊道B為生化棉凈化區,在水平潛流濕地廊道B的長度方向上每一米設置一塊,間隔30cm,形成4米的生物棉過濾凈化區。
所述的生化棉尺寸是1m*1m厚度20cm,分為透明生化棉和藤棉。在生物棉上定植形成硝化細菌菌膜凈化水質。廊道底部鋪設石英砂和陶粒。
所述的水平潛流濕地廊道C為微生物浮布區,在該位置設置有多個微生物浮布,所述的微生物浮布通過使用用角鐵或塑料管懸掛固定于廊道內,所述的浮布的下端用塑料管內裝沙土使之在水中垂直懸吊。所述的多個微生物浮布之間,間隔交錯排列。
所述的微生物浮布的尺寸為寬0.8m,高60cm。所述的微生物浮布使用透水土工布制成。
所述的水平潛流濕地廊道D為陶粒挺水植物栽種區段,其中填充大規格和中規格混合陶粒,陶粒用空心磚砌墻隔斷,底部鋪設兩層空心磚,上鋪設50cm陶粒。
本發明的另一目的是提供一種,利用簡易零排放式魚池污水處理系統進行的過濾方法。
本發明的另一技術方案是,利用簡易零排放式魚池污水處理系統進行的過濾方法,屬于間接凈化法,具體按照以下步驟實施:
步驟1,利用抽水設備將水抽上岸,讓污水進入圖1中的沉淀池中進行沉淀,篩網過濾首先去除樹葉、垃圾等較大的懸浮物,采用物理沉淀工藝進一步去除懸浮物;
步驟2,經過沉淀后的污水流過凈化環道,
所述的凈化環道包括四部分,依次為水平潛流濕地廊道A,水平潛流濕地廊道B,水平潛流濕地廊道C,水平潛流濕地廊道D,所述的凈化環道采用粗大的塑料排水管,管子上部水平截掉1/3,在管道底部鋪設石英砂,陶粒,并在管道上部水面上分段種植栽植根系發達的常綠水生植物。
步驟3,經過處理的水從水平潛流濕地廊道的出水處重新流入魚池中,完成對魚池污水的凈化過程。
本發明的有益效果是:本發明的一種零排放式污水處理系統及方法,結構簡單、操作方便且實用性很強。通過過濾法把水抽上岸,經過沉淀池,過濾環道對污水進行沉淀、過濾,使得污水經過濾處理后再重新回到水池中。形成半封閉節能減排的自凈化體系的循環水養殖系統,解決了水產品養殖業長期以來存在的缺乏有效的魚糞處理方法,從而導致水質污染嚴重的問題,并形成半封閉節能減排的自凈化體系的循環水養殖系統,實現了污水零排放。



