申請日2017.10.10
公開(公告)日2018.01.23
IPC分類號C02F9/08; C01F11/18; C01F5/14
摘要
本發明公開了一種碳化法回收脫硫廢水中鈣鎂的裝置和方法,對脫硫廢水進行簡單預處理除去重金屬后,通入CO2降低廢水的pH,分離出廢水中的CaCO3返回脫硫塔繼續利用,清液加堿使溶液中大部分Mg沉淀下來,回收沉淀中的Mg(OH)2。本發明的優點在于:除去廢水中大部分硬度的同時,回收鈣和鎂,為電廠創造一定經濟效益。
權利要求書
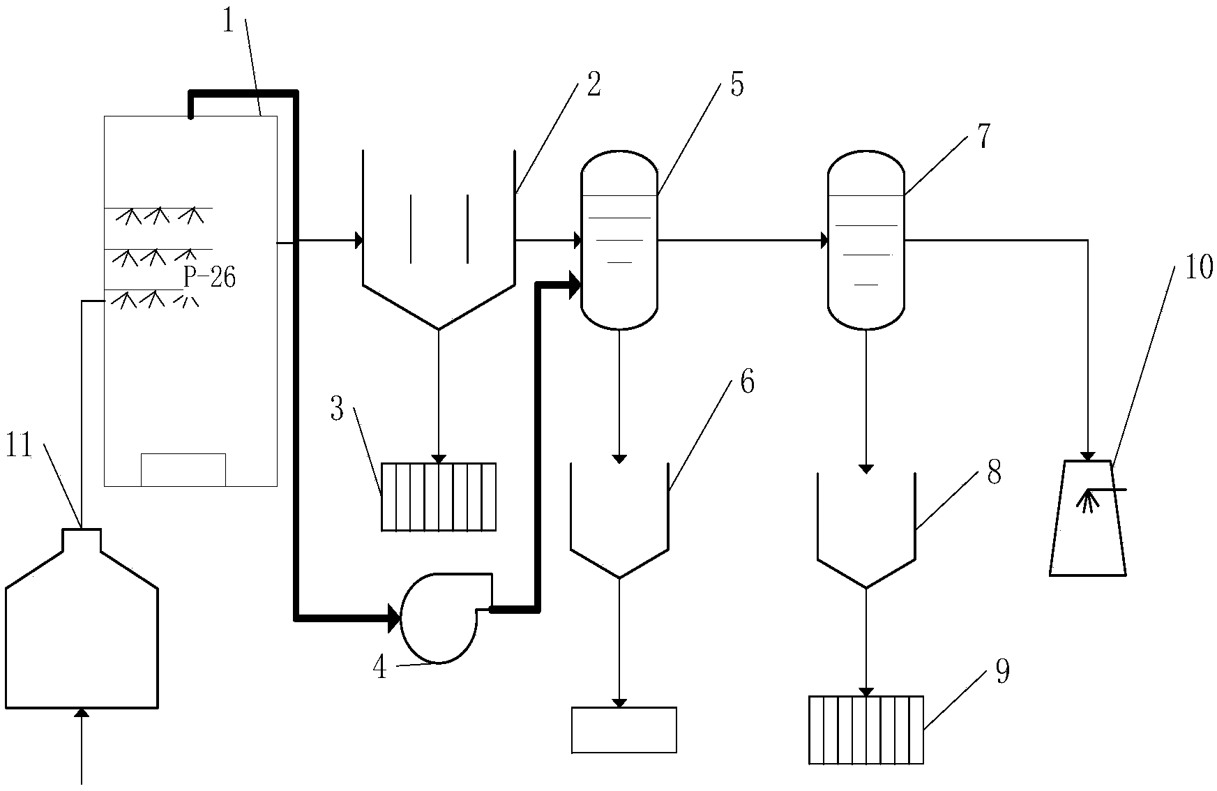
1.一種碳化法回收脫硫廢水中鈣鎂的裝置,其特征在于包括:脫硫塔(1)、中和池(2)、曝氣池(5)和鎂回收池(7),中和池(2)底部連接至板框壓濾機(3),中和池(2)上端出口連接至曝氣池(5),脫硫塔(1)出口煙氣部分通過風機(4)由曝氣池(5)底部鼓入,曝氣池(5)底部連接至碳酸鈣沉淀池(6),上端出口連接至鎂回收池(7),鎂回收池(7)底部的沉淀排除至鎂沉淀池(8),通過板框壓濾機(9)處理后回收,鎂回收池(7)上層清液送入后續處理單元(10)進行煙道蒸發等處理工藝,碳酸鈣沉淀池(6)連接至石灰石制漿系統(11),石灰石制漿系統(11)連接至脫硫塔(1)。
2.根據權利要求1所述的一種碳化法回收脫硫廢水中鈣鎂的裝置,其特征在于:所述中和池(2)中加入的藥劑為Ca(OH)2,pH控制在8.5-9.5。
3.根據權利要求1所述的一種碳化法回收脫硫廢水中鈣鎂的裝置,其特征在于:所述中和池(2)與板框壓濾機(3)通過底部出口連接,中和池(2)清液通過上端出口排出至曝氣池(5)。
4.根據權利要求1所述的一種碳化法回收脫硫廢水中鈣鎂的裝置,其特征在于:所述曝氣池(5)為間歇性曝氣,pH控制在6.5-7.5。
5.根據權利要求1所述的一種碳化法回收脫硫廢水中鈣鎂的裝置,其特征在于:所述鎂回收池中所加堿液為5%濃度的NaOH,pH控制在10-11。
6.根據權利要求1所述的一種碳化法回收脫硫廢水中鈣鎂的裝置,其特征在于:所述鎂回收池底部沉淀通過板框壓濾機處理后回收。
7.根據權利要求1所述的一種碳化法回收脫硫廢水中鈣鎂的裝置的回收脫硫廢水中鈣鎂的方法,其特征在于包括以下步驟:
步驟1、脫硫廢水送至中和池(2),在池中加入Ca(OH)2調節pH至9,底部污泥通過板框壓濾機(3)壓縮后排出,上層清液通至曝氣池(5);
步驟2、經過預處理后的廢水輸送至曝氣池,將脫硫塔(1)出口煙氣以底部曝氣的方式通入曝氣池(5),煙氣中的CO2與廢水反應后,降低廢水pH至7,產生的沉淀通過底部出口排至碳酸鈣沉淀池(6),碳酸鈣沉淀返回脫硫塔繼續利用,曝氣池(5)上層清液通過上層出口流至鎂回收池(7);
步驟3、鎂回收池(7)中加入堿液,調節pH至10,產生的沉淀通過鎂回收池(7)底部出口排出至鎂沉淀池(8),沉淀通過板框壓濾機(9)壓濾后作為副產品回收,鎂回收池(7)上層清液通過上層出口流出后送至后續處理單元(10)進行處理。
說明書
一種碳化法回收脫硫廢水中鈣鎂的裝置和方法
技術領域
本發明涉及廢水處理技術領域,特別涉及一種碳化法回收脫硫廢水中鈣鎂的裝置和方法。
背景技術
隨著環保標準日趨嚴格,脫硫廢水零排放成為趨勢,主流的零排放技術以蒸發為主,而廢水中較高的鈣鎂含量容易引起設備結垢,影響后續水處理單元正常運行。
目前常見的脫硫廢水零排放技術主要技術手段包括膜濃縮處理與蒸發結晶等,蒸發技術主要有煙道噴霧蒸發、旁路煙道蒸發、機械霧化蒸發等,通過液相蒸發使污染物從溶液中分離出來,是目前使用較為廣泛的脫硫廢水零排放技術。但是蒸發過程中的溫度和濃度變化,使得溶液中鈣鹽、鎂鹽易于析出,極易在噴嘴和煙道內壁等造成結垢,影響設備安全運行。因此控制脫硫廢水中的鈣鎂濃度顯得尤為重要。膜濃縮技術的優點是出水水質較好,大部分水可回用。但是膜法濃縮處理廢水的過程中,溶液不斷被濃縮,鈣鹽及鎂鹽達到一定濃度后析出,沉積在膜表面,使膜通量迅速下降,甚至在膜表面結垢影響膜的使用壽命。氫氧化鎂和硫酸鈣、碳酸鈣等沉淀造成的膜污堵嚴重影響膜通量和膜的運行時間,制約了膜技術在水處理方面的應用。
脫硫廢水中的鈣鎂含量,受到脫硫系統進水水質、石灰石品種等因素影響而波動較大,在5000-12000mg/L左右。使用含鎂量較高的石灰石時,廢水中的鎂離子含量較高,一方面對后續設備影響較大,另一方面,如果對鎂加以回收,可為電廠帶來一定的經濟效益。氫氧化鎂是在滅火、造紙、醫療等應用廣泛的化工品。傳統的廢水軟化主要是加堿沉淀除去鈣鎂,對藥劑的消耗較大,且產生大量污泥。中國發明專利CN 105621742 A通過依次添加氫氧化鈣和有機硫、硫酸鹽、碳酸鹽的方式軟化脫硫廢水,藥劑消耗大,且大大增加了污泥量。中國發明專利CN 105565548 A提到了用煙氣中CO2來調節廢水pH,但是仍消耗大量石灰乳、硫酸鈉等藥劑,并且處理過程中產生的污泥均不可回收。本發明不但利用CO2調節廢水pH來除去其中的鈣離子,且除去鈣離子的同時將氫氧化鎂沉淀作為副產品回收,不僅能軟化廢水,還能為電廠創造一定經濟效益。
發明內容
本發明針對現有技術的缺陷,提供了一種碳化法回收脫硫廢水中鈣鎂的裝置和方法,能有效的解決上述現有技術存在的問題。
為了實現以上發明目的,本發明采取的技術方案如下:
一種碳化法回收脫硫廢水中鈣鎂的裝置,包括:脫硫塔1、中和池2、曝氣池5和鎂回收池7,中和池2底部連接至板框壓濾機3,中和池2上端出口連接至曝氣池5,脫硫塔1出口煙氣部分通過風機4由曝氣池5底部鼓入,曝氣池5底部連接至碳酸鈣沉淀池6,上端出口連接至鎂回收池7,鎂回收池7底部的沉淀排除至鎂沉淀池8,通過板框壓濾機9處理后回收,鎂回收池7上層清液送入后續處理單元10進行煙道蒸發等處理工藝,碳酸鈣沉淀池6連接至石灰石制漿系統11,石灰石制漿系統11連接至脫硫塔1。
優選地,所述中和池2中加入的藥劑為Ca(OH)2,pH控制在8.5-9.5。
優選地,所述中和池2與板框壓濾機3通過底部出口連接,中和池2清液通過上端出口排出至曝氣池5.
優選地,所述曝氣池5為間歇性曝氣,pH控制在6.5-7.5左右。
優選地,所述鎂回收池中所加堿液為5%濃度的NaOH,pH控制在10-11。
優選地,所述鎂回收池底部沉淀通過板框壓濾機處理后回收。
本發明還公開了一種碳化法回收脫硫廢水中鈣鎂的方法,包括以下步驟:
(1)脫硫廢水送至中和池2,在池中加入Ca(OH)2調節pH至9,底部污泥通過板框壓濾機3壓縮后排出,上層清液通至曝氣池5;
(2)經過預處理后的廢水輸送至曝氣池,將脫硫塔1出口煙氣以底部曝氣的方式通入曝氣池5,煙氣中的CO2與廢水反應后,降低廢水pH至7,產生的沉淀通過底部出口排至碳酸鈣沉淀池6,碳酸鈣沉淀返回脫硫塔繼續利用,曝氣池5上層清液通過上層出口流至鎂回收池7;
(3)鎂回收池7中加入堿液,調節pH至10,產生的沉淀通過鎂回收池7底部出口排出至鎂沉淀池8,沉淀通過板框壓濾機9壓濾后作為副產品回收,鎂回收池7上層清液通過上層出口流出后送至后續處理單元10進行處理。
與現有技術相比本發明的優點在于:提出利用煙氣中CO2進行鈣鎂分離,并對鈣鎂分別進行回收。鈣轉化為碳酸鈣回收到脫硫系統,鎂作為資源回收,同時減輕對后續脫硫廢水處理系統的不良影響。
石灰石石膏濕法脫硫成本低,脫硫效率高,但許多電廠使用的高鎂石灰石,給漿液帶來了大量的鎂,漿液中較高的鎂含量迫使脫硫系統排水次數增加。而脫硫廢水中的鈣鎂會造成后續設備的結垢與堵塞。脫硫廢水軟化除去鈣鎂后,可大大增加廢水回用倍率,減少電廠排水量和水耗。軟化過程中盡可能多地用煙氣來調節pH,相比傳統的軟化工藝,節約了大量的化學藥劑。此外,主流的脫硫廢水零排放技術中,結晶產生的鹽大部分作為固廢處理,對鎂以及其他鹽的分類回收減少對環境的污染,是資源的合理化配置。
漿液中較高的鎂含量在一定程度上增加了排水次數,脫硫廢水軟化除去鈣鎂后,可大大增加廢水回用倍率,減少電廠排水量和水耗。軟化過程中盡可能多地用煙氣來調節pH,相比傳統的軟化工藝,節約了大量的化學藥劑。此外,主流的脫硫廢水零排放技術中,結晶產生的鹽大部分作為固廢處理,對鎂以及其他鹽的分類回收減少對環境的污染,是資源的合理化配置。本發明的實施可為電廠帶來顯著經濟效益,并具有良好的環境與社會效益。



