概述
生活污水處理是人們日常生活產生的一種有機廢水,它包括沖廁排水、廚房排水、洗衣排水、泳池排污水及淋浴和盥洗排水。污水處理含有大量的有機污染物和無機污染物,如不處理會對環境造成極大危害,按照污水的去向,國家及地方分別制定了相應的污水處理排放標準。
處理工藝
生活污水處理的主要特點是可生化性好,氮、磷含量高,處理的方法主要以生化法為主。污水經污水管網匯集到化糞池,化糞池的上清夜經過處理達到相應排放標準后排放。我公司的專項生活污FILT理技術—FILT生化法,采用特殊結構載體,使好氧、厭氧、兼氧的過程在一個處理系統中反復發生,從而高效地降低污水中的有機物和氮、磷等污染物,使之達到排放要求。
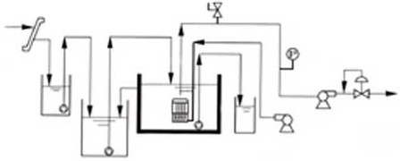
工藝流程

工藝特點
* 占地面積小,模塊化設計
* 運行費用低,投資省
* 處理流程簡單、管理方便
* 處理系統無氣味、噪音低
* 耐沖擊負荷能力強、生物鏈穩定、處理效果好
* 污泥消耗率高、產泥量小
* FILT生化填料使用壽命長、運行成本低
應用領域
* 小區污水處理
* 城市污水處理
* 別墅區及賓館污水處理
設計參數

中水設備是專為工業污水和生活污水回用而研制的一種新型生化凈水處理設備,其打破傳統的中水水處理設施所沿用的工藝,將國際上最新膜技術工藝用于中水處理,從而構成了當今最新的中水水處理技術。其出水水質優良而穩定,適宜于沖廁、綠地、洗車、補充觀賞水體等非飲用水場所,極大的利用了水資源、減少了環境污染。同時可以查看中國污水處理工程網更多技術文檔。
適用范圍:
要求的進水水質為:BOD≤500mg/l CODcr≤1500mg/l T-N≤60mg/l SS≤400mg/l,污水經處理后達到《惠州市中水水質標準》中的要求,主要指標為:色度≤40度 COD≤50ppm、BOD≤10ppm、SS≤10ppm 、PH≤6.5~9、LAS≤1ppm
總大腸菌群≤3個、細菌總數≤100個/L、游離余氯≥0.2ppm,并且出水無不快感覺。
特 點:
出水代謝物含量極低,水質穩定優良,遠遠高于國家生活雜用水標準,適宜于回用。
剩余污泥少,排泥周期長,污泥無需處理。
運行費用低,每噸水運行電耗為0.38~0.80kW.H。
運行管理簡單,易于實現自動化
結構簡單、安裝簡易、占地少、易于運輸。
與附屬設施有機結合,易于實現系統的自檢、自修、以及遠程控制、具有高可靠性、無需專人維護管理。
設備采用全鋼結構,制作精密,運用多種有效手段延長關鍵設備的壽命。來源:谷騰水網
工藝流程:



