公布日:2023.08.08
申請日:2023.05.18
分類號:F23G5/44(2006.01)I;F23J15/00(2006.01)I;F23J15/04(2006.01)I
摘要
本發明公開了一種用于污泥焚燒煙氣的脫酸降溫裝置及方法,包括:脫酸降溫塔,包括沿塔體高度方向自下而上設置的脫酸噴淋裝置、填料層、降溫噴淋裝置、清洗噴淋裝置和除霧器;脫酸水循環裝置,包括脫酸水箱和脫酸水循環泵,脫酸水箱設于脫酸降溫塔的下方,脫酸水箱通過脫酸水循環泵與脫酸噴淋裝置連通;冷凝水循環裝置,包括冷凝水箱、冷凝水循環泵和集水帽,冷凝水箱通過冷凝水循環泵分別與降溫噴淋裝置和清洗噴淋裝置連通,集水帽設于脫酸降溫塔內,冷凝水箱通過管道與位于集水帽周緣上方的脫酸降溫塔連通,冷凝水箱通過溢流方式與脫酸水箱連通。本發明的有益效果為:煙氣在脫酸、降溫及除霧所用的噴淋水實現了循環利用,節約資源。

權利要求書
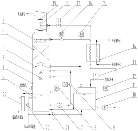
1.一種用于污泥焚燒煙氣的脫酸降溫裝置,其特征在于,包括:脫酸降溫塔,其包括沿塔體高度方向自下而上依次設置的脫酸噴淋裝置、填料層、降溫噴淋裝置、清洗噴淋裝置和除霧器;脫酸水循環裝置,其包括脫酸水箱和脫酸水循環泵;所述脫酸水箱設于所述脫酸降溫塔的下方并與所述脫酸降溫塔的底端連通;所述脫酸水箱通過所述脫酸水循環泵與所述脫酸噴淋裝置連通;冷凝水循環裝置,其包括冷凝水箱、冷凝水循環泵和集水帽;所述冷凝水箱通過所述冷凝水循環泵分別與所述降溫噴淋裝置和所述清洗噴淋裝置連通;所述集水帽設于所述脫酸降溫塔內且位于所述填料層和所述脫酸噴淋裝置之間;所述冷凝水箱通過管道與位于所述集水帽周緣上方的脫酸降溫塔連通;所述冷凝水箱通過溢流方式與所述脫酸水箱連通。
2.根據權利要求1所述的脫酸降溫裝置,其特征在于,所述降溫噴淋裝置和所述清洗噴淋裝置與所述冷凝水循環泵之間設有換熱器,利用外部冷卻循環水對冷凝循環水進行降溫。
3.根據權利要求1所述的脫酸降溫裝置,其特征在于,所述集水帽設為“傘”狀且中心設有通氣孔,降溫噴淋水在所述集水帽周緣的上表面匯集,煙氣通過所述通氣孔向上運動。
4.根據權利要求1所述的脫酸降溫裝置,其特征在于,所述脫酸水箱設有第一回流口,所述脫酸水循環泵通過所述第一回流口與所述脫酸水箱連通;所述冷凝水箱設有第二回流口,所述冷凝水循環泵通過所述第二回流口與所述冷凝水箱連通。
5.根據權利要求4所述的脫酸降溫裝置,其特征在于,所述脫酸噴淋裝置和所述脫酸水循環泵之間設有脫酸循環水流量計;所述第一回流口和所述脫酸水循環泵之間設有脫酸循環水pH計;所述降溫噴淋裝置和所述冷凝水循環泵之間設有冷凝循環水溫度計和冷凝循環水流量計;所述第二回流口與所述冷凝水循環泵之間設有冷凝循環水pH計。
6.根據權利要求1所述的脫酸降溫裝置,其特征在于,所述脫酸水箱設有第一溢流口,所述脫酸水箱通過所述第一溢流口與水封筒連接;所述冷凝水箱設有第二溢流口,所述冷凝水箱通過所述第二溢流口與所述脫酸水箱連通;所述第二溢流口所處位置高于所述第一溢流口所處位置。
7.根據權利要求1所述的脫酸降溫裝置,其特征在于,所述脫酸水箱設有第一堿液投加口,所述冷凝水箱設有第二堿液投加口,所述第一堿液投加口和所述第二堿液投加口均與外部堿液容器連接。
8.根據權利要求1所述的脫酸降溫裝置,其特征在于,所述除霧器由兩層除霧板構成,所述清洗噴淋裝置位于所述兩層除霧板中間,且所述除霧板的直徑小于所述脫酸降溫塔的內徑,所述清洗噴淋裝置采用雙向噴頭。
9.一種如權利要求1-8中任一項所述的一種用于污泥焚燒煙氣的脫酸降溫裝置的脫酸降溫方法,其特征在于,包括:污泥焚燒后的煙氣進入脫酸降溫塔中,通過脫酸水循環泵將所述脫酸水箱中的脫酸循環水輸送至脫酸噴淋裝置對所述煙氣進行噴淋,所述煙氣和所述脫酸循環水充分接觸并發生中和反應,噴淋后的脫酸循環水回落至所述脫酸水箱實現脫酸水循環;在所述脫酸水循環過程中,通過脫酸循環水pH計實時監測所述脫酸循環水的酸堿度,當所述脫酸循環水的pH呈酸性時,開啟脫酸水箱堿液控制閥對所述脫酸水箱進行堿液補充;中和反應后的煙氣在所述脫酸降溫塔中繼續上升,通過冷凝水循環泵將冷凝水箱中的冷凝循環水輸送至降溫噴淋裝置對所述煙氣進行噴淋降溫,噴淋后的冷凝循環水在集水帽的周緣上方進行匯集并通過管道回流至所述冷凝水箱中實現冷凝水循環;在所述冷凝水循環過程中,通過冷凝循環水pH計實時監測所述冷凝循環水的酸堿度,當所述冷凝循環水的pH呈酸性時,開啟冷凝水箱堿液控制閥對所述冷凝水箱進行堿液補充;同時,通過冷凝循環水溫度計實時監測所述冷凝循環水的水溫,當水溫高于50℃時,開啟自來水補水電磁閥對所述冷凝循環水進行應急降溫。
10.根據權利要求9所述的脫酸降溫方法,其特征在于,還包括:當所述冷凝水箱中的液位高度超過第二溢流口時,所述冷凝循環水沿管道流入所述脫酸水箱中,實現對所述脫酸循環水的補充,當所述脫酸水箱中的液位高度超過第一溢流口時,所述脫酸循環水沿管道溢流至水封筒并進一步溢流排出。
發明內容
為解決上述問題,本發明的目的在于提供一種用于污泥焚燒煙氣的脫酸降溫裝置及方法。
本發明提供了一種用于污泥焚燒煙氣的脫酸降溫裝置,該裝置包括:
脫酸降溫塔,其包括沿塔體高度方向自下而上依次設置的脫酸噴淋裝置、填料層、降溫噴淋裝置、清洗噴淋裝置和除霧器;
脫酸水循環裝置,其包括脫酸水箱和脫酸水循環泵;所述脫酸水箱設于所述脫酸降溫塔的下方并與所述脫酸降溫塔的底端連通;所述脫酸水箱通過所述脫酸水循環泵與所述脫酸噴淋裝置連通;
冷凝水循環裝置,其包括冷凝水箱、冷凝水循環泵和集水帽;所述冷凝水箱通過所述冷凝水循環泵分別與所述降溫噴淋裝置和所述清洗噴淋裝置連通;所述集水帽設于所述脫酸降溫塔內且位于所述填料層和所述脫酸噴淋裝置之間;所述冷凝水箱通過管道與位于所述集水帽周緣上方的脫酸降溫塔連通;所述冷凝水箱通過溢流方式與所述脫酸水箱連通。
作為本發明進一步的改進,所述降溫噴淋裝置和所述清洗噴淋裝置與所述冷凝水循環泵之間設有換熱器,利用外部冷卻循環水對冷凝循環水進行降溫。
作為本發明進一步的改進,所述集水帽設為“傘”狀且中心設有通氣孔,降溫噴淋水在所述集水帽周緣的上表面匯集,煙氣通過所述通氣孔向上運動。
作為本發明進一步的改進,所述脫酸水箱設有第一回流口,所述脫酸水循環泵通過所述第一回流口與所述脫酸水箱連通;所述冷凝水箱設有第二回流口,所述冷凝水循環泵通過所述第二回流口與所述冷凝水箱連通。
作為本發明進一步的改進,所述脫酸噴淋裝置和所述脫酸水循環泵之間設有脫酸循環水流量計;所述第一回流口和所述脫酸水循環泵之間設有脫酸循環水pH計;
所述降溫噴淋裝置和所述冷凝水循環泵之間設有冷凝循環水溫度計和冷凝循環水流量計;所述第二回流口與所述冷凝水循環泵之間設有冷凝循環水pH計。
作為本發明進一步的改進,所述脫酸水箱設有第一溢流口,所述脫酸水箱通過所述第一溢流口與水封筒連接;所述冷凝水箱設有第二溢流口,所述冷凝水箱通過所述第二溢流口與所述脫酸水箱連通;所述第二溢流口所處位置高于所述第一溢流口所處位置。
作為本發明進一步的改進,所述脫酸水箱設有第一堿液投加口,所述冷凝水箱設有第二堿液投加口,所述第一堿液投加口和所述第二堿液投加口均與外部堿液容器連接。
作為本發明進一步的改進,所述除霧器由兩層除霧板構成,所述清洗噴淋裝置位于所述兩層除霧板中間,且所述除霧板的直徑小于所述脫酸降溫塔的內徑,所述清洗噴淋裝置采用雙向噴頭。
本發明還提供了一種用于污泥焚燒煙氣的脫酸降溫方法,該方法包括:
污泥焚燒后的煙氣進入脫酸降溫塔中,通過脫酸水循環泵將所述脫酸水箱中的脫酸循環水輸送至脫酸噴淋裝置對所述煙氣進行噴淋,所述煙氣和所述脫酸循環水充分接觸并發生中和反應,噴淋后的脫酸循環水回落至所述脫酸水箱實現脫酸水循環;
在所述脫酸水循環過程中,通過脫酸循環水pH計實時監測所述脫酸循環水的酸堿度,當所述脫酸循環水的pH呈酸性時,開啟脫酸水箱堿液控制閥對所述脫酸水箱進行堿液補充;
中和反應后的煙氣在所述脫酸降溫塔中繼續上升,通過冷凝水循環泵將冷凝水箱中的冷凝循環水輸送至降溫噴淋裝置對所述煙氣進行噴淋降溫,噴淋后的冷凝循環水在集水帽的周緣上方進行匯集并通過管道回流至所述冷凝水箱中實現冷凝水循環;
在所述冷凝水循環過程中,通過冷凝循環水pH計實時監測所述冷凝循環水的酸堿度,當所述冷凝循環水的pH呈酸性時,開啟冷凝水箱堿液控制閥對所述冷凝水箱進行堿液補充;同時,通過冷凝循環水溫度計實時監測所述冷凝循環水的水溫,當水溫高于50℃時,開啟自來水補水電磁閥對所述冷凝循環水進行應急降溫。
作為本發明進一步的改進,當所述冷凝水箱中的液位高度超過第二溢流口時,所述冷凝循環水沿管道流入所述脫酸水箱中,實現對所述脫酸循環水的補充,當所述脫酸水箱中的液位高度超過第一溢流口時,所述脫酸循環水沿管道溢流至水封筒并進一步溢流排出。
本發明的有益效果為:第一、煙氣在脫酸、降溫及除霧所用的噴淋水實現了循環利用,節約了水資源;第二、獨立又相互連通的循環系統確保與煙氣接觸的水體水質逐級提升,實現了效果最大化;第三、煙氣下進上出,依次經過脫酸、降溫、除霧,煙氣質量逐步提升。
(發明人:武志飛;徐興華;趙鳳;申維真;岳豐;駱春曉;史青君;劉曉貞;劉明;宮福昕)






