公布日:2023.12.01
申請日:2023.10.30
分類號:B01D36/04(2006.01)I;B01F27/95(2022.01)I
摘要
本發明涉及廢水處理技術領域,公開了一種抗生素制藥廢水處理系統,包括廢水處理箱,所述廢水處理箱的頂部一端設有進料通道,所述廢水處理箱一側設有廢水過濾箱,所述廢水過濾箱遠離所述廢水處理箱一側底部設有卸料口二,所述廢水過濾箱遠離所述卸料口二的一側上部通過出料口與所述廢水處理箱連接,所述廢水過濾箱遠離所述廢水處理箱一側中心靠下部位設有收集箱,所述收集箱側邊頂部通過卸料口一與所述廢水過濾箱連接;所述廢水處理箱內從上到下依次設有上腔體、液體腔和下腔體,所述液體腔頂部中心處設有上通口,所述液體腔的底部中心處設有下通口,所述上腔體內設有混合機構。有益效果:提高廢水過濾過程中的順暢性,利于廢水處理中的過濾效果。

權利要求書
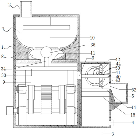
1.一種抗生素制藥廢水處理系統,其特征在于,包括廢水處理箱(1),所述廢水處理箱(1)的頂部一端設有進料通道(2),所述廢水處理箱(1)一側設有廢水過濾箱(3),所述廢水過濾箱(3)遠離所述廢水處理箱(1)一側底部設有卸料口二(4),所述廢水過濾箱(3)遠離所述卸料口二(4)的一側上部通過出料口(6)與所述廢水處理箱(1)連接,所述廢水過濾箱(3)遠離所述廢水處理箱(1)一側中心靠下部位設有收集箱(5),所述收集箱(5)側邊頂部通過卸料口一(52)與所述廢水過濾箱(3)連接;所述廢水處理箱(1)內從上到下依次設有上腔體(7)、液體腔(8)和下腔體(9),所述液體腔(8)頂部中心處設有上通口(10),所述液體腔(8)的底部中心處設有下通口(11),所述上腔體(7)內設有混合機構(12),所述下腔體(9)內設有推動機構(13),所述廢水過濾箱(3)內下部橫穿設有過濾板一(14),所述過濾板一(14)位于所述卸料口一(52)側邊下方位置處,所述過濾板一(14)的下方設有過濾板二(15),所述過濾板一(14)上方設有刮除裝置;所述推動機構(13)包括電機二(27),所述電機二(27)安裝在所述廢水處理箱(1)外側下部一端,所述電機二(27)的一端設有下連接軸(28),所述下連接軸(28)貫穿于所述廢水處理箱(1)延伸至所述廢水處理箱(1)內另一端下部位置處,所述下連接軸(28)表面中部套設有偏心齒輪一(29),所述下連接軸(28)兩端位于所述下腔體(9)內兩側位置處均套設有立板(30),所述立板(30)的底部分別固定在所述下腔體(9)內底部兩端,所述立板(30)的頂部均設有U型槽(31),所述U型槽(31)內均設有升降滑板(32),所述升降滑板(32)的頂部之間橫穿設有推板(33),所述推板(33)的頂部中心處設有頂桿(34),所述頂桿(34)貫穿于所述下通口(11)延伸至所述液體腔(8)內,所述液體腔(8)內設有球體(35),所述球體(35)的直徑大于所述上通口(10)和所述下通口(11)的橫截面尺寸,所述升降滑板(32)底部橫穿設有上連接軸(36),所述上連接軸(36)的表面中部套設有與所述偏心齒輪一(29)相嚙合的偏心齒輪二(37),所述偏心齒輪二(37)兩側位于所述升降滑板(32)內側端設有轉盤(38),所述轉盤(38)套設在所述上連接軸(36)的表面兩端,所述轉盤(38)的下方均設有相配合的轉輪(39),所述轉輪(39)套設在所述下連接軸(28)的表面兩端。
2.根據權利要求1所述的一種抗生素制藥廢水處理系統,其特征在于,所述混合機構(12)包括套筒(16),所述套筒(16)的頂部固定在所述廢水處理箱(1)內頂部中心處,所述套筒(16)的底部設有固定濾網(17),所述固定濾網(17)的底部中心處設有星形轉板(18),所述星形轉板(18)的頂部設有轉軸(19),所述轉軸(19)貫穿于所述固定濾網(17)、所述套筒(16)和所述廢水處理箱(1)頂部中心處,所述轉軸(19)頂部設有電機一(20),所述電機一(20)固定在所述廢水處理箱(1)外頂部中心位置處。
3.根據權利要求2所述的一種抗生素制藥廢水處理系統,其特征在于,所述固定濾網(17)底部一側設有軌道(21),所述軌道(21)內設有若干個限位滑輪(22),所述限位滑輪(22)的底部均設有連接臂(23),所述連接臂(23)底部另一端均設有軸桿(24),所述軸桿(24)貫穿于所述星形轉板(18),所述軸桿(24)的底部均設有刮板一(25)。
4.根據權利要求1所述的一種抗生素制藥廢水處理系統,其特征在于,所述刮除裝置包括橫板(40),所述橫板(40)固定在所述廢水過濾箱(3)內上方內壁處,所述橫板(40)側邊設有U型夾塊(41),所述U型夾塊(41)遠離所述橫板(40)的一側設有回形移動板(42),所述回形移動板(42)的底部設有刮板二(43),所述刮板二(43)的底部與所述過濾板一(14)的頂部相接觸。
5.根據權利要求4所述的一種抗生素制藥廢水處理系統,其特征在于,所述回形移動板(42)的回型槽內設有滑塊(44),所述滑塊(44)中部穿插設有支桿一(45),所述支桿一(45)遠離所述U型夾塊(41)一端設有轉臂一(46),所述轉臂一(46)另一端穿插設有支桿二(47),所述支桿二(47)另一端設有設有轉臂二(48),所述轉臂二(48)另一端穿插設有轉臂軸,所述轉臂軸一端連接在所述廢水過濾箱(3)內上部中心處。
6.根據權利要求5所述的一種抗生素制藥廢水處理系統,其特征在于,所述支桿二(47)的表面中部設有外側偏心齒輪(49),所述外側偏心齒輪(49)外側設有與所述外側偏心齒輪(49)相嚙合的內側齒輪環(50),所述內側齒輪環(50)遠離所述橫板(40)的一側兩端均設有凸板(51),所述凸板(51)遠離所述內側齒輪環(50)一端固定在所述廢水過濾箱(3)內壁上部兩端處。
發明內容
本發明的技術任務是針對以上不足,提供一種抗生素制藥廢水處理系統,來解決上述中的問題。
本發明的技術方案是這樣實現的:
一種抗生素制藥廢水處理系統,包括廢水處理箱,所述廢水處理箱的頂部一端設有進料通道,所述廢水處理箱一側設有廢水過濾箱,所述廢水過濾箱遠離所述廢水處理箱一側底部設有卸料口二,所述廢水過濾箱遠離所述卸料口二的一側上部通過出料口與所述廢水處理箱連接,所述廢水過濾箱遠離所述廢水處理箱一側中心靠下部位設有收集箱,所述收集箱側邊頂部通過卸料口一與所述廢水過濾箱連接;所述廢水處理箱內從上到下依次設有上腔體、液體腔和下腔體,所述液體腔頂部中心處設有上通口,所述液體腔的底部中心處設有下通口,所述上腔體內設有混合機構,所述下腔體內設有推動機構,所述廢水過濾箱內下部橫穿設有過濾板一,所述過濾板一位于所述卸料口一側邊下方位置處,所述過濾板一的下方設有過濾板二,所述過濾板一上方設有刮除裝置。
作為優選,所述混合機構包括套筒,所述套筒的頂部固定在所述廢水處理箱內頂部中心處,所述套筒的底部設有固定濾網,所述固定濾網的底部中心處設有星形轉板,所述星形轉板的頂部設有轉軸,所述轉軸貫穿于所述固定濾網、所述套筒和所述廢水處理箱頂部中心處并頂部設有電機一,所述電機一固定在所述廢水處理箱外頂部中心位置處。
作為優選,所述固定濾網底部一側設有軌道,所述軌道內設有若干個限位滑輪,所述限位滑輪的底部均設有連接臂,所述連接臂底部另一端均設有軸桿,所述軸桿貫穿于所述星形轉板,所述軸桿的底部均設有刮板一,所述刮板一底部中心處相鄰之間均設有連接橫桿,所述連接橫桿兩端均通過活動軸與所述刮板一的底部中心處活動連接。
作為優選,所述推動機構包括電機二,所述電機二安裝在所述廢水處理箱外側下部一端,所述電機二的一端設有下連接軸,所述下連接軸貫穿于所述廢水處理箱延伸至所述廢水處理箱內另一端下部位置處,所述下連接軸表面中部套設有偏心齒輪一,所述下連接軸兩端位于所述下腔體內兩側位置處均套設有立板,所述立板的底部分別固定在所述下腔體內底部兩端,所述立板的頂部均設有U型槽,所述U型槽內均設有升降滑板,所述升降滑板的頂部之間橫穿設有推板,所述推板的頂部中心處設有頂桿,所述頂桿貫穿于所述下通口延伸至所述液體腔內,所述液體腔內設有球體,所述球體的直徑大于所述上通口和所述下通口的橫截面尺寸。
作為優選,所述升降滑板底部橫穿設有上連接軸,所述上連接軸的表面中部套設有與所述偏心齒輪一相嚙合的偏心齒輪二,所述偏心齒輪二兩側位于所述升降滑板內側端設有轉盤,所述轉盤套設在所述上連接軸的表面兩端,所述轉盤的下方均設有相配合的轉輪,所述轉輪套設在所述下連接軸的表面兩端。
作為優選,所述刮除裝置包括橫板,所述橫板固定在所述廢水過濾箱內上方內壁處,所述橫板側邊設有U型夾塊,所述U型夾塊遠離所述橫板的一側設有回形移動板,所述回形移動板的底部設有刮板二,所述刮板二的底部與所述過濾板一的頂部相接觸。
作為優選,所述回形移動板的回型槽內設有滑塊,所述滑塊中部穿插設有支桿一,所述支桿一遠離所述U型夾塊一端設有轉臂一,所述轉臂一另一端穿插設有支桿二,所述支桿二另一端設有設有轉臂二,所述轉臂二另一端穿插設有轉臂軸,所述轉臂軸一端連接在所述廢水過濾箱內上部中心處。
作為優選,所述支桿二的表面中部設有外側偏心齒輪,所述外側偏心齒輪外側設有與所述外側偏心齒輪相嚙合的內側齒輪環,所述內側齒輪環遠離所述橫板的一側兩端均設有凸板,所述凸板遠離所述內側齒輪環一端固定在所述廢水過濾箱內壁上部兩端處。
與現有技術相比,本發明的優點和積極效果在于:
1、將抗生素制藥廢水輸送到上腔體內后,隨著混合機構對內部進入的廢水進行混合,這時,下腔體內的推動機構就會推動推板,促使推板在下腔體內實現上下升降運動,在推板上下升降運動過程中,頂桿就會頂著球體,促使球體在液體腔中上下運動,當頂桿往下將的時候,球體在不受到下方頂力的作用下就會往下落入到下通口處,將下通口堵住,而這時上通口則打開,將上方混合攪拌的廢水排放到液體腔中,然后,又隨著球體受到下方頂桿的頂力下將上通口堵住,而液體腔中的廢水則隨著下通口往下流,通過下方的推動裝置將流下來的廢水在壓力的作用下將其推送到一側的廢水過濾箱中,后隨著內部的刮除裝置,將過濾沉淀下來的雜質刮除收入到收集箱中,因此提高廢水過濾過程中的順暢性,利于廢水處理中的過濾效果。
2、當下腔體中的推動裝置往上頂出后,頂桿就會頂著球體堵住上通口,促使上腔體形成一個密封腔體,便于內部混合機構對進入的廢水進行有效的混合攪拌,避免廢水中含有的固體沉淀在上腔體內,無法排出,也容易造成排水過程中造成堵塞的現象,影響廢水的過濾性。
3、下腔體中的推動裝置在往復式的升降運動后,下腔體內部的壓強增大,將液體腔中的液體隨著壓強的輸出抽下來,隨著推板的往下壓,將引入下來的液體推送到出料口處往廢水過濾箱中推送,這種壓力推送操作下,利于引入來的液體滾動力增加,利于廢水中的固體發生沉淀,可提高過濾效果,方便對廢水中的固液進行有效提取分離。
4、在廢水過濾箱中可設置多個過濾板,增加過濾效果,過濾板可包括活性炭濾板以及具有消毒的濾板。
(發明人:李增金;王海強;張振華;伊磊;于會泳)






