申請日2013.08.27
公開(公告)日2014.02.05
IPC分類號C02F1/72
摘要
一種難降解廢水處理系統,廣泛應用于工業廢水處理領域。它包括注水控制系統、氧化劑生成系統、催化劑投放系統、高級氧化反應系統、剩余氧化劑回收系統和排水系統。使難降解的工業廢水通過本系統處理后,滿足直接排放、后續生化處理、回用等各種處理要求,且設備具有運行費用低,處理效率高的特點。
權利要求書
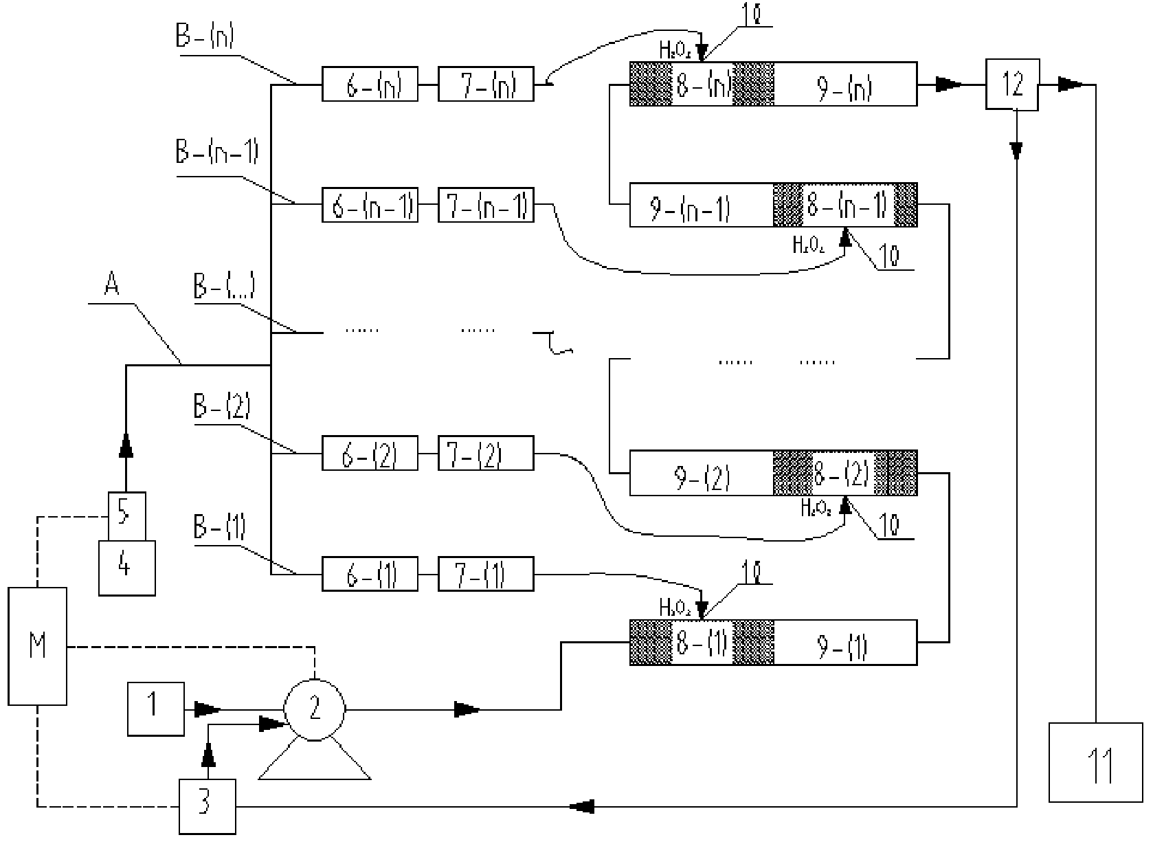
1.難降解廢水處理系統,其特征在于它由注水控制系統、氧化劑生成系統、催化劑投放系統、高級氧化反應系統、剩余氧化劑回收系統和排水系統構成,其中:
注水控制系統的進水池與溶氣泵相連,電控箱與溶氣泵、計量泵和氧化劑發生器電連接,溶氣泵與高級氧化反應系統的活化混合反應腔相連;
氧化劑生成系統通過氧化劑發生器通過溶氣泵與注水控制系統相連,同時與剩余氧化劑回收系統的回收裝置相連;
催化劑投放系統在電控箱控制下,使加藥桶和加藥計量泵,通過加藥主管和多條加藥支管,分別與投加調節閥和液體流量計相連;
高級氧化反應系統通過活化混合反應腔與注水控制系統和催化劑投放系統相連,活化混合反應腔與優化反應腔相連,加藥口與各加藥支管及活化混合反應腔相連;
剩余氧化劑回收系統由剩余氧化劑回收裝置構成,設有一個氣液混合液的進水口,一個氣體出口和一個反應液體出口;
排水系統中的出水池,與剩余氧化劑回收裝置的反應液體出口相連。
2.如權利要求1所述的難降解廢水處理系統,其特征在于高級氧化反應系統中活化混合反應腔和優化反應腔相互串聯,形成一個反應段;每個反應段采用首尾連接的串聯方式。
3.如權利要求1所述的難降解廢水處理系統,其特征在于催化劑投放系統中的計量泵固定在催化劑加藥桶上,計量泵的加藥主管分有多路支管,各加藥支管均與投加調節閥、液體流量計依次相連。
4.如權利要求1所述的難降解廢水處理系統,其特征在于催化劑投放系統中的加藥支管與高級氧化反應系統中的活化混合反應腔的加藥口相連。
說明書
難降解廢水處理系統
技術領域
一種廢水處理系統,廣泛應用于工業廢水處理領域。更具體地說,涉及一種工業難降解廢水處理系統。
背景技術
隨著工業的迅速發展,廢水的種類和數量迅猛增加,水體的污染也日趨廣泛和嚴重,時刻威脅人類的健康和安全。對于保護環境來說,工業廢水的處理比城市污水的處理更為重要。工業廢水的處理雖然早在19世紀末已經開始,并且在隨后的半個世紀進行了大量的試驗研究和生產實踐,但是由于許多工業廢水成分復雜,性質多變,仍有一些技術問題沒有完全解決。
目前在工業廢水處理領域中,采用高級氧化法處理的基本原理是采用羥基自由基的強氧化性對工業廢水中高分子有機物進行處理。通常是采用不同的方法產生羥基自由基,如芬頓試劑、光觸媒等,再通過羥基自由基與有機物發生氧化反應,從而達到分解有機物的目的。但該方法的實施需要具備一定的反應時間,并且需要投加大量的氧化劑,才能達到處理效果。按照羥基自由基的反應機理和化學特性,羥基自由基極不穩定,如果瞬間沒有捕捉到污染物,羥基自由基將立即發生相互間等其他反應,瞬間湮滅,此時羥基自由基沒有起到強氧化處理污染物的作用,系統生成的羥基自由基的有效利用率低,所以造成通常高級氧化方法的反應時間長,氧化劑投加量多,處理成本高等弊端。而且氧化反應處理裝置通常采用一個反應腔,氧化劑投加點通常也為一個,反應效果不佳,并存在設備體積大,裝置結構單一,設備成本高等問題。
發明內容
本實用新型目的就是要提供一種難降解廢水處理系統,使難降解的工業廢水通過本系統處理后,滿足直接排放、后續生化處理、回用等各種處理要求,且設備具有運行費用低,處理效率高的特點。
為了解決上述目的,本實用新型采用如下技術方案:
難降解廢水處理系統,包括注水控制系統、氧化劑生成系統、催化劑投放系 統、高級氧化反應系統、剩余氧化劑回收系統和排水系統,其中:
注水控制系統的進水池與溶氣泵相連,電控箱與溶氣泵、計量泵和氧化劑發生器電連接,溶氣泵與高級氧化反應系統的活化混合反應腔相連;
氧化劑生成系統通過氧化劑發生器通過溶氣泵與注水控制系統相連,同時與剩余氧化劑回收系統的回收裝置相連;
催化劑投放系統在電控箱控制下,使加藥桶和加藥計量泵,通過加藥主管和多條加藥支管,分別與投加調節閥和液體流量計相連;
高級氧化反應系統通過活化混合反應腔與注水系統和催化劑投放系統相連,活化混合反應腔與優化反應腔相連,加藥口與各加藥支管及活化混合反應腔相連;
剩余氧化劑回收系統由剩余氧化劑回收裝置構成,設有一個氣液混合液的進水口,一個氣體出口和一個反應液體出口;
排水系統中的出水池,與剩余氧化劑回收裝置的反應液體出口相連。
其中,高級氧化反應系統中活化混合反應腔和優化反應腔相互串聯,形成一個反應段;每個反應段采用首尾連接的串聯方式;
催化劑投放系統中的計量泵固定在催化劑加藥桶上,計量泵的加藥主管分成多路支管,各加藥支管均與投加調節閥、液體流量計依次相連;
催化劑投放系統中的加藥支管與高級氧化反應系統中的活化混合反應腔的加藥口相連。
本實用新型顯著特點在于:
1.重點針對羥基自由基極不穩定,瞬間湮滅的特性,提出采用多點投加、多個反應段組合,以及多項靈活調節的解決措施。
2.將一整個反應腔體分成若干個串聯的小反應腔,氧化劑投加點與小反應腔的數量相匹配。
3.本系統中羥基自由基有效利用率高,處理時間短,氧化劑的投加量少,所以采用本裝置具有運行費用低,處理時間短,處理效率高等特點。
4.具有化學需氧量(COD)去除率高,可生化性能升高,處理后的廢水能夠滿足各種處理要求,比如直接排放、后續生化處理要求、回用等。
5.本系統加工制造與廢水處理成本低,處理效果顯著。







